Tutte le attività
- Nell'ultima ora
-
Asciugatrice in cantina
Pisacane ha risposto a Pisacane alla discussione in Lavatrici - Asciugabiancheria
Grazie mille ancora Ganimede...delle due provo a vedere se spediscono! -
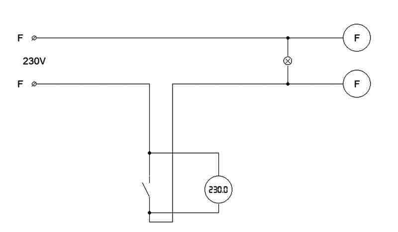
Interruttore luce strano
burida62 ha risposto a burida62 alla discussione in Altri argomenti elettrici
Volevo ringraziare Domenico e tutti gli altri. In effetti ho fatto come è stato detto e con l’interruttore funziona tutto come prima. Ma sapete non essendo elettricista e vedendo su due capi dell’interruttore una tensione mi sono detto…non è che se li unisco scoppia qualcosa?…👏👏👏 -
scheda stufa a pellet in corto causa sbalzo di tensione
sergio1289 ha risposto a sergio1289 alla discussione in Elettronica generica
no non ho scollegato la scheda .ma anche scollegando la scheda da tutti i connettori, non mi darebbe misure falsare ugualmente con tutti quei componenti in giro? comunque quel varistore evidenziato va a un relè e mi segna un corto netto, mentre l'altro vicino sia a questo che al relè non mi segna niente. -
Marantz cd problema display
insomniasat ha risposto a insomniasat alla discussione in Radio - Stereo - Autoradio - HiFi - CD - DVD
E' un lettore del 2000, preso a buon prezzo perche comunque i cd si sentono benissimo ma ha il problema al display. -
Interruttore luce strano
thinking ha risposto a burida62 alla discussione in Altri argomenti elettrici
-
Perché il cavo non è molto lungo e tende a rimanere teso , non vorrei rischiare di strappare il cavo dal trasformatore.
-
Interruttore luce strano
Marco Fornaciari ha risposto a burida62 alla discussione in Altri argomenti elettrici
Il fatto dell'immondizie è perchè ci si chiude e limita in un solo mondo. Sorvoliamo sul progetto, ma un cablatore/installatore di impianti industriali deve avere, e ha, conoscenze e manualità che un civilta manco si sogna: per il civilista passare all'industriale è dura, viceversa è semplice. Che poi nell'industiale è un conto costruire solo quadri di distribuzione, di fatto sei più carpentiere assemblatore che elettricista, tutta altra cosa essere cablatore di quadri e impianti di automazione: le conoscenze che servono stanno in rapporto 1:50, sorvolando sulle norme. In ogni caso gli impianti di "tipo civile" ho sempre continuato a farli, solo che si tratta di sale controllo e uffici facenti parte di impianti di produzione, quindi cambia la destinazione d'uso ma non la forma, se vogliamo pignolare e che sui miei impianti bisogna fare considerazioni diverse per le protezioni e pure evitare l'assenza di corrente ovvero limitarla all'accensione di un generatore. Anzi poi c'è una parte che un progettista di mera distribuzione, anche MT, non arriva mai a capire, dato che il suo mondo è il 20% della materia elettrica, il connubbio nello stesso locale/scrivania di 64-8 e direttiva macchine. Poi per quanto riguarda l'elettronica un civilista, rispetto all'industriale, gioca con le lampadine accese con la pila a 4,5 V attraverso un transistor. E anche nel civile se non impari gli schemi, che per prese e luci in totale sono 4, per tutto il resto i manuali bisogna leggerli e impararli. Da noi in compagna i civilisti li chiamavano lucini (e forse accanto al Po li chiamano ancora così), ma in tanti con l'invertita o il relè passo-passo vanno in crisi, e la 64-8 si limita al MTD tipo AC subito dopo il contatore. In ogni caso se un impianto elettrico con conduttori murati è a regola d'arte, a beh allora ... - Oggi
-
scheda stufa a pellet in corto causa sbalzo di tensione
ALLUMY ha risposto a sergio1289 alla discussione in Elettronica generica
Quello è un altro varistore. Però hai scollegato la scheda da tutto il resto? sennò hai falsi riscontri. Penso che una lampada a incandescenza da 60W sia più che sufficiente. -
mistertv ha iniziato a seguire TV Haier LE32C800C non funziona telecomando
-
TV Haier LE32C800C non funziona telecomando
mistertv ha risposto a alexcanadair alla discussione in Altre marche TV
La eeprom? Il firmware sta nella SPI a meno che tu abbia confuso i termini. Se hai agito sulla SPI quale firmware hai caricato? Il suo che hai provveduto a leggere? Magari era buggato e lo hai ricaricato con il bug. Se sei certo che il firmware sia a posto segui il segnale in uscita dal ricevitore IR con l'oscilloscopio e vedi se assume forme strane, a volte i condensatori smd fanno brutti scherzi. -
Ed hai verificato che fosse una versione successiva a quella che c'era? Non vorrei tu avessi rimesso lo stesso firmware. Comunque prova un reset alle impostazioni di fabbrica dalla modalità di servizio.
-
scheda stufa a pellet in corto causa sbalzo di tensione
sergio1289 ha risposto a sergio1289 alla discussione in Elettronica generica
all'ingresso alimentatore ho controllato il ponte raddrizzatore e non ho trovato corto , poi cosa altro posso controllare oltre al ponte raddrizzatore? ho misurato la catena dei varistore in kohm alcuni mi segnano intorno ai 138 kohm, altri niente, l'ultimo evidenziato in colore rosa nello schema mi dà in corto . dimenticavo la prova lampada con che wataggio lampadina è preferibile farlo? -
Perchè mai dovresti staccare la ventosa per cambiare i condensatori? Devi ribaltare il telaio su un fianco dopo che è uscito dalla slitta. La ventosa si toglie nella maggior parte dei casi solo per sostituire il trasformatore EAT o per altre operazioni ma non per sostituire componenti.
-
giugn76 ha iniziato a seguire Apertura tramite pulsante
-
-
DavideC89 ha aderito alla comunità
-
Integra due - Cronotermostato Saunier Duval
endurik ha risposto a Lebron5 alla discussione in Impianti Riscaldamento
salve, nessun cronocomando attuale è compatibile con le vecchie caldaie. -
Interruttore luce strano
Maurizio Colombi ha risposto a burida62 alla discussione in Altri argomenti elettrici
Lasciamo stare la storia, tutti sanno che hai vissuto a pane ed elettrotecnica e tutto il resto... ma hai abbandonato il civile e non è bello. Il civile è un mondo a parte, senza logica, senza schema, senza un progetto ben definito; proprio per questo il civile ha bisogno di persone che sappiano ragionare, che conoscano l'elettrotecnica, la logica, che abbiano il problem solving di un manutentore in produzione, e che siano anche un po' strutturisti. Chi piega barre da 20 centimetri o costruisce linee con corde da 250 o collega fili numerati a morsetti numerati... è immondizia per il civile, credimi. In ogni modo: generalmente per salire verso il centro, si passa dalla prima scatola disponibile in altezza: un interruttore, una presa alta, il centralino... ma chi desidera partire direttamente dalla derivazione, non è da fucilare, non segue la logica tradizionale, ha soldi da buttare in rame e tempo, ma può tranquillamente restare "iscritto all'albo". P. S. è arrivata l'ora legale anche di là? 😆 -
scheda stufa a pellet in corto causa sbalzo di tensione
NovellinoXX ha risposto a sergio1289 alla discussione in Elettronica generica
Non è un corto nel senso stretto del termine ma per una VDR è come se fosse in corto perchè alla bassa tensione di un tester deve avere resistenza infinita e incominciare a condurre con tensione maggiore di quella nominale. Comunque, visto che la VDR non si è "aperta" completamente ed è rimasta, dopo lo sbalzo di tensione, con una resistenza residua "finita" è probabile che abbia fatto il suo dovere e non ci siano altri danni sulla scheda, ma, per sicurezza, fai comunque la prova con la lampada come ha scritto Allumy. Pulisci e rimuovi la "sfiammatura" lasciata sul PCB -
Livio Orsini ha iniziato a seguire Marantz cd problema display
-
Marantz cd problema display
Livio Orsini ha risposto a insomniasat alla discussione in Radio - Stereo - Autoradio - HiFi - CD - DVD
Lo hai acquistato nuovo od usato? -
Urmet camera non funzionante (1083/71, 1083/72, 1083/7, 1083/77)
vlakci ha risposto a vlakci alla discussione in Citofoni, videocitofoni e intercomunicanti
No - sono rimasti da due cambi. E un sistema singola unita esterna + 1083/23 + 4x unita interne. Nessun modulo collona o unite esterne multiple, ma un impianto basico. Adesso ho messo su in banco prova: 1x 1083/20A + 1x 1750/1 + una per una delle l'unita esterne. Con un Mikra V1 o un 1083/77 (presi in prestito) tutto funzione come dovrebbe = il problema non e' nell' alimentatore o unita interna! Mettendo i due problematici 1083/72 o 1083/71, il video sul schermo unita interna sara solo blue (lo stesso quando se usa una unita esterna solo audio con unita interna video), o a volte si vede statica con sagoma in sfondo della persona davanti la camera (come su vecchi televisori quando l'antenna e' spostata o programma codificato). Provando il modulo 33x33mm camera principale del problematico 1083/72 o 1083/71 sul buono 1083/77 in prestito, queste funzionano . Penso che il problema deve essere tra il connettore camera e l'entrata del uP. - Ieri
-
Parere quadro appartamento 110mq
Marco Fornaciari ha risposto a jonny89 alla discussione in Progettazione impianti elettrici civili e terziario
Errore di scrittura, ecco il testo corretto. Tubo in plastica o meno, le cordine richiedono il MTD. Se fai contratto fino a 4,0 kW e metti cordine almemo 6 mmq 32 e 25 possono andare, però non hai il 30% di potenza in più per tre ore, ti fermi al 22%. Per il piano cottura fatti vostri. Appunto perchè i tubi sono in plastica è diventata ancora di più obbligatoria la terra ai rubinetti: l'acqua è un ottimo conduttore di corrente. Il pulsante di chiamata nei bagni non è obblicatorio, certo, ma tanto comodo, in ogni caso sempre fatti vostri. Se la disposizione è fatta bene, con cassette grandi e magari qualcuna in più, non è necessario soprapporre tubi corrugati. Anch'io oggi per la legge sono una persona con competenze professionali, ma l'elettrotecnica e gli impianti elettrici li ho studati e fatti fin dal 1972. Poi dal 2008 (per via della 81/2008) per scelta professionale ho lasciato decadere la possibilità di firmare progetti fino a 6 kW in ambiente civile e terziario (però dal 1985 alla pensione ho progettato e costruito impianti dove la potenza installata si misura in MW). -
Serratura Elettrica Comandata Da Tre o più Citofoni Diversi
Marco Fornaciari ha risposto a Andrea1989- alla discussione in Citofoni, videocitofoni e intercomunicanti
Il diodo, meglio i diodi, vanno bene solo se la serratura è in corrente continua. Ma forse è meglio utilizzare tre relè a 4 contatti e interbloccare tra di loro i relè: - due contatti alimentano la serratura con la tensione del citofono da cui si apre - gli atri due contatti tolgono alimentazione agli altri due relè, basta interrompere un polo della bobina. Con questo cablaggio solo il primo relè che si eccita alimenta e comanda la serratura, gli altri due non si eccitano e aspettano. Con una cassettina vicino alla serratura si risolve e non si corre il rischio di mischiare le tensioni. Volendo pignolare si possono utilizzare anche tre temporizzatori a 4 contatti e settarli sul funzionamento con ritardo alla diseccitazione, funzionamento diventa: 1- si eccita il temporizzatore e funziona la serratura 2- si aprono nache i contatti che tolgono alimentazione agli altri relè 3- si diseccita il temporizzatore e la serratura finisce il suo lavoro 4- parte il tempo, un secondo basta e avanza 5- a fine tempo si richiudono i contatti cha abilitano gli altri due temporizzatori. Lo schema di cablaggio dipende dal tipo di relè o temporizzatori utilizzati. -
sito LG
-
Interruttore luce strano
Marco Fornaciari ha risposto a burida62 alla discussione in Altri argomenti elettrici
Come avrei fatto non lo so, dato che il primo impianto civile risale, non ricordo bene, al 1975/76, e ho messo il tubo. Anche l'appartamento degli anni 60 in affitto dove abitavo con i miei era purtroppo così, e così è stata cablata una palazzina costruita a fianco nel 1973: l'elettricista era lo stesso**. Sorvolando sul fatto che all'epoca gli impianti elettrici si facevano raramente a pavimento, infilare un tubo nelle pignatte era meno di un attimo. Poi, se ricordo bene, il cavo in plastipiombo e i fili rigiti sono spariti dal commercio, ma negli anni '90 con le norme CE sono ritornati dato che in alcuni paesi europei erano ancora in uso Nel 1994 in Francia mi hanno obbligato a fare un bordo macchina con il cavi trefolati e rigidi e isolati in neoprene (in Italia erano già diventati addirittura vietati), un deliro per evitare di rovinare la guaina esterna negli striminziti tubi e guaine di metallo. ** Che poi quello stesso elettricista per altre parti dell'impianto aveva già anticipato le norme uscite da metà anni '80 in avanti. -
ALLUMY ha iniziato a seguire Serratura Elettrica Comandata Da Tre o più Citofoni Diversi
-
Serratura Elettrica Comandata Da Tre o più Citofoni Diversi
ALLUMY ha risposto a Andrea1989- alla discussione in Citofoni, videocitofoni e intercomunicanti
Invece se ogni inquilino avesse un alimentatore e un diodo puoi ottenere esattamente quello che chiedi. -
scheda stufa a pellet in corto causa sbalzo di tensione
ALLUMY ha risposto a sergio1289 alla discussione in Elettronica generica
C'è da sperare che sia solo lui, se la sovratensione è stata abbastanza veloce e non troppo elevata da non friggere qualcos'altro. Controlla se c'è il corto in ingresso all' alimentatore, dopo aver staccato quel varistore. Se ti sembra che non ci sia, prova a riaccendere il tutto, magari col metodo della lampada. Se tutto va bene infine ricordati che va messo un varistore nuovo. -
TV Haier LE32C800C non funziona telecomando
alexcanadair ha inserito una discussione in Altre marche TV
Buonasera ragazzi, non so se qualcuno di voi sia capitato questo difetto su questo TV Haier LE32C800C non funziona telecomando nonostante abbia il suo originale più uno programmato non riceve nessun impulso infrarosso. Ho già provato a cancellare la eeprom per poi ricaricare il suo firmware, sostituito pure il ricevitore infrarosso. Ma niente da fare da tastiera funziona regolarmente ma da telecomando no.
