Tutte le attività
- Nell'ultima ora
-
Raffaele996 ha iniziato a seguire Pulsante di scarico non funziona. Sono disperato
-
Pulsante di scarico non funziona. Sono disperato
Raffaele996 ha inserito una discussione in Impianti (Idraulica)
Buonasera, ho un problema con lo scarico del wc: quando provo a scaricare non si aziona lo sciacquone. La sensazione è che la spinta data dal pulsante pneumatico non sia sufficiente. Ho già fatto queste prove: 1. Ingrassato il pulsante 2. Sostituito la valvola della campana di scarico 3. Messo il livello dell'acqua al minimo 4. Controllato la tenuta del tubicino di scarico (é ok) Niente di tutto questo ha funzionato. L'unica cosa che lo fa funzionare è togliere il pulsante di scarico e scaricare pompando aria con un siringone. Non so cosa altro provare, cosa mi suggerite? -
Domande riguardo posizione fili trasmettitore di un videocitofono URMET Giugiaro mod N°308843 SC 1505/07
Roberto Garoscio ha risposto a quinto giampiero alla discussione in Citofoni, videocitofoni e intercomunicanti
Mi sembra che si parli di campanelli e non di videocitofoni, se vuoi un consiglio evita queste cinesate sul circuito comune, piuttosto metti un ripetitore di chiamata e utilizzi il contatto NO per attivare il sistema di chiamata. -
Comando attuatori impianto a pavimento
ROBY 73 ha risposto a kronos72it alla discussione in Altri argomenti elettrici
Potrebbe anche esistere, ma sinceramente a me non me ne vengono in mente -
Effetto Larsen
Roberto Garoscio ha risposto a Leone2285 alla discussione in Citofoni, videocitofoni e intercomunicanti
Misteri -
Connessione della terra
ROBY 73 ha risposto a jpredeu alla discussione in Quadri elettrici civili e terziario
Ciao jpredeu, sinceramente ci ho capito poco, ma credo che per un po' ci ho azzeccato: Sì, non ci sono problemi, l'importante è che alla fine tutti i cavi di terra dei vari appartamenti convergano in un unico punto (o anche più) e che poi ci sia una corda da almeno 16mmq che va al dispersore. Ah, ...... e solo per tua informazione: Presumo che tu intenda questo: Quindi questo è il "Contatore" (con una sola "t") che appunto "conta" i KWh che consumi, mentre un "Contattore" (con due "tt"), è tutt'altro dispositivo e potrebbe essere ad esempio questi: e servono per alimentare / chiudere un circuito -
Lavatrice carica e scarica allo stesso tempo
Stefano Dalmo ha risposto a tuttorotto alla discussione in Lavatrici - Asciugabiancheria
Appena finisce di scaricare e inizia il nuovo carico , ferma la macchina . attendi dieci minuti e riaccendi . potrebbe bastare anche di meno , ma non sapendo dove scarica non posso dire in quanto si svuota lo scarico .Magari basta un minuto . -
Aria termosifone mansarda
Stefano Dalmo ha risposto a and.1974 alla discussione in Impianti (Idraulica)
Se vedo bene quello è un davanzale di finestra . Se vuoi e si può , fai fare un foro da 10 e ci inserisci un tubicino collegato sul jolly e che esce fuori . in pendenza sotto il livello del jolly -
Lavatrice carica e scarica allo stesso tempo
tuttorotto ha risposto a tuttorotto alla discussione in Lavatrici - Asciugabiancheria
Ok posso fare la prova senza staccare il tubo? Tipo aspetto che faccia il primo scarico poi stacco l' alimentazione e aspetto mezz' oretta che l' eventuale acqua rallentata esca, poi riprovo ad avviare il ciclo, se fattibile mi andrebbe meglio così in quanto lo spazio dietro è poco per lavorarci ed è problematico spostarla -
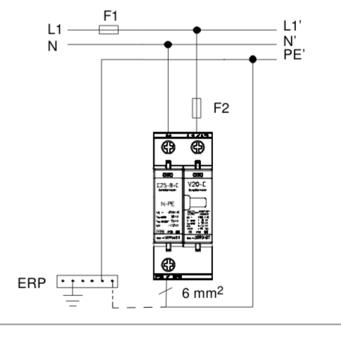
SPD, fusibile o no?
Giardi04 ha inserito una discussione in Installazione impianti elettrici civili e terziario
Buongiorno a tutti, ho acquistato un SPD OBO Bettermann V20-C 1+NPE e non riesco a capire dal manuale se necessita di fusibile a monte oppure no. Nello schema è segnato F1, mentre F2 è necessario solo se F1 > 125A. Io a monte di questo SPD ho un mt da 40A, non dovrebbe valere quello come protezione F1? Serve comunque un fusibile tra il mt e l’SPD? Grazie a tutti! p.s. allego anche la scheda tecnica -
Tamoko ha aderito alla comunità
-
Stefano Dalmo ha iniziato a seguire Asciugatrice Indesit Edpa 745 A1 - forte rumore e polvere ferrosa in terra
-
Asciugatrice Indesit Edpa 745 A1 - forte rumore e polvere ferrosa in terra
Stefano Dalmo ha risposto a Marcovzz alla discussione in Lavatrici - Asciugabiancheria
Supporti a rullo / tendicinghia . Apri la fiancata e vedi cosa lo provoca . Io opto per il secondo -
amin ha iniziato a seguire Samsung ue43tu7090, non accende, lampeggia velocemente led rosso.
-
Samsung ue43tu7090, non accende, lampeggia velocemente led rosso.
amin ha inserito una discussione in Samsung
Buonasera a tutti, mi ritrovo in riparazione questa TV che presenta il difetto in descrizione. Ho cambiato le strisce led poiché aveva precedentemente manifestato problemi sulla retroilluminazione. Ho provato a staccare flat del pannello, connettore delle strisce, ma il difetto permane identico. Avvicinando l'orecchio si ode pulsare ed in effetti ho pulsanti le tensioni da 12 e 5 volt ( da specificare che questa tv ha solo una scheda che fa sia da alimentazione, sia da main, sia tcon). Ho già trovato una main nuova, volevo un consiglio magari da chi potrebbe aver avuto a che fare con un difetto simile su questo modello. Procedo con l'acquisto o posso effettuare qualche altra prova? Saluti -
Asciugatrice Indesit Edpa 745 A1 - forte rumore e polvere ferrosa in terra
Marcovzz ha risposto a Marcovzz alla discussione in Lavatrici - Asciugabiancheria
Questo è il rumore che fa quando è in funzione. Rumore asciugatrice in funzione Grazie mille -
Infatti quello pensavo, ma il tecnico me l'ha sconsigliato perché se si blocca esce l'acqua e mi allaga casa. La valvola lui l'aveva, me l'avrebbe installa qualora lo avessi voluto, ma me l'ha sconsigliata.
-
Identificazione componente "di una certa età"
Maurizio Colombi ha risposto a Maurizio Colombi alla discussione in Tubazioni
Novellino, hai fatto lo stesso ragionamento che ho fatto io all'idraulico e questo ragionamento non fa una piega. Obiettivamente, per quel poco che me ne intendo, seguendo il funzionamento dell'autoclave e con i collegamenti elettrici realizzati almeno una quarantina di anni fa e mai più modificati, bisogna mettere nella testa dell'idraulico che il livello dell'acqua deve restare sotto all'apparecchio e non sopra, ma la vedo molto dura. Figurati che non riesce a capire che non ci può essere la stessa pressione all'interno del serbatoio, sia che si tratti di aria, sia che si tratti di acqua... Sto solamente cercando conferme che il mio ragionamento non sia strampalato. E me ne state dando da vendere, grazie. -
Luefra ha aderito alla comunità
-
Stefano Dalmo ha iniziato a seguire Cancello automatico bft bloccato su stop
- Oggi
-
Cancello automatico bft bloccato su stop
Stefano Dalmo ha risposto a mattia19 alla discussione in Citofoni, videocitofoni e intercomunicanti
Torna a rimontare la scheda sul cancello e non togliere il ponte tra 15 17 e vedi se funziona . oppure controlla cosa c’è collegato tra 15 e 17 , molto probabilmente il circuito è aperto . Deve risultare chiuso , ci sarà un pulsante stop attivato o il cablaggio con qualche falso contatto Come tra 15 18 , fotocellule -
Lavatrice carica e scarica allo stesso tempo
Stefano Dalmo ha risposto a tuttorotto alla discussione in Lavatrici - Asciugabiancheria
E allora perché non fai prima la prova che ti ho suggerito e poi dici come va , invece di dire già , non credo -
La meccanica è in fase ,stando ai riferimenti,ma il carrello non carica, chiedevo se qualcuno conosce l'esistenza di un tutorial passo passo, grazie.
-
Alessio Menditto ha iniziato a seguire Rumore e fumo da oblò e Problemi dual split maxa DC inverter
-
Problemi dual split maxa DC inverter
Alessio Menditto ha risposto a Buccia di arancio alla discussione in Guasti/Problemi Climatizzazione
Pessima idea, oltretutto reato penale, non si può aggiungere gas in un impianto consapevoli che perde. Quando buchi la gomma dell’auto, il gommista ci butta dentro aria o cerca la perdita prima? Se c’è un buco l’aria non esce di nuovo? Probabilmente è di nuovo scarico e intervengono le protezioni. -
Anta cancello che si chiude ma non si apre
GB62 ha risposto a GB62 alla discussione in Cancelli elettrici
Ciao Roby 73, ok, adesso tutto chiarissimo, grazie, darò anche una bella rinfrescata a tutti i forbox e nastri isolanti in giro che ho visto, ti terrò informato, ma ci vorrà un po’ di tempo, mi devo assentare per lavoro, grazie per tutto. ciao -
Lavastoviglie Samsung DW60M6050BB presenza di schiuma sul fondo a fine lavaggio
Marcovzz ha risposto a Marcovzz alla discussione in Lavastoviglie
Da Google: Se non si usa il brillantante, il problema principale è che le stoviglie potrebbero non asciugarsi bene, presentare aloni o macchie d'acqua, ma non rimarranno residui di sapone commestibili. Il brillantante serve a far scivolare l'acqua, facilitando l'asciugatura e prevenendo la formazione di aloni. Mancanza di brillantante: Se la lavastoviglie viene utilizzata senza brillantante, il risultato è che le stoviglie potrebbero non brillare e non asciugarsi completamente. Aloni e macchie: Soprattutto se l'acqua di lavaggio è dura, le stoviglie potrebbero presentare macchie d'acqua e aloni dopo il lavaggio. Nessun rischio di ingestione: L'ingestione di residui di sapone non è un rischio, poiché il brillantante viene dispensato dalla macchina, e i residui di detersivo vengono risciacquati. -
Problemi dual split maxa DC inverter
Buccia di arancio ha inserito una discussione in Guasti/Problemi Climatizzazione
Buonasera a tutti,ho un grande problema con una unità esterna di un dual split 12+12 maxa DC inverter , sia a caldo che a freddo l'unità esterna parte per 5 secondi poi si ferma e si senteno i relè ed elettrovalvole funzionare come se si resettasse da sola ogni 5 secondi colioe dopo che si è spenta,la ventola grande parte ma non rimane in funzione.ps questa estate guardando i manometri ho aggiunto un po' di gas perché mancava,potete aiutarmi a trovare una possibile soluzione ? Grazie mille a tutti , buona serata -
Lavatrice carica e scarica allo stesso tempo
tuttorotto ha risposto a tuttorotto alla discussione in Lavatrici - Asciugabiancheria
No, lo scarico avviene come se rimanesse aperto il condotto, senza la pompa che spinge fuori -
BOILER Interruttore Bipolare in sostituzione di Unipolare ponticellato
Leone2285 ha risposto a vasce alla discussione in Scaldabagno - Stufe - Condizionatori/Deumidificatori portatili
Ciao vasce, a meno che tu non abbia una forte necessità di mettere un bipolare solitamente in questi casi quello a un solo polo va più che bene e ti faciliterebbe il montaggio. Per montare il bipolare dovresti passare un altro filo. Il marrone che entra nell'interruttore sul PIN centrale dovrebbe essere la fase che viene interrotta dall'unipolare vecchio e attraverso il blu torna al boiler con il filo marrone. L'altro blu quello che sta da solo sull'interruttore dovrebbe essere il neutro che nel caso dell'unipolare serve ad accendere la spia. Il neutro è anche collegato direttamente al boiler con il filo blu nella scatola di derivazione. Praticamente dovresti mettere uno spezzone di filo che va dall'interruttore alla scatola di derivazione. Intanto ti posto questa foto e mi dici se più o meno mi segui. Quanti PIN ha il tuo nuovo interruttore? -
Rumore e fumo da oblò
Alessio Menditto ha risposto a gabbizio alla discussione in Lavatrici - Asciugabiancheria
...non puoi dirlo, è fuori tema È una San Giorgio mica una Miele Twindose da 1500 euro… -
jpredeu ha iniziato a seguire Connessione della terra e Consiglio per curva di MTD
-
Allora, domani vi posto le tensioni, ma intanto utilizzando lo schema del Raffaello che è comunque del tutto diverso qualcosa ho sistemato! Non mi tornava la totale mancanza di connessione tra il pin 7 della PCL82 e il trasformatore di uscita. Trovata una disconnessione e ora si sente anche se non fortissimo e comunque l'audio è molto povero di bassi. Domani continuerò le indagini, ma intanto ci siamo quasi
