Scorpion 65 Inserito: 1 novembre 2012 Segnala Inserito: 1 novembre 2012 La Tv si presenta con tre problemi, 1) Quando la spengo dal telecomando si spegne l'audio si accende la spia dello standby rossa ma lo schermo rimane acceso. 2) Partendo dall'alto dello schermo verso il basso ci sono 4 dita d'immagine ingrandita, se tolgo il segnale si vede un riga orizzontale da sinistra verso destra a partire dall'alto a scendere 4 dita su sfondo nevischio. 3 ) L'immagine si vede rossa con righe di ritraccia. Un grazie agli amici del forum.
enricopedro Inserita: 1 novembre 2012 Segnala Inserita: 1 novembre 2012 Come inizio cambierei tutti gli elettrolitici sull'alimentatore forse anche il rosa potrebbe andare a posto ....ma penso che per tale ultimo difetto, non sia sufficiente agire sulla corrente di raggio, si debba rigenerare il tubo.
Riccardo Ottaviucci Inserita: 1 novembre 2012 Segnala Inserita: 1 novembre 2012 è un vecchio telaio CP110 mi pare e oltre al consiglio di enricopedro controlla le saldature sulla basetta RGB
Scorpion 65 Inserita: 3 novembre 2012 Autore Segnala Inserita: 3 novembre 2012 Forse mi sono spiegato male, la tv quando la spengo dal telecomando va in standby ma lo schermo rimane acceso l'alta tensione e la deflessione non si spengono, ho controlato i 2 scr è risultano buoni.
Riccardo Ottaviucci Inserita: 3 novembre 2012 Segnala Inserita: 3 novembre 2012 infatti non ti eri spiegato,verifica dove il comando OFF del processore agisce (sull'alimentatore o sull'orizzontale),tramite schema che trovi in sezione Philips download del sito
Scorpion 65 Inserita: 3 novembre 2012 Autore Segnala Inserita: 3 novembre 2012 Lo schema non me lo apre dice che ci vuole il dischetto, comunque c'è lo in forma cartacea ma non capisco qual'è il processore mi aiuti grazie.
Riccardo Ottaviucci Inserita: 3 novembre 2012 Segnala Inserita: 3 novembre 2012 il processore è quello a cui arriva il segnale del telecomando e da cui esce il comando ON-OFF,oltre a tutti i controlli analogici e di sintonia.
Scorpion 65 Inserita: 3 novembre 2012 Autore Segnala Inserita: 3 novembre 2012 Grazie Riccardo credo di averlo trovato, allora partendo dal fotodiodo ir che si trova su una piccola basetta c'è anche un integrato il TDA 3047 che forse ampifica gli impulsi del telecomando, poi di qua un piccolo cavetto a 3 poli va a finire sulla basetta della tastiera dove c'è un grosso integrato deve essere questo il processore si chiama MAB 8441P TO56 DSD636 da 28 pin, al pin 8 sullo schema c'è on e il simbolo di un cerchio con un trattino penso che sia dello standby, poi invece al pin 7 c'è il simbolo dello standby e al pin 17 c'è scritto power on reset rimessa a zero e sono colegati insieme tramite 2 resistenze un diodo e un transistor, devo controllare ial pin 8 oppure al 7 e 17?
Riccardo Ottaviucci Inserita: 3 novembre 2012 Segnala Inserita: 3 novembre 2012 controlla lo stato del pin 8,a ON deve essere alto o basso e a OFF viceversa (0-5V)
Scorpion 65 Inserita: 3 novembre 2012 Autore Segnala Inserita: 3 novembre 2012 D'accordo farò come hai detto.
Scorpion 65 Inserita: 3 novembre 2012 Autore Segnala Inserita: 3 novembre 2012 Effettuate le misure in standby ci sono 3,64 volt invece accesa on 0 volt, come vado avanti?
Riccardo Ottaviucci Inserita: 3 novembre 2012 Segnala Inserita: 3 novembre 2012 vedi dove agisce questa tensione di OFF che mi pare bassina,dovrebbe essere 5V circa.Vedi se ci sono elettrolitici sulla linea del 5V e verificali.
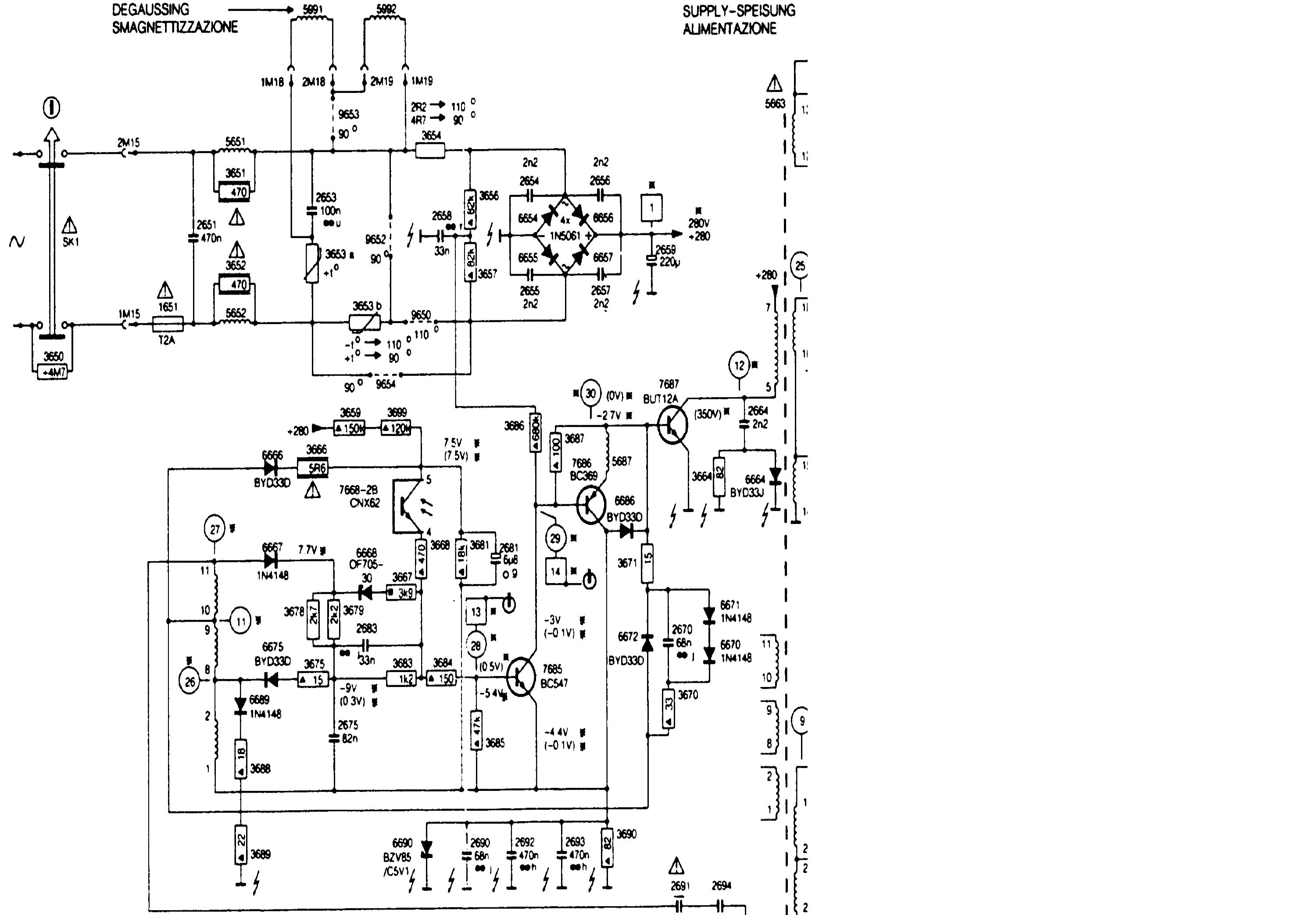
Scorpion 65 Inserita: 4 novembre 2012 Autore Segnala Inserita: 4 novembre 2012 Sullo schema porta dai 3 ai 5 volt e ci siamo, sulla linea dei 5 volt ai capi dei 2 condensatori ci sono 5 volt, ho notato che quando metto le tv in standby nella parte dell'alimentatore c'è la resistenza 3664 da 82 on che riscalda parecchio e si sente un frigolio, invece quando non è in standby il frigolio non si sente, alleggo foto. http://www.luceforum.com/plcforum.it/download/189befeea472251f464e28888376b66e-.jpg
Fulcro Inserita: 4 novembre 2012 Segnala Inserita: 4 novembre 2012 La parte di alimentatore che hai allegato (il primario dello switching) è controllata in ogni momento dal secondario, quindi non limitarti a controllare quella. In ogni caso, è un problema noto dei telai di quell'epoca, compresi i CP90/110 e i 2A/2B. Se hai verificato che nel processore il segnale varia cambiando lo stato tra On e StandBy, verifica il diodo 6734 e il transistor 7731. Un altro possibile motivo sono le saldature nel trasformatore di riga: non ricordo quale pin, se disconnesso dal circuito, provoca quel difetto. Per quanto riguarda il problema dell'immagine, dovresti orientarti nella sezione verticale, responsabile spesso dei rumori "hum" a causa di assorbimenti anomali nella propria alimentazione. Le ritracce sono fisiologiche... Quel TV avrà minimo 25 anni, o più, il problema è comune in quel telaio fin da giovane, ora mi sa che oltre che controllare la sezione finale RGB devi rigenerare il tubo... Saluti! Fulcro
Scorpion 65 Inserita: 5 novembre 2012 Autore Segnala Inserita: 5 novembre 2012 (modificato) Riparazione eseguita con successo , il problema risiedeva sul verticale posto il tutto nella sezione guasti risolti. Ringrazio Riccardo e Fulcro per l'aiuto. Modificato: 5 novembre 2012 da Scorpion 65
Messaggi consigliati
Crea un account o accedi per commentare
Devi essere un utente per poter lasciare un commento
Crea un account
Registrati per un nuovo account nella nostra comunità. è facile!
Registra un nuovo accountAccedi
Hai già un account? Accedi qui.
Accedi ora