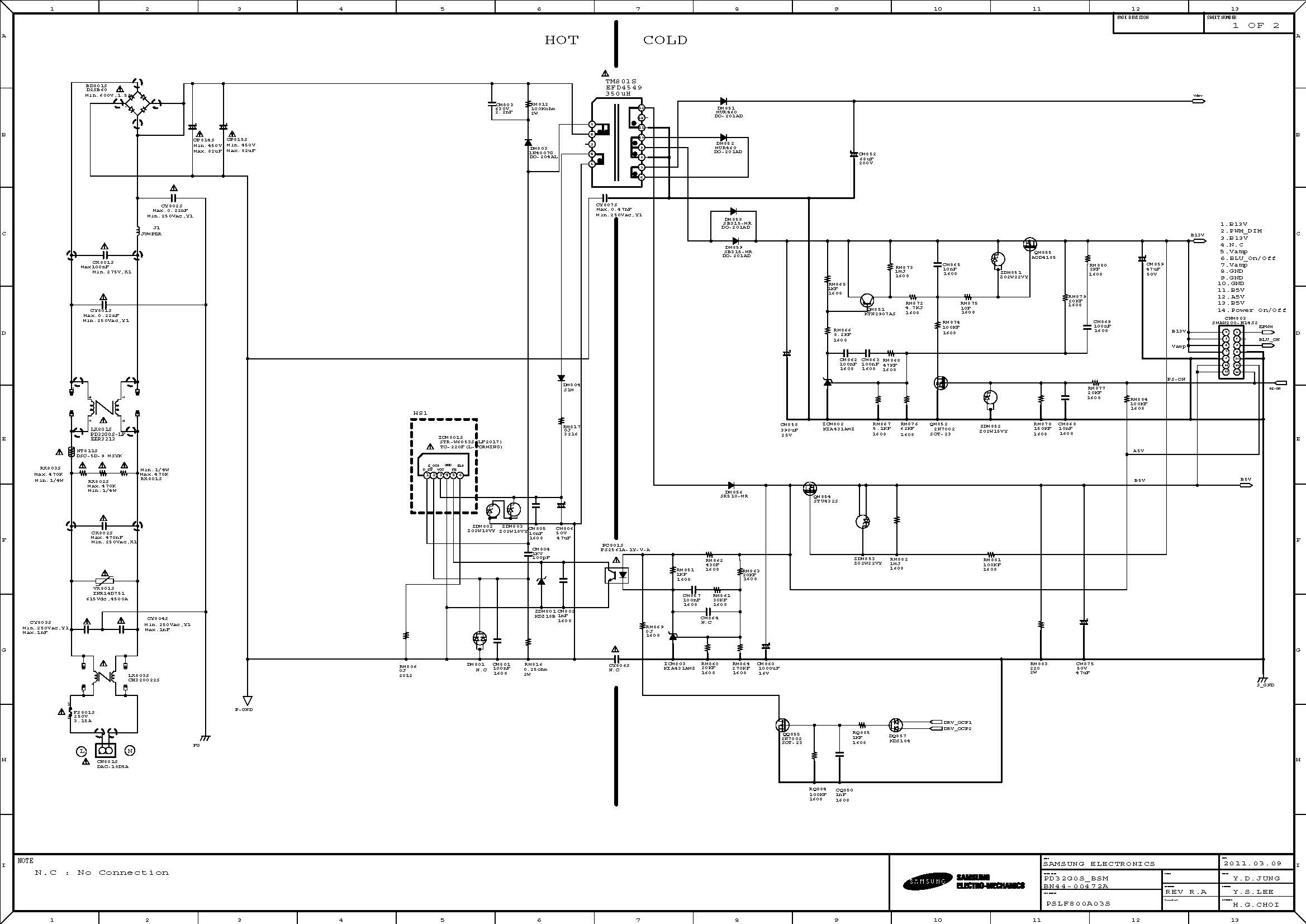
Jerry86 Inserito: 28 giugno 2014 Segnala Inserito: 28 giugno 2014 Buon giorno amici. Come da titolo questa lcd si presenta completamente spento anzi morto.Smontandolo ho trovato uno dei due fusibili saltato in zona primario psu (fm801S).Sostituito ma il difetto persiste cioè non esce nessuna tensione sul secondario.Ho sostituito per sicurezza i codensatori sempre lato secondario ma niente.Ho controllato quasi tutti i fusibili smd ma sono ok.Non riesco a trovare lo schema della psu. Vi ringrazio per una vostra eventuale risposta
Jerry86 Inserita: 28 giugno 2014 Autore Segnala Inserita: 28 giugno 2014 (modificato) Una cosa strana che ho notato e che tra i due pin di destra del trasformatore ci sia in corto.Se stacco il trasformatore della scheda e misuro i suoi pin resta semre il corto Modificato: 28 giugno 2014 da Jerry86
LILLO 63 Inserita: 28 giugno 2014 Segnala Inserita: 28 giugno 2014 Ciao ,no non è corto. È la spira di un secondario quindi la r è molto bassa.
Jerry86 Inserita: 30 giugno 2014 Autore Segnala Inserita: 30 giugno 2014 Ti ringrazio.Mi potresti dare qualche dritta su quale componente devo andare a fare i rilievi?L'unica cosa che noto sono i 310V sul condensatore di filtro
fmarconi Inserita: 18 novembre 2015 Segnala Inserita: 18 novembre 2015 Ciao, per caso il guasto è stato risolto?Mi trovo nella medesima situazione e non so che pesci prendere.Trovo i 310v sui condensatori filtro, ma non leggo nessuna vcc sul piedino 4 del STR w6765 e non riesco a capire perchè.Non trovo lo schema...cerco la resistenza di start up, ma non c'è...come si avvia questo STR?Grazie a tutti.Un saluto.
mistertv Inserita: 18 novembre 2015 Segnala Inserita: 18 novembre 2015 Se ti occorre ho l'alimentatore BN44-00472A completo ricondizonato.Controlla diodi e condensatori (specie ad alto voltaggio) nei dintorni dell'integrato che comunque dovresti sostituire. DM803, CM804, RM812.
fmarconi Inserita: 18 novembre 2015 Segnala Inserita: 18 novembre 2015 Ok, grazie controllo.Mi potresti comunicare in privato il prezzo del ricambio?Un saluto.
fmarconi Inserita: 18 novembre 2015 Segnala Inserita: 18 novembre 2015 Mistertv, ti posso chiedere una cortesia?Che integrato monta la tua scheda? STR w6765?Ti chiedo questo perchè il proprietario ha tentato la riparazione e pare abbia già sostiutito questo componente, mi sorge il dubbio che possa averlo sostituito con uno non idoneo.Grazie.
mistertv Inserita: 18 novembre 2015 Segnala Inserita: 18 novembre 2015 STRW6053S, controllati pure DM804 e PC801S. Prima che valuti per la sostituzione totale fatti questi controlli comprese le resistenze smd da 0 ohm che fanno da ponticelli.
fmarconi Inserita: 18 novembre 2015 Segnala Inserita: 18 novembre 2015 Ok Grazie.Gentilissimo.Un saluto.
Gabrio1003 Inserita: 24 marzo 2021 Segnala Inserita: 24 marzo 2021 Ciao a tutti, ho visto si tratta di una discussione vecchia ma ho anche io un problema simile. il mio tv LCD Samsung modello LTJ320AP02-J non si accende più, nessun segno neanche il led lampeggiante. ho paert il pannelo posteriore ed ho trovato il fusibile FM801S e il condensatore da 100pF CM804 esplosi, gli altri componenti sembrano in buono stato, diodi conducono in un verso correttamente. Sosituito i suddetti componenti L'alimenatatorte non parte ugualmente. sarà salatato anche l'integrato ICM 801S STR-W6053S(LF2017) ? Come faccio a provarlo? Avete altri suggerimenti per la ricerca guasti? Grazie per il vostro aiuto
VERGHI1 Inserita: 24 marzo 2021 Segnala Inserita: 24 marzo 2021 Ti sei...accodato!!! Devi aprire una Tua discussione
Gabrio1003 Inserita: 24 marzo 2021 Segnala Inserita: 24 marzo 2021 Scusa, inesperienza, creo subito nuova discussione
Livio Migliaresi Inserita: 24 marzo 2021 Segnala Inserita: 24 marzo 2021 @Gabrio1003 Hai giustamente aperto una discussione propria. -discussione chiusa-
Messaggi consigliati