Stefano Gottardello Inserito: 9 luglio 2020 Segnala Inserito: 9 luglio 2020 gestito tramite due videocitofoni bticino e un citfono solo audio. avevo scattato queste foto 1 anno fa, perchè dava problemi ma poi non era stato risolto il problema, inizialmente pensavo fosse la serratura vecchia, ma per fare un test veloce applicando 12V direttamente alla bobina con semplici pile, avevo visto che si apriva sempre senza problemi. avevo notato anche misurato che all'ingresso del videocitofono esterno arriva la 27V correttamente, però in uscita non avevo voltaggio. il fatto sta che il cancelletto funziona, se viene aperto 1 o 2 volte nell'arco di un'ora, ma quando viene utilizzato più volte bisogna andare ad aprirlo con la chiave, o aspettare un tempo indefinito (minuti-ore) e poi torna a funziona. mi chiedevo se fosse possibile senza sostituire la scheda esterna video, magari ha qualche componente elettronico che non carica e scarica rapidamente, o sostituire la serratura con una più recente, che però non credo sia quella il problema, aggiungere qualcosa poco prima delle serratura però aumentare voltaggio e o amperaggio?
Stefano Gottardello Inserita: 12 febbraio 2023 Autore Segnala Inserita: 12 febbraio 2023 Buongiorno riapro la mia precedente discussione, qualcuno sa come risolvere il problema? Praticamente il videocitofono riceve i 27v (BTicino terranno) e sull'uscita S+ S- della serratura del cancelletto, non arriva tensione dopo la prima apertura, volevo provare a prendere con un modulo relay la tensione ed applicarla direttamente alla serratura, ma lavorando su bus due fili si creano problemi, se cavallotto la 27V direttamente su S+ il cancelletto si apre, quindi non penso sia un problema di alimentazione ma del PE esterno, può essere che faccia fatica a caricare i condensatori vecchi? Oppure il bus non invia segnale da tutti e 3 i citofoni al videocitofono esterno? Grazie per l'aiuto, inoltre qualcuno ha foto o circuito elettronico del PE esterno? Grazie Stefano
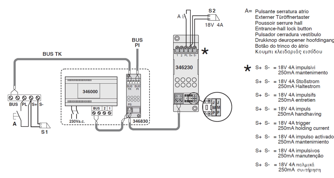
Maurizio Colombi Inserita: 12 febbraio 2023 Segnala Inserita: 12 febbraio 2023 (modificato) 3 ore fa, Stefano Gottardello ha scritto: non arriva tensione dopo la prima apertura Questo è il classico sintomo che indica che il circuito 3 ore fa, Stefano Gottardello ha scritto: fatica a caricare i condensatori Ad essere sincero non ho mai messo mano alla sostituzione dei condensatori, perchè un intervento del genere è dispendioso e non professionale, ma se realizzato in ambito hobbistico dal proprietario dell'impianto potrebbe risolvere il problema. Ripeto potrebbe... 3 ore fa, Stefano Gottardello ha scritto: inoltre qualcuno ha foto o circuito elettronico del PE esterno? Se ci fosse in giro lo schema dell'apparecchio, tutti i CAT BTicino potrebbero chiudere immediatamente... 3 ore fa, Stefano Gottardello ha scritto: lavorando su bus due fili si creano problemi Sul BUS non si devono assolutamente inserire apparecchi diversi da quelli progettati per il sistema interessato. 3 ore fa, Stefano Gottardello ha scritto: se cavallotto la 27V direttamente su S+ Cosa da non fare assolutamente per le ragioni dette prima, esiste il morsetto PL che chiuso insieme ad S+ gestisce l'apertura locale della serratura. Potresti sicuramente intervenire sul sistema, aggiungendo l'attuatore 346230 che ti permetterà di aprire la serratura senza utilizzare lo stesso circuito previsto nella pulsantiera. Modificato: 12 febbraio 2023 da Maurizio Colombi
Stefano Gottardello Inserita: 12 febbraio 2023 Autore Segnala Inserita: 12 febbraio 2023 4 ore fa, Maurizio Colombi ha scritto: Questo è il classico sintomo che indica che il circuito che? 4 ore fa, Maurizio Colombi ha scritto: esiste il morsetto PL che chiuso insieme ad S+ quindi potrei provare a spostare i due fili da S- a PL e lasciare S+ invariato per la serratura? 4 ore fa, Maurizio Colombi ha scritto: 346230 però bisognerebbe tirare nuovi fili? attualmente ci son solo i 4 fili (due per il bus e due per la serratura) son 50m di filo interrato. nel quadro c'è il 346830 e l'alimentatore 346000
Maurizio Colombi Inserita: 12 febbraio 2023 Segnala Inserita: 12 febbraio 2023 50 minuti fa, Stefano Gottardello ha scritto: che? 9 ore fa, Stefano Gottardello ha scritto: fatica a caricare i condensatori 51 minuti fa, Stefano Gottardello ha scritto: potrei provare a spostare i due fili da S- a PL e lasciare S+ invariato per la serratura No di certo, la serratura deve essere collegata a S+ e S-, mettendo un pulsante (e quindi chiudendo momentaneamente PL e S+) si attiva l'elettroserratura. Praticamente si usa per un pulsante locale. 54 minuti fa, Stefano Gottardello ha scritto: però bisognerebbe tirare nuovi fili? No, serve solamente il BUS ed i due fili dell'elettroserratura, che hai già nel posto esterno. L'attuatore è un 2 moduli DIN, praticamente metà pacchetto di sigarette circa.
Stefano Gottardello Inserita: 12 febbraio 2023 Autore Segnala Inserita: 12 febbraio 2023 30 minuti fa, Maurizio Colombi ha scritto: No di certo, la serratura deve essere collegata a S+ e S-, mettendo un pulsante (e quindi chiudendo momentaneamente PL e S+) si attiva l'elettroserratura. non dispongo di pulsanti, ma ho 2 videocitofoni, non è possibile utilizzare il pulsante luce (la lampadina)? 31 minuti fa, Maurizio Colombi ha scritto: L'attuatore è un 2 moduli DIN, praticamente metà pacchetto di sigarette circa. non ho ben capito come andrebbe collegato l'attuatore, da questo schema andrebbero tirati due fili alla serratura (distante 50 metri dal quadro elettrico), attualmente è collegata con 1 metro di cavo ad S+ S- della pulsantiera esterna del citofono
Stefano Gottardello Inserita: 12 febbraio 2023 Autore Segnala Inserita: 12 febbraio 2023 senza utilizzare il PL, S2 si aprirebbe allo stesso modo di S1? ho solo una serratura. conviene aggiungere attuatore + nuovo cablaggio, o sostituire il modulo esterno se danneggiato? nel secondo caso la parte interessata sarebbe solo il modulo audio o anche quello video? son collegati assieme da un cavo flat. E potrebbe anche essere che il problema è qualcos'altro derivante dal sistema BUS? magari dopo la prima apertura non trasmette più il segnale di apertura per altri motivi? configurazioni, delay, ho visto un ponte su T da altro schema
Maurizio Colombi Inserita: 12 febbraio 2023 Segnala Inserita: 12 febbraio 2023 ...a volte mi chiedo se sono io che scrivo in aramaico antico, o se qualcosa d'altro non sta andando per il verso giusto. 37 minuti fa, Stefano Gottardello ha scritto: non dispongo di pulsanti, Ma puoi sempre mettercelo provvisoriamente, attaccarci due fili e farli toccare insieme per un secondo, usare una forbice per puntarla nei due morsetti, usare un fil di ferro... ina forcina per capelli... un qualcosa di conduttivo per fare un ponticello provvisorio tra PL ed S+ senza staccare nulla, senza stravolgere nulla, senza fare tanta confusione. Solo per vedere se si tratta di carica dei condensatori (come credo) o di difetto di ricezione del segnale BUS. 37 minuti fa, Stefano Gottardello ha scritto: non ho ben capito come andrebbe collegato l'attuatore Hai postato lo schema, sembra abbastanza chiaro. Se vuoi metterlo nel quadro elettrico ti sobbarchi i 50 metri di filo da infilare, se lo metti nelle vicinanze della pulsantiera esterna, in una scatola stagna appesa dietro, nella cassetta del contatore, appesa ad un albero, appoggiata sulla staccionata, dove diamine ti pare (sempre nelle vicinanze del posto esterno) dovrai "tirare" 1 metro di cavetto con due fili ed un altro metro di cavetto con due fili (oppure 1 metro di cavetto con quattro conduttori). Lo schema dice di attaccarsi al BUS dell'alimentatore, ma anche sul BUS TK (quello che esce dall'830) va benissimo P.S. 31 minuti fa, Stefano Gottardello ha scritto: potrebbe anche essere che il problema è qualcos'altro derivante dal sistema BUS Lo vedo molto difficile. 31 minuti fa, Stefano Gottardello ha scritto: ho visto un ponte su T da altro schema Quello regola il tempo di "tiro" della serratura, non c'entra nulla.
Stefano Gottardello Inserita: 12 febbraio 2023 Autore Segnala Inserita: 12 febbraio 2023 1 ora fa, Maurizio Colombi ha scritto: Hai postato lo schema, sembra abbastanza chiaro. Se vuoi metterlo nel quadro elettrico ti sobbarchi i 50 metri di filo da infilare, se lo metti nelle vicinanze della pulsantiera esterna, in una scatola stagna appesa dietro, nella cassetta del contatore, appesa ad un albero, appoggiata sulla staccionata, dove diamine ti pare (sempre nelle vicinanze del posto esterno) dovrai "tirare" 1 metro di cavetto con due fili ed un altro metro di cavetto con due fili (oppure 1 metro di cavetto con quattro conduttori). Lo schema dice di attaccarsi al BUS dell'alimentatore, ma anche sul BUS TK (quello che esce dall'830) va benissimo grazie gentilissimo, devo provare allora prima con il pulsante. per l'attuatore nel caso andrà montato vicino al cancelletto, va poi programmato qualcosa?
Maurizio Colombi Inserita: 13 febbraio 2023 Segnala Inserita: 13 febbraio 2023 8 ore fa, Stefano Gottardello ha scritto: va poi programmato qualcosa? Va solamente impostato il tempo di "tiro" dell'elettroserratura inserendo un configuratore 1 in T, altrimenti "tirerebbe" per tre o quattro secondi.
Stefano Gottardello Inserita: 13 febbraio 2023 Autore Segnala Inserita: 13 febbraio 2023 11 ore fa, Maurizio Colombi ha scritto: Va solamente impostato il tempo di "tiro" dell'elettroserratura inserendo un configuratore 1 in T, altrimenti "tirerebbe" per tre o quattro secondi. Ho provato con il pulsante, ma niente non va, stesso problema. son riuscito allora ad aprire il fonico per curiosità e ho visto quei due condensatori da 35V 1000uf in parallelo, probabilmente son loro a fornire l'impulso 18V a 4A, uno di essi ha la pista su S+ e l'altro al relay arancione, quest'ultimo ad orecchio sembrerebbe scattare, forse non sempre, ma anche a vuoto quando la serratura non apre qualcosa fa. tenendo sempre in considerazione di aggiungere l'attuatore o sostituire il fonico completo, una prova con due condensatori uguali si potrebbe fare. peccato non disporre di un ESR Meter.
max.bocca Inserita: 13 febbraio 2023 Segnala Inserita: 13 febbraio 2023 Prova a cambiarli i condensatori e verifica anche il contatto del rele.
Stefano Gottardello Inserita: 22 febbraio 2023 Autore Segnala Inserita: 22 febbraio 2023 Il 13/2/2023 alle 19:54 , max.bocca ha scritto: Prova a cambiarli i condensatori e verifica anche il contatto del rele. ho cambiato i due grossi da 1000uF ma è peggiorato ora non apre del tutto. per il relè a orecchio sento che scatta qualcosa, per testarlo devo dissaldarlo?
ROBY 73 Inserita: 23 febbraio 2023 Segnala Inserita: 23 febbraio 2023 Ciao Stefano Gottardello, Il 22/2/2023 alle 19:22 , Stefano Gottardello ha scritto: ..........ho cambiato i due grossi da 1000uF ma è peggiorato ora non apre del tutto. Premetto che non conosco i prodotti BTicino, ma sei sicuro di aver saldato i due condensatori rispettando le polarità corrette degli stessi?
Stefano Gottardello Inserita: 7 marzo 2023 Autore Segnala Inserita: 7 marzo 2023 Il 24/2/2023 alle 00:54 , ROBY 73 ha scritto: Ciao Stefano Gottardello, Premetto che non conosco i prodotti BTicino, ma sei sicuro di aver saldato i due condensatori rispettando le polarità corrette degli stessi? si, ed ora funziona peggio di prima. non trovando in vendita i fonici ne' 342170, nè 342350, l'unica soluzione resta l'attuatore
Stefano Gottardello Inserita: 9 marzo 2023 Autore Segnala Inserita: 9 marzo 2023 Con l'attuatore si apre, nonostante il modulo fonico rimanga danneggiato, domanda qualcuno ha mai misurato il valore dei jumper? Dovrebbero essere semplici resistenze
Messaggi consigliati
Crea un account o accedi per commentare
Devi essere un utente per poter lasciare un commento
Crea un account
Registrati per un nuovo account nella nostra comunità. è facile!
Registra un nuovo accountAccedi
Hai già un account? Accedi qui.
Accedi ora