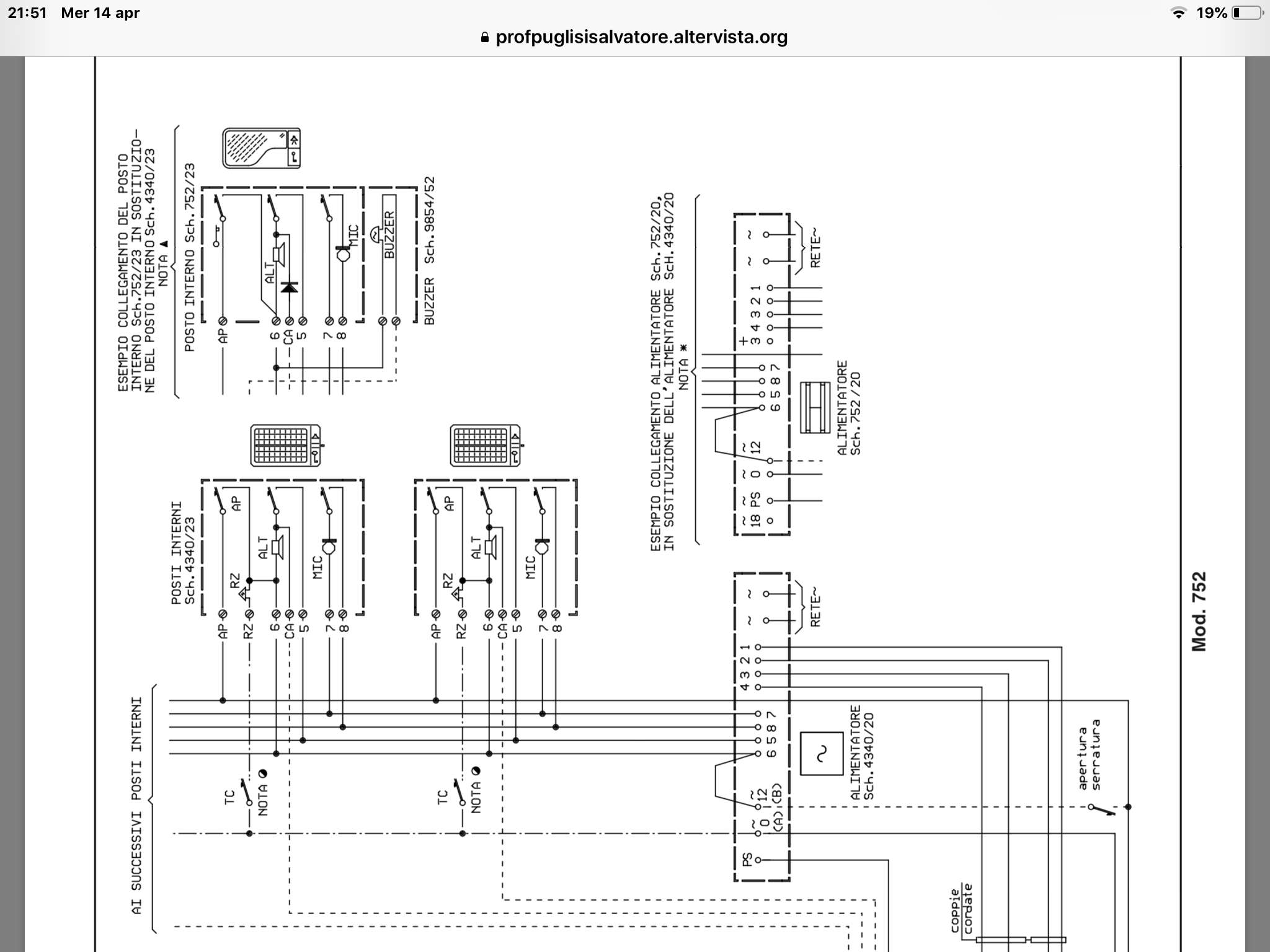
casmic87 Inserito: 13 aprile 2021 Segnala Inserito: 13 aprile 2021 Buongiorno a tutti, avrei a casa un vecchio citofono parla e ascolta della urmet (direi anni 70/80) da sostituire Aprendolo trovo 6 fili collegati sulla morsettiera. https://ibb.co/Ydjh7kC Se volessi cambiarlo su che cosa mi devo orientare? Grazie!
Roberto Garoscio Inserita: 13 aprile 2021 Segnala Inserita: 13 aprile 2021 Sei sicuro sia Urmet? Dai numeri dei morsetti non ne sarei sicuro.
casmic87 Inserita: 14 aprile 2021 Autore Segnala Inserita: 14 aprile 2021 12 hours ago, Roberto Garoscio said: Sei sicuro sia Urmet? Dai numeri dei morsetti non ne sarei sicuro. A questo punto mi fai venire il dubbio.... Ero convinto di aver letto la marca urmet una volta che avevo provato a smontarlo...
casmic87 Inserita: 14 aprile 2021 Autore Segnala Inserita: 14 aprile 2021 Se può servire ho allegato un'immagine da internet del modello attualmente installato grazie
Roberto Garoscio Inserita: 14 aprile 2021 Segnala Inserita: 14 aprile 2021 È molto vecchio e personalmente non lo conosco, sembra però possa essere questo sistema che puoi sostituire solo con 752/33.
casmic87 Inserita: 10 giugno 2022 Autore Segnala Inserita: 10 giugno 2022 Buonasera a tutti in seguito a quanto sopra ho finalmente acquistato un urmet 752/33 + buzzer universale per sostituire il vecchio citofono citato prima. Come detto erano presenti 6 fili ( 5-6-7-8-Ap-Rz), collegati come da foto Ho collegato nel nuovo 752/33 i fili 5-6-7-8 e Ap nelle rispettive posizioni della morsettiera, mentre ho collegato RZ nel +/~ del buzzer e il nero del buzzer insieme al 6 Ricevo bene la chiamata dal portone sul buzzer, posso aprire il portone, ho però il problema che si sente piuttosto piano nell’altoparlante e non sembra funzionare il microfono in quanto giù non sentono nulla sbaglio qualcosa?? Avete qualche suggerimento? grazie mille a chi può dare una mano
Roberto Garoscio Inserita: 11 giugno 2022 Segnala Inserita: 11 giugno 2022 Prova ad invertire il 5 con 8, altro non saprei dirti. Agli altri inquilini funziona bene?
Messaggi consigliati
Crea un account o accedi per commentare
Devi essere un utente per poter lasciare un commento
Crea un account
Registrati per un nuovo account nella nostra comunità. è facile!
Registra un nuovo accountAccedi
Hai già un account? Accedi qui.
Accedi ora