Erix69 Inserito: 27 maggio 2021 Segnala Inserito: 27 maggio 2021 Salve, ho fatto un giro nel forum. Non so se l'argomento è già stato trattato. Comunque, attualmente nella mia abitazione ho una fornitura elettrica da 3 kW e vorrei passare a 4,5 o 6 kW (sono ancora indeciso). Ho consultato un elettricista e mi ha detto che posso fare cambiare gli interruttori e poi decidere se passare ad altra potenza impegnata. Ho qualche dubbio, anche perchè, facendogli altre domande ho avuto l'impressione di superficialità (e non è il primo). Potreste dare una risposta a questa e altre domande che, purtroppo, ne consegueranno?
DavidOne71 Inserita: 27 maggio 2021 Segnala Inserita: 27 maggio 2021 c'è un interruttore generale? da quanto è?
Erix69 Inserita: 27 maggio 2021 Autore Segnala Inserita: 27 maggio 2021 (modificato) 21 minuti fa, DavidOne71 scrisse: c'è un interruttore generale? da quanto è? L'impianto fatto in costruzione nel 2008. Non c'è interruttore generale. Più precisamente nel quadro principale ci cono due mtd C16, con a valle interruttori. Il primo, inoltre, ha a valle due dorsali che vanno ai relativi sottoquadri. Ora, qualche settimana fa ho sostituito il montante fg16.. da 2x6 con uguale 2x10. A valle del gem, circa 2,5 metri, ho montato un interruttore mt da 32A 6kA, poi 20 mt circa del montante. Modificato: 27 maggio 2021 da Erix69
Erix69 Inserita: 27 maggio 2021 Autore Segnala Inserita: 27 maggio 2021 (modificato) 31 minuti fa, DavidOne71 scrisse: c'è un interruttore generale? da quanto Grazie Davide. Modificato: 27 maggio 2021 da Erix69
DavidOne71 Inserita: 27 maggio 2021 Segnala Inserita: 27 maggio 2021 17 minuti fa, Erix69 scrisse: Ora, qualche settimana fa ho sostituito il montante fg16.. da 2x6 con uguale 2x10. A valle del gem, circa 2,5 metri, ho montato un interruttore mt da 32A 6kA, poi 20 mt circa del montante. ottimo 18 minuti fa, Erix69 scrisse: ci cono due mtd C16 cioè? sarebbero due generali? 19 minuti fa, Erix69 scrisse: con a valle interruttori. cosa fanno? Ps. Non c'entra nulla con la domanda che hai fatto, ma ogni quadro vuole un interruttore generale Ps2 Sarebbe meglio delle foto
Erix69 Inserita: 27 maggio 2021 Autore Segnala Inserita: 27 maggio 2021 2 minuti fa, DavidOne71 scrisse: ottimo cioè? sarebbero due generali? cosa fanno? Ps. Non c'entra nulla con la domanda che hai fatto, ma ogni quadro vuole un interruttore generale Ps2 Sarebbe meglio delle foto Si, adesso già mi sento in buone mani. Finalmente domande giuste, cui spero di rispondere in modo esauriente. Le foto sono in un'altro dispositivo( adesso scrivo dal tablet di mia moglie). Mi attrezzo e li invio appena possibile.
Erix69 Inserita: 27 maggio 2021 Autore Segnala Inserita: 27 maggio 2021 23 minuti fa, DavidOne71 scrisse: ottimo cioè? sarebbero due generali? cosa fanno? Ps. Non c'entra nulla con la domanda che hai fatto, ma ogni quadro vuole un interruttore generale Ps2 Sarebbe meglio delle foto Si, adesso già mi sento in buone mani. Finalmente domande giuste, cui spero di rispondere in modo esauriente. Le foto sono in un'altro dispositivo( adesso scrivo dal tablet di mia moglie). Mi attrezzo e li invio appena possibile.
Erix69 Inserita: 27 maggio 2021 Autore Segnala Inserita: 27 maggio 2021 Al piano inferiore (seminterrato/zona "giorno") il sottoquadro. Scusa Davide, adesso, devo sospendere. Mia moglie reclama il tablet. A dopo.
DavidOne71 Inserita: 27 maggio 2021 Segnala Inserita: 27 maggio 2021 L'interruttore con scritto "generale" va cambiato
DavidOne71 Inserita: 27 maggio 2021 Segnala Inserita: 27 maggio 2021 Per l'interruttore delle prese la cosa è un pò più complicata. Quante prese hai sotto questo interruttore? e di che tipo? da 16A da 10A o entrambi? stesso discorso per questo quadro, prese? di che tipo?
Livio Orsini Inserita: 28 maggio 2021 Segnala Inserita: 28 maggio 2021 Purtroppo questa discussione e sfuggita al controllo dei moderatori, ma è completamente fuori luogo! Visto che si è prolungata per questa volta la sposto
Erix69 Inserita: 28 maggio 2021 Autore Segnala Inserita: 28 maggio 2021 9 ore fa, DavidOne71 scrisse: L'interruttore con scritto "generale" va cambiato Si, questo l'avevo preventivato.
Erix69 Inserita: 28 maggio 2021 Autore Segnala Inserita: 28 maggio 2021 9 ore fa, DavidOne71 scrisse: Per l'interruttore delle prese la cosa è un pò più complicata. Quante prese hai sotto questo interruttore? e di che tipo? da 16A da 10A o entrambi? stesso discorso per questo quadro, prese? di che tipo? Tutte da 16.
Erix69 Inserita: 28 maggio 2021 Autore Segnala Inserita: 28 maggio 2021 1 ora fa, Livio Orsini scrisse: Purtroppo questa discussione e sfuggita al controllo dei moderatori, ma è completamente fuori luogo! Visto che si è prolungata per questa volta la sposto Buongiorno. Mi dispiace, sicuramente ho sbagliato in qualcosa. Ho letto il regolamento, spero di non averlo fatto in modo superficiale. Oltretutto è la prima volta che ho a che fare con un forum. Cosa mi è sfuggito? Grazie
Livio Orsini Inserita: 28 maggio 2021 Segnala Inserita: 28 maggio 2021 1 ora fa, Erix69 scrisse: Cosa mi è sfuggito? Non è un problema di regolamento. Hai notato che la sezione, dove attualmente è inserita la discussione, è differente dalla sezione dove tu l'avevi aperta? Il tuo è un problema di impiantistica elettrica civile, mentre avevi aperto al discussione nel forum di elettronica. Serebbe bastato fare una ricerca nel forum con parola chiave come, ad esempio, "centralino elettrico appartamento". Oltre ad avere molti risultati che, forse potevano già aiutarti arisolvere il problema, ti avrebbe indicato quale sezione è più adatta ad un simile problema. Non è solo una questione di ordine del forum, ma è anche una questione pratica. Questa sezione è frequntata da specialisti del settore, quindi è più probabile ricevere risposte corrette.
DavidOne71 Inserita: 28 maggio 2021 Segnala Inserita: 28 maggio 2021 3 ore fa, Erix69 scrisse: Tutte da 16 che sono quelle degli elettrodomestici, giusto? se si, quali?
Maurizio Colombi Inserita: 28 maggio 2021 Segnala Inserita: 28 maggio 2021 Ma cosa importa quante prese sono inserite nell'impianto e cosa c'è "attaccato" a queste prese?
Erix69 Inserita: 28 maggio 2021 Autore Segnala Inserita: 28 maggio 2021 4 ore fa, Livio Orsini scrisse: Non è un problema di regolamento. Hai notato che la sezione, dove attualmente è inserita la discussione, è differente dalla sezione dove tu l'avevi aperta? Il tuo è un problema di impiantistica elettrica civile, mentre avevi aperto al discussione nel forum di elettronica. Serebbe bastato fare una ricerca nel forum con parola chiave come, ad esempio, "centralino elettrico appartamento". Oltre ad avere molti risultati che, forse potevano già aiutarti arisolvere il problema, ti avrebbe indicato quale sezione è più adatta ad un simile problema. Non è solo una questione di ordine del forum, ma è anche una questione pratica. Questa sezione è frequntata da specialisti del settore, quindi è più probabile ricevere risposte corrette. Ok, con il mio ditone sul tablet combino pasticci. Non so ancora come quotare una parte delle risposte. Ho "solo" 52 anni e sono ancora in alto mare in questo ambito. Mi dispiace dovere cominciare cosi male. Abbiate pazienza.
Erix69 Inserita: 28 maggio 2021 Autore Segnala Inserita: 28 maggio 2021 2 ore fa, DavidOne71 scrisse: che sono quelle degli elettrodomestici, giusto? se si, quali? Ciao. Nel sottoquadro in questione, a valle dell'interruttore MT da 16A (prese) parte un cavo da 4 mmq (da verificare con precisione) che va in una cassetta di derivazione. Da qui il cavo di uinisce ai vari cavi che portano a tutte le prese, indistintamente, del piano. Prese, universali schuko e non, che si trovano: cucina, soggiorno , bagno, lavanderia, stanzione caldaia e pompa sommersa acque piovane.
Erix69 Inserita: 28 maggio 2021 Autore Segnala Inserita: 28 maggio 2021 2 ore fa, Maurizio Colombi scrisse: Ma cosa importa quante prese sono inserite nell'impianto e cosa c'è "attaccato" a queste Ciao. Non ho capito.
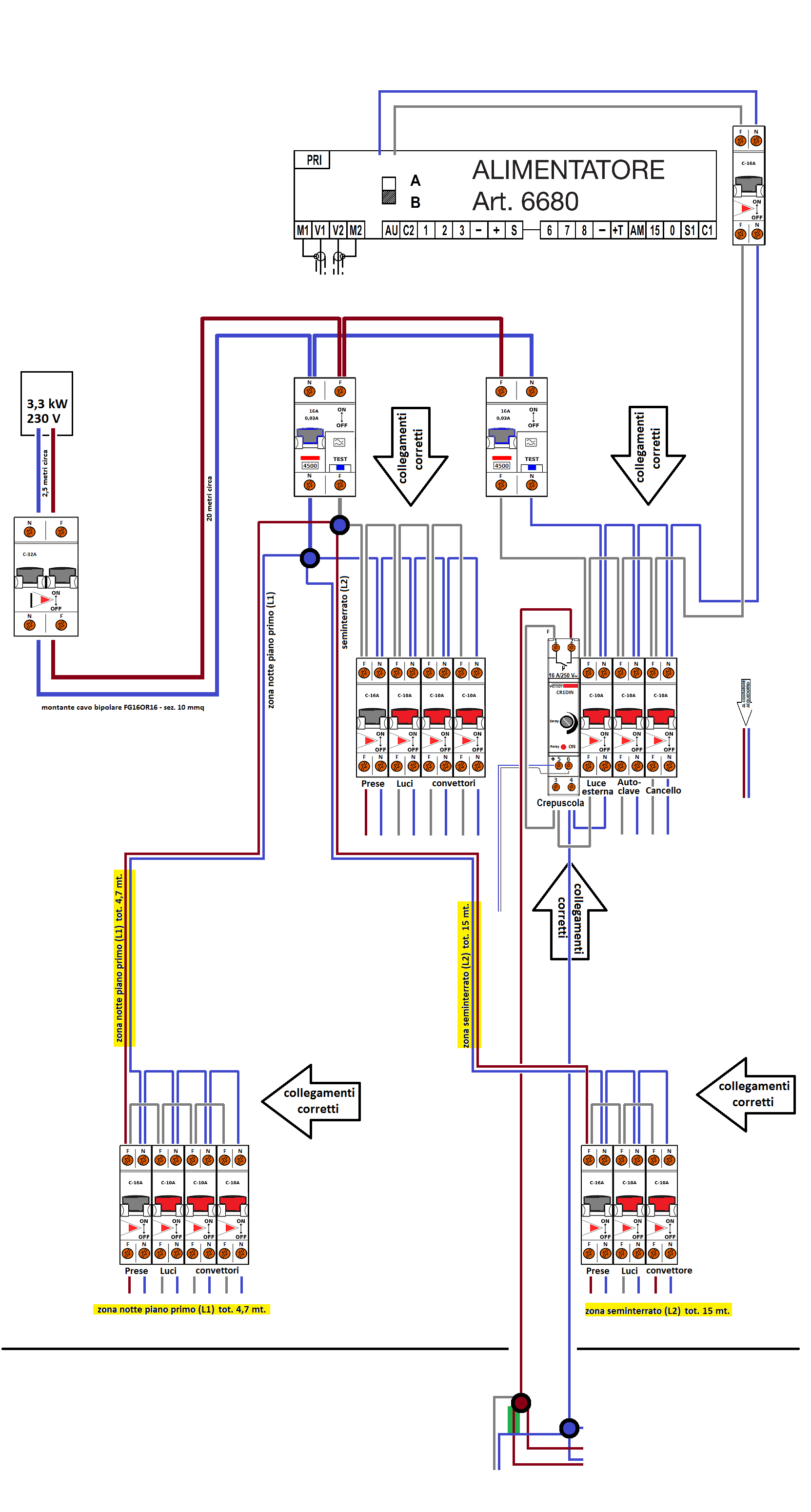
Erix69 Inserita: 28 maggio 2021 Autore Segnala Inserita: 28 maggio 2021 (modificato) Per una migliore comprensione del mio attuale impianto elettrico, vi posto uno schemino che spero sia comprensibile. Mi sembra di capire che la selettività e quasi nulla. Ho chiesto all'ultimo elettricista venuto sul posto cosa avrebbe cambiato per il passaggio a 4.5 o 6 kW. mi ha detto "visto le funziona tutto bene io cambierei soltanto il primo MTD". Mah. Lo stesso mi ha pure detto che a fianco del MT da 32A, posto a valle del contatore, avrebbe montato pure un differenziale. Da quanto ho letto nelle varie discussioni, quest'ultimo non dovrebbe essere necessario, alla luce di quanto rappresentato nello schemino allegato. Modificato: 28 maggio 2021 da Erix69
hfdax Inserita: 28 maggio 2021 Segnala Inserita: 28 maggio 2021 (modificato) Ciao Erix69. Complimenti per lo schema, non avrei saputo fare di meglio. E se l'impianto è correttamente rappresentato nello schema direi che puoi già passare ai 6kW senza toccare nulla perché è già idoneo. Un eventuale miglioramento di tipo funzionale sarebbe sostituire i due MTD di tipo AC con due MTD di tipo F che - se i conduttori tra i MTD e gli interruttori alimentati fossero da almeno 4mm2- varrebbe la pena fossero da 25A (quindi MTD C25 tipo F con ID = 0.03A), questo soprattutto in caso di aumento della potenza contrattuale. 1 ora fa, Erix69 scrisse: Lo stesso mi ha pure detto che a fianco del MT da 32A, posto a valle del contatore, avrebbe montato pure un differenziale. Da quanto ho letto nelle varie discussioni, quest'ultimo non dovrebbe essere necessario. E infatti non lo è perché il montante è realizzato in cavo FG16. Modificato: 28 maggio 2021 da hfdax
DavidOne71 Inserita: 28 maggio 2021 Segnala Inserita: 28 maggio 2021 4 ore fa, Maurizio Colombi scrisse: Ma cosa importa quante prese sono inserite nell'impianto e cosa c'è "attaccato" a queste prese? aspetta e capirai
DavidOne71 Inserita: 28 maggio 2021 Segnala Inserita: 28 maggio 2021 2 ore fa, Erix69 scrisse: Nel sottoquadro in questione, a valle dell'interruttore MT da 16A (prese) parte un cavo da 4 mmq (da verificare con precisione) che va in una cassetta di derivazione. Da qui il cavo di uinisce ai vari cavi che portano a tutte le prese, indistintamente, del piano. Prese, universali schuko e non, che si trovano: cucina, soggiorno , bagno, lavanderia, stanzione caldaia e pompa sommersa acque piovane. Accidenti! L'aumento del contatore si fa principalmente per accendere almeno due elettrodomestici contemporaneamente, per sfruttare tutta la potenza del contatore ci vorrebbe che quell'interruttore fosse messo da 32A. Facendo così però, tutte le linee da 2,5 mm2 (presumo) che vanno alle prese non saranno più correttamente dimensionate..... 2 ore fa, Erix69 scrisse: Mi sembra di capire che la selettività e quasi nulla Esattamente! Ogni quadro dovrebbe avere un solo IG mt o un sezionatore di almeno 32A, sezionare solo il piano o zona dove è installato Gli int. a valle di questo devono essere tutti mtd 0,03A Io rifarei tutto
DavidOne71 Inserita: 28 maggio 2021 Segnala Inserita: 28 maggio 2021 39 minuti fa, hfdax scrisse: E infatti non lo è perché il montante è realizzato in cavo FG16. non la sapevo questa, sicuro? Hai un riferimento alla norma?
Messaggi consigliati
Crea un account o accedi per commentare
Devi essere un utente per poter lasciare un commento
Crea un account
Registrati per un nuovo account nella nostra comunità. è facile!
Registra un nuovo accountAccedi
Hai già un account? Accedi qui.
Accedi ora