hfdax Inserita: 20 giugno 2021 Segnala Inserita: 20 giugno 2021 20 ore fa, Erix69 scrisse: Per quanto riguarda il collegamento a "V" intendevi come in quest'ultimo disegno? si👍
Erix69 Inserita: 20 giugno 2021 Autore Segnala Inserita: 20 giugno 2021 43 minuti fa, hfdax scrisse: si👍 Ok. Ho letto da qualche parte, adesso non ricordo dove, che la distanza tra l'SPD e la barra eqipotenziale deve inferiore a 50 cm. Se cosi fosse, visto che quest'ultima è posta nella scatola di derivazione sotto al quadro generale a una distanza di circa 130 cm, ci sono cadute di tensione sui cavi? Se si, andrebbe posta nel quadro vicino all'SPD?
Erix69 Inserita: 20 giugno 2021 Autore Segnala Inserita: 20 giugno 2021 20 ore fa, DavidOne71 scrisse: gli mtd da 40 portali a 32 Ciao, quelli da 40A sono differenziali puri, se non ho sbagliato qualche scritta.
DavidOne71 Inserita: 20 giugno 2021 Segnala Inserita: 20 giugno 2021 2 ore fa, Erix69 scrisse: quelli da 40A sono differenziali puri ok
DavidOne71 Inserita: 20 giugno 2021 Segnala Inserita: 20 giugno 2021 2 ore fa, Erix69 scrisse: Ho letto da qualche parte, adesso non ricordo dove, che la distanza tra l'SPD e la barra eqipotenziale deve inferiore a 50 cm. Se cosi fosse, visto che quest'ultima è posta nella scatola di derivazione sotto al quadro generale a una distanza di circa 130 cm, ci sono cadute di tensione sui cavi? Se si, andrebbe posta nel quadro vicino all'SPD? forse più che concentrarsi sulla distanza tra l'SPD e la barra, sarebbe da valutare la sezione tra quest'ultima e il/i dispersore/i di terra e ancora peggio la resistenza di terra
hfdax Inserita: 21 giugno 2021 Segnala Inserita: 21 giugno 2021 (modificato) 18 ore fa, Erix69 scrisse: Ok. Ho letto da qualche parte, adesso non ricordo dove, che la distanza tra l'SPD e la barra eqipotenziale deve inferiore a 50 cm. Se cosi fosse, visto che quest'ultima è posta nella scatola di derivazione sotto al quadro generale a una distanza di circa 130 cm, ci sono cadute di tensione sui cavi? Se si, andrebbe posta nel quadro vicino all'SPD? Esatto. l'ideale sarebbe che fosse all'interno del quadro. Il problema non ha a che fare con le cadute sui cavi ma con dei fenomeni di tipo induttivo che non saprei spiegarti perché manco io li ho capiti fino in fondo. Questi fenomeni, che si verificano, con le sovratensioni impulsive che sono molto alte e molto...impulsive (nel senso che il loro valore cambia tantissimo in tempi brevissimi) fanno si che l'efficacia dell'SPD nel sopprimerle si riduca molto in fretta con la distanza. In pratica è come se la sovratensione soppressa sall'SPD si rigenerasse da se tanto più quanto più ci si allontana dallìSPD stesso. Da qui il consiglio di non mettere in il nodo PE (la barra) a più di 50 cm dal SPD ma anche quello di effettuare il collegamento a V. Se passasse di qua qualche collega più esperto potrà meglio di me spiegare la questione. Naturalmente, come ha accennato Davide anche la qualità della messa a terra è essenziale. Gli SPD sono una brutta bestia, infatti spesso li sconsiglio a quei clienti che hanno un impianto che non permette di installarli secondo le rigide prescrizioni dei produttori. Li sconsiglio perché costano cari e sarebbero soldi buttati. Modificato: 21 giugno 2021 da hfdax
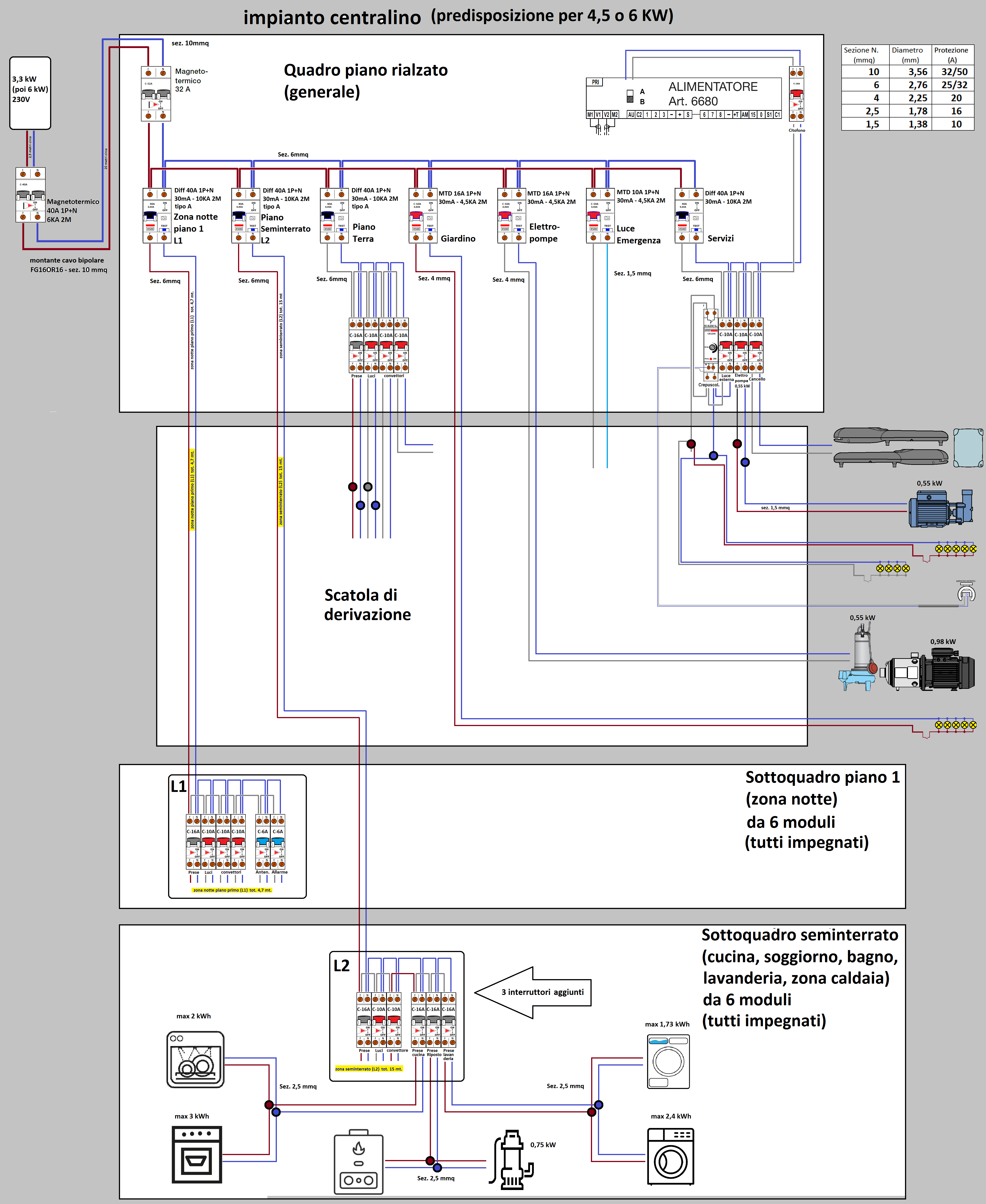
Erix69 Inserita: 19 luglio 2021 Autore Segnala Inserita: 19 luglio 2021 (modificato) Il 21/6/2021 alle 11:42 , hfdax ha scritto: Gli SPD sono una brutta bestia, infatti spesso li sconsiglio a quei clienti che hanno un impianto che non permette di installarli secondo le rigide prescrizioni dei produttori. Li sconsiglio perché costano cari e sarebbero soldi buttati. Ciao, è passato un mese dall'ultimo post. Orbene, preso atto di quanto sopra, ho eleminato gli SPD dal disegno/progetto e fatta qualche correzione (modificato i Diff. da 40A tipo AC a tipo "A" semprechè non siano di difficile reperibilità). Com'è, puo andare? (per i dettagli, cliccare sull'immagine e ingrandirla). In questo periodo di mia assenza ho incaricato un elettricista per ingrandire il quadro cosidetto "Generale", l'unico con spazio murale disponibile, portandolo da 12 a 54 moduli. Il foro nel muro e l'istallazione della nuova cassetta lo doveva fare il muratore, ma ho provveduto io (lo avevo fatto altre volte con quelle più piccole). Purtroppo, tra il muro e il fondo della cassetta, erano rimasti degli spazi vuoti. Mi era venuta la "felice" idea di riempirlo, attraverso dei piccoli fori da 6mm, con schiuma poliureatanica ignifuga EI 240. All'inizio sembrava perfetto, ma col passare delle ore la schiuma si gonfiava oltre le mie aspettative, facendone gonfiare il fondo. Il giorno dopo l'elettricista, giustamente infastidito, ha rimediato così: ha tagliato in ulcuni punti del fondo della casetta e, con molta pazienza, ha estratto la schiuma in eccesso; poi ha richiuso. Credo di non averne compromesso la funzionalità perchè alle le 3 guide DIN, nonstante si sia ridotto lo spazio sul retro, sono stati riagganciati tutti i vecchi interruttori (in attesa delle modifiche, se e quando passerò a 4,5 o 6 kW). Quanto ai magnetotermici, tipo quelli da 16A prese o 10A Luci, vanno cambiati con altri nuovi ? Cioè, hanno una specie di scadenza? ( I miei hanno circa 13 anni). Grazie. Modificato: 19 luglio 2021 da Erix69
hfdax Inserita: 20 luglio 2021 Segnala Inserita: 20 luglio 2021 20 ore fa, Erix69 ha scritto: modificato i Diff. da 40A tipo AC a tipo "A" A tal proposito ti ho inviato un MP. 19 ore fa, Erix69 ha scritto: puo andare? si 19 ore fa, Erix69 ha scritto: Credo di non averne compromesso la funzionalità Probabilmente no. Assicurati solo che ci sia abbastanza spazio dietro perché l'aria possa circolare 19 ore fa, Erix69 ha scritto: Quanto ai magnetotermici, tipo quelli da 16A prese o 10A Luci, vanno cambiati con altri nuovi ? Cioè, hanno una specie di scadenza? ( I miei hanno circa 13 anni) Normalmente finché funzionano...non c'è ragione di cambiarli. Se però sono intervenuti molte volte per sovraccarico o - peggio ancora - per corto circuito, è possibile che i contatti siano compromessi. In tal caso è opportuna la sosituzione.
Erix69 Inserita: 21 luglio 2021 Autore Segnala Inserita: 21 luglio 2021 (modificato) Il 20/7/2021 alle 13:45 , hfdax ha scritto: Il 19/7/2021 alle 17:39 , Erix69 ha scritto: Credo di non averne compromesso la funzionalità Probabilmente no. Assicurati solo che ci sia abbastanza spazio dietro perché l'aria possa circolare L'aria passa e voledo anche i cavi. Il 20/7/2021 alle 13:45 , hfdax ha scritto: Il 19/7/2021 alle 17:39 , Erix69 ha scritto: Quanto ai magnetotermici, tipo quelli da 16A prese o 10A Luci, vanno cambiati con altri nuovi ? Cioè, hanno una specie di scadenza? ( I miei hanno circa 13 anni) Normalmente finché funzionano...non c'è ragione di cambiarli. Se però sono intervenuti molte volte per sovraccarico o - peggio ancora - per corto circuito, è possibile che i contatti siano compromessi. In tal caso è opportuna la sosituzione Se per intervenuti intendi se si sono abbassate le levette di quei MT allora direi che non è mai accaduto. Invece è accaduto con i MTD. Il 20/7/2021 alle 13:45 , hfdax ha scritto: A tal proposito ti ho inviato un MP. Anch'io Modificato: 21 luglio 2021 da Erix69
Erix69 Inserita: 24 luglio 2021 Autore Segnala Inserita: 24 luglio 2021 Il 12/6/2021 alle 16:46 , hfdax ha scritto: eviterei i differenziali di tipo AC in favore dei tipo F (o almeno tipo A), soprattutto dove proteggono le prese e gli elettrodomestici. Secondo l'ultimo disegno, oltre ai differenziali puri (che sono quattro, sob!) c'è qualche MTD che sarebbe consigliabile di tipo F?
hfdax Inserita: 24 luglio 2021 Segnala Inserita: 24 luglio 2021 6 ore fa, Erix69 ha scritto: Secondo l'ultimo disegno, oltre ai differenziali puri (che sono quattro, sob!) c'è qualche MTD che sarebbe consigliabile di tipo F? Tutti in pratica. Gli AC sono idonei solo per i carichi privi di inverter o alimentatori switching, Gli A sono comunque inferiori agli F. Ma oggi diventa sempre più difficile avere linee che alimentino solo carichi adatti agli AC. Ma se per caso hai una linea dedicata che alimenta solo una pompa priva di inverter e solo quella oppure un gruppo di lampade alogene senza alimentatore questi sono due casi in cui puoi usare un AC.
Erix69 Inserita: 29 luglio 2021 Autore Segnala Inserita: 29 luglio 2021 Il 20/7/2021 alle 13:45 , hfdax ha scritto: Il 19/7/2021 alle 17:39 , Erix69 ha scritto: puo andare? si Per un lavoro pulito e a norma, come si dovrebbero collegare gli interruttori? Barra o pettine di collegamento/cablaggio/distribuzione, barra equipotenziale, cavi, altro?
hfdax Inserita: 29 luglio 2021 Segnala Inserita: 29 luglio 2021 Puoi usare qualsiasi metodo: barra ripartitrice, pettine, cablaggio a filo, morsettiere, morsetti volanti. È tutto ammesso, basta che il lavoro sia fatto con cura, li conduttori siano adeguati, le giunzioni tra cavi siano fatte con morsetti adatti (non col nastro isolante) ecc.
Erix69 Inserita: 30 luglio 2021 Autore Segnala Inserita: 30 luglio 2021 19 ore fa, hfdax ha scritto: Puoi usare qualsiasi metodo: barra ripartitrice, pettine, cablaggio a filo, morsettiere, morsetti volanti. È tutto ammesso, basta che il lavoro sia fatto con cura, li conduttori siano adeguati, le giunzioni tra cavi siano fatte con morsetti adatti (non col nastro isolante) ecc. Ok, grazie. Sei puntuale e accurato. Ciao
giuseppe967 Inserita: 14 agosto 2021 Segnala Inserita: 14 agosto 2021 Ciao Erix69,vorrei sapere il programma usato per i disegni ,grazie.
Erix69 Inserita: 16 agosto 2021 Autore Segnala Inserita: 16 agosto 2021 (modificato) Il 14/8/2021 alle 22:13 , giuseppe967 ha scritto: Ciao Erix69,vorrei sapere il programma usato per i disegni ,grazie. Ciao, ho uato semplicemente quello di default del sistema operativo. Un lavoraccio ma, con pazienza, si può fare. Modificato: 16 agosto 2021 da Erix69
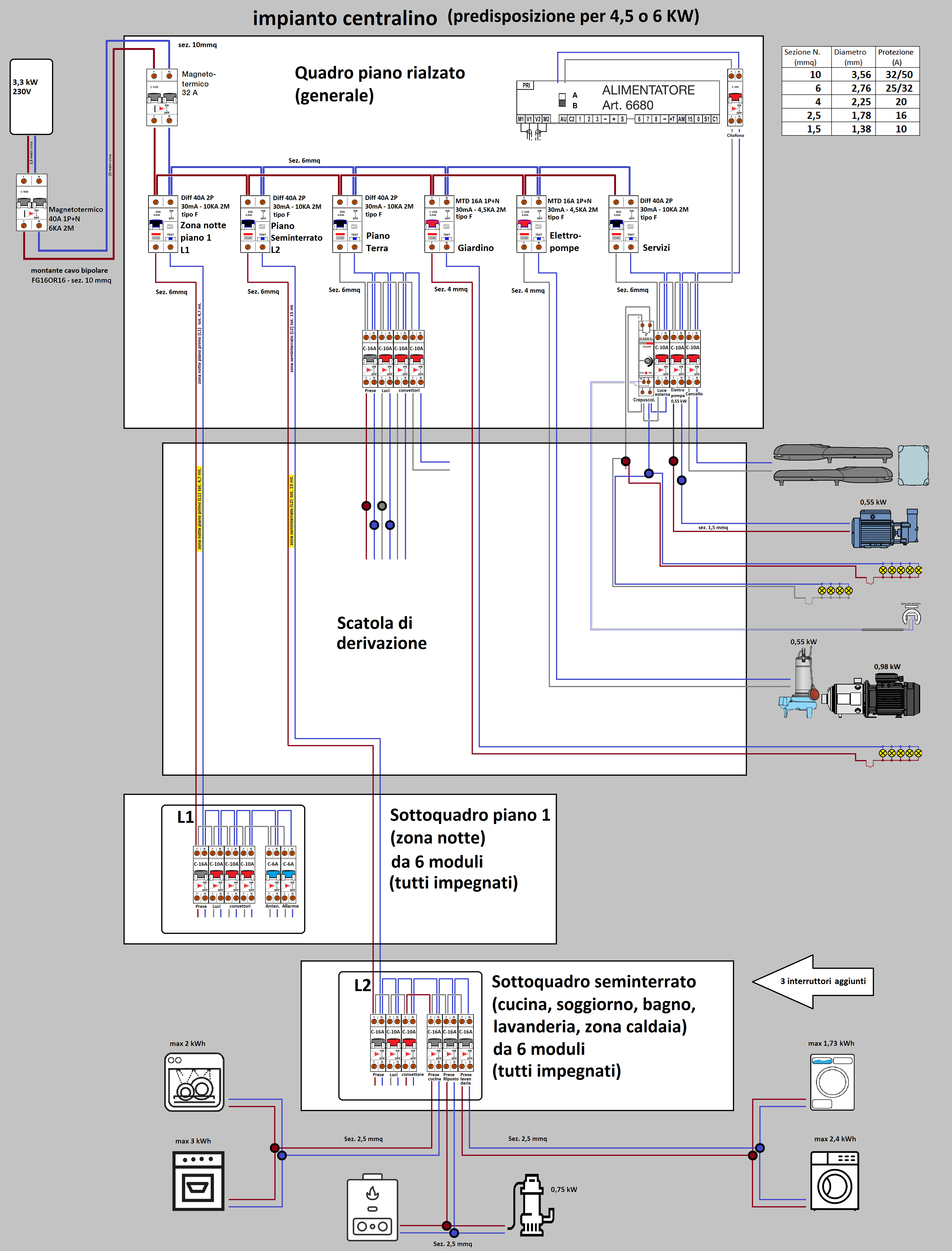
Erix69 Inserita: 16 agosto 2021 Autore Segnala Inserita: 16 agosto 2021 (modificato) Disegno aggiornato. Migliorata l'estetica ma, più importante, sono stati sostituiti gli interruttori da tipo A a tipo F, come suggerito sopra da Hfdax che non mi stanco di ringraziare per tutte le sue puntuali risposte chiarificatrici. Anche grazie a DavidOne71 per aver contributo, con fatica, al mio bagaglio di culturale in materia che, tuttavia, ha ancora lacune da colmare. Naturalmente da parte mia questa discussione rimane aperta per miglioramenti, suggerimenti, confronti, etc. Ciao. Modificato: 16 agosto 2021 da Erix69
Messaggi consigliati
Crea un account o accedi per commentare
Devi essere un utente per poter lasciare un commento
Crea un account
Registrati per un nuovo account nella nostra comunità. è facile!
Registra un nuovo accountAccedi
Hai già un account? Accedi qui.
Accedi ora