Vai al contenuto
PLC Forum


Collegamento Netatmo Attuatore


Messaggi consigliati

Inserito:

Buonasera a tutti,

 

sono Raffaele, da Roma, e vi scrivo in merito alla possibilità di collegare il netatmo ad un attuatore.

 

ho seguito al discussione https://www.plcforum.it/f/topic/285401-valvola-motorizzata-pilotata-da-un-termostato-3-fili-vorrei-farla-funzionare-con-netatmo/ ed avevo chiesto di condividere al soluzione di quanto trovato. (avrebbe evitato di creare un ulteriore discussione).

 

Ho ben chiaro ed ho provato a collegare i contatti grigio/nero del rele netatmo come fossero un interruttore: FASE - GRIGIO - NERO (relè) - NEUTRO.

Ma in questa configurazione il netatmo va in protezione e non funziona. Come se sentisse la 220v passare per i contatti grigio/nero e non gli andasse bene.

 

Sicuramente l'esperienza diretta del prodotto dell'altro utente avrebbe aiutato.

La mia configurazione è il classico Netatmo, un elettrovalvola con attuatore ENOLGAS S2815P00 e il relè finder consigliato nella discussione citata.
https://www.enolgas.it/automatiche/valvole-motorizzate/attuatori-qm/s2815.html

 

L'attuatore era collegato ad un termostato a 3 fili.

il relè è collegato bene con FASE e marrone/verde. Agendo in manuale sul relè la commutazione avviene e l'attuatore lavora o torna in posizione.

 

Il mio problema è che non riesco a dare il consenso tramite il Netatmo. Potreste gentilmente aiutarmi?

 

Vi ringrazio per la disponibilità e l'estrema competenza.


Stefano Dalmo
Inserita:

Posta una foto del netatmo  con i contatti su cui colleghi i cavi

Stefano Dalmo
Inserita: (modificato)

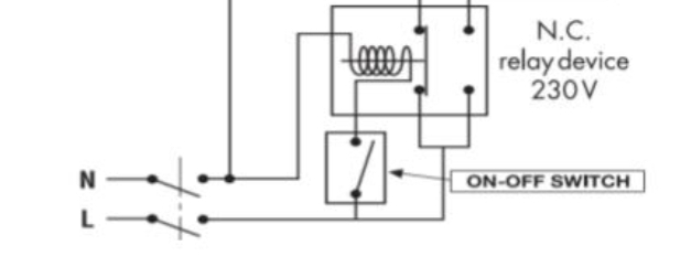
Gli schemi sono quelli già riportati nella discussione vecchia .

 Nella prima foto ho ristretto lo schema solo al funzionamento del relè  .

Nei contatti  del netatmo deve passare solo o la fase o il neutro .  Altrimenti fa una bella botta .

On off switch sono i contatti del netatmo

 

 

Screenshot_20210621-231533_Samsung Internet.jpg

Screenshot_20210621-231435_Samsung Internet.jpg

Modificato: da Stefano Dalmo
Stefano Dalmo
Inserita:

Scusa , il tuo termostato netatmo tramite la wi fi   aziona il suo relè dedicato , facendogli chiudere i contatti  Com. E NA  che nello schema di cui sopra sono identificati nello switch on off . Questi due contatti sono due contatti puliti ,  significa che non hanno nessun collegamento con la parte elettrica del relè netatmo.

Però il relè neratmo al suo interno ha quattro collegamenti ,  non solo questi due ,Com  -NA

Ha anche L  N  a cui devi portare una alimentazione fissa 220v.

Tu lo hai alimentato questo relè ? O gli hai collegato solo i fili che vanno alla bobina  del relè a zoccolo?

Poi  oltre questo devi attuare lo schema di sopra.

 

Inserita:

Grazie Stefano per il supporto.

Io ho alimentato correttamente il Netatmo con L e N. Infatti il netatmo si accende, aggancia il wifi e funziona. Lo comando alzando la temperatura e faccio attivare il relè del netatmo (si accende una lucina bianca sul netatmo) e poi abbasso la temperatura richiesta e la lucina si spegne.

 

Ho collegato il neutro dell'impianto 220v allo zoccolino del relè finder A2.

Poi ho preso le due estremità del contatto-relè del netatmo grigio-nero, una l'ho collegata allo zoccolino A1 e l'altra l'ho collegata alla fase dell'impianto 220v.

In questa configurazione il netatmo si accende, ma poi non fa nulla. Il dispositivo che controlla il netatmo (una sorta di termostato a batterie con display) mostra un simbolo che credo sia di errore. (simile a questo che allego).

image.png.fdce171045832819d932cb70ead81bfe.png

Ovviamente ho provato a collegare i fili grigio/nero direttamente al relè finder, ma non passando tensione al suo interno non eccita la bobina e non fa nulla.

Il netatmo comunque funziona, se non collego tensione ai cavi grigio/nero si accende senza anomalie e fa la commutazione.

 

Grazie ancora per il supporto

Stefano Dalmo
Inserita:

Scusa , ma  fai una cosa molto più semplice , alimenta la bobina del relè finder , direttamente con la 220 e vedi se funziona . 

 Se funziona  , stacca  un solo filo dalla bobina  del finder  e portalo su com  del netatmo  poi colleghi con un 'altro filo il polo NA del netatmo con il morsetto libero del finder .

 Seinvece non funziona  il finder con il collegamento diretto , allora è difettoso .

 Se hai un tester verifica che i contatti nel netatmo si chiudano  e si aprano quando lo azioni . 

Non vorrei che hai fatto un corto .

Crea un account o accedi per commentare

Devi essere un utente per poter lasciare un commento

Crea un account

Registrati per un nuovo account nella nostra comunità. è facile!

Registra un nuovo account

Accedi

Hai già un account? Accedi qui.

Accedi ora
×
×
  • Crea nuovo/a...