Mirtoforte Inserito: 6 luglio 2021 Segnala Inserito: 6 luglio 2021 👮‍♂️Perché se stacco lo spinotto che dalla scheda di alimentazione va alla scheda madre le lampade si accendono e ovviamente l’audio non c’è. Se invece rimetto lo spinotto le lampade risultano spente e l’audio si sente. Il tv è il Samsung le32b350f1
Dumah Brazorf Inserita: 6 luglio 2021 Segnala Inserita: 6 luglio 2021 Se punti una luce forte si vede qualcosa?
Mirtoforte Inserita: 10 luglio 2021 Autore Segnala Inserita: 10 luglio 2021 Nulla i due trasformatori sono buoni, ho sostituito tutti gli elettrolitici, ma niente da fare. A volte si accendono, ma poi dopo qualche stand un succcessivamente si ripete la scenaÂ
Mirtoforte Inserita: 11 luglio 2021 Autore Segnala Inserita: 11 luglio 2021 Nulla i due trasformatori sono buoni, ho sostituito tutti gli elettrolitici, ma niente da fare. A volte si accendono, ma poi dopo qualche stand un succcessivamente si ripete la scenaÂ
Mirtoforte Inserita: 11 luglio 2021 Autore Segnala Inserita: 11 luglio 2021 Aiutami Dumah dove devo cercare
Dumah Brazorf Inserita: 11 luglio 2021 Segnala Inserita: 11 luglio 2021 Se l'immagine non c'è mai o è la scheda t-con o la scheda principale.
Mirtoforte Inserita: 11 luglio 2021 Autore Segnala Inserita: 11 luglio 2021 4 ore fa, Dumah Brazorf ha scritto: Se l'immagine non c'è mai o è la scheda t-con o la scheda principale. Nulla i due trasformatori sono buoni, ho sostituito tutti gli elettrolitici, ma niente da fare. A volte si accendono, ma poi dopo qualche stand un succcessivamente si ripete la scenaÂ
Mirtoforte Inserita: 11 luglio 2021 Autore Segnala Inserita: 11 luglio 2021 A volte improvvisamente compare l’immagine video, si accendono le lampade si sente l’audio. Si spegne il TV si riaccende è di nuovo niente illuminazione, solo audio, non so più dove analizzare Quale di queste tre è la t-con
Dumah Brazorf Inserita: 11 luglio 2021 Segnala Inserita: 11 luglio 2021 (modificato) Quella in mezzo sotto la placchetta di metallo. Però mi dici che a volte va e si vede... ma sei sicuro che non si vede niente quando non c'è retroilluminazione?  Modificato: 11 luglio 2021 da Dumah Brazorf
enzosatel Inserita: 12 luglio 2021 Segnala Inserita: 12 luglio 2021 Controlla se sul condensatore centrale quello grosso ci sono circa 400v
Mirtoforte Inserita: 12 luglio 2021 Autore Segnala Inserita: 12 luglio 2021 Non ho  una luce così forte da poter controllare, sul condensatore ci sono 300V, misurati in funzionamento,Â
Mirtoforte Inserita: 12 luglio 2021 Autore Segnala Inserita: 12 luglio 2021 I 300V ci sono anche a lampade spente, infatti se stacco lo spinotto, quello in alto a dx se lampade si accendono, e ovviamente sparisce l’audio
Mirtoforte Inserita: 12 luglio 2021 Autore Segnala Inserita: 12 luglio 2021 Ieri improvvisamente ha funzionato tutto il giorno, nel pomeriggio la spengo e la sposto in una altra stanza, la riaccendo e le lampade di nuovo spente,Â
Mirtoforte Inserita: 12 luglio 2021 Autore Segnala Inserita: 12 luglio 2021 Guardate cosa succede nella prima foto lo spinotto è staccato, do tensione e le lampade si accendono, nella seconda foto inserisco lo spinotto e le lampade si spengonoÂ
Mirtoforte Inserita: 12 luglio 2021 Autore Segnala Inserita: 12 luglio 2021 Non ho  una luce così forte da poter controllare, sul condensatore ci sono 300V, misurati in funzionamento,Â
Mirtoforte Inserita: 12 luglio 2021 Autore Segnala Inserita: 12 luglio 2021 Ecco, l’ho lasciata 1 ora sotto tensione in stand by, la riaccendo dal telecomando e funziona. Ma come mai?
enzosatel Inserita: 12 luglio 2021 Segnala Inserita: 12 luglio 2021 (modificato) ai capi di quel condensatore ci devono essere circa 400v per funzionare, controlla il circuito annesso Modificato: 12 luglio 2021 da enzosatel
Mirtoforte Inserita: 12 luglio 2021 Autore Segnala Inserita: 12 luglio 2021 io ho trovato un condensatore da 100micro/450v, l’ho sostituito con uno che avevo in dotazione dello stesso valore, in ogni caso misuro sempre non 400V ma 300V, del resto ai suoi capi ci finisce la tensione continua che esce dal ponte, mi chiedo questa differenza da 400v a 300V cosa pregiudica
Mirtoforte Inserita: 12 luglio 2021 Autore Segnala Inserita: 12 luglio 2021 Anche perché poi a volte come in questo momento la TV sta funzionando perfettamente, aiutami ancora , grazie
enzosatel Inserita: 12 luglio 2021 Segnala Inserita: 12 luglio 2021 300v significa che il circuito allegato PFC non funziona quindi la tv non può funzionare.Â
Mirtoforte Inserita: 12 luglio 2021 Autore Segnala Inserita: 12 luglio 2021 Enzosatel grazie se si ripete la scena proverò a sostituirlo, ma per curiosità che cosa è il circuito PFC
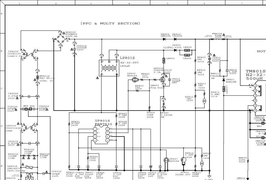
enzosatel Inserita: 12 luglio 2021 Segnala Inserita: 12 luglio 2021 E lo schema che sta su è il circuito che genera i circa 400v
3kek1 Inserita: 14 luglio 2021 Segnala Inserita: 14 luglio 2021 Perché non dovrebbe funzionare senza PFC? Comunque il problema sono piu probabilmente le lampade che con un innesco di prova si accendono, con uno normale alla massima luminosità no. Quindi come prova diagnostica io scollegherei i segnali Dim dalla main verso la ps e fareiandare il tv, se funziona sempre allora lampade da cambiare.
Mirtoforte Inserita: 14 luglio 2021 Autore Segnala Inserita: 14 luglio 2021 Grazie enzosatel e grazie james bonz premetto che non sono tanto aggiornato sui termini tecnici, ma vorrei precisare questo: sul condensatore da 100microF/450V ci finisce direttamente ciò che esce dal ponte di diodi, ieri ne ho comprato uno nuovo e saldato, alla misura ritornano soltanto 300V. Inoltre devo dire che non avendo a disposizione una luce molto forte non posso dire con certezza se a lampade spente il segnale TV si intraveda. Vorrei dire che non so cosa voglia dire James di scollegare i segnali DIM dalla man verso la ps e fare andare il TV, gentilmente vi prego di avere un pò di pazienza e spiegarmi manualmente cosa dovrei fare per diagnosticare e scoprire da dove proviene questo difetto.
Messaggi consigliati
Crea un account o accedi per commentare
Devi essere un utente per poter lasciare un commento
Crea un account
Registrati per un nuovo account nella nostra comunità . è facile!
Registra un nuovo accountAccedi
Hai giĂ un account? Accedi qui.
Accedi ora