Vai al contenuto
PLC Forum


Termostato wifi su caldaia Baxi Luna In 240 Fi


Messaggi consigliati

mario.bonasoro
Inserito:

Salve a tutti, ho visto che l'argomento è già stato trattato su questo forum altre volte ma ancora non mi è chiaro e le immagini degli schemi nelle discussioni non sono più accessibili.

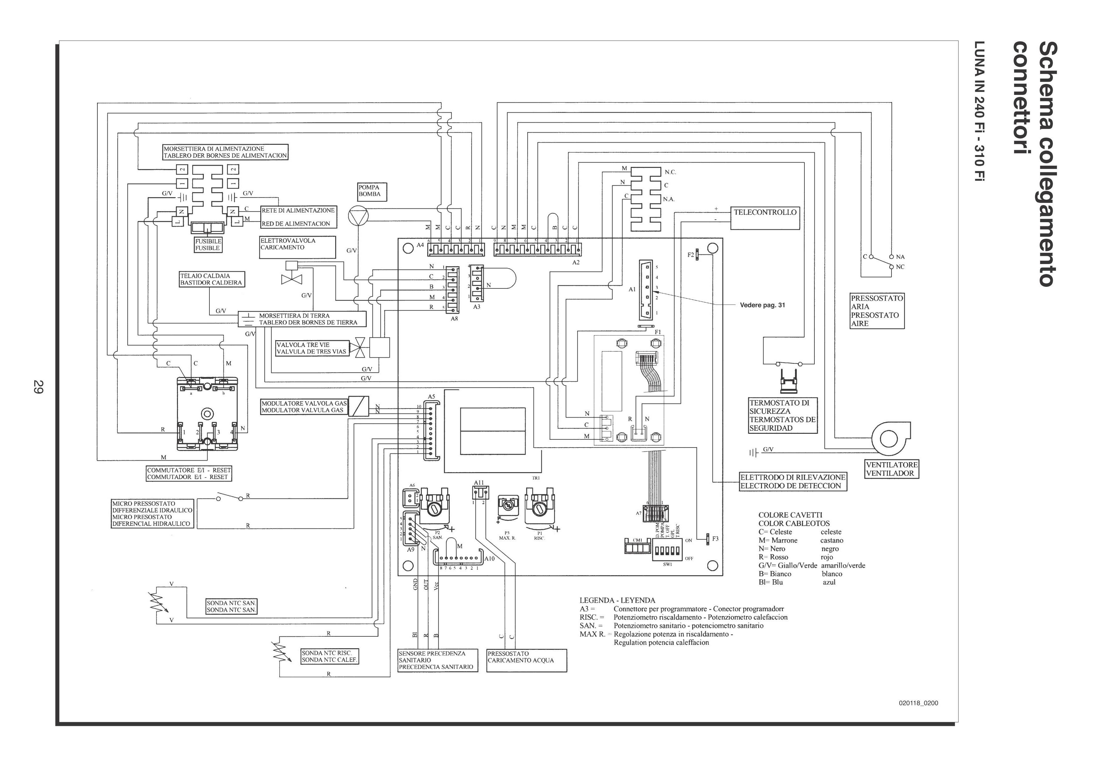
Ho una caldaia esterna Baxi Luna In 240 fi con "telecontrollo" (così lo chiama il manuale) all'interno dell'appartamento che dovrebbe comunicare tramite bus con la caldaia e controlla sia acqua sanitaria che riscaldamento (oltre a fornire i codici di errore in caso di problemi). Vorrei metterci un termostato connesso per potrer controllare la caldaia più agevolmente e anche quando sono fuori casa. Ho provato a guardare sul sito della Baxi ma i suoi temostati connessi sembrano andar bene sui nuovi modelli ma non c'è la compatibilità con questa mia vecchia caldaia. Da quello che ho capito non posso sostituire il suo termostato (telecontrollo) perché altrimenti perderei il controllo sull'acqua sanitaria (o non funzionerebbe proprio la caldaia). Quindi ne vorrei aggiungerne un altro (tipo neatmo o simili) ma devo capire bene dove collegarlo. Questo è il "telecontrollo" originale con i due cavetti che vanno alla scheda nella caldaia

20211013_121529.thumb.jpg.38e0e0fda0c21c126732720ce54d4aee.jpg20211013_121558.thumb.jpg.65c84914ae4a84be9ad6f809344ef4de.jpg20211013_160807.thumb.jpg.807802dc4f6d7568559f1ad42145ce98.jpg

 

 

Questo è lo schema dell'impianto

schemacaldaia.thumb.jpg.a9f9f6f8e86044c4247b8e350a672f46.jpg

Sulla "scatola" che contiene la "scheda" c'è questa "targa"

 

20211013_171108.thumb.jpg.0d5751bb2aae505360778fb463638708.jpg

 

Ho fatto anche una foto dentro

 

20211013_174042.thumb.jpg.bb957a27c2f6cfc274ae6f5ab5f380e4.jpg

 

Nel cerchio rosso è dove finiscono i due collegamenti del telecontrollo/termostato che ho dentro casa e li vicino partono 3 fili che arrivano alla morsettiera in basso (i due cerchi gialli).

Leggendo la targa che ho fotografato sulla morsettiera in basso, oltre a un fusubile da 2A i primi 3 morsetti sono per fase, neutro e messa a terra. 1-2 li indica per il collegamento elettrico ad un impianto a zone (che ovviamente non ho) e 3-4-5 per il collegamento comando a zona tramite telecontrollo. Questi 3-4-5 sono quelli del cerchio giallo e guardando lo schema elettrico li indica come come contatti puliti NA-C-NC,

Sul manuale c'è anche uno schema per il collegamento elettrico ad un impianto a zone, questo

zone.thumb.jpg.70750ad07ec16d111e9ae09354eb3728.jpg

 

Io non ho un impianto a zone, ma un'unica zona.

Altrove mi hanno detto che basta disabilitare nel vecchio telecontrollo/termostato la funzione di riscaldamento e collegare il nuovo termostato ai morsetti 1-2 (è indifferente quale dei cavi va poi collegato a C e NA sui morsetti del termostato). Basta davvero questo? Nella mia ignoranza, vedendo dei contatti puliti nei morsetti 3-4-5 pensavo bastasse collegare li il nuovo termostasto.

 

Ultima dubbio, una volta correttamente collegato come devo andare a impostare il funzionamenteo della caldaia (dal vecchio telecontrollo)? ok che disabilito la funzione di riscaldamento  ma la caldaia ha diverse termoregolazioni. Mi basta lasciarlo impostato nella funz 1 o devo impostarlo nella funz 4?:

regolazione.thumb.jpg.8f84dd64cf71bd67e5375c6547c425af.jpg

 

Grazie a chi mi saprà aiutare.

 

20211013_171638.jpg


Inserita: (modificato)
1 ora fa, mario.bonasoro ha scritto:

e basta disabilitare nel vecchio telecontrollo/termostato la funzione di riscaldamento e collegare il nuovo termostato ai morsetti 1-2 (è indifferente quale dei cavi va poi collegato a C e NA sui morsetti del termostato). Basta davvero questo?

Si basta questo e nient’altro 

imposta. T O   Per il riscaldamento   Nel comando remoto 

Modificato: da Stefano Dalmo
mario.bonasoro
Inserita:
3 ore fa, Stefano Dalmo ha scritto:

Si basta questo e nient’altro 

imposta. T O   Per il riscaldamento   Nel comando remoto 

grazie per la risposta, quindi se provo a ponticellare 1-2 dovrebbe partire senza problemi. domani provo e poi penso a quale termostato wifi comprare 

  • 1 month later...
cesarebattisti999
Inserita:
Il 14/10/2021 alle 23:44 , mario.bonasoro ha scritto:

grazie per la risposta, quindi se provo a ponticellare 1-2 dovrebbe partire senza problemi. domani provo e poi penso a quale termostato wifi comprare 

Puoi dire se poi ti funziona?

  • 2 months later...
Inserita:

Immagino che ci sia riuscito, in quanto non ha più risposto 😅

proverò a seguire le sue stesse indicazioni, ho un tado, se ci riesco vi faccio sapere

  • 2 weeks later...
Inserita:

Io ho seguito le istruzioni e ho collegato il NetAtmo. Funziona senza problemi.

Aggiungo che non è necessario impostare nulla di diverso sulla termoregolazione della caldaia. Basta lasciare il funzionamento 1.

In questo modo si decide la temperatura di mandata sul vecchio pannello e l'accensione viene comandata dal termostato intelligente.

Per evitare che il vecchio termostato avvii la caldaia, essendo collegato in parallelo, è sufficiente impostare le tre temperature di funzionamento a livelli più bassi di quelle che usa il nuovo termostato. Io ad esempio ho impostato T0, T1 e T2 a 10 gradi.

 

  • 1 month later...
Inserita:
Il 2/3/2022 alle 17:27 , Bettin ha scritto:

Io ho seguito le istruzioni e ho collegato il NetAtmo. Funziona senza problemi.

Aggiungo che non è necessario impostare nulla di diverso sulla termoregolazione della caldaia. Basta lasciare il funzionamento 1.

In questo modo si decide la temperatura di mandata sul vecchio pannello e l'accensione viene comandata dal termostato intelligente.

Per evitare che il vecchio termostato avvii la caldaia, essendo collegato in parallelo, è sufficiente impostare le tre temperature di funzionamento a livelli più bassi di quelle che usa il nuovo termostato. Io ad esempio ho impostato T0, T1 e T2 a 10 gradi.

 

ciao ho la tua stessa caldaia cioè la baxi luna 240 fi e il Netatmo ma non riesco a farlo funzionare mi sapresti dare qualche dritta

Alessio Menditto
Inserita:

Cricu per favore apri una nuova discussione, eventualmente linka questa e se vuoi manda un messaggio a Bettin, vedrai che sarà contento di rispondere nella tua.

  • Alessio Menditto locked this discussione
Ospite
Questa discussione è chiusa alle risposte.
×
×
  • Crea nuovo/a...