idam Inserita: 20 novembre 2021 Autore Segnala Inserita: 20 novembre 2021 Il 15/11/2021 alle 23:30 , Maurizio Colombi ha scritto: metti nel 346210 un configuratore in N con lo stesso numero di quello presente nel posto interno. ... io proverei con la prima ipotesi. Ho dimenticato di allegare la foto retro del display videocitofono che ci sono i configuratori. Quindi è corretto se lo metto il configuratore JMP?
Maurizio Colombi Inserita: 20 novembre 2021 Segnala Inserita: 20 novembre 2021 9 ore fa, idam ha scritto: Quindi è corretto se lo metto il configuratore JMP? Quel configuratore non c'entra nulla con la programmazione delle chiamate.
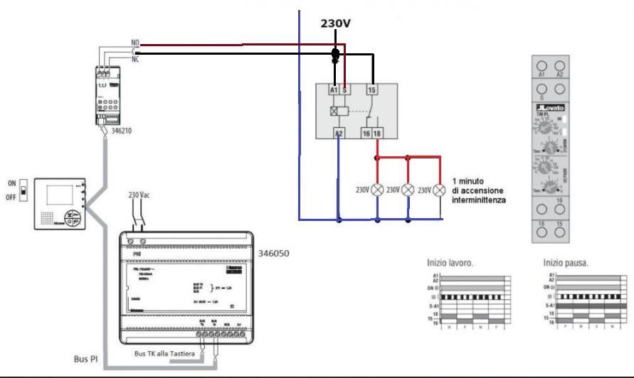
idam Inserita: 21 novembre 2021 Autore Segnala Inserita: 21 novembre 2021 Il 4/11/2021 alle 00:14 , ROBY 73 ha scritto: Buongiorno, Se togliessimo l'attuatore 346210, che schema potrebbe essere con il temporizzatore? Grazie per l'aiuto
ROBY 73 Inserita: 21 novembre 2021 Segnala Inserita: 21 novembre 2021 22 minuti fa, idam ha scritto: Se togliessimo l'attuatore 346210, che schema potrebbe essere con il temporizzatore? Nessuno, perché il temporizzatore NON può essere collegato in nessun modo sull'impianto citofonico che funziona su BUS
idam Inserita: 21 novembre 2021 Autore Segnala Inserita: 21 novembre 2021 9 ore fa, ROBY 73 ha scritto: Nessuno, perché il temporizzatore NON può essere collegato in nessun modo sull'impianto citofonico che funziona su BUS Ma c'è un temporizzatore con BUS, come finder che avevi allegato prima e poi aggiungere un altro temporizzatore?
Maurizio Colombi Inserita: 21 novembre 2021 Segnala Inserita: 21 novembre 2021 4 ore fa, idam ha scritto: Ma c'è un temporizzatore con BUS, come finder che avevi allegato prima e poi aggiungere un altro temporizzatore? Stai facendo un po' di confusione...
ROBY 73 Inserita: 21 novembre 2021 Segnala Inserita: 21 novembre 2021 6 ore fa, idam ha scritto: Ma c'è un temporizzatore con BUS, come finder che avevi allegato prima e poi aggiungere un altro temporizzatore? No, i temporizzatori che ti ho descritto sono sempre dei "classici" temporizzatori a cui serve l'alimentazione a 230V ed hanno un contatto in uscita, e ogni marca di videocitofono ha un sistema BUS proprietario, nel senso che BTicino vuole solo apparecchi BTicino, come ad esempio Urmet vuole solo Urmet, ecc....
idam Inserita: 22 novembre 2021 Autore Segnala Inserita: 22 novembre 2021 17 ore fa, Maurizio Colombi ha scritto: Stai facendo un po' di confusione... No ho fatto solo la domanda. 14 ore fa, ROBY 73 ha scritto: No, i temporizzatori che ti ho descritto sono sempre dei "classici" temporizzatori a cui serve l'alimentazione a 230V ed hanno un contatto in uscita, e ogni marca di videocitofono ha un sistema BUS proprietario, nel senso che BTicino vuole solo apparecchi BTicino, come ad esempio Urmet vuole solo Urmet, ecc.... Ho capito. Chiudo e grazie lo stesso per l'aiuto
ROBY 73 Inserita: 22 novembre 2021 Segnala Inserita: 22 novembre 2021 14 ore fa, idam ha scritto: Ho capito. Chiudo e grazie lo stesso per l'aiuto Come sarebbe a dire: <<Chiudo e grazie lo stesso per l'aiuto>>, vorresti arrenderti e lasciar perdere tutto, oppure vuoi cercare aiuto da un'altra parte? Tanto il discorso non cambia, quello già descritto è, poi vedi tu, ciao
tommy72 Inserita: 22 novembre 2021 Segnala Inserita: 22 novembre 2021 Quote perdonatemi se vado fuori tema, ma io più di far accendere un lampeggiante, sarei seriamente preoccupato per questo quadro: a monte e a valle dei MT da 20 e 25A ci sono cavi da 2,5 se la vista non mi inganna....situazione alquanto precaria e pericolosa.... per ciò che riguarda la suoneria, l'attuatore bticino occorre metterlo, poi se si usa il configuratore SLA per ripetere la chiamata, si può usare tranquillamente un lampeggiante da cancelli (come già suggerito in precedenza), il quale ha bisigno di tensione fissa, per cui tra questo e il bticino potrebbe starci tranquillamente un relè a doppio scambio in autoritenuta, con un pulsante da premere per resettarlo, soluzione più semplice ed economica rispetto ad un temporizzatore commerciale che sia finder o lovato o pincopallino
ROBY 73 Inserita: 22 novembre 2021 Segnala Inserita: 22 novembre 2021 20 minuti fa, tommy72 ha scritto: perdonatemi se vado fuori tema, ma io più di far accendere un lampeggiante, sarei seriamente preoccupato per questo quadro: a monte e a valle dei MT da 20 e 25A ci sono cavi da 2,5 se la vista non mi inganna....situazione alquanto precaria e pericolosa.... Sinceramente non ho proprio guardato gli interruttori ed il cablaggio, ho guardato solo l'attuatore citofonico, comunque ti do pienamente ragione tommy72, ciao
Messaggi consigliati
Crea un account o accedi per commentare
Devi essere un utente per poter lasciare un commento
Crea un account
Registrati per un nuovo account nella nostra comunità. è facile!
Registra un nuovo accountAccedi
Hai già un account? Accedi qui.
Accedi ora