ciccioilgrande Inserito: 8 novembre 2021 Segnala Inserito: 8 novembre 2021 ciao a tutti, mi è stata donata una saldatrice ad inverter della valex modello galaxi 166, guasta e vorrei ripararla, aprendola ho notato che c'era una resistenza di potenza bruciata ,il valore non riesco a leggerlo bene ,mi sembra una R da 47 ohm 10W,ho provato a sostituirla con una uguale ma appena ho alimentato la saldatrice ,si è subito bruciata, ho controllato il ponte di diodi ed è a posto, secondo voi ,dove può essere l'origine del guasto? non ho schemi elettrici, posto una foto dell'interno:
Livio Orsini Inserita: 9 novembre 2021 Segnala Inserita: 9 novembre 2021 16 ore fa, ciccioilgrande ha scritto: secondo voi ,dove può essere l'origine del guasto? Ci vorrebbe un attrezzo oramai introvabile: la sfera di cristallo. Come si fa dirti dove è l'origine del guasto? Quando uin resistore brucia o è stato calcolato male oppure c'è qualche altro componente guasto che fa circolare più corrente del dovuto. Quindi comincia a capire dove è inserito quel resistore e verifica i componenti di quel circuito. Magari fai una ricerca i rete per trovare il service manual di quella saldatrice, così avremo almeno uno schema elettrico su cui ragionare.
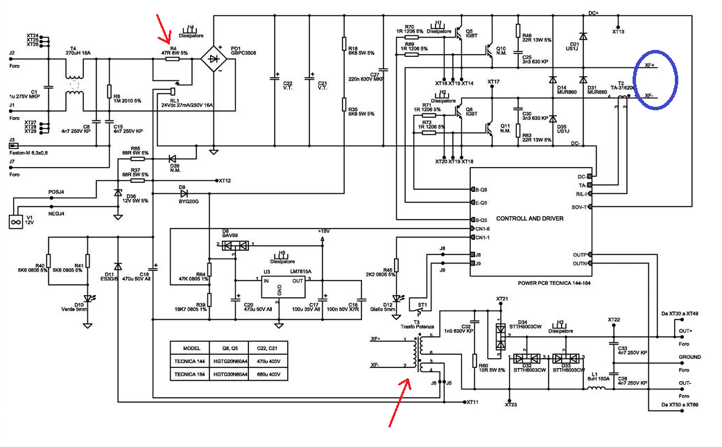
ciccioilgrande Inserita: 10 novembre 2021 Autore Segnala Inserita: 10 novembre 2021 (modificato) ciao a tutti, in rete ho trovato lo schema di una saldatrice che, anche se di un'altra marca, ha molto in comune con la mia( probabilmente adottano gli stessi schemi elettrici) ed ho notato che la R4 ,cioè la resistenza da 47 ohm 8W che si è bruciata, ha un contato di un rele che la cortocircuita, questo relè viene alimentato da un trasformatore( che sullo schema viene denominato "trasformatore di potenza"), non ho capito però se questo trasformatore ha il primario collegato alla tensione di rete o dove , e penso che la R si è bruciata perchè il relè non ha chiuso il contatto per mancanza di alimentazione, posto lo schema Modificato: 10 novembre 2021 da ciccioilgrande
Livio Orsini Inserita: 10 novembre 2021 Segnala Inserita: 10 novembre 2021 Quel resistore è il limitatore della corrente di carica dei condensatori del dc bus, viene cortocircuitata quando i condensatori si sono caricati quasi al massimo. Se brucia c'è quasi certamente un bel corto a valle del ponte raddrizzzatore.
del_user_293569 Inserita: 10 novembre 2021 Segnala Inserita: 10 novembre 2021 Il "trasformatore di potenza" è alimentato dagli IGBT, vedi cerchiatura azzurra. Fai una misura di resistenza all'uscita del ponte.
ciccioilgrande Inserita: 10 novembre 2021 Autore Segnala Inserita: 10 novembre 2021 (modificato) grazie Livio sempre gentile e disponibile, a sto punto temo che uno o più IGBT posti dopo il ponte(Q5-Q8-Q11), possono essere saltati e quindi devo controllarli, si possono controllare montati in circuito o li devo smontare? Modificato: 10 novembre 2021 da ciccioilgrande
Livio Orsini Inserita: 10 novembre 2021 Segnala Inserita: 10 novembre 2021 3 ore fa, ciccioilgrande ha scritto: a sto punto temo che uno o più IGBT posti dopo il ponte(Q5-Q8-Q11), possono essere saltati e quindi devo controllarli, si possono controllare montati in circuito o li devo smontare? Io consiglio sempre di provarli smontati, così hai la certezza che non hai alcunchè che possa influenzare la misura. Però se uno o più IGBT sono morti è quasi certo che ci siano altri cadaveri nei dintorni, specialmente i driver di questi Igbt.
Messaggi consigliati
Crea un account o accedi per commentare
Devi essere un utente per poter lasciare un commento
Crea un account
Registrati per un nuovo account nella nostra comunità. è facile!
Registra un nuovo accountAccedi
Hai già un account? Accedi qui.
Accedi ora