giuseppedam Inserito: 15 dicembre 2021 Segnala Inserito: 15 dicembre 2021 (modificato) Buongiorno.Ho dovuto sostituire la motopompa alla mia lavastoviglie Bosch SGS43B02II/01.Poichè costa un botto (circa 250€), ne ho acquistata una usata su Ebay.Quella acquistata era di una lavastoviglie Bosch SGS46M88II01.Da un confronto preventivo sul sito Bosch (pagina ricambi) il corpo pompa risultava lo stesso, mentre i codici motore no, ma dalle foto mi sembravano uguali ed ho deciso di acquistarla comunque ed in effetti sono identici (quasi). Infatti una volta installato senza problema alcuno, ho notato che, mentre il motore originale ha il morsetto 4 più piccolo (foto 1 e 2 ) per obbligare il posizionamento della PTC di avviamento, il motore della pompa "nuova" ha il morsetto 4 grande (foto 3).Qui mi è sorto dubbio.(troppo tardi?).....Da una verifica approfondita sul sito ricambi Bosch ho notato che il motore "nuovo" non prevede PTC di avviamento. Ho deciso di alimentare (morsetti 1 e 3) come in origine, (su entrambi i motori i morsetti 3 e 2 sono in effetti un unico morsetto) ma non si è mossa. Anche inserendo la PTC vecchia ai morsetti 3 e 4 niente. Se invece ponticello i morsetti 3 e 4 il motore parte e quando tolgo il ponte gira in modo più veloce e mi sembra normale come la vecchia. Ho trovato su un'altra discussione nel forum lo schema elettrico del motore che allego, che corrisponde all'originale, ma non a quello "nuovo" nemmeno come impedenze degli avvolgimenti. Quindi non c'è altro modo di farla partire se non ponticellando per un'attimo i morsetti 3 e 4.Ora, la mia domanda è: come fare per chiudere un contatto sui morsetti 3 e 4 per pochi secondi per l'avviamento in modo automatico? Ho letto di relè attuatori, tipo quelli utilizzati per i motori dei frigo, ma non riesco a trovare info dettagliate.Potreste darmi una mano? un'idea? una soluzione? Grazie mille Modificato: 15 dicembre 2021 da giuseppedam
fisica Inserita: 15 dicembre 2021 Segnala Inserita: 15 dicembre 2021 hai verificato la sanità del condensatore?
giuseppedam Inserita: 16 dicembre 2021 Autore Segnala Inserita: 16 dicembre 2021 17 ore fa, fisica ha scritto: hai verificato la sanità del condensatore? Il condensatore dovrebbe essere ok poichè la pompa parte e gira. Il problema mi sembra diverso....Provo ad essere più chiaro: Se al morsetto 1 collego neutro e al morsetto 3 collego fase (morsetto 4 libero come su cablaggio motore originale), Il motore non parte. Ora se faccio un ponte tra morsetti 3 e 4, il motore parte e quando tolgo il ponte al morsetto 4 (lasciando quindi di nuovo tensione su 1 e 3), anzichè fermarsi, gira più velocemente (che mi sembra sia la velocità corretta). Come spiegavo, avendo a disposizione solo 2 fili, il mio problema è capire come dare tensione al morsetto 4 solo per qualche secondo, per l'avviamento. Ho pensato ad un relè che chiuda i morsetti 3- e 4 per 1/2 secondi.Oppure a soluzione diversa.....magari mi sfugge qualcosa nel ragionamento...... 20 ore fa, fisica ha scritto: hai verificato la sanità del condensatore? Il condensatore dovrebbe essere ok poichè la pompa parte e gira. Il problema mi sembra diverso....Provo ad essere più chiaro: Se al morsetto 1 collego neutro e al morsetto 3 collego fase (morsetto 4 libero come su cablaggio motore originale), Il motore non parte. Ora se faccio un ponte tra morsetti 3 e 4, il motore parte e quando tolgo il ponte al morsetto 4 (lasciando quindi di nuovo tensione su 1 e 3), anzichè fermarsi, gira più velocemente (che mi sembra sia la velocità corretta). Come spiegavo, avendo a disposizione solo 2 fili, il mio problema è capire come dare tensione al morsetto 4 solo per qualche secondo, per l'avviamento. Ho pensato ad un relè che chiuda i morsetti 3- e 4 per 1/2 secondi.Oppure a soluzione diversa.....magari mi sfugge qualcosa nel ragionamento......
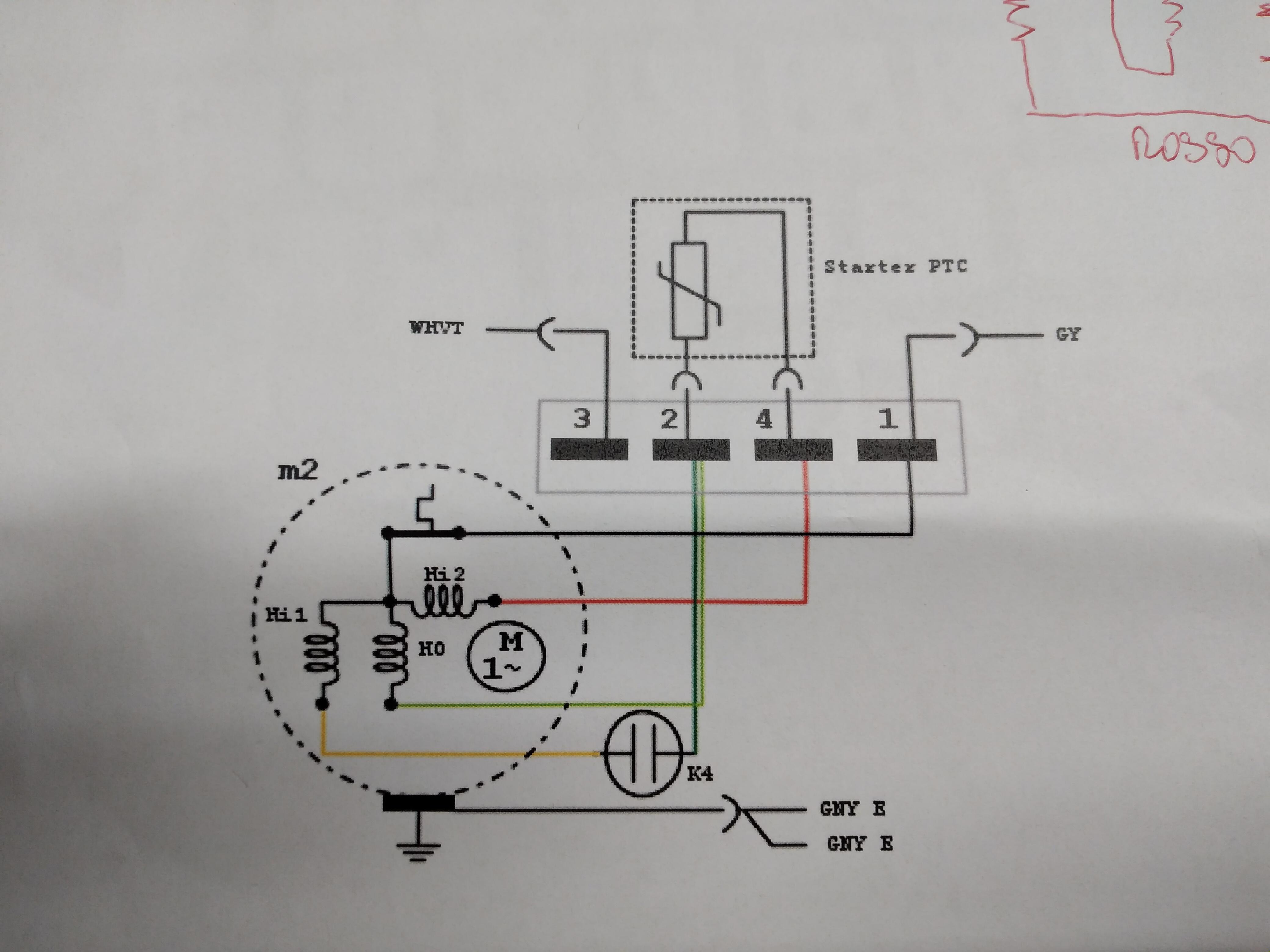
fisica Inserita: 16 dicembre 2021 Segnala Inserita: 16 dicembre 2021 se il tuo schema è corretto, il condensatore (che fa partire il motore) è in serie alla PTC (che quando passa corrente si scalda e aumenta il proprio valore resistivo). In pratica la PTC fa quello che vorresti fare tu, chiude il collegamento a freddo e lo apre a caldo. Ma dal tuo schema, il morsetto 3 sembra sconnesso, infatti non si attacca a nulla. i due avvolgimenti in quadratura non sono connessi a nulla. Guarda se riesci a risalire al vero schema. Per me manca qualcosa.
giuseppedam Inserita: 17 dicembre 2021 Autore Segnala Inserita: 17 dicembre 2021 16 ore fa, fisica ha scritto: se il tuo schema è corretto, il condensatore (che fa partire il motore) è in serie alla PTC (che quando passa corrente si scalda e aumenta il proprio valore resistivo). In pratica la PTC fa quello che vorresti fare tu, chiude il collegamento a freddo e lo apre a caldo. Ma dal tuo schema, il morsetto 3 sembra sconnesso, infatti non si attacca a nulla. i due avvolgimenti in quadratura non sono connessi a nulla. Guarda se riesci a risalire al vero schema. Per me manca qualcosa. in effetti nel disegno (che ho recuperato dal web) mance il ponticello tra morsetto 3 e 2 che ho indicato nella descrizione.Questo schema però è riferito al motore originale, ma non a quello che ho acquistato in sostituzione. Concordo sulla tua spiegazione sul compito della PTC che probabilmente alimenta un avvolgimento per l'avviamento, ma collegato così il motore di ricambio non parte. Nel frattempo armato di tester e pazienza, ho fatto delle verifiche sul motore "nuovo" e sono giunto alla conclusione che il motore nuovo ha solo 2 avvolgimenti e sono collegati come da allegato.Questo spiegherebbe perchè è necessario chiudere il ponte tra morsetti 3-4 per farlo partire.....e mi sarei convinto che questo motore debba funzionare proprio con i morsetti 3-(2)-4 sempre ponticellati e secondo lo schema che allego. Che ne pensi?
del_user_227154 Inserita: 18 dicembre 2021 Segnala Inserita: 18 dicembre 2021 Quello che hai comprato è in motore sicasym ha 2 avvolgimenti. si avvia normalmente con 1 relè nella scheda con l'avvolgimento di spunto e marcia, quando è in rotazione un altro relè nella scheda che è collegato ai fili del motore mette in serie i due avvolgimenti per la classe (al suo tempo) AAA.
Trame Inserita: 23 novembre 2022 Segnala Inserita: 23 novembre 2022 Ciao a tutti possiedo una lavastoviglie che monta uno dei motori in questione( il secondo) necessito di farlo girare al di fuori della lavastoviglie, e da quanto vedo allo schema mi basterebbe collegare il comune al 1 Pin e la fase al 3? Grazie.
Ivan Botta Inserita: 23 novembre 2022 Segnala Inserita: 23 novembre 2022 Trame, ti sei accodato ad una discussione di un anno fa, non è consentito dal regolamento accettato in fase di iscrizione al forum, oltre a creare inutile confusione. Questa discussione la chiudiamo, se serve aprine pure una nuova, grazie. 😉 ***DISCUSSIONE CHIUSA***
Messaggi consigliati