AndreaL1995 Inserito: 18 gennaio 2022 Segnala Inserito: 18 gennaio 2022 Buongiorno a tutti, Ho una lavatrice Candy ctd 90 che non scalda più l'acqua (ma conclude ugualmente i programmi). Ho effettuato i vari test che mi sono venuti in mente, la resistenza misura 20 ohm quindi credo sia ok, la sonda temperatura misura 35 ohm che diminuiscono scaldandola quindi credo ok, il pressostato interviene, la scheda elettronica non presenta evidenti difetti ai componenti, ma nonostante tutto la resistenza non viene alimentata. Una cosa strana è che con il cablaggio collegato sulla resistenza leggo 0 V ma se scollega i due faston e collego il tester direttamente a loro misuro circa 30 V in qualsiasi condizione, anche con la lavatrice spenta (a spina inserita chiaramente). Un pin della resistenza è collegato ad un connettore sulla scheda elettronica su cui misuro i 230v (provo ad allegare uno schema elettrico trovato in rete), quindi sembra non chiudersi il circuito. Ringrazio fin da ora chiunque vorrà aiutarmi . Buona giornata
Ciccio 27 Inserita: 18 gennaio 2022 Segnala Inserita: 18 gennaio 2022 Su molte di queste c'è un consenso al riscaldamento che è un sensore di pressione posto sotto la vasca in corrispondenza del collettore che porta l'acqua al cesto superiore. Avendo la resistenza messa in verticale proprio dentro quel collettore, a condizioni normali se la motopompa non spinge, quel contatto non si chiude e quindi non scalda. E' capitato a diversi che quel sensore si blocca e non chiude il contatto. Si svita quindi da sotto.
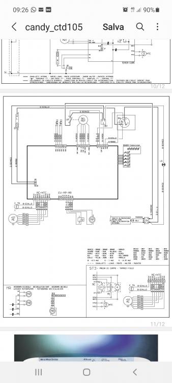
AndreaL1995 Inserita: 18 gennaio 2022 Autore Segnala Inserita: 18 gennaio 2022 Grazie per la risposta... Sta sera controllo ma non mi pare che ci fosse nulla sotto la vasca, inoltre la resistenza è in orizzontale sulla mia, ti allego una foto dell'esploso
Ciccio 27 Inserita: 18 gennaio 2022 Segnala Inserita: 18 gennaio 2022 Ritiro tutto: io pensavo alle lavastoviglie... 😅
piergius Inserita: 19 gennaio 2022 Segnala Inserita: 19 gennaio 2022 Il 18/1/2022 alle 09:29 , AndreaL1995 ha scritto: se scollego i due faston e collego il tester direttamente a loro misuro circa 30 V in qualsiasi condizione, anche con la lavatrice spenta ⚠️ATTENZIONE! I Circuiti Elettronici della Scheda non sono isolati dalla Rete 230V~ E alcuni condensatori Elettrolitici hanno ai propri capi Oltre 300V in CONTINUA ⚠️ Se il Tester è elettronico ha un' elevata Impedenza di Ingresso, e la Tensione rilevata è fittizia. Le Misure verso Terra si fanno col Tester, individuando Fase e Neutro in Morsettiera dove arriva il Cordone di Rete. Le altre Misure avranno come riferimento di volta in volta uno o l' altro dei 2 Poli di Alimentazione. Procura 2 Lampadine da 4W/230V (con portalampada e 4 spezzoni di cavo elettrico) Di una colleghi un capo al Morsetto L, dell' altra a quello N. Puoi così verificare con la 1^ in quali fili arriva il Neutro e con l' altra in quale arriva la Fase e se ai capi della lampada trovi col Tester 220÷230V. In alternativa questo semplice Voltmetro a bassa impedenza : https://antonioparenti.it/tester/5131-testervoltaggioapennamaurer8in16-400v.html
Messaggi consigliati
Crea un account o accedi per commentare
Devi essere un utente per poter lasciare un commento
Crea un account
Registrati per un nuovo account nella nostra comunità. è facile!
Registra un nuovo accountAccedi
Hai già un account? Accedi qui.
Accedi ora