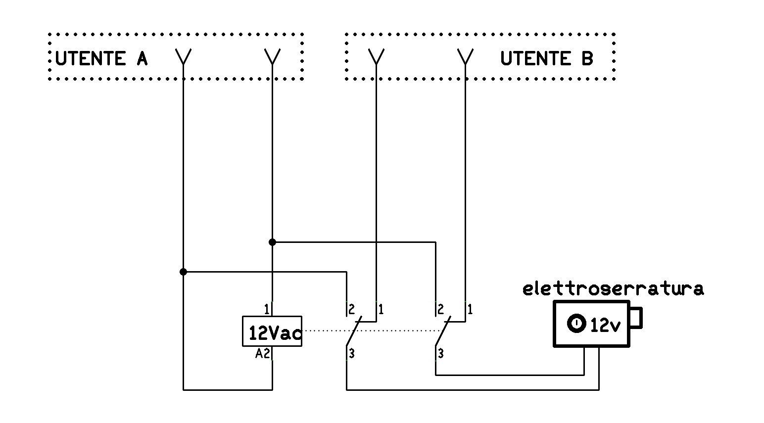
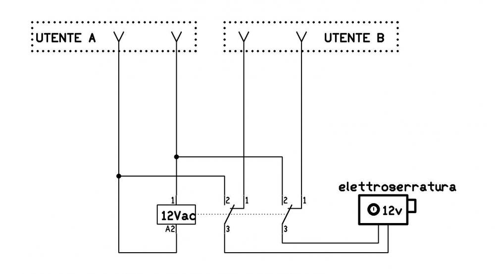
davide.rss Inserito: 21 gennaio 2022 Segnala Inserito: 21 gennaio 2022 Buongiorno a tutti! Ho provato a cercare tra le vecchie discussioni, ma non ho trovato la soluzione al mio problema. Ci sono due citofoni separati e tali devono restare. Il primo apre un portoncino in vetro e il cancelletto, il secondo deve aprire solo il cancelletto. Il primo è di un palazzo con 6 famiglie, il secondo è di una bifamiliare (1122/601 urmet). Il primo è già installato, il secondo lo devo installare, ma devo mantenerli indipendenti. Come relè monterò urmet 788/52. Come posso fare per mantenerli indipendenti?
marco.caricato Inserita: 21 gennaio 2022 Segnala Inserita: 21 gennaio 2022 8 ore fa, davide.rss ha scritto: Buongiorno a tutti! Ho provato a cercare tra le vecchie discussioni, ma non ho trovato la soluzione al mio problema. Ci sono due citofoni separati e tali devono restare. Il primo apre un portoncino in vetro e il cancelletto, il secondo deve aprire solo il cancelletto. Il primo è di un palazzo con 6 famiglie, il secondo è di una bifamiliare (1122/601 urmet). Il primo è già installato, il secondo lo devo installare, ma devo mantenerli indipendenti. Come relè monterò urmet 788/52. Come posso fare per mantenerli indipendenti? Perché usare un relè da 50€ (inutile in questo caso) quando basta un comunissimo Finder+zoccolo? Segui lo schema sopra indicato da Roberto
Messaggi consigliati
Crea un account o accedi per commentare
Devi essere un utente per poter lasciare un commento
Crea un account
Registrati per un nuovo account nella nostra comunità. è facile!
Registra un nuovo accountAccedi
Hai già un account? Accedi qui.
Accedi ora