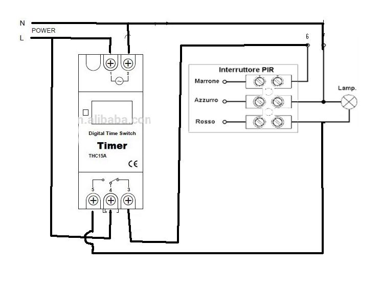
chiccozapp Inserito: 28 gennaio 2022 Segnala Inserito: 28 gennaio 2022 (modificato) Ciao a tutti, dovrei modificare il mio impianto di illuminazione, al momento funzionante solo con un timer THC15A come nella figura di sinistra, in cui la lampadina di destra è accesa dalle 9 alle 21 con il timer, dalle 21 alle 9 si attiva la lampadina di sinistra con il PIR. Quello che vorrei sapere è se posso utilizzare una unica lampadina (quella di destra) per entrambe le modalità, e nel caso, come dovrei modificare i collegamenti. Grazie mille Modificato: 28 gennaio 2022 da chiccozapp
guazze Inserita: 28 gennaio 2022 Segnala Inserita: 28 gennaio 2022 Certo puoi farlo in vari modi... Io ti consiglierei di utilizzare 2 rele con bobina a 230v e contatti ( da valutare il wattaggio della lampa) Il pt aziona un rele e il pir aziona l'altro. A questo punto metti in parallelo i 2 contatti dei 2 rele e portali alla lampada( fase). A questo punto ti rimane da collegare il netto alla lampada e gioco e fatto. Nb: per i contatti della lampada usa la stessa fase, non fare mescoloni.
piergius Inserita: 28 gennaio 2022 Segnala Inserita: 28 gennaio 2022 Attenzione a non invertire Fase e Neutro, rischiando di provocare Corto Circuito ! Nel disegno "L" e "N" Sono ERRATI in ingresso al PIR ! . In Rosso hanno rappresentato il Neutro che in realtà è BLU e va al Morsetto N del PIR e diretto ad entrambe le Lampade. Nello Schema originale il Nero è la Fase , viene interrotta dal Timer ed alimenta 2 Uscite. L ' Uscita del Timer indicata con la X andrà al Morsetto L del PIR, in modo che anch' esso Interrompa la Fase quando riceve alimentazione. Solo se nei Collegamenti ti assicuri di rispettare FASE E NEUTRO, potrai unire i 2 Ritorni delle Lampade per dar luogo ad un' Unico Comando che somma le 2 Funzioni. Buon lavoro, Ciao !
DavideDaSerra Inserita: 28 gennaio 2022 Segnala Inserita: 28 gennaio 2022 (modificato) Certo: entri nel NA del timer col NC del PIR, in questo modo quando il timer chiama la luce è sempre accesa e quando la luce sarebbe spenta e chiama il PIR la luce si accende. In questa configurazione hai la luce sempre accesa quando il timer chiama e al rilevamento quando scatta il PIR. (luce sempre accesa nelle ore in cui l'orologio chiama e con il PIR che accende fuori da dette ore) Invertendo i "ruoli" degli oggetti hai l'effetto della luce che si accende quando il pir rileva e il timer è acceso (luce accesa solo nelle ore "buie" e con movimento rilevato) la notazione è contatto di ingresso / contatto di uscita Indico il percorso della fase F ------------------------------------>NC del timer in pratica (caso 1): F -> COM del PIR / NC -> NA del timer / com del timer -> lampadina La tabella di verità sarebbe: Timer(ON) Timer (OFF) PIR (ON) ON ON PIR (OFF) ON OFF Modificato: 28 gennaio 2022 da DavideDaSerra
chiccozapp Inserita: 28 gennaio 2022 Autore Segnala Inserita: 28 gennaio 2022 Grazie per le risposte ma sono già in palla! Vi chiedi un aiuto da niubbo totale: riuscite a dirmi come collegare i numeri? Così son sicuro di non sbagliare 'sul campo' 😓
piergius Inserita: 29 gennaio 2022 Segnala Inserita: 29 gennaio 2022 22 ore fa, piergius ha scritto: Attenzione a non invertire Fase e Neutro, rischiando di provocare Corto Circuito ! Nel disegno... In Rosso hanno rappresentato il Neutro che in realtà è BLU e va al Morsetto N del PIR e diretto ad entrambe le Lampade... Se,( e solo se) nei Collegamenti ti assicuri di rispettare tassativamente FASE E NEUTRO, potrai unire i 2 Ritorni delle Lampade per dar luogo ad un' Unico Comando che somma le 2 Funzioni. (un mio collega benché elettrotecnico aveva commesso lo stesso errore, portando ad una Lampada erroneamente la Fase diretta, invertiva in continuazione tutti gli altri cavi senza risolvere. All' ennesima combinazione ha lasciato al buio il Capannone) Morale della Favola : il Neutro va al Morsetto N del PIR e alla Lampada (non serve un numero) Le due Uscite del Timer vanno la N.C. (altrimenti libera) al Morsetto L del PIR. (non serve numero) e La N.A. ( originariamente utilizzata) all' Uscita del PIR, Ritorno della Lampada. (Morsetto senza numero in basso nel disegno). Per evitare errori puoi testare prima i collegamenti disponendo i Componenti su un tavolo, Sopra una superficie non metallica. Buon lavoro, Ciao !
chiccozapp Inserita: 29 gennaio 2022 Autore Segnala Inserita: 29 gennaio 2022 (modificato) Vedo cosa esce fuori, purtroppo non riesco a testare su u ntavolo perchè l'impianto è già montato in negozio, quindi già dovrò impazzire a capire quale filo è collegato a cosa.. poi tradurre il pratica quello che mi hai scritto.. Quindi .. sostanzialmente.. n.4 del timer al n. 7 del pir n.5 del timer al rosso del pir n.3 del timer al n.6 del pir.. .. o non c'ho capito una mazza?! PS Neutro e fase sono praticamente irriconoscibili in quanto il quadro elettrico è un'apoteosi di colori messi a casaccio tra i vari differenziali, per quello mi trovo meglio a collegare i 'numeri' essendo un quadro che non ho fatto io.. L'ideale per me ora, sarebbe il dover staccare meno fili possibili e lavorare sul quadro piuttosto che far ripassare i cavi nelle canaline Modificato: 29 gennaio 2022 da chiccozapp
piergius Inserita: 30 gennaio 2022 Segnala Inserita: 30 gennaio 2022 > Riassumendo, nel disegno iniziale non rispettando la Polarità dei morsetti L e N del PIR, eri obbligato ad usare 2 Lampade distinte. > Come ho già ribadito, cambiare i nomi ai Morsetti è inutile, porta ancora più confusione ! > Quindi, poiché il PIR ha solo 3 Morsetti i Collegamenti non si devono invertire : Se esiste un Morsetto "N", contraddistinto dal filo Azzurro, va collegato OBBLIGATORIAMENTE al Neutro, che di NORMA è AZZURRO O BLU, cioè l' unico Conduttore che dal Magnetotermico arriva direttamente alle Lampade. Anche al "2" del Timer va il Neutro. La Fase va ai Mors. "1" e "4 Comune" del Timer n."3 N.C." del Timer alimenta tramite "Marrone L" il PIR n."5 N.A." del Timer al Rosso del PIR e alla Lampada > L'ideale per staccare meno fili possibili, piuttosto che far ripassare i cavi nelle canaline, sarà ubicare il Timer in prossimità di Lampada e PIR, e nel Quadro lasciare solo l' Interruttore Unipolare. Così dal Quadro al Timer basterà il Filo esistente, altrimenti ne dovrai aggiungere uno. Buon lavoro e Buona Domenica !
DavideDaSerra Inserita: 30 gennaio 2022 Segnala Inserita: 30 gennaio 2022 (modificato) Graficamente il collegamento espresso nel mio commento precedente è questo: Modificato: 30 gennaio 2022 da DavideDaSerra
chiccozapp Inserita: 31 gennaio 2022 Autore Segnala Inserita: 31 gennaio 2022 23 ore fa, DavideDaSerra ha scritto: Graficamente il collegamento espresso nel mio commento precedente è questo: Puoi ripostarlo? Non mi fa' accedere alla risorsa..
piergius Inserita: 31 gennaio 2022 Segnala Inserita: 31 gennaio 2022 Apprezzo la versione proposta da DavideDaSerra, (che si è anche dedicato a sviluppare lo schema👍), ottiene il medesimo effetto finale di accendere l' unica Lampada tramite i 2 Dispositivi ; (In questo caso il PIR avrà un piccolo consumo in più restando sotto Tensione anche mentre il Timer mantiene accesa la Lampada) . Buona serata a tutti !
chiccozapp Inserita: 1 febbraio 2022 Autore Segnala Inserita: 1 febbraio 2022 Il 30/1/2022 alle 08:24 , piergius ha scritto: > Riassumendo, nel disegno iniziale non rispettando la Polarità dei morsetti L e N del PIR, eri obbligato ad usare 2 Lampade distinte. > Come ho già ribadito, cambiare i nomi ai Morsetti è inutile, porta ancora più confusione ! > Quindi, poiché il PIR ha solo 3 Morsetti i Collegamenti non si devono invertire : Se esiste un Morsetto "N", contraddistinto dal filo Azzurro, va collegato OBBLIGATORIAMENTE al Neutro, che di NORMA è AZZURRO O BLU, cioè l' unico Conduttore che dal Magnetotermico arriva direttamente alle Lampade. Anche al "2" del Timer va il Neutro. La Fase va ai Mors. "1" e "4 Comune" del Timer n."3 N.C." del Timer alimenta tramite "Marrone L" il PIR n."5 N.A." del Timer al Rosso del PIR e alla Lampada > L'ideale per staccare meno fili possibili, piuttosto che far ripassare i cavi nelle canaline, sarà ubicare il Timer in prossimità di Lampada e PIR, e nel Quadro lasciare solo l' Interruttore Unipolare. Così dal Quadro al Timer basterà il Filo esistente, altrimenti ne dovrai aggiungere uno. Buon lavoro e Buona Domenica ! Purtroppo quadro, PIR e lampade son già installati.. Quindi devo solo capire bene come ripassare i cavi in quanto la lampada si trova a metà strada tra il PIR e il timer (nel quadro elettrico) ed è già collegata solo con il timer Se ho capito giusto dovrebbero essere questi i collegamenti...
piergius Inserita: 2 febbraio 2022 Segnala Inserita: 2 febbraio 2022 1) Praticamente Timer e Lampada sono già collegati. 2) Al Morsetto centrale del PIR collega il Neutro (presente sulla Lampada) 3) Uscita PIR va insieme al Ritorno Lampada 4) Filo da aggiungere collega tra loro i due Morsetti restanti (3 e 6) Ciao !
Messaggi consigliati
Crea un account o accedi per commentare
Devi essere un utente per poter lasciare un commento
Crea un account
Registrati per un nuovo account nella nostra comunità. è facile!
Registra un nuovo accountAccedi
Hai già un account? Accedi qui.
Accedi ora