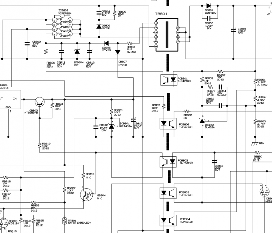
Riccardo Ottaviucci Inserito: 1 febbraio 2022 Segnala Inserito: 1 febbraio 2022 Ho voluto rimettere le mani sul bestione in oggetto accantonato e per il quale avevo giò aperto una discussione tempo fa che deve essere andata in fumo col server. Il TV rimaneva spento e la Vstby che deve essere di 5V è di 3,3V. Dopo innumerevoli controlli ,anche suggeriti non mi ricordo da chi, sono riuscito a riportare artificialmente a 5V la Vstby modificando il valore di RB851 mettendo al suo posto un trimmer da 10 K. Adesso il TV si accende, la VA e tutte le altre basse tensioni ci sono,ma la VS è bassa e instabile (160-175V) contro i 200 che dovrebbe essere. L'effetto è che l'immagine è lattiginosa,verdognola e ogni tanto va in protezione. Ho provato a studiarmi il circuito dell'alimentatore e di tutte le sequenze . Il problema è che la VS,non si regola col trimmer apposito VR800. Ho cambiato fotoaccoppiatore PC401S ,zener programmabile TL431 , il filtro CS851 e verificato le tensioni di alimentazione dell'IC controller U804 (che non ho,dovrei ordinarlo). In pratica la Rfmin non cambia e sembra non agire sull'IC stesso. Anche staccando i carichi di VS,e cioè le schede Y e X sus la tensione sembra sempre bassa,anche se leggermente maggiore (185 V). Non riesco a stabilire se deve essere così o se un malfunzionamento delle stesse schede faccia lavorare male l'alimentatore. Secondo me la Vs deve esserci sempre e stabile poichè non vedo regolazioni in feeback. Lo schema completo della scheda è questo l'aiuto che cerco è quello di qualcuno che vuole studiare in parallelo a me lo schema scambiandoci ipotesi e soluzioni, anche per cercare di capirci qualcosa in più su questa tecnologia (furtunatamente superata)
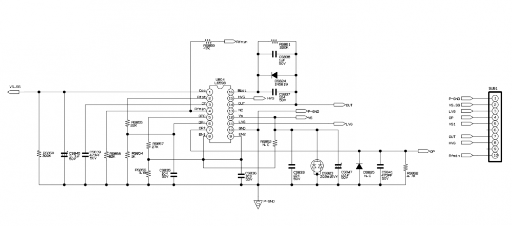
REDCAT2 Inserita: 1 febbraio 2022 Segnala Inserita: 1 febbraio 2022 Riccardo, ti consiglierei di verificare il condensatore elettrolitico CS856 e il diodo DS854. Controllerei anche il CS839 collegato al pin 3 dell' U804. Se fosse disponibile un L6598 per l'U804 potrebbe togliere alcuni dubbi.
Riccardo Ottaviucci Inserita: 1 febbraio 2022 Autore Segnala Inserita: 1 febbraio 2022 grazie gatto rosso, domani li verifico. Ordino anche l'U804 , non costa molto. Ci risentiamo.
3kek1 Inserita: 2 febbraio 2022 Segnala Inserita: 2 febbraio 2022 Anche se forse non cambia molto le cose, annulla quell'assurda modifica che ti hanno consigliato alla RB851 e rimetti la sua originale, poi cmbia il TL431 siglato ICB851 e l'optoisolatore PCB801, con questo dovresti avere di nuovo i 5v, non ti dico altro e non scarico lo schema perché se dovesse il circ. standby alimentare con l'ausiliare il circuito primario dell'alimentatore della VA/VS, essendo forse sballato da quella modifica del cavolo magari ti torna tutto a posto, non contarci troppo..
Dumah Brazorf Inserita: 2 febbraio 2022 Segnala Inserita: 2 febbraio 2022 (modificato) VR800 siamo sicuri funzioni? Modificato: 2 febbraio 2022 da Dumah Brazorf
3kek1 Inserita: 2 febbraio 2022 Segnala Inserita: 2 febbraio 2022 PS: non me ne intendo di plasma ma secondo me non bisognerebbe mai toccare la regolazione VA/VS si rischia qualcosa, è già ottimale, se la tensione non quadra il problema è altrove..
Riccardo Ottaviucci Inserita: 2 febbraio 2022 Autore Segnala Inserita: 2 febbraio 2022 grazie a tutti per gli interventi,provo a rispondere a ciascuno alla luce di nuovi elementi odierni. 4 ore fa, Badciaps ha scritto: annulla quell'assurda modifica che ti hanno consigliato alla RB851 e rimetti la sua originale nessuno me l'ha consigliata,è stata una mia idea studiando i datasheets degli zener programmabili. 4 ore fa, Badciaps ha scritto: poi cmbia il TL431 siglato ICB851 e l'optoisolatore PCB801 e pensi che non lo abbia fatto? Niente,sempre Vstby a 3,3V 4 ore fa, Dumah Brazorf ha scritto: VR800 siamo sicuri funzioni? sì,testato 19 ore fa, REDCAT2 ha scritto: Riccardo, ti consiglierei di verificare il condensatore elettrolitico CS856 e il diodo DS854. fatto,sono OK 19 ore fa, REDCAT2 ha scritto: Controllerei anche il CS839 collegato al pin 3 dell' U804. non potendolo fare per non dissaldare di nuovo la basetta contenente l'U804 incastrata in verticale tra due dissipatoroni, ho saldato sul pin 3 di U804 raggiungibile senza smontare nulla, un ceramico da 390pF. La VS è salita a 200 circa ed è regolabile con VR800. L'immagine però non torna, effetto neve sul verde,ogni tanto righe verticali prima di spegnersi casualmente senza una cadenza come se andasse in protezione e poi si riaccende con musichetta samsung. Di tanto in tanto compare la finestra del canale o meglio del Source. Non risponde al telecomando e alla tastiera,a volte sì ,compare la finestra del volume. Insomma sembra la main impazzita adesso. Staccando l'alimentazione ai Buffer E ed F sottostanti il raster non sembra cambiare,sempre nevischio verdastro,come se non lavorassero. Non ho verificato ancora con oscilloscopio, e sarà la prossima mossa, la pulizia della Vstby e CB855 e CB857. Le altre tensioni generate dalla scheda DC-DC e cioè 5,3 ; Vset ; 6,5V; e quella negativa di -190V ci sono e sono stabili,anche se quella negativa è -175V anzichè -190 Sui buffer ci dovrebbero essere dei fusibili SMD che erò ancora non trovo,essendo scomodissimo andarci a mettere le mani,occorre smontare il telaio con la main per accedervi parzialmente. Fine della seconda puntata
3kek1 Inserita: 2 febbraio 2022 Segnala Inserita: 2 febbraio 2022 Quando è così il discorso cambia, perché hai fatto prob. quello che si doveva fare.. piu o meno, nel senso che è comunque una forzatura che non va bene secondo me , poi ho allargato l'immagine e ho visto che il ICB851 non è un TL431 ma un SL432 e quasi sicuramente cambia il rapporto di cambio, se metti a confronto i datasheet lo vedi, io adesso non ho tempo di leggere tutto.. a dopo..
Dumah Brazorf Inserita: 2 febbraio 2022 Segnala Inserita: 2 febbraio 2022 Effettivamente l'SL432 sembra ben diverso dal TL431. La vref è la metà tanto per dire.
3kek1 Inserita: 2 febbraio 2022 Segnala Inserita: 2 febbraio 2022 (modificato) il rapporto di cambio è indicato anche Delta Vref / Delta Vka, anche un AZ431 è diverso da un TL431.. Modificato: 2 febbraio 2022 da Badciaps
Riccardo Ottaviucci Inserita: 2 febbraio 2022 Autore Segnala Inserita: 2 febbraio 2022 la modifica l'ho pensata dopo aver cambiato l'SL432 col TL431 (perchè non ce l'avevo) ,e vedendo che la tensione Vstby cambiava. Per questo ho modificato la polarizzazione del suo riferimento secondo la formuletta del datasheet. Poi lo cambierò appena lo trovo (non è facile),una volta trovato la causa del problema. Sempre grazie comunque. Domani spero di trovare il tempo di rimetterci le mani lato Buffer
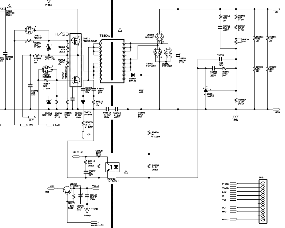
3kek1 Inserita: 2 febbraio 2022 Segnala Inserita: 2 febbraio 2022 (modificato) Io non sono un ingegnere e non entro troppo nel merito ma in merito al fatto che le differenze tra i due chip possono essere piu di una come ho detto penso possano influire su tutto il sistema, perché è il comportamento dinamico dei due che cambia e ingannarli con una resistenza diversa penso non basta.. Se volessi ingannare in un altro modo ti suggerisco questa prova semplice piu a dirsi che a farsi, tieni scollegato l'alimentatore di standby e rimpiazzalo con uno sano da 5v, fai la stessa cosa con uno per l'ausiliario, ovvero ne metti uno che alimenti il ramo alimentato dall'ausiliario, di solito un 12v è ok, tutto questo a masse distinte ovviamente, d solo per prova, la regolazione del trimmer spero che hai segnato la pos. originale come penso vada sempre fatto, e lo rimetti com'era, se il tv funziona bene allora è solo un fatto di sl432 penso, se non funziona ha subito danni da scarica elettrica il che è già evidente e per un plasma del genere che te lo regalano alcuni non penso sia il caso di continuare.. ciao.. PS: praticamente vedendo la prima foto scolleghi il diodo DB805 , connetti il 12v sul catodo di DB807 e la massa alimentatore sulla massa del primario sempre che la prima sia isolata da terra, puoi usare una batteria al piombo, o un alimentatore con ingresso 2 poli, sul secondario connetti i 5v sul catodo di DB864 e la massa alimentatore con quella del secondario.. Modificato: 2 febbraio 2022 da Badciaps
Riccardo Ottaviucci Inserita: 2 febbraio 2022 Autore Segnala Inserita: 2 febbraio 2022 (modificato) 3 ore fa, Badciaps ha scritto: rimpiazzalo con uno sano da 5v, l'avevo già fatto all'inizio dell'intervento e prima di modificare il feedback della Vstby ma era in modo volante e mi sembra che l'intervento della protezione ci fosse ancora. Riproverò in modo più stabile. 3 ore fa, Badciaps ha scritto: la regolazione del trimmer spero che hai segnato la pos. originale come penso vada sempre fatto, e lo rimetti com'era, ovvio La Vcc che alimenta il relè di accensione c'è , fa partire il PFC che a sua volta dà potenza al generatore della Vs che viene generata dal consenso di U804 ,sempre innescata dalla Vcc o meglio dalla Vcc-S generata dopo altri consensi. La partenza di questo TV è data dalla giusta sequenza di tensioni secondo questo diagramma Modificato: 2 febbraio 2022 da Riccardo Ottaviucci
3kek1 Inserita: 2 febbraio 2022 Segnala Inserita: 2 febbraio 2022 dopo uno sguardo veloce allo schema intero ho solo visto che l'alimentazione sul diodo DB807 che dicevo non bastano 12v ma almeno 18 perché poi entrano in un regolatore sembra a 15v quindi ci saranno forse un 3v di caduta..
REDCAT2 Inserita: 2 febbraio 2022 Segnala Inserita: 2 febbraio 2022 L' SL432 è programmabile da 1,24 V a 16 V, la corrente massima è di 30 mA. La tensione di riferimento interna è di 1,24 V. Il TL431 è programmabile fino a 36 V, la corrente massima è di 100 mA. La tensione di riferimento interna è di 2,5 V. Sembrerebbe che il TL431 possa sostituire l' SL432 adattando i resistori di programmazione.
Riccardo Ottaviucci Inserita: 2 febbraio 2022 Autore Segnala Inserita: 2 febbraio 2022 (modificato) 1 ora fa, Badciaps ha scritto: non bastano 12v ma almeno 18 perché poi entrano in un regolatore sembra a 15v quindi ci saranno forse un 3v di caduta.. appunto,ma trimmerizzando la RB851 e portando la Vstby a 5V ,anche i 15V in uscita al regolatore ci sono.Quella tensione serve a comandare il relè di accensione, ad innescare il PFC e alimentare il circuito di consenso alla generazione della Vs attraverso l'IC 804 che non ho,e che ora genera la VS in modo regolare dopo il magheggio sul pin 3. Poi chiederò a quatt'occhi al gatto rosso se conosceva già quel circuito,altrimenti quella dritta così mirata non me la poteva dare 🤣 Ora che ci penso,nella prima fase dell'intervento e prima di accantonarlo per mesi, nell'effettuare misure sul primario dello standby, mi si sono bruciati lo zener da 30V e la RB830 da 2.2ohm e l'ICB802 Serpente velenoso . Poi ho perso un sacco di tempo a capire perchè mancava la PFC con la Vstby a 3,3V,proprio perchè la Vcc era troppo bassa. Buonanotte x ora Modificato: 2 febbraio 2022 da Riccardo Ottaviucci
Riccardo Ottaviucci Inserita: 3 febbraio 2022 Autore Segnala Inserita: 3 febbraio 2022 Telenovela 4° puntata Sono ad un punto morto. Alimentando a 5V stabilizzati tutto il carico di Vstby, staccando ovviamente il diodo DB864 , il TV se ne accorge non so come e ciclicamente il relè interviene con cadenze brevi di uno o due secondi.Forse il lato primario del circuito di stby in qualche modo risente della mancanza di carico sul secondario. Adesso che ci penso ci posso mettere un carico per esempio una lampada da 6V x moto e riprovare la simulazione. Lo farò. Prima della prova ho rimesso la RB861 originale. Rimontato il trimmer e ricollegato il DB864, il TV si accende con l'immagine neve verde fotografata, ogni tanto compare nitido il menu a colori che per un po' si può modificare,la barra del volume che varia e poi sparisce senza motivo e la casella di stato dei programmi in alto a SX.. Se stacco le alimentazioni ai due buffer non cambia nulla. Non ho abbastanza esperienza e casistiche per sapere quale sarebbe il problema in caso di buffer o logic board difettosi (per questo considero questo intervento una fucina didattica). La difficoltà di fare sostituzioni,misure sull'alimentatore e sulle altre schede è enorme,vista la complessità anche meccanica della struttura. Questi TV erano fatti per funzionare 8/10 anni senza problemi e poi portati all'isola ecologica al primo guasto. Però la qualità d'immagine in HDMI di un plasma non ha paragone con quella di un lcd,non c'è che dire ed è per questo che mi piacerebbe recuperarlo.
3kek1 Inserita: 3 febbraio 2022 Segnala Inserita: 3 febbraio 2022 L'SL432 comunque si trova dalla Cina, ebay etc..
Riccardo Ottaviucci Inserita: 4 febbraio 2022 Autore Segnala Inserita: 4 febbraio 2022 in Cina sì,ma su ebay non lo trovo e nemmeno nei grossi distributori tipo RS,Mouser,distrelec ecc. Trovo solo i TL
3kek1 Inserita: 4 febbraio 2022 Segnala Inserita: 4 febbraio 2022 intendevo su ebay dalla Cina, SL432AM
Riccardo Ottaviucci Inserita: 4 febbraio 2022 Autore Segnala Inserita: 4 febbraio 2022 non mettevo AM ,forse per questo non trovavo nulla
3kek1 Inserita: 4 febbraio 2022 Segnala Inserita: 4 febbraio 2022 In verità su alldatasheet cercando sl432 vengono fuori molte varianti, avendo caffè a fiumi si possono cercare tutte.. su ebay con stringhe tipo "(sl432A,sl432am,sl432f,sl432fx.......)"
Riccardo Ottaviucci Inserita: 4 febbraio 2022 Autore Segnala Inserita: 4 febbraio 2022 (modificato) l'unica sembra la AM su ebay,sono 10 pz .Non ne trovo altre. Se il motore di ricerca di ebay ammettesse caratteri jolly,potrei provare col SL432* ma non funziona. C'è un altro particolare che mi confonde di più le idee. Sul diagramma sequenza di accensione,sul grafico della Vstby in un certo istante essa si pone bruscamente a 3,4V ,proprio quella che rilevo io, per resettare il processore. Non capisco chi la forza a quel valore Modificato: 4 febbraio 2022 da Riccardo Ottaviucci
Dumah Brazorf Inserita: 4 febbraio 2022 Segnala Inserita: 4 febbraio 2022 Dev'essere qualcosa sulla main board. Non ho ben capito il diagramma, la cpu viene resettata quando si spegne la tv?
Riccardo Ottaviucci Inserita: 5 febbraio 2022 Autore Segnala Inserita: 5 febbraio 2022 11 ore fa, Dumah Brazorf ha scritto: la cpu viene resettata quando si spegne la tv? credo di sì,ma perchè per un tempo breve la Vstby resta a 3,4V prima di andare a zero? Credo anch'io che la main abbia problemi per come si comporta. Resta il fatto che a vuoto la Vstby deve essere 5 e non 3,4V ,senza modifiche alla RB861
Messaggi consigliati
Crea un account o accedi per commentare
Devi essere un utente per poter lasciare un commento
Crea un account
Registrati per un nuovo account nella nostra comunità. è facile!
Registra un nuovo accountAccedi
Hai già un account? Accedi qui.
Accedi ora