Il Dottore 88 Inserito: 8 marzo 2022 Segnala Inserito: 8 marzo 2022 Salve, avrei la necessità di installare un mt\diff per proteggere la linea 380v che arriva al garage. Usando però vari inverter\saldatrice ecc mi serve che l'apparecchio sia in grado di resistere ai disturbi in modo che non scatti al primo problema. I dati della fornitura sono: linea 380v con 4.5kw di potenza. Il mt\diff verrà installato a circa 30-35 dal quadro generale ma avrà una sua linea dedicata Per il montante prevedevo di usare un cavo fror 4x6mm Guardando sui vari cataloghi non riesco a capire bene quale potrebbe fare al caso mio, l'unica cosa che ho capito (dopo anni di esperienza con la linea monofase ed un AEG elfa HDC90E C32/030) e mi servirebbe qualche cosa di simile solo 3p+n, con portata di 40a (credo possa bastare) sempre antidisturbo. Se qualcuno ha dei modelli in mente o sa dirmi il significato di certe sigle e come riconoscere l'antipertubazione dal normale o che classe dovrei preferire (A,AC,B ecc). gliene sarei grato.
reka Inserita: 8 marzo 2022 Segnala Inserita: 8 marzo 2022 direi tipo B, non credo che serva la specifica "antiperturbazione" o simili in questo caso.. la cosa esiste per i classe A mentre gli F e i B lo sono a prescindere
Il Dottore 88 Inserita: 8 marzo 2022 Autore Segnala Inserita: 8 marzo 2022 (modificato) Questo non lo sapevo. ma come mai allora fanno gli antiperturbazione anche per le altre curve? tu poi mi hai detto di tipo b ma per quanto riguarda la curva invece? qui ho trovato questi: https://search.abb.com/library/Download.aspx?DocumentID=2CSC423030B0901&LanguageCode=it&DocumentPartId=&Action=Launch Questo https://new.abb.com/products/it/2CSR256140R1325/ds203nc-b32-a30 per esempio è praticamente uguale a questo ma cambia il tipo: https://new.abb.com/products/it/2CSR256040R1325/ds203nc-b32-ac30 Quale dovrei preferire? 30ma vanno bene o è meglio uno da 300ma? Modificato: 8 marzo 2022 da Il Dottore 88
reka Inserita: 8 marzo 2022 Segnala Inserita: 8 marzo 2022 tipo B si intende la parte differenziale, i tuoi esempi sono uno tipo AC e uno tipo A ... e come leggi solo per i tipo A esiste la versione APR se prendi un differenziale tipo B è superiore al tipo A -apr le curve invece riguardano la parte termica e si scelgono in base all'utilizzatore che proteggono (motori, linee ecc ecc) anche la sensibilità differenziale non è che si sceglie a caso, dipende da cosa deve proteggere.. in ambito domestico si usa 30mA di solito
Il Dottore 88 Inserita: 8 marzo 2022 Autore Segnala Inserita: 8 marzo 2022 (modificato) Deve proteggere il magazzino\officina (da hobby quindi ovviamente non ci saranno 10 o + macchine attaccate insieme), di questa oltre alle varie luci (neon e faretti alogeni) ci sono macchine monofase (compressore 3cv, trapano e tornio con inverter mono 220 trifase 220 con motori da 2cv max), elettroutensili vari. Avendo poi la trifase se in futuro prendessi qualche altro macchinario lo farei andare con quella o (in base alla macchina con un inverter 380 v). ps: se hai il codice di qualche modello postalo pure che così almeno vedo un po di che si tratta perchè gli unici che ho visto se sono quelli partono da cifre tipo 500 e se è così mi sà proprio che se li possono tenere. Anzi se serve per spendere meno rinuncio al mt e prendo un solo differenziale puro Modificato: 8 marzo 2022 da Il Dottore 88
Elettroplc Inserita: 8 marzo 2022 Segnala Inserita: 8 marzo 2022 Tipo B....? Mah...no. Nel tuo caso il hpr Abb. Oppure MTD singoli. X gli.inverter ci vuole il tipo F. Un bel progetto ed una bella spesa...
Il Dottore 88 Inserita: 8 marzo 2022 Autore Segnala Inserita: 8 marzo 2022 Scusa ora che ho il monofase l'unica protezione che ho a monte nell'impianto è un mt\diff aeg antidistrubo da 32a. Tutto va come dovrebbe anche se ho dovuto disabilitare il filtro degli inverter altrimenti faceva saltare il mt\df. Ora si tratta solo di lasciare l'aeg a protezione del ramo 220 della casa ed aggiungere un mt diff o quant'altro a protezione del quadro del magazzino. Ne più ne meno. Niente progetti, arnesi singoli o spese folli.
piergius Inserita: 9 marzo 2022 Segnala Inserita: 9 marzo 2022 23 ore fa, Il Dottore 88 ha scritto: se serve per spendere meno rinuncio al mt e prendo un solo differenziale puro Infatti presso il Contatore dovrai mettere un Magnetotermico Generale di Impianto C32 tripolare + Neutro. Nel nuovo Quadro : 1) un Differenziale Puro da 40A nominali/30mA con a valle Un M. T. C16 3p+ N e 1 M. T. C16 1p+ N 2) Oppure 1 Sezionatore Quadripolare con a valle Un M. T. D. C16/30mA 3p + N e un M. T.D C16 /30mA Poiché il Contatore è lontano il M. T. Generale Trifase non va nel nuovo Quadro, ma a monte della Linea 4 x 6mmq. La seconda soluzione ritengo sia preferibile per non andare a sommare le Dispersioni causate dai 2 Rami su un unico Differenziale. Ciao !
Il Dottore 88 Inserita: 9 marzo 2022 Autore Segnala Inserita: 9 marzo 2022 (modificato) Grazie ma che tipo di differenziale con che curva? Lo stesso per i mt? Poi da 16 non sono limitati? Ora con queste magari vanno bene ma poi se prendo qualcosa di più grosso con motore dell'ordine 3-4cv il 16 non è troppo poco? O non è meglio prendere delle prese industriali magari da (esempio 32a) e montare fusibili da 16 ed in caso sostituirli con quelli più grandi. i portafusibili costano anche un po me ed i fusibili quasi li regalano. Se il problema sono i cavi alle prese (o le prese stesse) posso sempre sostituirli con il 4mm per le prese e prese 230 di tipo industriale. Ma secondo me non vale la pena mettere mt da 16, almeno un 20...ma forse sbaglio io. Modificato: 9 marzo 2022 da Il Dottore 88
piergius Inserita: 10 marzo 2022 Segnala Inserita: 10 marzo 2022 Erano esempi di tipologie di collegamento in cascata degli Interruttori. Presso il Contatore è obbligatorio un Magnetotermico Generale di Impianto C32 tripolare + Neutro con Potere di Interruzione 10000A. Nel Quadro, da almeno 16 moduli per futuri ampliamenti, è necessario un Interruttore Generale di Quadro : Diff. Puro o Sezionatore secondo gli esempi suddetti. Nel caso di Monofase 230V x 16A sono quasi 4kW; ovviamente Casa e Laboratorio sotto Fasi differenti. Volendo sfruttare al massimo la Potenza anche in Monofase, ti conviene 3p + N anche il secondo M. T. o M. T. D. e dividere le Prese Bipolari tra 2 o 3 Fasi a tua scelta. In Trifase 400V~ la Potenza triplica: 230V x 16A x 3 sono già 11kW. ! (32A circa22kW) Se utilizzi delle Prese Industriali dimensionerai opportunamente M. T. e Fusibili. Buona giornata !
Maurizio Colombi Inserita: 10 marzo 2022 Segnala Inserita: 10 marzo 2022 46 minuti fa, piergius ha scritto: da almeno 16 moduli ...o 12 o 18.
Il Dottore 88 Inserita: 11 marzo 2022 Autore Segnala Inserita: 11 marzo 2022 Ho una domanda riguardo l'alimentazione delle prese. Nel mio caso essendo tutto a livello hobbistico pensavo di realizzare dei quadretti da 3 prese ciascuno con 2 prese industriali da 220 2p+t da (16-32a?) ed una di quelle 380 3p+n+t (da 32a o superiore). A queste l'alimentazione pensavo di farla o con del h07rn-f da 4 o al max 6mm2 per andare sul sicuro. è possible portare un singolo cavo 5g4mm2 o 5g6mm2 e da qui prelevare il 220 per le prese rosse o bisogna per forza portare 220 e 380 separatamente anche se poi nel quadro prendono l'alimentazione sempre dalla linea 380 principale subito in uscita dal diff posto sotto al contatore enel? So che a dividerli si fa meno casino, ma così facendo si risparmierebbero un sacco di cavo e soli extra.
Il Dottore 88 Inserita: 11 marzo 2022 Autore Segnala Inserita: 11 marzo 2022 Magnetotermici e portafusibili poi andrebbero installati direttamente sui quadri a bordo macchina quindi non dovrebbero esserci problemi lasciando le macchine senza protezione.
piergius Inserita: 11 marzo 2022 Segnala Inserita: 11 marzo 2022 Presso il Contatore sarà obbligatorio un Interruttore Generale di Impianto che protegga da Sovraccarico e Corto Circuito le Linee Montanti verso i Quadri, perciò un Magnetotermico. [In base al tipo di posa del Cavo si può mettere subito a valle di esso un Differenziale Selettivo da 0,3A (non da 30mA).] I Differenziali 3p+N da idn 30mA a protezione delle Prese conviene siano sul Quadro nuovo, Invece che lontano dalle stesse. Cosi non dovrai fare la spola tra Generale di Impianto e Magazzino qualora insorgano Dispersioni (o somma di esse) superiori a detta sensibilità. Riguardo PreseeSpine dipende a cosa fornisce o prescrive il Fabbricante delle Apparecchiature. Buona notte !
soltec Inserita: 12 marzo 2022 Segnala Inserita: 12 marzo 2022 7 ore fa, piergius ha scritto: In base al tipo di posa del Cavo si può mettere subito a valle di esso un Differenziale Selettivo da 0,3A (non da 30mA).] Il base al tipo di posa SI DEVE METTERE o no un differenziale .....
Il Dottore 88 Inserita: 12 marzo 2022 Autore Segnala Inserita: 12 marzo 2022 8 ore fa, piergius ha scritto: Riguardo PreseeSpine dipende a cosa fornisce o prescrive il Fabbricante delle Apparecchiature. Buona notte ! Io chiedevo solo se è corretto avere una presa trifase 3p+n+t e da questa "sdoppiando i cavi" ricavare l'alimentazione direttamente nei quadretti o se bisogna per forza portare cavi diversi trifase\monofase. In monofase solitamente si fa un entra esci se ci sono 2-3 prese vicine. Col trifase si può? Questo è solo per dare un idea visto che i collegamenti andranno poi daentro al quadro:
reka Inserita: 12 marzo 2022 Segnala Inserita: 12 marzo 2022 le prese CEI spesso hanno sopra una scatola di derivazione che si usa proprio per fare quei collegamenti.. l'importante è mantenere la stessa sezione di cavo nelle diramazioni per mantenerlo protetto dal MT a monte .. altra cosa, io userei due fasi differenti per alimentare le due prese 230V...
Il Dottore 88 Inserita: 12 marzo 2022 Autore Segnala Inserita: 12 marzo 2022 Probabilmente farò così con le fasi anche perchè una fase volevo riservarla per il vecchio impianto di casa (a 220). Una seconda per l'impianto 220 del magazzino (prendendola dal trifase). Cosi in casa non andrei a modificare niente e terrei subito sotto al contattore tra R e N tutto l'impianto protetto dal mt\diff antidisturbo che già ho. Per il magazzino arriverei al quadro con un cavo 3p+n e a questo assocerei un differenziale puro 3p+n per coprire tuta la linea e da qui poi ricaverei la linea trifase principale con cavo 5g4 o 5g6 per alimentare le prese (e la 220 per le 2p+t). Per non incasinare le cose la casa va sullR mentre il magazzino su S o T.
Il Dottore 88 Inserita: 13 marzo 2022 Autore Segnala Inserita: 13 marzo 2022 Qualcuno sa come vanno montate le prese della palazzoli su queste scatole? https://www.palazzoli.com/it/prodotti/sistemi-elettrici/topter-prese-fisse-in-tecnopolimero-da-16a-a-63a-ip44-e-ip67/cassette-di-fondo-per-installazione-a-paretedi-3-apparecchi-topter-ip55 Le misure della scatola sono 290x115xh86 mentre le prese da 32a hanno una flangia da 88x100. l'ultimo foro a destra sembra andare per le prese con quella flangia ma gli altri due sono troppo piccoli. Come si fa ad installarle su quelle scatole? Serve un adattatore? bisogna installarle senza il coperchio preforato della cassetta?
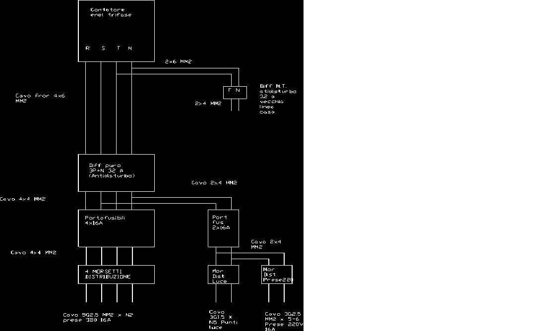
Il Dottore 88 Inserita: 15 marzo 2022 Autore Segnala Inserita: 15 marzo 2022 Ho fatto uno schemino di come dovrebbe essere l'impianto. So che il mt diff 4poli andrebbe subito sotto al contatore ma non essendoci lo spazio necessario devo per forza fare così a meno di non andare prima al quadro garage e poi tornare in dietro con una fase è neutro per ricollegarmi al quadro di casa ma come capite servirebbe un giro di cavo doppio. Quello che resta da stabilire: 1) i collegamenti interni al nuovo quadro e le varie connessioni dai faretti al quadro o dalle spine al quadro saranno realizzati tutti in cavo h07rn-f per la maggiore flessibilità e qualità generale (posa fissa a muro tramite graffette e protetta nei luoghi dove possono esserci scintille o altro) e c'è da capire se le sezioni da me scelte vanno bene. 2) Per le prese industriali vanno bene i 16 A? Tengo a precisare che il motore più potente di cui dispongo è un monofase 3cv (compressore) con un assorbimento max di 12-13(?)A e visto che in 3fase la corrente è molto minore credo che i 16 A per presa vadano bene da quanto ho capito anche per motori trifase fino a 5-6cv no? 3) ho scelto i fusibili invece dei mt perchè a parità hanno un costo molto inferiore. A parte la comodità dei mt nel fatto che se saltano li riarmo subito e via ci sono altre cose che dovrebbero portami a preferirli?
Messaggi consigliati
Crea un account o accedi per commentare
Devi essere un utente per poter lasciare un commento
Crea un account
Registrati per un nuovo account nella nostra comunità. è facile!
Registra un nuovo accountAccedi
Hai già un account? Accedi qui.
Accedi ora