saverio81 Inserito: 27 aprile 2022 Segnala Inserito: 27 aprile 2022 Ciao a tutti, avrei necessità di duplicare una tensione alternata di 5 V 500 Hz in un'altra avente valore 25V sempre 500 Hz . E' possibile con qualche circuito elettronica avere una simile conversione?
Livio Orsini Inserita: 27 aprile 2022 Segnala Inserita: 27 aprile 2022 (modificato) C'è una macchina elettrica conosciuta da oltre un secolo che fa esattamente quello che ti serve: il trasformatore! Ti basta un trasformatore elevatore con rapporto 5==>25, ovvero con rapporto spire 1 a 5. Essendo a frequenza di 500 Hz si può usare un nucluo in ferrite, così che il trasfo risulta particolarmente compatto e leggero. Se non ha necessità di una separazione galvanica puoi usare un autotrasformatore; si tratta di un avvolgimento con presa ad 1/5 in cui immetti la tensione di 5V. L'alternativa è quella di farsi un amplificatore con guadagno 5. Con tutti i problemi di distorsione rendimento etc. Se tu avessi specificato il massimo valore di corrent,e drenabile dal segnale a 25V, avrei potuto darti informazioni più precise sulla soluzione più conveniente. Modificato: 27 aprile 2022 da Livio Orsini
saverio81 Inserita: 27 aprile 2022 Autore Segnala Inserita: 27 aprile 2022 Innanzitutto ti ringrazio per la risposta...si avevo pensato anch'io al trasformatore ma ho rinunciato all'idea perchè non sapevo se il trasformatore potesse garantire all'uscita i 500 Hz; Ora che mi dici del nucleo in ferrite, sarebbe l'ideale ma dove lo reperisco un tale trasformatore con rapporto 1 a 5 e su nucleo in ferrite? La corrente, sono stato frettoloso non l'ho indicata...stiamo sull'ordine di max 50-60 mA nel caso limite in sicurezza proprio 100 mA . In rete ho visto anche amplificatori di tensione che usano operazionali, ma sinceramente non ho le conoscenze per poterne progettare uno. grazie ancora!
saverio81 Inserita: 27 aprile 2022 Autore Segnala Inserita: 27 aprile 2022 Ho dimenticato di aggiungere che la forma d'onda del segnale in ingresso (5V) è a forma quadra...quindi anche il segnale amplificato deve rispettare la stessa forma .
patatino59 Inserita: 27 aprile 2022 Segnala Inserita: 27 aprile 2022 Spiega meglio l'applicazione ! Se il segnale in ingresso deve fornire anche la potenza, allora parliamo di conversione AC-AC, e i discorsi fatti fino ad ora sono corretti. Se invece col segnale in ingresso devi avere in uscita la tensione aumentata, ma la potenza di tale segnale non è sufficiente, allora parliamo di amplificazione di tensione, e la puoi ottenere con un semplice amplificatore audio integrato, alimentato a parte, con almeno 30 + 30 volt (tipo TDA 2030, 2040 e simili)
Livio Orsini Inserita: 28 aprile 2022 Segnala Inserita: 28 aprile 2022 12 ore fa, saverio81 ha scritto: nel caso limite in sicurezza proprio 100 mA . Con questa corrente basta un transistor Darlingtono o, meglio, un Mosfet di media potenza e ottieni la tua amplificazione. In pratica hai necessità di un interruttore. Se spieghi meglio la tua applicazione, come suggerito da Patatino, si potrebbe essere più precisi nelle risposte.
saverio81 Inserita: 28 aprile 2022 Autore Segnala Inserita: 28 aprile 2022 Si, certo, sono stato poco chiaro...... Vedo se riesco a dare informazioni più chiare. L'applicazione è per un esperimento su cella elettrochimica, dove normalmente applico una tensione di 5 V frequenza 500 Hz forma d'onda quadra. La corrente che circola non supera i 100 mA. Attualmente per una serie di prove da attuare , ho necessità di applicare agli elettrodi della cella elettrochimica una tensione , di pari frequenza (500Hz) pari forma d'onda (quadra) stessa corrente (al max non superiore ai 100 mA) ma con tensione più alta ovvero 25V. Penso che un trasformatore come aveva accennato Livio sia sufficiente (penso) ma se così fosse , dove reperirlo...se invece si può risolvere con un dispositivo elettronico che dia quelle caratteristiche, mi metterei subito all'opera per realizzarlo.
Livio Orsini Inserita: 28 aprile 2022 Segnala Inserita: 28 aprile 2022 (modificato) Se laforma d'onda deve essere quandra, meglio non usare un trasfo, apparecchio che comunque andrebbe realizzato appositamente. Molto più semplice usare un transistor come interruttore, pilotato dalla tensione di 5V. La tensione di 25V di alimentazione andrà collegata con il positivo ad un polo della cella, l'altro polo della cella si collega al collettore del transistor. Il trnasitor apre e chiude seguendo fedelmente il segnale di pilotaggio; sulla cella ci sarà il medeismo segnale ma con ampiezza pari a 5V. non vorrei offenderti, ma se vuoi ti pubblico il circuitino. Modificato: 28 aprile 2022 da Livio Orsini
saverio81 Inserita: 28 aprile 2022 Autore Segnala Inserita: 28 aprile 2022 Livio, mi faresti non un grande ma grandissimo piacere.
Livio Orsini Inserita: 28 aprile 2022 Segnala Inserita: 28 aprile 2022 Oggi o domani in mattinata pubblico lo schemino. Il circuito lomprovo al simulatore anche se è veramente minimo.
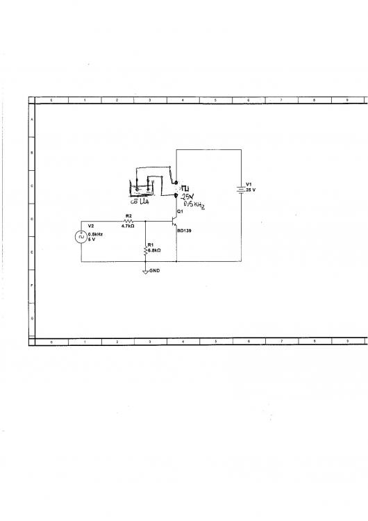
Livio Orsini Inserita: 28 aprile 2022 Segnala Inserita: 28 aprile 2022 Amplificator 5==>25 Questo è lo schema, è veramente poca roba. Al posto del resistore da 250ohm ci va òa cella.
saverio81 Inserita: 28 aprile 2022 Autore Segnala Inserita: 28 aprile 2022 Vedo di di recuperare tutti (pochi) componenti e di realizzarlo su una basetta millefori.... Solo qualche chiarimento: non ho compreso il significato di V1 ; la cella (ovvero i 25V che servono) devo collegarla tra il collettore di Q1 e ...cosa? V1 il cui simbolo è una batteria, significa che devo predisporre una alimentazione esterna? Si, la cella va al posto di R3 ma è l'altro capo di R3 che non riesco a capire.... Se la tensione in ingresso è alternata , il simbolo + su V2 quale significato assume? Livio, ti ringrazio. Vedo subito di procurarmi i componenti.
Livio Orsini Inserita: 29 aprile 2022 Segnala Inserita: 29 aprile 2022 V1 è il segnale a 5Vpp 500Hz che hai attualmente. Con questo piloti il transistor. Togli il resistore da 250 ohm e metti la cella. Quella che è indicata come batteria a 25V non è altro che un alimentatore in continua.
max.bocca Inserita: 29 aprile 2022 Segnala Inserita: 29 aprile 2022 @Livio Orsini non ho capito bene cosa vuole, una cosa del genere mi è stata chiesta anni fa ma serviva che aveva una seminuda positiva e una negativa, quindi ho usato ponte H alimentato a +/- 24V per avere i 48Vpp, oppure a 24V per avere 24Vpp ma con inversione di polarità.
saverio81 Inserita: 29 aprile 2022 Autore Segnala Inserita: 29 aprile 2022 Come da schema, giusto per avere conferma. Perfetto Livio , ti ringrazio.
Livio Orsini Inserita: 29 aprile 2022 Segnala Inserita: 29 aprile 2022 Si è così. Curiosità mia: cosa fa quella cella elettrochimica?
saverio81 Inserita: 29 aprile 2022 Autore Segnala Inserita: 29 aprile 2022 Osserviamo una reazione elettrochimica, ovvero elettrodeposizione di argento utilizzando un sale sempre di argento disciolto in soluzione specifica; controllando la quantità deposita, tempo, ecc. ; se i risultati che vogliamo ottenere si avvicinano a quelli preventivati in teoria, si passa a uno step successivo dove possiamo utlizzare apparecchiature più performanti a conferma dei risultati ottenuti.
Dumah Brazorf Inserita: 29 aprile 2022 Segnala Inserita: 29 aprile 2022 4 hours ago, max.bocca said: una cosa del genere mi è stata chiesta anni fa ma serviva che aveva una seminuda positiva... vecchio porco...
max.bocca Inserita: 30 aprile 2022 Segnala Inserita: 30 aprile 2022 On 4/29/2022 at 12:26 PM, Dumah Brazorf said: vecchio porco... Oppps intendevo semi onda!!!! Quando si scrive in treno....
Domenico Maschio Inserita: 30 aprile 2022 Segnala Inserita: 30 aprile 2022 Il 29/4/2022 alle 06:24 , Livio Orsini ha scritto: V1 è il segnale a 5Vpp 500Hz che hai attualmente. Livio vuoi dire V2 ?
Peper Inserita: 30 aprile 2022 Segnala Inserita: 30 aprile 2022 7 minuti fa, Domenico Maschio ha scritto: Il 29/4/2022 alle 06:24 , Livio Orsini ha scritto: V1 è il segnale a 5Vpp 500Hz che hai attualmente. Livio vuoi dire V2 ? Si e' confuso!
Livio Orsini Inserita: 1 maggio 2022 Segnala Inserita: 1 maggio 2022 Il 29/4/2022 alle 12:24 , saverio81 ha scritto: Osserviamo una reazione elettrochimica,.... Grazie dell'informazione, io sono sempre stato molto curioso.🙂 9 ore fa, Domenico Maschio ha scritto: Livio vuoi dire V2 ? Certamente. L'ho scritto senza guardare il disegno, essendo l'ingresso l'ho automaticamente associato a V1
Messaggi consigliati
Crea un account o accedi per commentare
Devi essere un utente per poter lasciare un commento
Crea un account
Registrati per un nuovo account nella nostra comunità. è facile!
Registra un nuovo accountAccedi
Hai già un account? Accedi qui.
Accedi ora