pierolampedusa Inserito: 5 maggio 2022 Segnala Inserito: 5 maggio 2022 TV Samsung LE32C530 solo led acceso ma il tv non si accende, da un controllo mancano la 13 e la 24 volt se gli do la 13 volt dall'alimentatore la tv si sente e risponde ai comadi ma non si illumina perche manca anche la 24 volt potete aiutarmi. grazie
pierolampedusa Inserita: 5 maggio 2022 Autore Segnala Inserita: 5 maggio 2022 Buona Sera, grazie per il suggerimento, cosa intendi PS-ON portare questo punto a massa o dare una 5 volt? scusa mi ero dimenticato a dire che sulla scheda alimentatore ho trovato ICM801 scoppiato ed è nel ramo che genera la 13 e la 24 volt, l'ho sostituito con uno prelevato da una scheda uguale ma guasta, e il risultato non è cambiato.
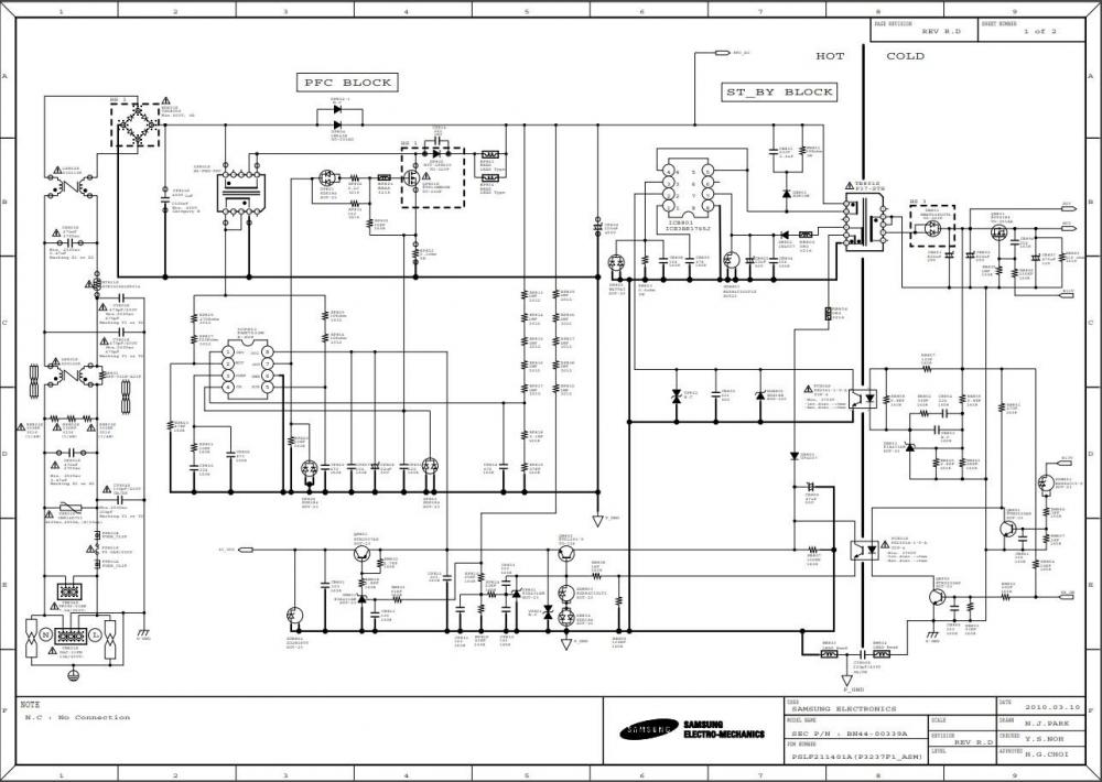
pierolampedusa Inserita: 5 maggio 2022 Autore Segnala Inserita: 5 maggio 2022 allego ffoto schema eletrico alimentatore
Riccardo Ottaviucci Inserita: 6 maggio 2022 Segnala Inserita: 6 maggio 2022 il guasto è sicuramente sul PS. Se non risolvi facilmente cerca tutta la scheda ,ormai costano poco perchè nessuno ripara più certi TV datati
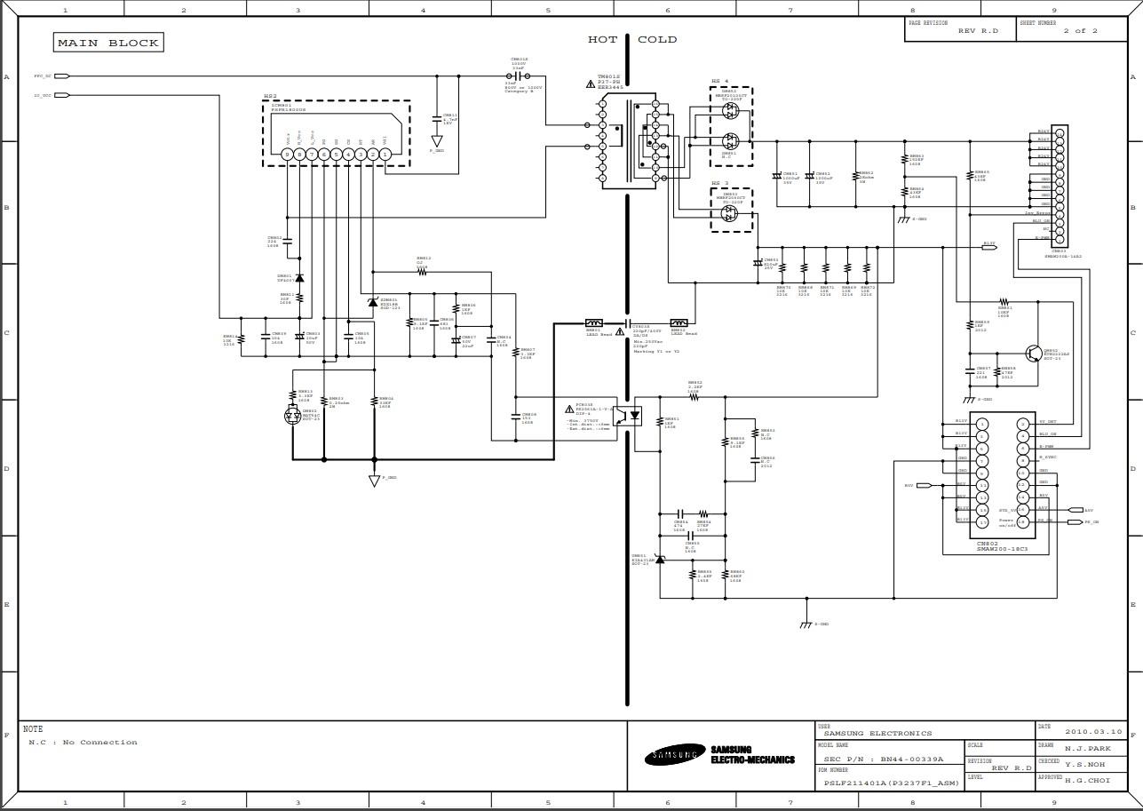
pierolampedusa Inserita: 6 maggio 2022 Autore Segnala Inserita: 6 maggio 2022 allego ffoto schema eletrico alimentatore
pierolampedusa Inserita: 6 maggio 2022 Autore Segnala Inserita: 6 maggio 2022 Buon giorno e grazie, si è quello che farò, anche se il TV a fine anno ci vorrà il decoder esterno, pazienza grazie ancora
Messaggi consigliati
Crea un account o accedi per commentare
Devi essere un utente per poter lasciare un commento
Crea un account
Registrati per un nuovo account nella nostra comunità. è facile!
Registra un nuovo accountAccedi
Hai già un account? Accedi qui.
Accedi ora