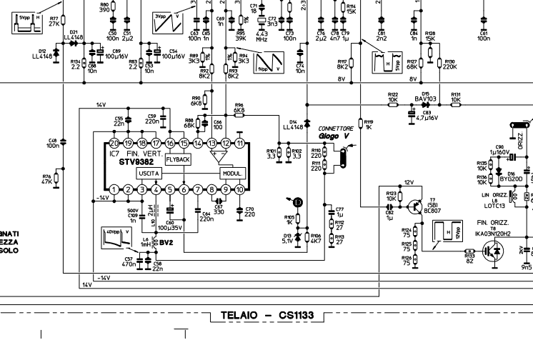
Libratron Inserito: 11 giugno 2022 Segnala Inserito: 11 giugno 2022 (modificato) Salve, a tutti, cerco lo schema di questo chassis. sapete dove posso trovarlo? Ho visto quelo su elektrotanya ma è tagliato sulla parte che più mi serve (verticale). Grazie, Libratron Modificato: 11 giugno 2022 da Libratron
Riccardo Ottaviucci Inserita: 11 giugno 2022 Segnala Inserita: 11 giugno 2022 se hai il modello del TV faccio prima a ricercarlo
Riccardo Ottaviucci Inserita: 12 giugno 2022 Segnala Inserita: 12 giugno 2022 prova qui, è nella sezione download del nostro sito
Libratron Inserita: 12 giugno 2022 Autore Segnala Inserita: 12 giugno 2022 Grazie Riccardo ma è lo stesso di elektrotanya tagliato sulla parte centrale. Vedrò cosa posso fare. Grazie ancora, Libratron
Libratron Inserita: 12 giugno 2022 Autore Segnala Inserita: 12 giugno 2022 Grazie Riccardo. Libratron
Libratron Inserita: 12 febbraio 2023 Autore Segnala Inserita: 12 febbraio 2023 Salve a tutti. Riprendo il thread per confermare l'irreparabilità del tv, il tubo ha una o più griglie in corto. Mi ha aiutato molto Riccardo nel troubleshooting e lo Ringrazio moltissimo. Un saluto, Libra
Messaggi consigliati
Crea un account o accedi per commentare
Devi essere un utente per poter lasciare un commento
Crea un account
Registrati per un nuovo account nella nostra comunità. è facile!
Registra un nuovo accountAccedi
Hai già un account? Accedi qui.
Accedi ora