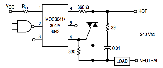
dxtech Inserito: 21 settembre 2022 Segnala Inserito: 21 settembre 2022 Salve a tutti. In questo schema, come vengono dimensionate le resistenze di 330 e 360 Ohm? In base a cosa e quale calcolo viene effettuato? Qualche altro schema mostra valori anche diversi (180 ohm o 720 ohm). Grazie a chi mi da qualche dritta e delucidazione in merito.
Ctec Inserita: 21 settembre 2022 Segnala Inserita: 21 settembre 2022 In base alla corrente di gate del triac. La 360 limita la corrente di accensione (che ovviamente non deve superare la massima sopportabile dal MOC), la 330 seve a farlo spegnere.
patatino59 Inserita: 21 settembre 2022 Segnala Inserita: 21 settembre 2022 (modificato) Il valore delle resistenze dipende dalla sensibilità del Triac impiegato. Sul datasheet dovrebbero esserci delle indicazioni di massimo e minimo valore. Quella sul 4, oltre a spegnerlo, impedisce l'innesco di un triac troppo sensibile, e può essere aumentata, anche di molto. Quella sul 6 ha il compito di innescare il Triac, e può essere diminuita nel caso di un Triac "sordo", fino a 150 Ohm Modificato: 21 settembre 2022 da patatino59
Livio Orsini Inserita: 21 settembre 2022 Segnala Inserita: 21 settembre 2022 (modificato) Quelli sonoi valori consigliati dal datasheet, servono sia a limitare la corrente che scorre nel triac interno, al momento dell'accensione. In particolare la 360 ohm limita la corrente gate per il triac esterno; in funzione della sensibilità di questo si può aumentare o diminuire. La 330 ohm serve a tenere spendo il triac, quando il MOC non conduce. PS ho visto che aveva già risposto Andrea e Patatino Modificato: 21 settembre 2022 da Livio Orsini
max.bocca Inserita: 21 settembre 2022 Segnala Inserita: 21 settembre 2022 Ogni costruttore indica nel data sheet dei valori sia per alimentazione classe 100V (tipico 110V) e classe 200V (220/240V) a frequenza 50/60Hz.. anche lo snubber è calcolato su in impiego teorico indicato.
dxtech Inserita: 21 settembre 2022 Autore Segnala Inserita: 21 settembre 2022 Cose che non capisco: 1) Per semplicità assumiamo di avere una tensione pari a 12V - Perché se devo limitare la corrente ad un led dimensiono la resistenza nel seguente modo: Tensione d'Ingresso = 12V; Tensione Led = 2V; Corrente Led = 10 mA Resistenza = (12-2)V / 10mA = 1kOhm [In questo caso devo far "cadere" la tensione di 10V e limitare la corrente a 10mA] Mentre se devo limitare la tensione e corrente al Gate di un Triac il calcolo non è Tensione d'Ingresso = 12V; Tensione Gate = 2V; Corrente Gate = 10 mA [Per semplicità ho messo gli stessi dati del led - non sono da datasheet] Resistenza = (12-2)V / 10mA = 1kOhm ma, invece è Resistenza = 2V / 10mA = 200 Ohm 2) Ritornando allo schema da me precedentemente postato: Quando il circuito è nello stato di ON, il resistore da 330 Ohm, non diventa "collegato in parallelo" a quello da 360 Ohm (diventando così un unico resistore da 172 Ohm), visto e considerato che sia tra i terminali del Diac e sia tra i terminali MT2 e MT1 del Triac può esserci il passaggio di corrente? Quando invece il circuito è nello stato di OFF (l'opto non permette il passaggio di corrente), non può verificarsi che a causa del resistore da 330 Ohm passi corrente nel gate (a maggior ragione se il carico in serie è "piccolo" ed il Triac passa in ON? 3) A questo punto, come calcolo la potenza che deve dissipare il resistore tra Gate ed MT1 (in questo caso quello da 330)? Online ho visto un tizio che per calcolare questo resistore faceva: 250V *1,4142 = 353,55 --> (353,55 * 1^2) = 353,55 Ohm --> Resistore da 360 Ohm (negli schemi infatti vedo sempre 330 o 360 Ohm) 250V e 1A sono tensione e corrente massima sopportata dal MOC.. Scusate il mio logorroico trattato, ma non sono il tipo da copia ed incolla, bensì vorrei capire i meccanismi! Grazie mille a chi mi aiuterà dedicandomi il suo prezioso tempo
max.bocca Inserita: 22 settembre 2022 Segnala Inserita: 22 settembre 2022 Se guardi il data sheet Motorola del 3040 fa vedere 51 e 330ohm. Devi calcolare nella resistenza passa corrente "elevata" solo se arriva il comando ed è appena passata la tensione per lo zero perché a questo punto il triac va in conduzione e quindi ai sui capi la tensione diventa piccolissima. Mentre se non è in condizione il circuito nelle due resistenze passa la corrente che alimenta la logica che è dichiarata dal costruttore (uA).
dxtech Inserita: 22 settembre 2022 Autore Segnala Inserita: 22 settembre 2022 Quindi @max.boccacome faccio a calcolarmi la potenzapotenil resistore deve dissipare?
patatino59 Inserita: 23 settembre 2022 Segnala Inserita: 23 settembre 2022 Le correnti nelle resistenze di polarizzazione e comando sono irrisorie. Puoi usare resistori da 1/4 W o componenti chip smd.
max.bocca Inserita: 24 settembre 2022 Segnala Inserita: 24 settembre 2022 Magari quello dello snubber da 1 o 2W... come la tensione del condensatore. Io ho sempre visto così... comunque è facilmente calcolabile. V/(Xc+R) trovi a corrente, I^2*R=P
dxtech Inserita: 25 settembre 2022 Autore Segnala Inserita: 25 settembre 2022 Grazie mille! Siete stati molto gentili
Messaggi consigliati
Crea un account o accedi per commentare
Devi essere un utente per poter lasciare un commento
Crea un account
Registrati per un nuovo account nella nostra comunità. è facile!
Registra un nuovo accountAccedi
Hai già un account? Accedi qui.
Accedi ora