berretto77 Inserito: 22 settembre 2022 Segnala Inserito: 22 settembre 2022 Ciao ragazzi! Grazie di fornire sempre un cosi valido strumento alla comunita e la vostra esperienza. Nel mio cortile, diviso tra varie famiglie abbiamo un impianto citofonico Comelit, solo voce e vecchio 4+n. Da qualche tempo non si sente piu la voce all'esterno. si sente correttamente da fuori fino agli appartamenti ma non si sente la voce da appartamenti ad unita esterna. Cercando ho visto che impianto é come questo con unita esterna 1600 e unita interne 2602. Mi sapete dare qualche dritta su cosa puo essere o su cosa testare?
mrgianfranco Inserita: 22 settembre 2022 Segnala Inserita: 22 settembre 2022 Potrebbe essere l unità esterna il problema, spesso è proprio l altoparlante che si rovina ma non sempre si riesce a trovare un ricambio compatibile
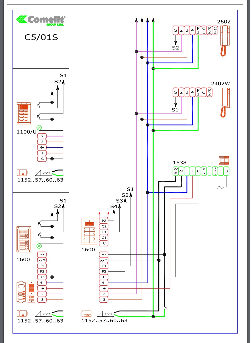
berretto77 Inserita: 22 settembre 2022 Autore Segnala Inserita: 22 settembre 2022 Scusa mi é partito il mex prima di poterlo completare!! Cercando ho visto che l'impianto é come questo allegato, con unita esterna 1600 e unita interne 2602. Mi sapete dare qualche dritta su cosa puo essere o su cosa testare? Pensavo di sostituire l'unita 1600 essendo un problema comune ma vorrei essere prima sicuro che non sia altro. Come prima pensavo di misurare le alimentazioni ma non capisco alcune cose, i miei dubbi sono: 1. Alternata 12V la dovrei trovare tra i due simboli dell"alternata che immagino siano uscita trasformatore (asterisco cos'é?), invece la continua tra + e - dovrei avere un 12V DC (-6 e +6) o la misuro relativa a C ? Il C, sta per comune? Dentro é connesso al negativo del 6 ed uno dei punti dell'alternata? 2. Spulciando il forum ho trovato un suggerimento per un vecchio Urmet che diceva di misurare la tensione tra "6-1" e "6-2" che credo si traduca in un comelit come nella tensione tra C-2 e C-3: "Comune e speaker" e "comune e microfono", é giusto? Ho fatto questa prova nell'unita interna di casa mia e trovo: C-2 = 9V (se chiudo la cornetta) C-2 = 2V (se apro cornetta) C-3 = 0V se chiudo o apro (forse qui il problema???)
ROBY 73 Inserita: 22 settembre 2022 Segnala Inserita: 22 settembre 2022 (modificato) Ciao berretto77, 2 ore fa, berretto77 ha scritto: 1. Alternata 12V la dovrei trovare tra i due simboli dell"alternata che immagino siano uscita trasformatore (asterisco cos'é?), invece la continua tra + e - dovrei avere un 12V DC (-6 e +6) Se guardi lo schema che hai postato tu e anche questo: https://staticpro.comelitgroup.com/storage/2018/09/8407/FT_CCT_01.pdf e anche la scheda tecnica: https://staticpro.comelitgroup.com/it-it/datasheets/12040-1538.pdf vedrai che tra i due simboli alternata ci devono essere 12VAC, poi probabilmente arriveranno anche a 14-15V, (ma non c'è nessunissimo problema, anzi meglio così, un paio di Volt in più fanno bene soprattutto per l'apertura della serratura) Per i simboli della Tensione Continua invece + e - (e li chiamerei proprio così, senza aggiungere il "6" che appartiene alla Urmet, altrimenti si rischia di fare confusione), devi trovare 10VDC e questi dovrebbero essere all'incirca corretti, (poi dipende anche dalla precisione e tolleranza dello strumento di misura). Fai le misure prima subito sotto l'alimentatore e poi sul posto esterno per vedere se per caso ci sono cadute di tensione 2 ore fa, berretto77 ha scritto: Il C, sta per comune? Dentro é connesso al negativo del 6 ed uno dei punti dell'alternata? Non conosco benissimo Comelit, comunque. il morsetto "C" è il comune dei pulsanti campanelli e dovrebbe essere quello che fornisce il segnale della chiasmata elettronica sui citofoni interni; infatti, se provi a scollegarlo nel posto esterno e poi premere i pulsanti dei campanelli non dovresti sentire nessun suono all'interno. 2 ore fa, berretto77 ha scritto: 2. Spulciando il forum ho trovato un suggerimento per un vecchio Urmet che diceva di misurare la tensione tra "6-1" e "6-2" che credo si traduca in un comelit come nella tensione tra C-2 e C-3: "Comune e speaker" e "comune e microfono", é giusto? Ho fatto questa prova nell'unita interna di casa mia e trovo:................ Non so a cosa si riferiscano di preciso quei valori, ma credo che non abbiano "né capo né coda", vedi risposte precedenti. Ad ogni modo, se vedi che le tensioni sono corrette, come già detto anche da mrgianfranco presumo che il problema sia sull'altoparlante del posto esterno 1600, di solito è sempre il primo "imputato", casomai aprilo e misura la resistenza del solo altoparlante e casomai cercane uno uguale. Modificato: 22 settembre 2022 da ROBY 73
berretto77 Inserita: 23 settembre 2022 Autore Segnala Inserita: 23 settembre 2022 Grazie mille @ROBY 73 e @mrgianfranco! do una controllata e vi faccio sapere come procede !! @ROBY 73, per le tensioni misurarate pensavo fosse la tensione citofonica in entrata e uscita (che mi aspetto cada poi sui rispettivi altoparlanti) perché presa sulle linee voce ingresso e uscita (sempre rispetto al comune che credo valga anche per l’eletttronica… sbaglio?) a corvetta alzata e quindi comunicazione attiva. Altoparlante, se non sbaglio, è un normale 8 ohm. In genere in rottura apre o chiude?
mrgianfranco Inserita: 23 settembre 2022 Segnala Inserita: 23 settembre 2022 2 ore fa, berretto77 ha scritto: Altoparlante, se non sbaglio, è un normale 8 ohm. In genere in rottura apre o chiude? se lo testi in continuità già dovresti sentirlo "mugugnare"...in alternativa il vecchio caro sistema della batteria AA !
Messaggi consigliati
Crea un account o accedi per commentare
Devi essere un utente per poter lasciare un commento
Crea un account
Registrati per un nuovo account nella nostra comunità. è facile!
Registra un nuovo accountAccedi
Hai già un account? Accedi qui.
Accedi ora