Vai al contenuto

Messaggi consigliati

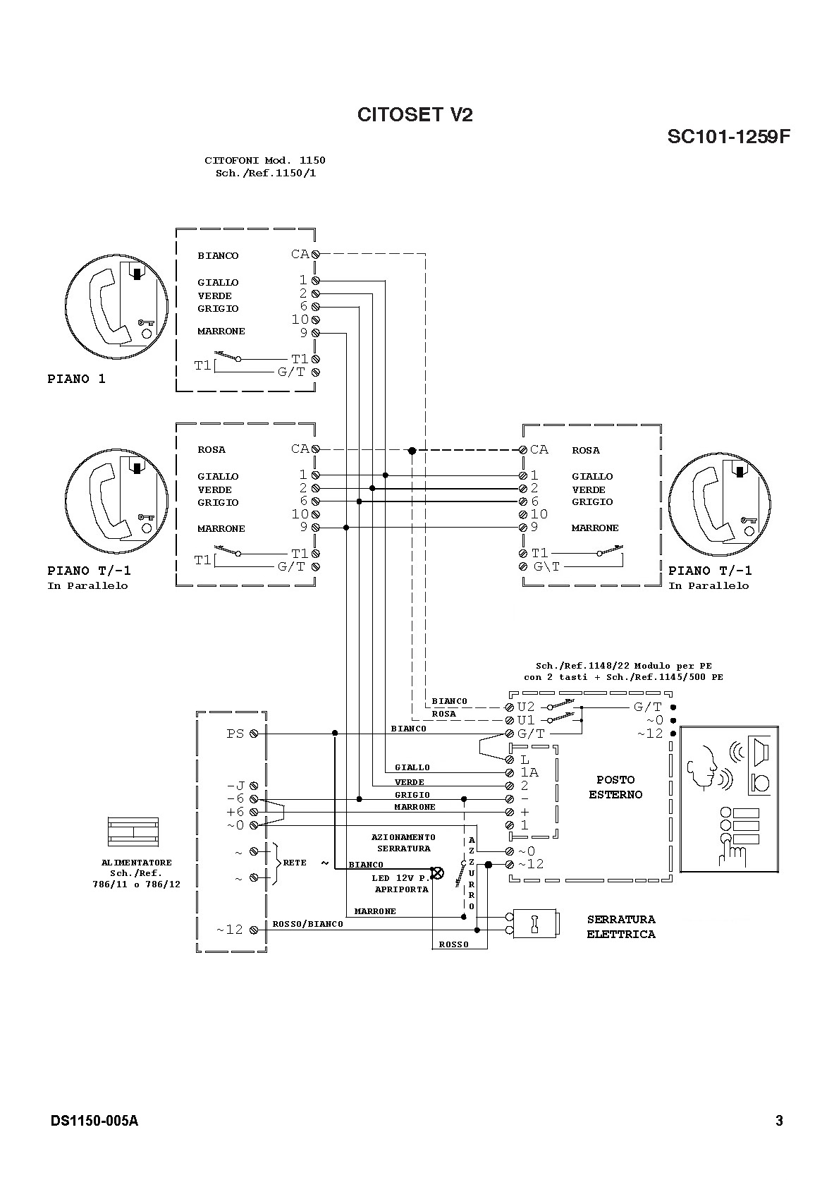
Inserito:

Salve, ho la necessità di trasformare l'impianto esistente, composto dall'Urmet Citoset V2 composto da: PE Sinthesi S2 Sch./Ref. 1148/22, Alimentatore 786/11, 3 Citofoni Mirò 1150/1 di cui 2 posti in parallelo (schema allegato), in intercomunicante. Mi rendo conto che l'argomento è già stato trattato in discussioni analoghe, anche datate ma con apparecchiature simili, ma purtroppo non riesco a visualizzare le immagini inserite, esplicative dei collegamenti necessari, oltretutto vista la mia scarsa dimestichezza con la materia, non riesco a valutare cosa fare dagli schemari riassuntivi. L'unica cosa che credo di aver capito dalle precedenti discussioni è che per evitare la sostituzione dell'alimentatore 786/11 con il 786/15, più onerosa, per rendere comunque impossibile l'ascolto dal PE, potrei cavarmela con l'inserimento del mudulo 788/51.

Ringrazio sin da ora chi potesse indicarmi come inserirlo e come collegarlo nello schema allegato, tenuto conto che le due cornette in parallelo dovrebbero continuare a funzionare nello stesso modo. 

Citoset V2 1150 - Schema SC101-1259F.jpg

Crea un account o accedi per commentare

Devi essere un utente per poter lasciare un commento

Crea un account

Registrati per un nuovo account nella nostra comunità. è facile!

Registra un nuovo account

Accedi

Hai già un account? Accedi qui.

Accedi ora
×
×
  • Crea nuovo/a...