Vincio3 Inserito: 13 dicembre 2022 Segnala Inserito: 13 dicembre 2022 Salve a tutti, bentrovati sono nuovo nel forum e mi presento con un quesito: ho chiamato un tecnico Fujitsu per controllare un impianto Multisplit Quadri (indoor ASY12LMACW/ASY9LMACW - outdoor AOY30LMAW4) che non emette aria calda quando richiesto. Premetto che l'impianto dalla sua istallazione, nel 2013 non è praticamente mai stato usato. Inoltre l'unità esterna è montata in un posto molto scomodo da raggiungere, specialmente i collettori laterali (le valvole??) delle tubazioni sono a circa 15 cm dal muro e non permettono di agire facilmente. Il suddetto tecnico si presenta, mi fa accendere un paio di split in modalità HEAT a 27 gradi, aspetta che la ventola parta, che il compressore inizi a "ronzare" poi dopo circa 6-7 min si ferma tutto e dopo un 2 minuti riparte ripetendo la stessa routine. A questo punto, sicuro di sé: io questi impianti li conosco bene, il mio orecchio mi dice che è il compressore rotto. Non c'è nulla da fare se non sostituire tutto l'impianto visto che non si trova il ricambio dell'unità esterna in quanto ormai fuori mercato. Mi saluta, ovviamente solo dopo aver ricevuto il compenso per la chiamata. Io nel frattempo mi sono scaricato ogni manuale e ogni possibile documento per, almeno, cercare di avviare la diagnostica e sapere se davvero il compressore è rotto o meno. Il problema è che le unità interne mi restituiscono tutte e 4 lo stesso lampeggio (4 RED e GREEN veloce - tengo premuto Manual/Auto per 10 secondi) mentre per l'unità esterna non saprei come avere il feedback della diagnostica. C'è un piccolo bottoncino sul PCB in alto a sinistra, lo tengo premuto e si illuminano tutti e 4 i led rossi, ma non ho trovato riscontro sui vari manuali service. Qualcuno potrebbe aiutarmi in merito? Grazie infinite Vincenzo
Alessio Menditto Inserita: 13 dicembre 2022 Segnala Inserita: 13 dicembre 2022 Purtroppo quando si montano ì clima raramente si pensa al tecnico che dovrà intervenire per una eventuale riparazione o verifica, li bisogna arrivare alla macchina esterna, mettere i manometri, aprire il pannello laterale, vedere cosa succede vicino al compressore ecc ecc. Diagnosi così a orecchio possono essere giuste o sbagliate ma intanto tu hai il clima che non funziona. Quando manca la professionalità SIA di monta la macchina SIA di chi la controlla, succedono queste cose.
Vincio3 Inserita: 13 dicembre 2022 Autore Segnala Inserita: 13 dicembre 2022 Mi sto leggendo tutti i post Fujitsu di questo meraviglioso forum... Ho trovato questo: Ora non vedo l'ora di provare a cercare un faston allentato o messo male! Hai visto mai... Nel mio caso comunque i led sul PCB sono 4 ACCESI LAMPEGGIANTI (dopo aver tenuto premuto il pulsantino sull'UE), ma forse ho sbagliato io la procedura
dodex Inserita: 14 dicembre 2022 Segnala Inserita: 14 dicembre 2022 ciao pure io ho avuto il mio da fare in modalaita' heat su un condizionatore on/off (quindi non inverter), letta cosi' pero' fornisci poche indicazioni, non si e' capito: il compressore parte secondo te? e poi se parte in quei minuti che aria esce dalla unita' interna? fredda o tiepida o non esce proprio? il fatto che fermi il ciclo e poi riparta in inverno e' normale perche' partono i cicli di sbrinamento,il problema e' che se dopo almeno 10/15 minuti non esce aria calda, perche' a regime spiegano che in inverno ci voglio una decina di minuti prima di far arrivare aria calda.
Vincio3 Inserita: 14 dicembre 2022 Autore Segnala Inserita: 14 dicembre 2022 32 minuti fa, dodex ha scritto: ciao pure io ho avuto il mio da fare in modalaita' heat su un condizionatore on/off (quindi non inverter), letta cosi' pero' fornisci poche indicazioni, non si e' capito: il compressore parte secondo te? e poi se parte in quei minuti che aria esce dalla unita' interna? fredda o tiepida o non esce proprio? il fatto che fermi il ciclo e poi riparta in inverno e' normale perche' partono i cicli di sbrinamento,il problema e' che se dopo almeno 10/15 minuti non esce aria calda, perche' a regime spiegano che in inverno ci voglio una decina di minuti prima di far arrivare aria calda. Il mio orecchio non è così esperto, ma il tipico ronzio del compressore che parte lo sento. In quei primi minuti però non esce alcuna aria dalle UI. Penso sia proprio la fase di "riscaldamento" del sistema. Questa UE è inverter, ma sinceramente non credo faccia differenza in relazione a questo problema. Ho provato anche a lasciarli accesi per 1 ora, ma nulla non esce aria alcuna. Domani dovrei avere il tempo di andare a provare a smontare la scheda e controllare tutti i collegamenti come da video postato da Piero_80 poi vi saprò dire meglio...
Alessio Menditto Inserita: 14 dicembre 2022 Segnala Inserita: 14 dicembre 2022 Beh un tecnico che non riconosce il tempo di riscaldamento…
dodex Inserita: 14 dicembre 2022 Segnala Inserita: 14 dicembre 2022 26 minuti fa, Vincio3 ha scritto: Il mio orecchio non è così esperto, ma il tipico ronzio del compressore che parte lo sento. In quei primi minuti però non esce alcuna aria dalle UI. Penso sia proprio la fase di "riscaldamento" del sistema. Questa UE è inverter, ma sinceramente non credo faccia differenza in relazione a questo problema. Ho provato anche a lasciarli accesi per 1 ora, ma nulla non esce aria alcuna. Domani dovrei avere il tempo di andare a provare a smontare la scheda e controllare tutti i collegamenti come da video postato da Piero_80 poi vi saprò dire meglio... ok se parte il ronzio non siamo messi malaccio, quindi aver "escluso" il compressore siamo gia' a buon punto, ora non hai spiegato se il clima funziona almeno in raffreddamento (e' importante capire se non e' un problema di gas o di condensatori), non hai detto se provi su tutte le 4 macchine indoor, il tecnico dice che ti ha fatto accendere un paio di split, io direi di iniziare a fare le prove solo su uno split per non complicarci la vita, e magari lo split piu' vicino alla macchina esterna, sul mio condizionatore alle volte andava in crisi semplicemente per la lettura del segnale del telecomando, ossia, essendomi caduto diverse volte il telecomando alle volte non leggeva il segnale correttamente, quindi io direi stacca la corrette del condizionatore x 5 minuti, fai un reset anche del telecomando, riattacchi tutto reimposti il telecomando, metti in modalita' heat con velocita' minima e temperatura massima tutto in manuale, e fai partire,aspetti una decina di minuti e ci fai sapere,che magari passiamo allo step 2.. io attuavo col mio un'altra procedura se con questa ultima non andava
Vincio3 Inserita: 14 dicembre 2022 Autore Segnala Inserita: 14 dicembre 2022 8 minuti fa, dodex ha scritto: ok se parte il ronzio non siamo messi malaccio, quindi aver "escluso" il compressore siamo gia' a buon punto, ora non hai spiegato se il clima funziona almeno in raffreddamento (e' importante capire se non e' un problema di gas o di condensatori), non hai detto se provi su tutte le 4 macchine indoor, il tecnico dice che ti ha fatto accendere un paio di split, io direi di iniziare a fare le prove solo su uno split per non complicarci la vita, e magari lo split piu' vicino alla macchina esterna, sul mio condizionatore alle volte andava in crisi semplicemente per la lettura del segnale del telecomando, ossia, essendomi caduto diverse volte il telecomando alle volte non leggeva il segnale correttamente, quindi io direi stacca la corrette del condizionatore x 5 minuti, fai un reset anche del telecomando, riattacchi tutto reimposti il telecomando, metti in modalita' heat con velocita' minima e temperatura massima tutto in manuale, e fai partire,aspetti una decina di minuti e ci fai sapere,che magari passiamo allo step 2.. io attuavo col mio un'altra procedura se con questa ultima non andava Grazie per la procedura, domattina provo e torno da te!
dodex Inserita: 14 dicembre 2022 Segnala Inserita: 14 dicembre 2022 1 minuto fa, Vincio3 ha scritto: Grazie per la procedura, domattina provo e torno da te! ho visto il video.. e be.. fosse solo quello andrebbe anche bene, speriamo, per esempio con gli on /off quei problemi non ci sono, la scheda non c'e'.. ehehehe
Vincio3 Inserita: 15 dicembre 2022 Autore Segnala Inserita: 15 dicembre 2022 Direi di passare alla procedura 2 Il test condotto non ha portato alcun risultato. 1 split acceso, il più vicino, e UE che parte con ventola poi compressore poi dopo 5 min stacca compressore e poi ferma ventola. Da UI in Heat nemmeno un filo di aria. Il Test run diagnostico dopo il bip fa blinkare la rossa e la verde in modo intermittente e continuo, non sembra un codice di errore. In UE nessuno dei 4 led accesi o lampeggianti. Solo se premo il tastino sulla Pcb per qualche secondo iniziano a lampeggiare continui tutti e 4.
dodex Inserita: 15 dicembre 2022 Segnala Inserita: 15 dicembre 2022 si ma non mi hai detto se hai provato a metterlo in raffreddamento? in heat manco un filo d'aria? ma la ventola della unita' interna almeno gira,devi controllare anche se non esce l'aria dovrebbe girare comunque?devi fare un po' di prove almeno si capisce che caspita c'ha.. dai impegnati, mettilo sotto stress piu' informazioni abbiamo meglio e'... metti solo ventola, solo raffreddamento, solo deumidificatore..cambia velocita' cambia gradi.. dai su... non e' che nasciamo tutti imparati con la pappa in bocca.. ehehehehe
xblitz Inserita: 15 dicembre 2022 Segnala Inserita: 15 dicembre 2022 Il 13/12/2022 alle 17:28 , Vincio3 ha scritto: A questo punto, sicuro di sé: io questi impianti li conosco bene, il mio orecchio mi dice che è il compressore rotto. Non c'è nulla da fare se non sostituire tutto l'impianto visto che non si trova il ricambio dell'unità esterna in quanto ormai fuori mercato. Che schifo: passi che ha l'orecchio allenato ma almeno un controllo con i manometri, prima di metterci la faccia... bah! di solito un compressore partito fa saltare il differenziale e va via la corrente. Il 13/12/2022 alle 17:28 , Vincio3 ha scritto: Io nel frattempo mi sono scaricato ogni manuale e ogni possibile documento per, almeno, cercare di avviare la diagnostica e sapere se davvero il compressore è rotto o meno. Ti prendi le sigle della UE e delle UI e cerchi "<sigla> SVC manual" o "<sigla> service manual" Il 13/12/2022 alle 17:28 , Vincio3 ha scritto: Il problema è che le unità interne mi restituiscono tutte e 4 lo stesso lampeggio (4 RED e GREEN veloce - tengo premuto Manual/Auto per 10 secondi) mentre per l'unità esterna non saprei come avere il feedback della diagnostica. Nel service manual c'è scritto se cerchi la sequenza codici (senza stare a cercare il service) sicuro che trovi l'errore. Io dico che c'è una perdita nelle cartelle. Il 13/12/2022 alle 17:28 , Vincio3 ha scritto: C'è un piccolo bottoncino sul PCB in alto a sinistra, lo tengo premuto e si illuminano tutti e 4 i led rossi, ma non ho trovato riscontro sui vari manuali service. Per ora lascia perdere la diagnostica della UE e concentrati sui codici di errore che ti danno gli split.
Vincio3 Inserita: 15 dicembre 2022 Autore Segnala Inserita: 15 dicembre 2022 1 ora fa, dodex ha scritto: si ma non mi hai detto se hai provato a metterlo in raffreddamento? in heat manco un filo d'aria? ma la ventola della unita' interna almeno gira,devi controllare anche se non esce l'aria dovrebbe girare comunque?devi fare un po' di prove almeno si capisce che caspita c'ha.. dai impegnati, mettilo sotto stress piu' informazioni abbiamo meglio e'... metti solo ventola, solo raffreddamento, solo deumidificatore..cambia velocita' cambia gradi.. dai su... non e' che nasciamo tutti imparati con la pappa in bocca.. ehehehehe In raffreddamento COOL a 18 gradi la ventola UI gira che è una bellezza, esce aria fresca, immagino temperatura ambiente (visto che la casa oggi era a 15), invece UE ferma. Solo FAN gira una bellezza, ance variando velocità...DRY ammetto di averlo saltato, sorry! In HEAT a 30/27/19 gradi ventola interna non gira, sembra attendere da UE il calore...che però non arriva mai in quanto il compressore stacca dopo un 3 min di ventola UE al max. Di seguito soliti tintinnii e click vari interni, poi dopo un 5 miin riparte la ventole e ricomincia il ciclo che porta allo stacco compressore. Se metto AUTO invece la ventola parte subito, ma non appena la logica capisce che deve riscaldare si ferma e si presenta la stessa situazione di HEAT.
Vincio3 Inserita: 15 dicembre 2022 Autore Segnala Inserita: 15 dicembre 2022 1 ora fa, xblitz ha scritto: Che schifo: passi che ha l'orecchio allenato ma almeno un controllo con i manometri, prima di metterci la faccia... bah! di solito un compressore partito fa saltare il differenziale e va via la corrente. ma invece un compressore senza gas non comprime giusto e stacca a un certo punto? perché non ha nulla da pompare o sbaglio? Potrebbe essere il mio caso...esiste un modo per verificare la quantità di gas nel circuito senza chiamare nuovamente il tecnico? Ho visto in giro kit con manometro ì, ma non mi sono sembrati molto affidabili 1 ora fa, xblitz ha scritto: Per ora lascia perdere la diagnostica della UE e concentrati sui codici di errore che ti danno gli split. Dopo il reset del telecomando non ricevo più messaggi di errore!!!!
Alessio Menditto Inserita: 15 dicembre 2022 Segnala Inserita: 15 dicembre 2022 8 minuti fa, Vincio3 ha scritto: esiste un modo per verificare la quantità di gas nel circuito senza chiamare nuovamente il tecnico? NO .
xblitz Inserita: 15 dicembre 2022 Segnala Inserita: 15 dicembre 2022 8 minuti fa, Vincio3 ha scritto: ma invece un compressore senza gas non comprime giusto e stacca a un certo punto? eh si! l'ue se ne accorge... di solito però non cicla all'infinito ma dopo qualche tentativo va in errore. Poi molto dipende da come è stata programmata. 8 minuti fa, Vincio3 ha scritto: esiste un modo per verificare la quantità di gas nel circuito senza chiamare nuovamente il tecnico? Lascia stare, chiama un bravo frigorista (non il quello che hai appena congedato). Potrebbe essere semplicemente scarico "un po'" e li non te ne accorgi se non fai (e sai fare) le misure del caso. 8 minuti fa, Vincio3 ha scritto: Dopo il reset del telecomando non ricevo più messaggi di errore!!!! Indipendentemente che ti si ripresentino, quelli che hai scritto al primo post cosa stanno a significare?
Vincio3 Inserita: 15 dicembre 2022 Autore Segnala Inserita: 15 dicembre 2022 3 minuti fa, xblitz ha scritto: Indipendentemente che ti si ripresentino, quelli che hai scritto al primo post cosa stanno a significare? Control unit error (indoor unit)
xblitz Inserita: 15 dicembre 2022 Segnala Inserita: 15 dicembre 2022 (modificato) 12 minuti fa, Vincio3 ha scritto: Control unit error (indoor unit) Che suona tanto come una mancata comunicazione tra UI e UE. Di sicuro non è "compressor fault". Ecco cosa farei io - prima di chiamare il tecnico: Stresserei il condizionatore, ovvero dovrebbe esserci una qualche modalità che lo fa andare al 100% e vediamo se segnala qualche anomalia. Verificherei le varie sonde di temperatura (prendi il service, un tester e vedi se la misura di resistenza è nelle specifiche). Modificato: 15 dicembre 2022 da xblitz
Vincio3 Inserita: 15 dicembre 2022 Autore Segnala Inserita: 15 dicembre 2022 21 minuti fa, xblitz ha scritto: Che suona tanto come una mancata comunicazione tra UI e UE. Di sicuro non è "compressor fault". Dopo aver resettato i telecomandi non si presenta più...in tutti e 4 gli split! 22 minuti fa, xblitz ha scritto: Verificherei le varie sonde di temperatura (prendi il service, un tester e vedi se la misura di resistenza è nelle specifiche). Esattamente dove le trovo queste sonde? UI o UE?
xblitz Inserita: 15 dicembre 2022 Segnala Inserita: 15 dicembre 2022 Devi fare riferimento al service manual. Sulla UE deve esserci almeno la sonda che monitora la temperatura dellla serpentina. Per ogni UI ci saranno almeno 2 sonde: una che monitora la temperatura ambiente e una che monitora la temperatura della serpentina dello split. Ma se il comportamento c'è con tutte e 4 gli split mi concentrerei sulla UE.
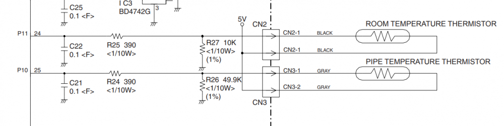
Vincio3 Inserita: 15 dicembre 2022 Autore Segnala Inserita: 15 dicembre 2022 sul service manual trovo questo: CN2 e CN3 giusto?
Vincio3 Inserita: 15 dicembre 2022 Autore Segnala Inserita: 15 dicembre 2022 sul service manual trovo questo: CN2 e CN3 giusto?
xblitz Inserita: 15 dicembre 2022 Segnala Inserita: 15 dicembre 2022 Esatto CN sono i connettori, lascia perdere la parte a sinistra, che è lo schema elettrico sulla pcb. Sul service c'è scritto il tipo di sonda che dovrebbe essere e anche che valore (in Kohm) ha a temperatura ambiente. Vedi con un tester se ce n'è una fuori specifica ed eventualmente cambiala. NB: di solito sono tutte uguali per tutti i produttori... ma siccome non me lo ricordo, prima di dire una boiata preferisco dirti di cercare sul service.
Vincio3 Inserita: 15 dicembre 2022 Autore Segnala Inserita: 15 dicembre 2022 21 minuti fa, xblitz ha scritto: Esatto CN sono i connettori, lascia perdere la parte a sinistra, che è lo schema elettrico sulla pcb. Sul service c'è scritto il tipo di sonda che dovrebbe essere e anche che valore (in Kohm) ha a temperatura ambiente. Vedi con un tester se ce n'è una fuori specifica ed eventualmente cambiala. NB: di solito sono tutte uguali per tutti i produttori... ma siccome non me lo ricordo, prima di dire una boiata preferisco dirti di cercare sul service. trovati i valori! Leggendo questo interessante manuale in spagnolo mi sono convinto sempre più che il problema risiede nel gas da verificare. Infatti i famosi 4 lampeggi fanno riferimento a "Control unit error (indoor unit)" nelle due varianti: "MANUAL AUTO button error" oppure "Power source Hz decision error" (questo secondo caso è da escludere perchè arresterebbe immediatamente la macchina). Quindi rimane il primo, "L'interruttore rimane acceso per 10 secondi consecutivi" che in effetti è proprio l'operazione che faccio per accedere alla diagnostica. A questo punto mi viene il dubbio che non si acceda così al check!!!
Vincio3 Inserita: 15 dicembre 2022 Autore Segnala Inserita: 15 dicembre 2022 1 ora fa, xblitz ha scritto: Stresserei il condizionatore, ovvero dovrebbe esserci una qualche modalità che lo fa andare al 100% e vediamo se segnala qualche anomalia. Allora ho attivato la modalità test spingendo il bottone AUTO/MANUAL (led red e green lampeggiano intermittenti) per circa 30 min. Questa modalità forza il COOL al massimo escludendo la sonda temp ambiente. Quindi il compressore avrebbe dovuto attaccare. Invece ripete il solito: parte la ventola, parte il compressore, stacca compressore, la ventola si ferma...e così via
Messaggi consigliati
Crea un account o accedi per commentare
Devi essere un utente per poter lasciare un commento
Crea un account
Registrati per un nuovo account nella nostra comunità. è facile!
Registra un nuovo accountAccedi
Hai già un account? Accedi qui.
Accedi ora