Vai al contenuto

Mistero con regolatori Vortice SCRR5 (12963) e ventilatore soffitto Inspire Acores


Messaggi consigliati

Inserito:

Buongiorno, sono un neo-iscritto, ma non ho trovato il Thread delle presentazioni forse superato dai tempi "moderni"....

Chiederei cortese aiuto per un problema inerente 2 ventilatori a soffito installati sotto un tendone semi rigido per muovere l'aria che di notte forma condensa gocciolante.

 

La situazione ed il decorso : (problema originale e tentato ripiego)

- Inizialmente Acquistati 2 ventilatori Inspire Acores solo aria no luce da 120 cm / 70 W a 3 velocità (economici) che già dispongono del proprio regolatore velocità in scatola plastica e NON prevedono l'iversione di rotazione.

- All' interno dei 2 regolatori ORIGINALI Inspire è presente un selettore rotatvo cui è collegato un condensatore della BM CBB61-P2  C+/-5% 450V con doppia uscita 2mF e 2,7mF

- Un secondo condensatore è collegato all'asta della ventola  CBB51 / 450 V 1,8 mF

- Collegamenti classici a 2 poli + T dicasi Terra e Neutro diretti da impianto rete e fase da rete / comando ventilatore.

- Collegati entrambi i ventilatori gli stessi risultano funzionanti a tutte le velocità con l'unico problema di un preoccupante sfrigolio dei selettori rotativi che si manifesta SOLO durante gli scatti da una velocità all'altra (a volte finanche con piccoli lampi/bagliori simili ad un piccolo arco elettrico che si vedono attraverso la fessura della manopola esterna). Durante il normale funzionamento delle ventole a qualunque delle 3 velocità niente rumori e /o bagliori che si manifestano SOLO durante lo spostamento del selettore.

QUINDI :

Preoccupato per potenziali corti/incendi (visto che per di più le ventole dovranno essere regolate da timer e funzionare in notturna senza qualcuno che possa allarmare)   ho deciso di acquistare 2 regolatori migliori di quelli originali.

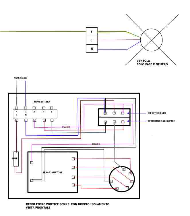
Il mio fornitore mi ha consigliato il modello Vortice SCRR5 nella Versione 12963 a 5 velocità / On-Off / ed inversione di velocità ( utile solo in caso di altre future ventole) Rimetto in allegato foto del comando e schema. ( 2 pin ingresso rete e 3 in uscita)

- Ho provato stamane i collegamenti su una ventola con i seguenti risultati:

- Posiz. 1/5  la ventola gira a meno della metà del suo potenziale accellerando e diminuendo impercettibilmente

- Posiz  2/5 Come sopra ma + lenta

- Posiz  3/5 si spegne

- Posiz. 4/5 si spegne

- Posiz  5/5 Gira lentissima

- Provato anche a collegare la fase dalla ventola al PIN del comando di inversione e richiamando l'inversione con il tasto da gli stessi risultati (ovviamente la ventola girava nello stesso verso)

Collegamenti ventola 

- Neutro diretto da rete a ventola

- T diretta da rete a ventola

- Fase in arrivo da  Comando Vortice

Collegamenti Comando :

- da Rete fase e Neutro nei relativi pin ingresso

- Uscita fase provato sia pin 3 che 5

allego foto.

Spero che qualcuno possa aiutarmi ad evitare di smontare e restituire le ventole Inspire con i relativi comandi che mi preoccupano non poco. Per non parlare delle ventole originali Vortice che costano un botto  e dovrei prenderne 2 .....

Grazie in anticipo per suggerimenti...

198431335_SCRR5FOTOINTERNO2.thumb.jpg.65328c594949ffea0044f4563f31ba23.jpg

SCRR5 Circuito TDD vista frontale 3.jpg

162992690_CondensatoresuComando.jpg

1418067189_CondensatoreSuventola.jpg

Crea un account o accedi per commentare

Devi essere un utente per poter lasciare un commento

Crea un account

Registrati per un nuovo account nella nostra comunità. è facile!

Registra un nuovo account

Accedi

Hai già un account? Accedi qui.

Accedi ora
×
×
  • Crea nuovo/a...