Vai al contenuto

Messaggi consigliati

Inserito:

Buonasera, 

ho iniziato la riparazione del tuner in oggetto. 

Il tuner una volta alimentato si presenta spento. 
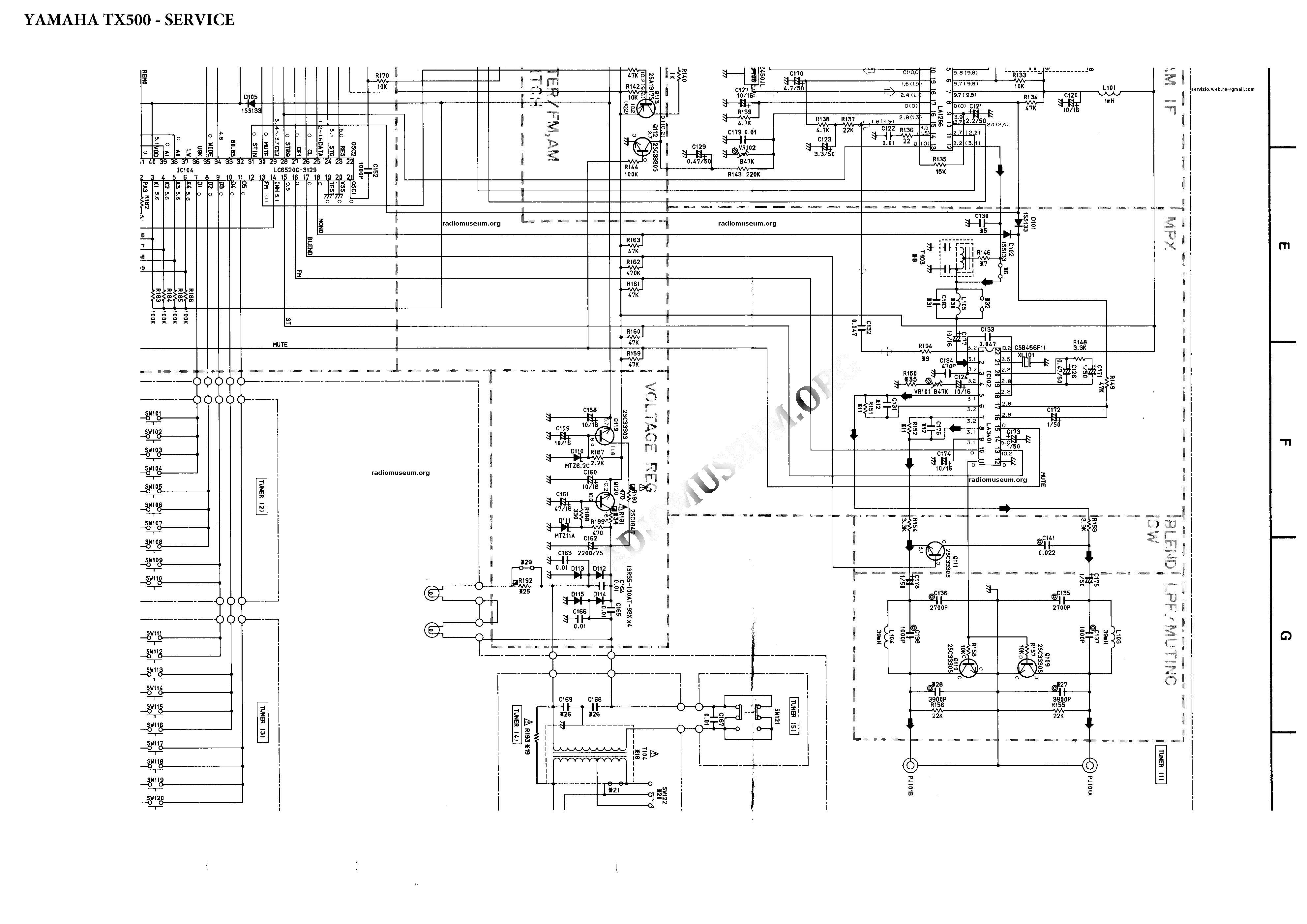
Sono riuscito a rimediare la pagina di schema service in allegato ma a schema non ho riferimenti sulle tensioni.
Ho iniziato con verificare Q119, Q120 (dissaldati e provati), tutti i diodi, resistenze e condensatori della sezione regolazione di tensione e sembrano essere a posto. 

Allo stesso tempo mi accorgo che i due led che retroilluminano i display a valle di R192 prelevano direttamente tensione dal blocco del trasformatore. 
Ecco, in uscita dal trafo ci sono 20VAC ed anche ai capi dei due led messi in serie c'è questa tensione. Tutto spento, probabilmente non è la tensione di lavoro.

Cerco di reperire il manuale di servizio in attesa di eventuali commenti.

Grazie.

tx-500-p-supply.jpg

Inserita:

Buonasera, 

oggi ho risolto il guasto. 

Ho cominciato a provare le due lampade che illuminano i display prima con il tester in continuità e poi con una batteria da 9 volt. 
Una delle due aveva il filamento semi interrotto, essendo collegate in serie nessuna delle due funzionava.

Fin qui tutto normale, la cosa strana è che solo con il ripristino del carico (entrambe le lampadine) si attiva il circuito di controllo e logica, con il carico delle lampade assente tutto rimane ad off. Al momento non sono risalito al motivo.

Dunque se potesse tornare utile in futuro a qualcuno, si ha un trasformatore 220VAC / 20VAC, quest'ultima viene poi raddrizzata e regolata.
Le due lampade che illuminano il display sono di tipo T1 ad incandescenza con tensione nominale di 10V, collegate in serie.

L'idea è di ripristinarle con tipo a led se riesco a reperirle, sperando che l'elettronica non si renda conto che non sono più ad incandescenza :) 

 

20230120_212629.jpg

20230120_212747.jpg

Crea un account o accedi per commentare

Devi essere un utente per poter lasciare un commento

Crea un account

Registrati per un nuovo account nella nostra comunità. è facile!

Registra un nuovo account

Accedi

Hai già un account? Accedi qui.

Accedi ora
×
×
  • Crea nuovo/a...