Vai al contenuto

Messaggi consigliati

Inserito:

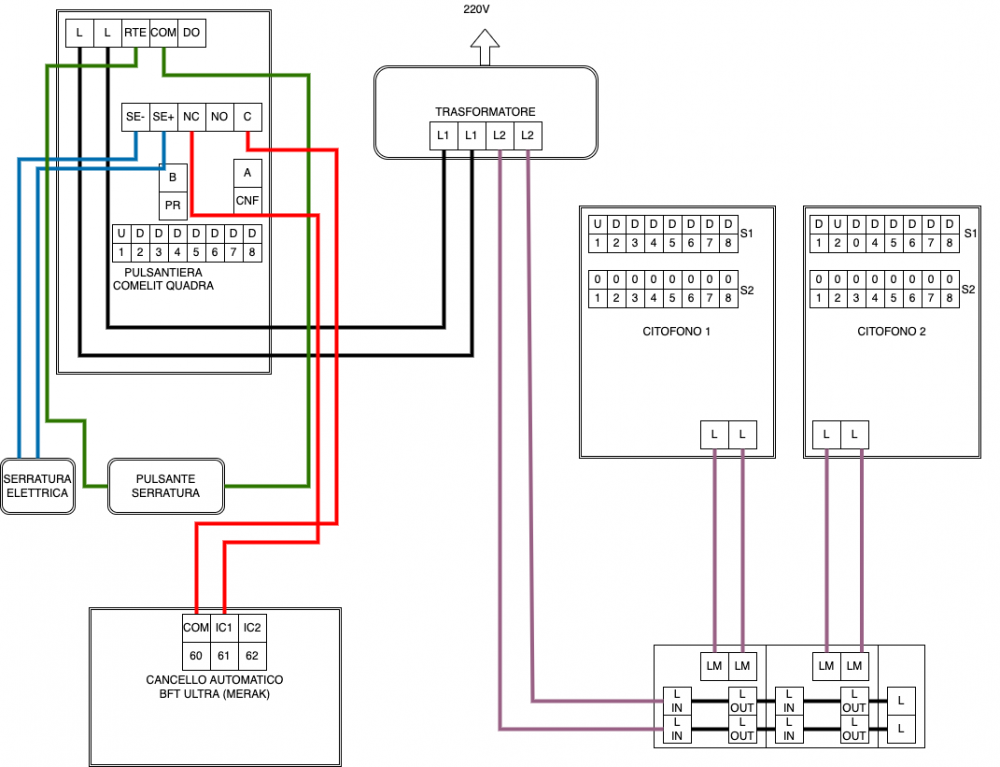
Buongiorno, un saluto a tutto mi stavo cimentando nell'istallazione del suddetto citofono (Comelit Quadra)

Gli unici dubbi che mi sono rimasti sono le connessione all'elettroserratura del cancelletto e all'apertura del cancello Automatico (BFT ULTRA con scheda Merak),

da quello che ho capito dovrei collegare l'elettroserratura al SE+ e SE- cosi da aprirla col comando chiave e il cancello automatico dal NC e C del citofono direttamente

al morsetto 60 e 61 della scheda Merak del cancello cosi da aprirlo con uno degli altri pulsanti programmabili del citofono.

 

E' corretto o mi manca qualcosa ? 

Grazieimage.thumb.png.081568a4de67b6573dbd64b8bc3ca582.png

Maurizio Colombi
Inserita:
2 ore fa, onesun ha scritto:

il cancello automatico dal NC e C del citofono

Io utilizzerei C e NO.

Crea un account o accedi per commentare

Devi essere un utente per poter lasciare un commento

Crea un account

Registrati per un nuovo account nella nostra comunità. è facile!

Registra un nuovo account

Accedi

Hai già un account? Accedi qui.

Accedi ora
×
×
  • Crea nuovo/a...