alec76 Inserito: 22 febbraio 2023 Segnala Inserito: 22 febbraio 2023 (modificato) Buongiorno a tutti, è la prima volta che creo una discussione sul questo forum che però frequento da molto tempo in quanto appassionato di automazioni nelle tecnologie domestiche. Scrivo per chiedere aiuto agli esperti di citofonia perché vorrei collegare il mio citofono ELVOX 8879 ad un dispositivo per l'apertura da remoto del portone condominiale. Il dispositivo è questo: opener . Il citofono (bus digitale a 2 fili) dispone di 2 tasti uno, quello superiore, per l'apertura del portone del condominio (che è quello che mi interessa azionare da remoto) ed un altro tasto per accendere l'illuminazione delle scale di accesso alle abitazioni (nel mio caso inutilizzato in quanto temporizzata). Attualmente ELVOX 8879 non è stato ancora testato dagli sviluppatori del dispositivo che non hanno quindi elaborato una configurazione specifica da richiamare in fase di installazione e settaggio. Avevo trovato questa guida (in cui tutto funzionava perfettamente) ma, come scritto dall'autore, dopo un recente aggiornamento del firmware non funziona più: guida installazione opener con 8879 . La guida prevede di saldare due fili del dispositivo direttamente alla scheda del citofono in corrispondenza del tasto di apertura (metodo "sporco" citando l'esperto Roby 73 in un altra discussione sullo stesso citofono) . Avete indicazioni su come poterlo collegare perché funzioni in maniera stabile ed affidabile? Potrebbe funzionare accoppiando un ELVOX 6120 con un metodo "pulito" (sempre citando Roby 73)? Guida per il collegamento del dispositivo su citofoni non profilati "sconosciuti" (che però non funziona con 8879): guida per installazione opener con citofoni "sconosciuti" (.pdf) Documentazione 8879: manuale ELVOX 8879 (.pdf) Grazie mille in anticipo. Alec. Modificato: 22 febbraio 2023 da alec76 inserimento link
Roberto Garoscio Inserita: 22 febbraio 2023 Segnala Inserita: 22 febbraio 2023 (modificato) Sui sistemi digitali il problema è interconnettere l’accessorio aggiunto con i pacchetti di dati dell’impianto, cosa molto più facile sui sistemi analogici, infatti, nelle compatibilità disponibili come Urmet (che conosco abbastanza bene) ci sono solo codici di prodotti analogici che, es. come nel caso dei monitor 1740/40 non viene indicato il codice della staffa di collegamento, in questo modo per poter usufruire dei servizi del prodotto aggiunto occorre fare dei collegamenti “sporchi” (cit. Roby73) se il monitor analogico fosse applicato ad una staffa 1740/83 collegata ad un sistema digitale. Modificato: 22 febbraio 2023 da Roberto Garoscio
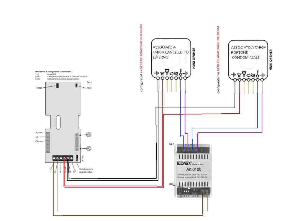
alec76 Inserita: 22 febbraio 2023 Autore Segnala Inserita: 22 febbraio 2023 Innanzi tutto Grazie Roberto Garoscio per la risposta. Alla fine opterò per la soluzione "pulita" utilizzando un elvox 6120 (interfaccia per 2 pulsanti due fili) in modo da ridurre il rischio di danni all'impianto condominiale (cit. Roby 73). Nello specifico il mio citofono apre con lo stesso pulsante sia il cancelletto che da sulla strada (associato ad una targa) che il portone di accesso al condominio (associato ad una seconda targa). Inoltre preciso che non ho in casa una scatola di derivazione per il citofono ma il cavo condominiale con i bus arriva direttamente dietro al citofono (la scatola di derivazione è sul pianerottolo comune dove non posso mettere mano). Secondo voi questo schema potrebbe funzionare? In particolare: E' corretto il collegamento dei bus dal citofono al 6120? E' corretto l'uso di un opener per ognuna delle 2 targhe? Posso collegare entrambi gli openers ai morsetti 5 e 6s per conservare la funzione "ring detection/ring to open" o faccio danni? Grazie mille in anticipo per le risposte e scusatemi per eventuali castronerie. Alec
alec76 Inserita: 23 febbraio 2023 Autore Segnala Inserita: 23 febbraio 2023 Scusate se intervengo ancora ma rivedendo un po' il tutto mi pare che così abbia più senso. Rimangono i precedenti dubbi. Grazie mille in anticipo per le risposte e scusatemi ancora per eventuali castronerie. Alec
Roberto Garoscio Inserita: 23 febbraio 2023 Segnala Inserita: 23 febbraio 2023 Non conosco Elvox e neppure Nuki non saprei darti sicurezze🤷🏻♂️
ROBY 73 Inserita: 23 febbraio 2023 Segnala Inserita: 23 febbraio 2023 Ciao alec76, 12 ore fa, alec76 ha scritto: .........rivedendo un po' il tutto mi pare che così abbia più senso. Rimangono i precedenti dubbi. Diciamo (o per lo meno, credo da come ho compreso), che la tua situazione sia leggermente diversa dall'utente a cui avevo risposto nell'altra discussione. Il 22/2/2023 alle 11:09 , alec76 ha scritto: Scrivo per chiedere aiuto agli esperti di citofonia perché vorrei collegare il mio citofono ELVOX 8879 ad un dispositivo per l'apertura da remoto del portone condominiale. Il dispositivo è questo: opener . Il citofono (bus digitale a 2 fili) dispone di 2 tasti uno, quello superiore, per l'apertura del portone del condominio (che è quello che mi interessa azionare da remoto)........... Infatti, lui (che purtroppo non si è più fatto sentire), aveva la necessità di aprire la porta da un radiocomando, ma pur sempre rimanendo nello stesso locale (studio / stanza / ufficio che fosse stato), da dove poteva sentire il suono del campanello che rimaneva quello generato dall'altoparlante del citofono stesso, chiamata questa che è di tipo digitale / elettronica e quindi sempre su BUS. Detto questo, presumo invece (se non ho capito male), che a te interessi aprire il cancello sì, da remoto, ma quando non sei in casa, giusto? Se fosse così, allora a te, oltre al 6120: https://www.vimar.com/irj/go/km/docs/z_catalogo/DOCUMENT/s6i_612_000_R08.84072.pdf serve anche un Ripetitore di chiamata come l'articolo 69PH: https://www.vimar.com/irj/go/km/docs/z_catalogo/DOCUMENT/49400649C0_QG_R00_69PH_M561.92358.pdf https://www.vimar.com/irj/go/km/docs/z_catalogo/DOCUMENT/49400649C0_MI_IT_00.99370.pdf, dove il contatto COM-NO del relè RL1 lo collegherai ai fili GND (viola o nero, non so se siano in comune) e RING (giallo) di chiamata del NUKI, necessitando questo contatti di tipo analogico e non digitale; quindi, NON puoi collegare i fili ai morsetti 5 e 6 del 8879 portandoli direttamente al NUKI come dal tuo schema. Per il resto 6120, rimane corretto quanto già detto in precedenza, ma dovrai usare sempre e solo un solo ingresso / pulsante (P1 o P2), ci pensa già l'impianto condominiale stesso a fare lo scambio tra le due postazioni esterne, o per lo meno credo, perché sinceramente non ho mai provato a fare una cosa del genere, non vorrei che essendoci le chiamate di altri utenti vengano interpretate come dei segnali diversi. -------------------------------------------------------------------------------------------------------- Ma invece di fare tutto questo "accrocco", per caso l'impianto è anche videocitofonico con telecamera, oppure solo audio? Perché a questo punto ti converrebbe prendere direttamente un 40515 o 40517 che hanno il collegamento al Wi-Fi e quindi vedresti anche le immagini e potresti anche parlare con l'interlocutore. Attenzione però che prima, è da verificare anche l'articolo preciso dell'eventuale modulo audio / video nel posto esterno.
alec76 Inserita: 24 febbraio 2023 Autore Segnala Inserita: 24 febbraio 2023 (modificato) 20 ore fa, ROBY 73 ha scritto: Ciao alec76, Diciamo (o per lo meno, credo da come ho compreso), che la tua situazione sia leggermente diversa dall'utente a cui avevo risposto nell'altra discussione. Infatti, lui (che purtroppo non si è più fatto sentire), aveva la necessità di aprire la porta da un radiocomando, ma pur sempre rimanendo nello stesso locale (studio / stanza / ufficio che fosse stato), da dove poteva sentire il suono del campanello che rimaneva quello generato dall'altoparlante del citofono stesso, chiamata questa che è di tipo digitale / elettronica e quindi sempre su BUS. Detto questo, presumo invece (se non ho capito male), che a te interessi aprire il cancello sì, da remoto, ma quando non sei in casa, giusto? Se fosse così, allora a te, oltre al 6120: https://www.vimar.com/irj/go/km/docs/z_catalogo/DOCUMENT/s6i_612_000_R08.84072.pdf serve anche un Ripetitore di chiamata come l'articolo 69PH: https://www.vimar.com/irj/go/km/docs/z_catalogo/DOCUMENT/49400649C0_QG_R00_69PH_M561.92358.pdf https://www.vimar.com/irj/go/km/docs/z_catalogo/DOCUMENT/49400649C0_MI_IT_00.99370.pdf, dove il contatto COM-NO del relè RL1 lo collegherai ai fili GND (viola o nero, non so se siano in comune) e RING (giallo) di chiamata del NUKI, necessitando questo contatti di tipo analogico e non digitale; quindi, NON puoi collegare i fili ai morsetti 5 e 6 del 8879 portandoli direttamente al NUKI come dal tuo schema. Per il resto 6120, rimane corretto quanto già detto in precedenza, ma dovrai usare sempre e solo un solo ingresso / pulsante (P1 o P2), ci pensa già l'impianto condominiale stesso a fare lo scambio tra le due postazioni esterne, o per lo meno credo, perché sinceramente non ho mai provato a fare una cosa del genere, non vorrei che essendoci le chiamate di altri utenti vengano interpretate come dei segnali diversi. -------------------------------------------------------------------------------------------------------- Ma invece di fare tutto questo "accrocco", per caso l'impianto è anche videocitofonico con telecamera, oppure solo audio? Perché a questo punto ti converrebbe prendere direttamente un 40515 o 40517 che hanno il collegamento al Wi-Fi e quindi vedresti anche le immagini e potresti anche parlare con l'interlocutore. Attenzione però che prima, è da verificare anche l'articolo preciso dell'eventuale modulo audio / video nel posto esterno. Ciao Roby 73, innanzitutto grazie grazie grazie per la risposta #1. Infatti io vorrei aprire il cancello da remoto quando non sono in casa. Vorrei però anche utilizzare la funzione ring to open che l'opener permette di temporizzate in maniera molto elastica (anche da remoto con app). I citofono che mi hai indicato sono molto interessanti (l'impianto tra l'altro è videocitofono), verrebbe un lavoro super pulito, ma al momento sono fuori budget oltre a non poter avere la funzione ring to open. Ho acquistato un elvox 6120 usato ma come nuovo (mai installato) a 63€. Inoltre un opener lo posseggo già. Al momento se non ho capito male potrei, con 1 opener (l'impianto dovrebbe fare lo scambio tra le 2 postazioni esterne) e il 6120, avere l'apertura da remoto ma non il ring to open/ring detection. Aggiungendo però in futuro il 69/PH potrei implementare queste due funzioni. Dico bene? A tal proposito mi chiedevo (scusa l'eventuale castroneria): potrei invece prendere un segnale analogico direttamente dall'altoparlante suoneria del citofono (A+ o A- e AC)? Grazie ancora. Alec. Modificato: 24 febbraio 2023 da alec76 Precisazione
ROBY 73 Inserita: 24 febbraio 2023 Segnala Inserita: 24 febbraio 2023 2 ore fa, alec76 ha scritto: ................Aggiungendo però in futuro il 69/PH potrei implementare queste due funzioni. Dico bene? Sì esatto. 2 ore fa, alec76 ha scritto: A tal proposito mi chiedevo (scusa l'eventuale castroneria): potrei invece prendere un segnale analogico direttamente dall'altoparlante suoneria del citofono (A+ o A- e AC)? Assolutamente NO, trattasi sempre di impianto digitale su BUS a 2 fili, non esiste nessun segnale analogico, nemmeno sull'altoparlante al momento del suono. 2 ore fa, alec76 ha scritto: I citofono che mi hai indicato sono molto interessanti (l'impianto tra l'altro è videocitofono), verrebbe un lavoro super pulito, ma al momento sono fuori budget oltre a non poter avere la funzione ring to open......... Premetto che non voglio fare "i conti in tasca" a nessuno, ci mancherebbe, ma considera però che con il sistema descritto con il 6120 e 69PH l'impianto rimarrà "muto / zoppo", cioè non potrai comunicare con l'interlocutore, avresti la chiamata e apriresti il cancello senza sapere chi c'è dall'altra parte, mentre con il 40515 o 40517 oltre a vedere la faccia di chi suona, avresti anche il colloquio attivo con la persona dall'altra parte dello smartphone. Ora, ok che hai già il 6120 ed il NUKI, ma l'attuatore 69PH costa circa 130 € (IVA compresa, cercando un po' in rete) ed il 40515 costa circa 270-300 €, poi naturalmente valuta tu pro e contro
alec76 Inserita: 25 febbraio 2023 Autore Segnala Inserita: 25 febbraio 2023 7 ore fa, ROBY 73 ha scritto: Sì esatto. Assolutamente NO, trattasi sempre di impianto digitale su BUS a 2 fili, non esiste nessun segnale analogico, nemmeno sull'altoparlante al momento del suono. Premetto che non voglio fare "i conti in tasca" a nessuno, ci mancherebbe, ma considera però che con il sistema descritto con il 6120 e 69PH l'impianto rimarrà "muto / zoppo", cioè non potrai comunicare con l'interlocutore, avresti la chiamata e apriresti il cancello senza sapere chi c'è dall'altra parte, mentre con il 40515 o 40517 oltre a vedere la faccia di chi suona, avresti anche il colloquio attivo con la persona dall'altra parte dello smartphone. Ora, ok che hai già il 6120 ed il NUKI, ma l'attuatore 69PH costa circa 130 € (IVA compresa, cercando un po' in rete) ed il 40515 costa circa 270-300 €, poi naturalmente valuta tu pro e contro Ciao Roby 73, grazie 1000 per la risposta. Lggendo i manuali dei dispositivi ho questi dubbi: 6120: perché l'impianto condominiale dovrebbe fare lo scambio tra le postazioni esterne? L'apertura da quel che ho capito non dovrebbe essere legata ad una chiamata, ma piuttosto funzionare in maniera simile ad un pulsante apri cancello. Se così fosse avrei bisogno di 2 openers (uno per ogni targa esterna). 69PH: lo dovrei programmare come ripetitore di chiamata? ("Programmazioni manuali - bus verticali - 3) ripetitore di chiamata"? 40515: le variabili sulle caratteristiche tecniche dell'impianto da considerare per installazione/configurazione sono parecchie e non le conosco. Credi sia possibile fare da soli o dovrei rivolgermi all'installatore dell'impianto cosa che giustamente farebbe aumentare la spesa (gli chiederò comunque un preventivo)? Grazie ancora. Alec.
ROBY 73 Inserita: 25 febbraio 2023 Segnala Inserita: 25 febbraio 2023 10 ore fa, alec76 ha scritto: Lggendo i manuali dei dispositivi ho questi dubbi: 6120: perché l'impianto condominiale dovrebbe fare lo scambio tra le postazioni esterne? L'apertura da quel che ho capito non dovrebbe essere legata ad una chiamata, ma piuttosto funzionare in maniera simile ad un pulsante apri cancello. Ma attualmente quanti pulsanti hai per aprire il cancello principale ed il portone delle scale? Premi sempre lo stesso pulsante sul citofono, oppure hai due pulsanti separati? 10 ore fa, alec76 ha scritto: 69PH: lo dovrei programmare come ripetitore di chiamata? ("Programmazioni manuali - bus verticali - 3) ripetitore di chiamata"? Sì, ma dovrebbe esserlo già di default. Però pensandoci meglio (non avevo pensato alle due targhe esterne), ti servirebbe il programmatore o il software con relativa interfaccia per PC, per programmare il secondo relè del 69PH alla seconda pulsantiera 10 ore fa, alec76 ha scritto: 40515: le variabili sulle caratteristiche tecniche dell'impianto da considerare per installazione/configurazione sono parecchie e non le conosco. Credi sia possibile fare da soli........ Non è difficile, non so se hai già trovato il manuale, altrimenti eccolo: https://www.vimar.com/irj/go/km/docs/z_catalogo/DOCUMENT/49401465B0_02_QG_40515_P451.98599.pdf https://www.vimar.com/irj/go/km/docs/z_catalogo/DOCUMENT/MU_IT_40515_40517_R05.102744.pdf Poi è vero che ci sono un'infinità di funzioni, ma a te bastano quelle principali che sono già preimpostate. Comunque ripeto: Il 24/2/2023 alle 00:10 , ROBY 73 ha scritto: Attenzione però che prima, è da verificare anche l'articolo preciso dell'eventuale modulo audio / video nel posto esterno.
alec76 Inserita: 25 febbraio 2023 Autore Segnala Inserita: 25 febbraio 2023 2 ore fa, ROBY 73 ha scritto: Ma attualmente quanti pulsanti hai per aprire il cancello principale ed il portone delle scale? Premi sempre lo stesso pulsante sul citofono, oppure hai due pulsanti separati? Sì, ma dovrebbe esserlo già di default. Però pensandoci meglio (non avevo pensato alle due targhe esterne), ti servirebbe il programmatore o il software con relativa interfaccia per PC, per programmare il secondo relè del 69PH alla seconda pulsantiera Non è difficile, non so se hai già trovato il manuale, altrimenti eccolo: https://www.vimar.com/irj/go/km/docs/z_catalogo/DOCUMENT/49401465B0_02_QG_40515_P451.98599.pdf https://www.vimar.com/irj/go/km/docs/z_catalogo/DOCUMENT/MU_IT_40515_40517_R05.102744.pdf Poi è vero che ci sono un'infinità di funzioni, ma a te bastano quelle principali che sono già preimpostate. Comunque ripeto: Ciao Roby 73, grazie. Per aprire il cancello ed il portone utilizzo un tasto solo. Sto valutando sempre più il cambio citofono. Allego foto di una targa esterna, magari si può dedurre se è idonea al 40515, ma non conosco il codice articolo. Grazie ancora.
ROBY 73 Inserita: 26 febbraio 2023 Segnala Inserita: 26 febbraio 2023 (modificato) 5 ore fa, alec76 ha scritto: Per aprire il cancello ed il portone utilizzo un tasto solo. Sto valutando sempre più il cambio citofono. Ecco appunto, presumo sia la cosa migliore. Anche se: 5 ore fa, alec76 ha scritto: Allego foto di una targa esterna, magari si può dedurre se è idonea al 40515, ma non conosco il codice articolo. Probabilmente l'impianto è ancora della vecchia serie "2 Fili" e non "2 Fili Plus" come l'attuale; quindi, non so se il 40515 sia del tutto compatibile, bisognerebbe chiedere direttamente in VIMAR. Quanti anni ha l'impianto? Comunque, la prossima volta è il caso che copra i nomi dei vari condòmini che a noi e al resto del mondo non interessano, magari se qualche moderatore riesce a fare qualcosa a tal proposito. Modificato: 26 febbraio 2023 da ROBY 73
alec76 Inserita: 26 febbraio 2023 Autore Segnala Inserita: 26 febbraio 2023 5 ore fa, ROBY 73 ha scritto: Ecco appunto, presumo sia la cosa migliore. Anche se: Probabilmente l'impianto è ancora della vecchia serie "2 Fili" e non "2 Fili Plus" come l'attuale; quindi, non so se il 40515 sia del tutto compatibile, bisognerebbe chiedere direttamente in VIMAR. Quanti anni ha l'impianto? Comunque, la prossima volta è il caso che copra i nomi dei vari condòmini che a noi e al resto del mondo non interessano, magari se qualche moderatore riesce a fare qualcosa a tal proposito. Grazie mille Roby 73 per la tua disponibilità e per i tuoi preziosi consigli, #1. Hai ragione per i nomi dei condomini, non ci ho neanche pensato dato che il mio interno non ha il nome sulla targhetta 🤭 (scherzo ovviamente, è stata comunque una leggerezza). L'impianto avrà circa 10 anni o poco più. Era già in commercio il due fili+? Chiedo comunque anche all'installatore. Grazie mille ancora. Buona giornata.
alec76 Inserita: 26 febbraio 2023 Autore Segnala Inserita: 26 febbraio 2023 3 ore fa, alec76 ha scritto: Grazie mille Roby 73 per la tua disponibilità e per i tuoi preziosi consigli, #1. Hai ragione per i nomi dei condomini, non ci ho neanche pensato dato che il mio interno non ha il nome sulla targhetta 🤭 (scherzo ovviamente, è stata comunque una leggerezza). L'impianto avrà circa 10 anni o poco più. Era già in commercio il due fili+? Chiedo comunque anche all'installatore. Grazie mille ancora. Buona giornata. Scusa Roby ripensandoci l'impianto ha circa 10 anni o poco meno (non più). Il citofono attuale ho ricontrollato è già 2 fili+. L'unità esterna sembra di questa serie (tutte 2 fili+ ma magari le producevano precedentemente solo 2 fili, chissà. Colgo l'occasione per chiederti se scollegando l'attuale citofono dal bus poi lo devo riprogrammare o rimane tutto uguale se lo ricollego? Nel caso lo cambiassi col 40515 (qualora impianto 2f+), la configurazione degli SWITCH (ABC) ricalcherebbe quella del 8879 ora impostato su A? Sempre grazie mille. Alec.
Roberto Garoscio Inserita: 26 febbraio 2023 Segnala Inserita: 26 febbraio 2023 9 ore fa, ROBY 73 ha scritto: è il caso che copra i nomi dei vari condòmini che a noi e al resto del mondo non interessano, magari se qualche moderatore riesce a fare qualcosa a tal proposito. Cosa dovremmo fare? Se per la privacy non volevano far sapere che abitano lì, non avrebbero messo i nomi ben in vista fuori dal cancello che, neanche immaginiamo dove sia...😉
ROBY 73 Inserita: 26 febbraio 2023 Segnala Inserita: 26 febbraio 2023 9 ore fa, alec76 ha scritto: L'impianto avrà circa 10 anni o poco più. Era già in commercio il due fili+? Chiedo comunque anche all'installatore. Mi sembra a memoria che il "2 Fili Plus" sia stato lanciato proprio a cavallo del 2013-2014, quindi potrebbe essere che il vostro impianto sia già di questo sistema, comunque se vuoi chiedi appunto conferma all'elettricista. 5 ore fa, alec76 ha scritto: Colgo l'occasione per chiederti se scollegando l'attuale citofono dal bus poi lo devo riprogrammare o rimane tutto uguale se lo ricollego? Nel caso lo cambiassi col 40515 (qualora impianto 2f+), la configurazione degli SWITCH (ABC) ricalcherebbe quella del 8879 ora impostato su A? Certo, lo devi riprogrammare perché risponda alla tua chiamata o meglio al numero da digitare dalla targa esterna, altrimenti rimarrà muto, ma se leggi il manuale non è difficile, entri nel menù e digiti il tuo codice di chiamata al momento richiesto, naturalmente ti conviene farti aiutare da un'altra persona che vada giù alla pulsantiera esterna e vi parlate con il cellulare alla mano finché il 40515 non è programmato a dovere. Gli switch per il tipo di cavo invece, vanno impostati su terminazione "C", in quanto vedo che il cavo è un "vecchio" cito-telefonico a quattro coppie e quindi da considerarsi con impedenza a 50 Ohm. Nell'attuale 8879 è stata sbagliata l'impostazione su "A", ma non si nota nessuna differenza perché l'apparecchio è solo audio. C'è una cosa però che non ti ho detto finora (perdonami, me ne sono proprio dimenticato, ma come si dice in questi casi: <<Meglio tardi che mai>>), è che il 40515 (come anche l'eventuale 40517), per essere sempre pronto e collegato alla rete Wi-Fi e non gravare sul restante impianto condominiale, oltre ai fili del BUS sui morsetti 1-2, ha bisogno di essere impostato in OFF = Alimentazione tramite alimentatore supplementare ed appunto alimentato sui morsetti E-/E+ tramite l'alimentatore supplementare 6923: https://www.vimar.com/irj/go/km/docs/z_catalogo/DOCUMENT/49401109C0_02_6923_M561.96066.pdf vedi anche soprattutto pagg. 12, 16, 19 del pdf nel primo link che ti ho postato ieri per il 40515. -------------------------------------------------------------------------------- 5 ore fa, Roberto Garoscio ha scritto: Cosa dovremmo fare? Se per la privacy non volevano far sapere che abitano lì, non avrebbero messo i nomi ben in vista fuori dal cancello che, neanche immaginiamo dove sia...😉 Ah per me fa lo stesso, il fatto è che ormai con i tempi che corrono non si può neppure più "sternutire" che entra in gioco la privacy (naturalmente il mio è un paradosso 😁), era solo un suggerimento, anche per eventuali discussioni future da parte di chi legge. ------------------------------------------------------------------------ Per fortuna è rimasto tutto memorizzato, avevo scritto e provato ad inviare il post subito prima dell'interruzione, GRANDE PLC Forum 😉
alec76 Inserita: 26 febbraio 2023 Autore Segnala Inserita: 26 febbraio 2023 2 ore fa, ROBY 73 ha scritto: Mi sembra a memoria che il "2 Fili Plus" sia stato lanciato proprio a cavallo del 2013-2014, quindi potrebbe essere che il vostro impianto sia già di questo sistema, comunque se vuoi chiedi appunto conferma all'elettricista. Certo, lo devi riprogrammare perché risponda alla tua chiamata o meglio al numero da digitare dalla targa esterna, altrimenti rimarrà muto, ma se leggi il manuale non è difficile, entri nel menù e digiti il tuo codice di chiamata al momento richiesto, naturalmente ti conviene farti aiutare da un'altra persona che vada giù alla pulsantiera esterna e vi parlate con il cellulare alla mano finché il 40515 non è programmato a dovere. Gli switch per il tipo di cavo invece, vanno impostati su terminazione "C", in quanto vedo che il cavo è un "vecchio" cito-telefonico a quattro coppie e quindi da considerarsi con impedenza a 50 Ohm. Nell'attuale 8879 è stata sbagliata l'impostazione su "A", ma non si nota nessuna differenza perché l'apparecchio è solo audio. C'è una cosa però che non ti ho detto finora (perdonami, me ne sono proprio dimenticato, ma come si dice in questi casi: <<Meglio tardi che mai>>), è che il 40515 (come anche l'eventuale 40517), per essere sempre pronto e collegato alla rete Wi-Fi e non gravare sul restante impianto condominiale, oltre ai fili del BUS sui morsetti 1-2, ha bisogno di essere impostato in OFF = Alimentazione tramite alimentatore supplementare ed appunto alimentato sui morsetti E-/E+ tramite l'alimentatore supplementare 6923: https://www.vimar.com/irj/go/km/docs/z_catalogo/DOCUMENT/49401109C0_02_6923_M561.96066.pdf vedi anche soprattutto pagg. 12, 16, 19 del pdf nel primo link che ti ho postato ieri per il 40515. -------------------------------------------------------------------------------- Ah per me fa lo stesso, il fatto è che ormai con i tempi che corrono non si può neppure più "sternutire" che entra in gioco la privacy (naturalmente il mio è un paradosso 😁), era solo un suggerimento, anche per eventuali discussioni future da parte di chi legge. ------------------------------------------------------------------------ Per fortuna è rimasto tutto memorizzato, avevo scritto e provato ad inviare il post subito prima dell'interruzione, GRANDE PLC Forum 😉 Grazie Roby 73 mi hai dato tantissime preziose informazioni. Ora si tratta di metterle in pratica. Vedo cosa riesco a combinare poi vi aggiorno. Grazie ancora. Alec
ROBY 73 Inserita: 26 febbraio 2023 Segnala Inserita: 26 febbraio 2023 2 ore fa, alec76 ha scritto: Vedo cosa riesco a combinare poi vi aggiorno. Ok, ciao prego
alec76 Inserita: 7 marzo 2023 Autore Segnala Inserita: 7 marzo 2023 Il 26/2/2023 alle 23:24 , ROBY 73 ha scritto: Ok, ciao prego Ciao Roby 73, alla fine ho optato per il 40515. L'ho installato io (è stato molto semplice) e l'ho configurato con alimentazione da bus e gli switch in terminale C. Infatti il tecnico che avevo contattato per info sull'impianto condominiale mi aveva assicurato che l'alimentazione esterna c'è l'ha bisogno solo il 40517. Roby 73 grazie grazie grazie per tutti i preziosi consigli ricevuti e grazie al forum. Alec
ROBY 73 Inserita: 7 marzo 2023 Segnala Inserita: 7 marzo 2023 5 ore fa, alec76 ha scritto: alla fine ho optato per il 40515. L'ho installato io (è stato molto semplice).......... Infatti, ti avevo detto che non era difficile programmarlo, bene o male ormai è come usare uno smartphone. Comunque l'importante è che funzioni tutto a dovere, ciao prego
Messaggi consigliati
Crea un account o accedi per commentare
Devi essere un utente per poter lasciare un commento
Crea un account
Registrati per un nuovo account nella nostra comunità. è facile!
Registra un nuovo accountAccedi
Hai già un account? Accedi qui.
Accedi ora