Vai al contenuto

Aiuto Serranda Garage con Modulo Wifi Homcloud AS-CM1


Messaggi consigliati

Inserito:

Buongiorno a tutti, avrei bisogno del vostro prezioso aiuto, volevo automatizzare la serranda del garage con un modulo wifi tapparelle As-cm1 homcloud,(purtroppo non ci sono riuscito) posseggo una centralina bft elba!

Il modulo in questione necessità di  fase e neutro per alimentarsi

Due cavi del pulsante sali e scendi, e due cavi del motore sali e scendi!

Vi allego le foto così da capire

 

Schema Modulo Homcloud

ascm1.jpg.ad8ab80e1b17ed5ede046e19abb92bac.jpg

Schema Centralina BFT Elba

BFT-Motorsteuerung-Elba_pages-to-jpg-0005.thumb.jpg.aee5f9596c7692176a8deba46e516056.jpgBFT-Motorsteuerung-Elba_pages-to-jpg-0006.thumb.jpg.a12fff511b7b8f313621b47089665256.jpg

Pulsanti Sali Scendi Serranda(Sono due,in parti diverse per questo vedete fili doppi)

332076458_231658289239671_4296834044794193738_n.thumb.jpg.0f89faea18c219c7ecf2422ff542f8d9.jpg

 

Il filo grigio che parte dal pusante arriva al morsetto 6, mentre i due rossi sono collegati insieme al pulsante (sali e scendi) pin 7-8

 

334472416_100683432971995_3987853820307577040_n.thumb.jpg.ea0fb9457d9f69974ac58af7901d903f.jpg

 

334434247_219254560575343_4004046771744989789_n.thumb.jpg.932a53dfc9ee4048668eae8afa87e26d.jpg

 

Mentre qui abbiamo morsetto 1-2 (N-L per alimentare centralina) Morsetti 3-4-5(Salita-Neutro-Discesa del Motore)

332081120_8723529484384085_5144440088471136249_n.thumb.jpg.dc6ca5f5f35450f82ecf9fe0f68e42e3.jpg

 

Spero di avervi spiegato tutto nei minimi dettagli, altrimenti se serve altro, scrivetemi pure!

Ringrazio in anticipo, e spero che qualcuno riesca ad aiutarmi!

 

 

del_user_271852
Inserita: (modificato)
7 ore fa, alexsci7 ha scritto:

 

Ciao 

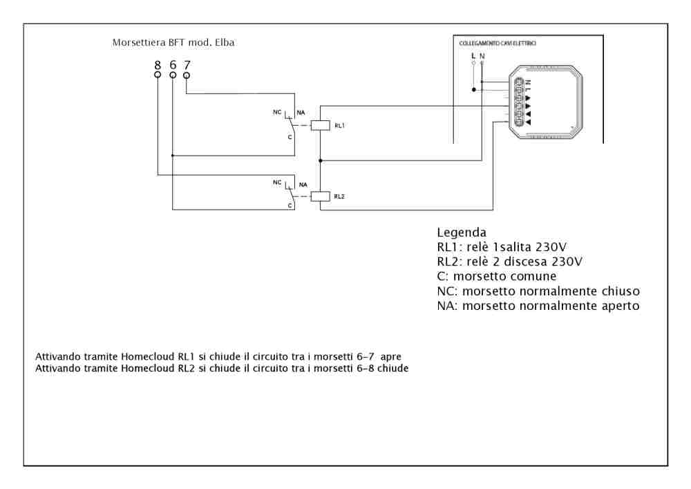
Allora il dispositivo wifi che hai indicato ha le uscite per comandare un motore direttamente con la tensione di rete, quindi per utilizzarlo sulla centralina della BFT mod Elba,  dovrai utilizzare due relè in modo da realizzare un circuito con contatti puliti,  i contatti dei relè, dovranno essere normalmente aperti,  per collegarli in parallelo ai morsetti 6 e 7 per apertura e 6 e 8 per chiusura, che ritrovi collegati al doppio pulsante con i cavi arancioni, giuntati ai cavi rossi ( uno dei due rossi con marcature nere), 

I relè dovranno essere con bobina a 230V del tipo monostabile, cioè la commutazione dei contatti avverrà solo su eccitazione della bobina sotto tensione, e quando la tensione elettrica verrà staccata, il sistema ritorna nella situazione di riposo, cui alimentazione delle singole bobine dovrà essere collegata al modulo wifi AS-CM1 ai morsetti che si utilizzano per il motore, per comprendere meglio, partendo dalla sinistra della morsettiera il quarto morsetto ad un capo di una bobina, il sesto morsetto ad un capo dell'altra bobina, e due capi restanti delle due bobine le colleghi al neutro. I contatti di comando, 3 e 5,  non andranno collegati in quanto non necessitano di ulteriori comandi manuali, essendo già presenti quelli del doppio pulsante collegati alla BFT.

Ti sconsiglio vivamente di collegarti al motore della serranda by-passando la centralina in quanto non funzionerebbero le fotocellule mettendo a rischio la sicurezza personale o di altrui persona!!!

A presto 

Agos

 

Modificato: da agos1969
Inserita:
18 ore fa, agos1969 ha scritto:

Ciao 

Allora il dispositivo wifi che hai indicato ha le uscite per comandare un motore direttamente con la tensione di rete, quindi per utilizzarlo sulla centralina della BFT mod Elba,  dovrai utilizzare due relè in modo da realizzare un circuito con contatti puliti,  i contatti dei relè, dovranno essere normalmente aperti,  per collegarli in parallelo ai morsetti 6 e 7 per apertura e 6 e 8 per chiusura, che ritrovi collegati al doppio pulsante con i cavi arancioni, giuntati ai cavi rossi ( uno dei due rossi con marcature nere), 

I relè dovranno essere con bobina a 230V del tipo monostabile, cioè la commutazione dei contatti avverrà solo su eccitazione della bobina sotto tensione, e quando la tensione elettrica verrà staccata, il sistema ritorna nella situazione di riposo, cui alimentazione delle singole bobine dovrà essere collegata al modulo wifi AS-CM1 ai morsetti che si utilizzano per il motore, per comprendere meglio, partendo dalla sinistra della morsettiera il quarto morsetto ad un capo di una bobina, il sesto morsetto ad un capo dell'altra bobina, e due capi restanti delle due bobine le colleghi al neutro. I contatti di comando, 3 e 5,  non andranno collegati in quanto non necessitano di ulteriori comandi manuali, essendo già presenti quelli del doppio pulsante collegati alla BFT.

Ti sconsiglio vivamente di collegarti al motore della serranda by-passando la centralina in quanto non funzionerebbero le fotocellule mettendo a rischio la sicurezza personale o di altrui persona!!!

A presto 

Agos

 

Ti ringrazio per la risposta, soltanto che non ho capito bene, potresti farmi uno disegnino? Perdonami, ma non sono esperto, sono solo uno smanettone! 😀

Inserita:
10 ore fa, agos1969 ha scritto:

collegamento homecloud con rele.jpg

Grazie mille, davvero gentile!:smile:

Inserita:

Ciao, una curiosità, il modulo Wi-Fi è temporizzato o monostabile?

Inserita:
16 ore fa, agos1969 ha scritto:

collegamento homecloud con rele.jpg

Perdonami se ne approfitto ancora della tua gentilezza e professionalità,

ho provato con un altro modulo che avevo, si tratta del modello AS-SM2, ho collegato L1 al Comune 6 della centralina e L2 al morsetto 11 della centralina (che era una predisposizione per un Crepuscolare N.O)

Così funziona, sale e scende, però come posso ovviare al problema, se per esempio apro la serranda con il telecomando, aprendo l'app del modulo ovviamente per lui è spento perchè non ho inviato il comando dall'app!Come potrei collegare S1?

Ti allego anche lo schema di questo modulo.

Grazie

SCAN_20230303_140354863.thumb.jpg.f5e0539f2f4b3f9a9d20904bc12300a5.jpg

del_user_271852
Inserita:
13 ore fa, rubio2002it ha scritto:

il modulo Wi-Fi è temporizzato o monostabile?

Questo lo vedi nell'APP 

Per monostabile intendendo i relè da collegare come indicato nello schema che ti ho precedentemente allegato.

 

7 ore fa, alexsci7 ha scritto:

ho provato con un altro modulo che avevo, si tratta del modello AS-SM2, ho collegato L1 al Comune 6 della centralina e L2 al morsetto 11 della centralina (che era una predisposizione per un Crepuscolare N.O)

COSA?!!?

Intanto vorrei spiegarti che nella centralina della BFT mod Elba hai due morsettiere che funzionano una a bassa tensione, ossia alla tensione di rete 230V e l'altra a bassissima tensione

nella fattispecie a 24V, in cui i morsetti 6 e 11 non possono essere collegati alla tensione di rete, la tensione di lavoro del AS -SM2 è per l'appunto di 230V, secondo me hai rischiato di guastare la scheda in maniera irreversibile, oltre tutto non riesco a comprendere come abbia funzionato, comunque rispetta i collegamenti come indicati nel manuale.

 

Il dispositivo AS-SM2 è un doppio interruttore con funzione di commutatore, che potresti adattare alla serranda del garage ma personalmente non lo ritengo idoneo, preferisco astenermi dal proporti come collegarlo.

8 ore fa, alexsci7 ha scritto:

però come posso ovviare al problema, se per esempio apro la serranda con il telecomando, aprendo l'app del modulo

per sapere lo stato di apertura o chiusura della serranda dovresti installare un sensore magnetico o reed posizionato tra la serranda e il montante di scorrimento, prova a cercare in rete  un sensore della Homecloud da interfacciare tramite APP.

 

A presto Agos

Immagine della scheda BFT Elba.png

del_user_271852
Inserita:

Per tua chiarezza ti invio un immagine, spero esaustiva sul principio di funzionamento dei relè

A presto

Agos

Schema_rele-696x366.jpg

Inserita:
12 ore fa, agos1969 ha scritto:

Per tua chiarezza ti invio un immagine, spero esaustiva sul principio di funzionamento dei relè

A presto

Agos

Schema_rele-696x366.jpg

Si, Grazie il tuo metodo mi è chiaro, è quello migliore da applicare!

Avevo fatto la prova (per non acquistare i relè) visto che già mi trovavo quell'altro modulo!
P.S Soltanto i morsetti 12-13 sono a 24v, per questo funziona tranquillamente!

Grazie ancora per il tuo prezioso aiuto, ti farò sapere!
 

del_user_271852
Inserita:
10 ore fa, alexsci7 ha scritto:

P.S Soltanto i morsetti 12-13 sono a 24v, per questo funziona tranquillamente!

Sono perplesso dalla tua affermazione, preferisco consultare il servizio assistenza della BFT per chiarimenti e aggiorno.

 

A preso 

Agos

del_user_271852
Inserita:

Ho avuto oggi risposta dal servizio post vendita BFT , che mi hanno comunicato che:

 

il morsetto n.6 funziona con la tensione elettrica di valore 12V in corrente continua!

 

 

Tale valore oltre ad essere molto inferiore alla tensione di rete e anche differente e da quest'ultima essendo la la 230 V in corrente alternata.

Per cui ribadisco che su quei morsetti i collegamenti da te menzionati sono errati, 

Il 3/3/2023 alle 22:35 , agos1969 ha scritto:

del modello AS-SM2, ho collegato L1 al Comune 6 della centralina e L2 al morsetto 11 della centralina

Va necessariamente seguito lo schema indicato nel manuale!

Rispettando le norme di sicurezza raccomandate.

A presto

Agos

Crea un account o accedi per commentare

Devi essere un utente per poter lasciare un commento

Crea un account

Registrati per un nuovo account nella nostra comunità. è facile!

Registra un nuovo account

Accedi

Hai già un account? Accedi qui.

Accedi ora
×
×
  • Crea nuovo/a...