fugaldo Inserito: 7 giugno 2023 Segnala Inserito: 7 giugno 2023 Ciao a tutti, le fotocellule esterne in oggetto sono utilizzate su una serranda sezionale (di 4mt) del garage e hanno già una ventina d'anni. Dato che sporgono di ben 4cm, una delle 2 è stata rotta con l'auto dal precedente proprietario dell'abitazione. Funziona ancora, ma l'involucro è nastrato e traballante. Pensavo di sostituirle con qualcosa di più sottile come le CAME 001DIR10 (2,3cm). Le attuali sono alimentate a circa 21.6Vac (24Vac) e viene utilizzato il contatto NC (24V / 1A), mentre sulle CAME leggo che il contatto è 24V / 500mA E' possibile ? Diversamente avete qualche altro modello di basso spessore (max 25mm) da consigliarmi ? Risulta difficile rompere il muro per eventuale incasso. Le bft FL100 misurano 70x80x40 mm Le came 001DIR misurano 46x108x23 mm Grazie molte
mrgianfranco Inserita: 7 giugno 2023 Segnala Inserita: 7 giugno 2023 4 minuti fa, fugaldo ha scritto: (24V / 1A), mentre sulle CAME leggo che il contatto è 24V / 500mA Salve, tieni presente che quello è il massimo carico commutabile del contatto , per gestire il contatto di sicurezza della centralina non hai bisogno ne di 1A, e neanche di 500mA ma molto meno quindi vai tranquillo anche con le CAME
fugaldo Inserita: 8 giugno 2023 Autore Segnala Inserita: 8 giugno 2023 Ok grazie, devo solo sistemare il cablaggio fra trasmittente e ricevente CAME, che é leggermente diverso da BFT, perché la prima é alimentata dal contatto TX della morsettiera e non direttamente dalla centralina. Poi vi aggiorno 👍
Maurizio Colombi Inserita: 8 giugno 2023 Segnala Inserita: 8 giugno 2023 Se vuoi restare con Came, per i tuoi validi motivi e non vuoi 48 minuti fa, fugaldo ha scritto: sistemare il cablaggio fra trasmittente e ricevente monta le Delta E sempre di Came. Sono quadrate come quelle che hai montato adesso e non rettangolari come le Dir, sono collegate come quelle che hai montato adesso e non sincronizzate come le Dir.
fugaldo Inserita: 8 giugno 2023 Autore Segnala Inserita: 8 giugno 2023 Ciao Maurizio, non sono legato necessariamente a Came, mi interessa solo che non sporgano oltre 2/3 cm. Le delta-e sono da 3,6 e dovendo solo spostare un filo, preferisco le dir10, che costano anche meno. Non ho trovato fotocellule esterne (non incasso) meno sporgenti. Tu vedi altre controindicazioni ? Grazie per la consueta disponibilità
ROBY 73 Inserita: 8 giugno 2023 Segnala Inserita: 8 giugno 2023 Ciao fugaldo, 9 ore fa, fugaldo ha scritto: non sono legato necessariamente a Came, mi interessa solo che non sporgano oltre 2/3 cm. Se vuoi vedi anche le FAAC XP 30 cod. 785105, oppure se le vuoi ancora più robuste c'è anche la versione XP 30 INOX cod. 7851051 che hanno una profondità di 21mm, vedi anche QUI Attenzione a non confonderle con la versione BUS
fugaldo Inserita: 11 giugno 2023 Autore Segnala Inserita: 11 giugno 2023 Ciao Roby, penso seguirò il tuo consiglio. Ho visto le Faac XP30 (785105), mentre la versione bus è XP30B (785106) e mi sembra si adattino meglio come forma. Costano quasi il doppio, ma faccio conto sia un investimento a lungo termine 😆 Grazie per la segnalazione. Non le conoscevo.
ROBY 73 Inserita: 11 giugno 2023 Segnala Inserita: 11 giugno 2023 (modificato) 7 ore fa, fugaldo ha scritto: ..........mentre la versione bus è XP30B (785106) e mi sembra si adattino meglio come forma. La forma e dimensioni sono identiche, ma ti ho scritto: Il 8/6/2023 alle 23:50 , ROBY 73 ha scritto: Attenzione a non confonderle con la versione BUS Proprio perché queste NON sono assolutamente compatibili con una "normale" scheda dove prima avevi fotocellule tradizionali a relè. Se rileggi bene io ti ho scritto che: Il 8/6/2023 alle 23:50 , ROBY 73 ha scritto: .........oppure se le vuoi ancora più robuste c'è anche la versione XP 30 INOX cod. 7851051 Ecco l'alternativa che ti ho indicato a quelle in plastica, ma sempre e comunque a relè. Che scheda hai che gestisce l'automazione? Modificato: 11 giugno 2023 da ROBY 73
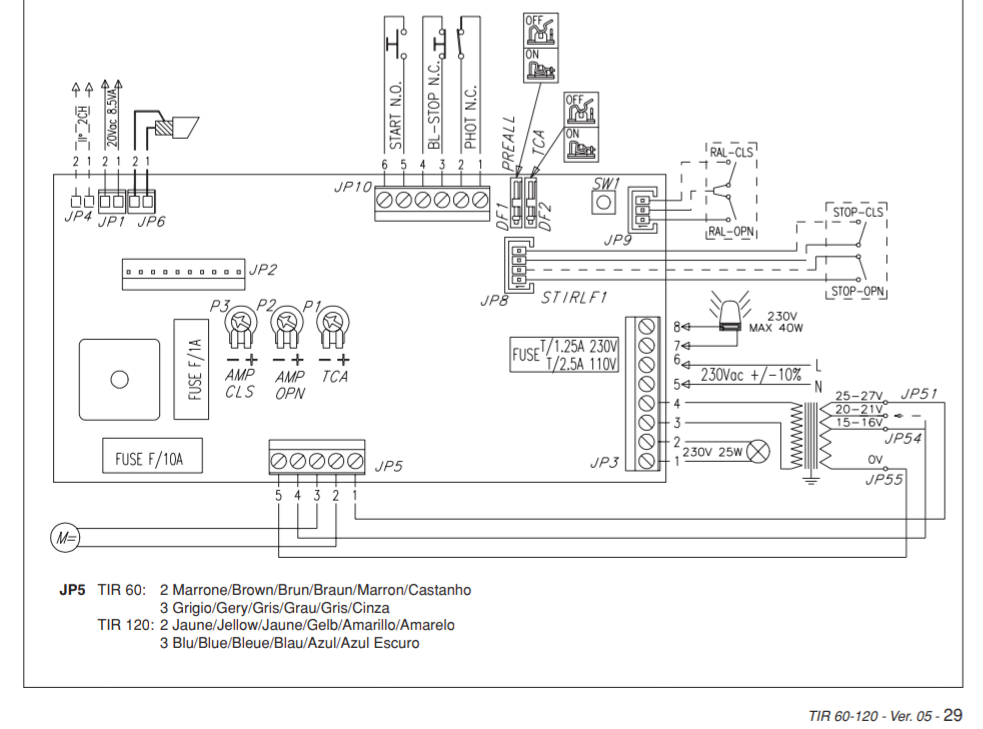
fugaldo Inserita: 12 giugno 2023 Autore Segnala Inserita: 12 giugno 2023 Ciao Roby, scusa mi sono espresso male. Ho già ordinato le XP30 a relè, non inox perché non serve. L'automazione é BFT Tir60
ROBY 73 Inserita: 12 giugno 2023 Segnala Inserita: 12 giugno 2023 1 ora fa, fugaldo ha scritto: scusa mi sono espresso male. Ho già ordinato le XP30 a relè, non inox perché non serve. Ak ok! 1 ora fa, fugaldo ha scritto: L'automazione é BFT Tir60 Ok, quindi questa: https://remoconsp.com/descargas/BFT_TIR60_120.pdf
Messaggi consigliati
Crea un account o accedi per commentare
Devi essere un utente per poter lasciare un commento
Crea un account
Registrati per un nuovo account nella nostra comunità. è facile!
Registra un nuovo accountAccedi
Hai già un account? Accedi qui.
Accedi ora