labello Inserito: 16 luglio 2023 Segnala Inserito: 16 luglio 2023 Salve a tutti come da titolo questa tv non presentava alcun immagine , avendo constatato che tutti i led efossero perfettamente funzionanti, e tutte le tensioni presenti ho trovato due condensatori gonfi nell' uscita (verso i led). il problema è che non trovo più i condensatori incriminati per poter sostituirli con lo stesso valore. Allego immagini nella speranza che qualcuno possa aiutarmi .grazie mille !!
Riccardo Ottaviucci Inserita: 16 luglio 2023 Segnala Inserita: 16 luglio 2023 (modificato) se è CM858 se no può essere quest'altro non definito,controlla lo schema se no scaricati tutto lo schema,più di questo non saprei come aiutarti Modificato: 16 luglio 2023 da Riccardo Ottaviucci
labello Inserita: 17 luglio 2023 Autore Segnala Inserita: 17 luglio 2023 20 ore fa, Riccardo Ottaviucci ha scritto: se è CM858 se no può essere quest'altro non definito,controlla lo schema se no scaricati tutto lo schema,più di questo non saprei come aiutarti Ciao.. grazie per la risposta, purtroppo lo schema è di un'altra scheda.Questa che ho io é totalmente diversa... allego immagine completa..Grazie
Dumah Brazorf Inserita: 17 luglio 2023 Segnala Inserita: 17 luglio 2023 A cosa si collegano quei condensatori? Fai 'na foto del lato piste.
labello Inserita: 17 luglio 2023 Autore Segnala Inserita: 17 luglio 2023 1 ora fa, Dumah Brazorf ha scritto: A cosa si collegano quei condensatori? Fai 'na foto del lato piste. Ciao grazie per il tuo sostegno... Ecco lato piste
Dumah Brazorf Inserita: 17 luglio 2023 Segnala Inserita: 17 luglio 2023 (modificato) Dalla serigrafia in alto sappiamo che tensione di lavoro hanno quei condensatori. Quello a sinistra è su una linea a 13V quindi ci vuole almeno un 16V meglio un 25V mentre quello a destra è su una linea a 5V quindi basta un 10V. Di che capacità? Boh. Direi 1000uF 25V e un 2200V 10V. Ho esagerato? Modificato: 17 luglio 2023 da Dumah Brazorf
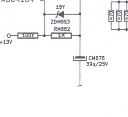
Riccardo Ottaviucci Inserita: 18 luglio 2023 Segnala Inserita: 18 luglio 2023 CM875 è da 39uF CM858 da 560uF
Dumah Brazorf Inserita: 18 luglio 2023 Segnala Inserita: 18 luglio 2023 (modificato) Però 858 nello schema 859 sulla scheda. Modificato: 18 luglio 2023 da Dumah Brazorf
labello Inserita: 18 luglio 2023 Autore Segnala Inserita: 18 luglio 2023 18 ore fa, Dumah Brazorf ha scritto: Ragazzi forse stiamo facendo un po di confusione...Allora Cm858 il condensatore ci sta, così come in Cm860 . I due mancanti che ho perso sono Cm859 e Cm 875 allego immagine più chiara. Mu scuso se sono stato un po scontroso...Speriamo di venirne a capo e Grazie ancora
Dumah Brazorf Inserita: 18 luglio 2023 Segnala Inserita: 18 luglio 2023 858 corrisponde allo schema? 560u 25V?
labello Inserita: 18 luglio 2023 Autore Segnala Inserita: 18 luglio 2023 35 minuti fa, Dumah Brazorf ha scritto: 858 corrisponde allo schema? 560u 25V? No...É 680 uf 25v
labello Inserita: 18 luglio 2023 Autore Segnala Inserita: 18 luglio 2023 Come potete notare da questa foto presa su internet a me mancano i due piccolini...
Dumah Brazorf Inserita: 18 luglio 2023 Segnala Inserita: 18 luglio 2023 Sono decisamente piccoli per cui le capacità indicate da Riccardo sono più probabili.
labello Inserita: 18 luglio 2023 Autore Segnala Inserita: 18 luglio 2023 30 minuti fa, Dumah Brazorf ha scritto: Sono decisamente piccoli per cui le capacità indicate da Riccardo sono più probabili. Trovato video su YouTube che mostra pure lo schema.. sono 47uf 50v. comunque volevo precisare e scusarmi con tutti che io avevo detto lato led invece i due condensatori vanno su lato (Main) grazie a tutti per il vostro tempo e pazienza!!
Messaggi consigliati
Crea un account o accedi per commentare
Devi essere un utente per poter lasciare un commento
Crea un account
Registrati per un nuovo account nella nostra comunità. è facile!
Registra un nuovo accountAccedi
Hai già un account? Accedi qui.
Accedi ora