Vai al contenuto

Collegamento 2 ZONE con caldaia a condensazione e stufa a pellet


Messaggi consigliati

Inserito:

Buongiorno, 

 

sono nuovo nel forum.

Premetto che non ci capisco molto di elettronica...

Ho cercato di fare una ricerca sulle varie discussioni ma non ho trovato quello che mi interessava.

Vi spiego la mia situazione. 

 

1. Ho una caldaia a gas Immergas Victrix EXA

2. Ho una stufa a pellet con scambiatore.

La stufa a pellet ha due morsetti che permettono di spegnere la caldaia abbinata a gas nel momento in cui si avvia il circolatore della stufa a pellet - vedi allegato B. 

3. 2 zone con due valvole de pala r6b2

4. 2 termostati Tado

 

Al momento non è collegato nulla e funziona tutto come un'unica zona.

 

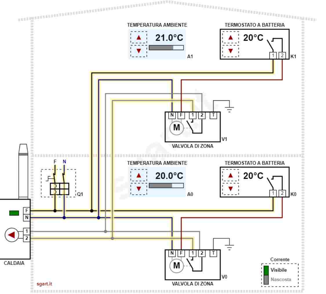
Vorrei collegare i due termostati a batteria alle due valvole e alla caldaia, e fino a qui ci siamo (vedi esempio allegato A).

 

Successivamente vorrei utilizzare la predisposizione elettrica della stufa a pellet per fare si che quando parte la stufa le due valvole si aprano entrambi e la caldaia a gas si chiuda. 

Pensate che sia fattibile?

 

Come dovrei collegare la stufa a pellet alle valvole? 

 

Sono veramente interessato a capire come fare funzionare tutto.

 

Ovviamente il lavoro non lo farò io, ma l'elettricista.

 

Grazie a chi mi saprà aiutare.

 

Peter

 

 

allegato b.JPG

allegato A.JPG

Crea un account o accedi per commentare

Devi essere un utente per poter lasciare un commento

Crea un account

Registrati per un nuovo account nella nostra comunità. è facile!

Registra un nuovo account

Accedi

Hai già un account? Accedi qui.

Accedi ora
×
×
  • Crea nuovo/a...