Antony3000 Inserito: 31 agosto 2023 Segnala Inserito: 31 agosto 2023 Salve a tutti, ho un problemino con un TV/Monitor 6" CRT Roadstar CTV-510 e spero di trovare in questo forum qualcuno che possa aiutarmi a risolverlo. Non che sia un grosso problema ma sicuramente mi farebbe piacere risolverlo. Questo TV mi fa piacere poterlo continuare a utilizzarlo (e infatti lo utilizzo normalmente tramite gli ingressi A/V RCA di cui e' dotato), ma ho notato che l' immagine non e' molto brillante per nitidezza e chiarezza (diciamo che e' un po' "sporca"). Ho cercato di stabilirne la causa, ed avendo qualche piccola competenza, sono arrivato alla conclusione da escludere TUTTO (incluso Convergenza e Purezza colore) tranne lo stadio finale di B.F. della catena Video. Questo perche' il segnale video viene iniettato direttamente nell' ultimo stadio (e quindi e' escluso dalle possibili cause tutto cio' che si trova a monte della catena Video). Spero di trovare ampia condivisione su queste mie deduzioni. Quindi mi sono attivato per iniettargli (sempre in ingresso Videcomposito) un monoscopio. Ed in effetti dalla sua visione si puo' vedere che c'e' qualcosa che non va'nello stadio video del TV. Se il monoscopio e' "sporco" ovviamente anche qualsiasi altra immagine sara' "sporca". In effetti, dalle immagini che allego si puo' notare lo "sconfinamento" di alcune piazzuole di colore verso destra (guardando le foto), fuoriuscendo dalle limitazioni del reticolo ed andando a "sporcare" l' area accanto. Qualcuno (con buone conoscenze nell' interpretazione dei monoscopi) puo' darmi qualche spunto su dove devo indirizzare la mia attenzione?
patatino59 Inserita: 31 agosto 2023 Segnala Inserita: 31 agosto 2023 C'è un problema sulla linea di ritardo luminanza, o è stata esclusa, se fisicamente presente, oppure è un difetto dell' IC che la emula.
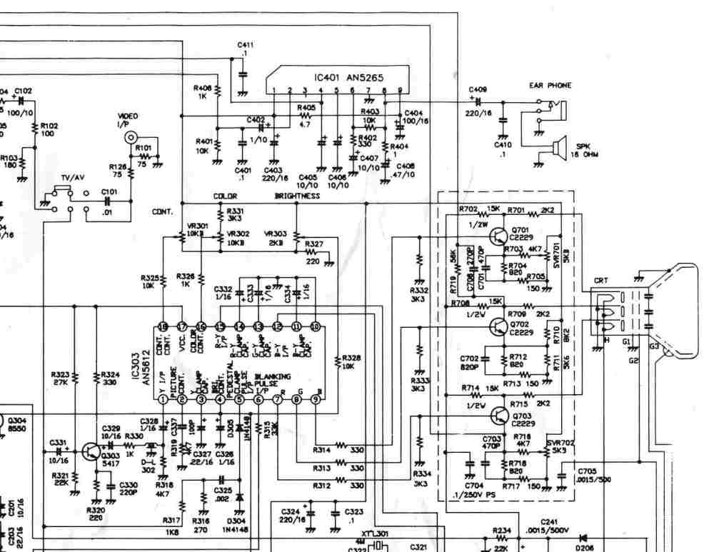
Antony3000 Inserita: 31 agosto 2023 Autore Segnala Inserita: 31 agosto 2023 Grazie della rapida risposta. Di questo TV ho anche lo schema. Se utile mandero' la parte che io ritengo interessata per il difetto.. I 3 finali Video sono pilotati da un AN5612 e praticamente il segnale video in ingresso dal jack RCA Video, va' direttamente (quasi) in questo integrato. Ero convinto che la llnea di ritardo Luminanza fosse e monte del circuito video B.F. Quindi tu pensi che se non e' qualche componente attorno , potrebbe essere l' AN5612?
NovellinoXX Inserita: 31 agosto 2023 Segnala Inserita: 31 agosto 2023 (modificato) Io controllerei tutti gli elettrolitici da C331 in avanti. Senza dissaldare quello esistente ce ne metti uno uguale in parallelo appoggiando i terminali sulle saldature, spazio e accessibilità permettendo. Anche quel commutatore TV/AV può influire. Modificato: 31 agosto 2023 da NovellinoXX
Antony3000 Inserita: 31 agosto 2023 Autore Segnala Inserita: 31 agosto 2023 Forse ci siamo vicini alla soluzione. Grazie alla dritta di Palatino, guardando piu' attentamente lo schema mi sono accorto che subito dopo il transistor Q303 ( in cui entra il segnale Video ) , c'e' il componente denominato D-L ( Delay Line ) che sara' il componente a cui si riferisce Palatino. Evidentemente ed erroneamente io ero convinto che fosse un elemento a monte. Grazie mille Palatino per la dritta. Iniziero' con la sostituzione dei condensatori inerenti ed appena risolto faro' sapere. Grazie!
Antony3000 Inserita: 2 settembre 2023 Autore Segnala Inserita: 2 settembre 2023 Allora ho sostituito gli elettrolitici C331-C329-C328 (dello schema allegato) che fanno parte della catena Linea di ritardo luminanza e poi ho anche sostituito un paio di elettrolitici di filtraggio di alta capacita'sull' alimentazione dello stadio video. Aldila' di un possibile "effetto placebo" che mi ha fatto vedere leggeri miglioramenti (non sostanziali) del difetto , non ho ottenuto. C332-C333-C334 li ho provati sovrapponendogli un altro condensatore ma senza togliere i vecchi. Il difetto e' ancora presente sonstanzialmente inalterato. Volevo cambiare il transistor Q303 ma non sono riuscito a trovare il Datasheet o equivalenza (e non risulta neanche la sigla 5417). Essendo che di questi TV/monitor 6" ne ho anche un altro allego una foto dell' angolo Alto-sx del monoscopio sull' altro tv. La differenza si vede , per cui questo da' ulteriore conferma che sicuramente la sezione linea di ritardo nel Roadstar ha problemi. Ma andando avanti con le indagini (guardando e riguardando il circuito), mi sono accorto che la famigerata "linea di ritardo" in effetti altro non e' che un filo (rosso) della lunghezza di non piu' di 4 cm. Il tutto e' sicuramente originale di fabbrica e mai manomesso. Possibile? Sul circuito stampato si vede anche la serigrafia di come doveva essere la D.L. Come si puo' spiegare la cosa e sopratutto come sistemarla? Infine aggiungo anche uno stralcio del circuito applicativo tratto dal Datasheet del AN5612 , in cui trovo un po' di differenze rispetto al circuito adottato sul Roadstar (fra cui un condensatore che sul Roadstar e' semplice elettrolitico ( C329 ) mentre sul Datasheet consiglito un elettrolitico non polarizzato( N.P.).
NovellinoXX Inserita: 2 settembre 2023 Segnala Inserita: 2 settembre 2023 (modificato) Come non e' migliorato? guarda l'angolo in alto a sinistra del monoscopio, e' migliorato tantissimo. Tra la prima foto e l'ultima postata sono sparite le sbavature verso destra del blu, del verde e del rosso. Che poi quel monitor ha i pixel grandi quanto le piastrelle per il bagno non puoi farci niente. P.S. non toccare la DL: e' una bobina a "costanti distribuite", guarda bene il simbolo che la rappresenta. Modificato: 2 settembre 2023 da NovellinoXX
Antony3000 Inserita: 2 settembre 2023 Autore Segnala Inserita: 2 settembre 2023 (modificato) 10 minuti fa, NovellinoXX ha scritto: Come non e' migliorato? guarda l'angolo in alto a sinistra del monoscopio, e' migliorato tantissimo. Tra la prima foto e l'ultima postata sono sparite le sbavature verso destra del blu, del verde e del rosso. Che poi quel monitor ha i pixel grandi quanto le piastrelle per il bagno non puoi farci niente. Ciao Novellino, come mi sembrava che fosse chiaro , la seconda foto si riferisce all' altro tv (che non soffre del problema), e funziona regolarmente, non al Roadstar oggetto di questa discussione. Magari fosse stato come e' sembrato a te! Puoi anche notare che nella seconda foto appaiono dei graffietti che non ci sono nella prima. Modificato: 2 settembre 2023 da Antony3000
NovellinoXX Inserita: 2 settembre 2023 Segnala Inserita: 2 settembre 2023 8 minuti fa, Antony3000 ha scritto: iao Novellino, come mi sembrava che fosse chiaro Scusa ho saltato l'intera frase 😄
NovellinoXX Inserita: 2 settembre 2023 Segnala Inserita: 2 settembre 2023 (modificato) 42 minuti fa, Antony3000 ha scritto: C332-C333-C334 Controllali o sostituiscili; quell'accorgimento di metterne uno uguale in parallelo va bene nel caso di un condensatore che abbia perso capacità ma se e' in perdita va comunque dissaldato per il controllo. Uguale per i condensatori sui piedini 3 e 4 di quel chip. Modificato: 2 settembre 2023 da NovellinoXX
Antony3000 Inserita: 2 settembre 2023 Autore Segnala Inserita: 2 settembre 2023 Mi sta' venendo il dubbio che il TV sia nato proprio cosi' (o meglio Progettato e Nato cosi').
Antony3000 Inserita: 2 settembre 2023 Autore Segnala Inserita: 2 settembre 2023 35 minuti fa, NovellinoXX ha scritto: Controllali o sostituiscili; quell'accorgimento di metterne uno uguale in parallelo va bene nel caso di un condensatore che abbia perso capacità ma se e' in perdita va comunque dissaldato per il controllo. Uguale per i condensatori sui piedini 3 e 4 di quel chip. Quello sul piedino 4 l' ho cambiato, sul piedino 3 ci ho rinunciato (per ora) perche' e di un valore non comune (0,22 mf polarizzato). Cio' che mi lascia perplesso e' che in pratica cosi' com' e' il circuito , la D.L. non esiste (perche' e' cortocircuitato l' IN e l' OUT).
patatino59 Inserita: 2 settembre 2023 Segnala Inserita: 2 settembre 2023 51 minuti fa, Antony3000 ha scritto: la D.L. non esiste (perche' e' cortocircuitato l' IN e l' OUT) Allora non c'è altro da potergli fare. Intervento concluso
NovellinoXX Inserita: 2 settembre 2023 Segnala Inserita: 2 settembre 2023 1 ora fa, Antony3000 ha scritto: la D.L. non esiste (perche' e' cortocircuitato l' IN e l' OUT). Non puoi verificare sull'altro monitor?
Antony3000 Inserita: 2 settembre 2023 Autore Segnala Inserita: 2 settembre 2023 20 minuti fa, patatino59 ha scritto: Allora non c'è altro da potergli fare. A meno che non si applichi una "vera" D.L. come consigliato nel datasheet. Perche' sicuramente su una cosa non ci piove (secondo me): che il difetto rispecchia esattamente cio' che ci si puo' aspettare in assenza di una D.L.. O non e' cosi'? Sono in errore? 13 minuti fa, NovellinoXX ha scritto: Non puoi verificare sull'altro monitor? E' quello che vorrei fare.
Riccardo Ottaviucci Inserita: 3 settembre 2023 Segnala Inserita: 3 settembre 2023 recuperane una da un TV rottamato,anche di diversa forma
Pazuzu72 Inserita: 16 dicembre 2023 Segnala Inserita: 16 dicembre 2023 Il 31/8/2023 alle 20:02 , Antony3000 ha scritto: Grazie della rapida risposta. Di questo TV ho anche lo schema. Se utile mandero' la parte che io ritengo interessata per il difetto.. I 3 finali Video sono pilotati da un AN5612 e praticamente il segnale video in ingresso dal jack RCA Video, va' direttamente (quasi) in questo integrato. Ero convinto che la llnea di ritardo Luminanza fosse e monte del circuito video B.F. Quindi tu pensi che se non e' qualche componente attorno , potrebbe essere l' AN5612? Ciao Antony3000 sono giorni che cerco lo schema di questo piccolo Roadstar e solo oggi mi sono imbattuto in questo tuo post. Saresti così gentile da convididerlo? Il piccolino non visualizza più nulla se non l'OSD. Vorrei capirci qualcosa in più ma senza schema è difficile. Grazie in anticipo.
braintronic Inserita: 27 aprile 2024 Segnala Inserita: 27 aprile 2024 Ciao @Antony3000 mi unisco alla richiesta di Pazuzu72, anche io ho questa piccola TV, ma non riesco a trovare il suo schema, se puoi linkarlo te ne sarei grato. grazie!
Riccardo Ottaviucci Inserita: 27 aprile 2024 Segnala Inserita: 27 aprile 2024 il regolamento vieta accodamenti.Occorre aprire sempre una discussione per ogni apparecchio
Messaggi consigliati