Mario1985 Inserito: 13 settembre 2023 Segnala Inserito: 13 settembre 2023 Buonasera, mi sono iscritto a questo bel forum perché ho un problema, forse stupido, ma ci sto sbattendo la testa da tempo. Nel condomino, più precisamente nei box, ho un impianto di luci, che, come di consueto, si accende con un relè luci scale e relativi pulsanti. Ora, qualche anno fa mi hanno chiesto di installare un sensore di movimento all'ingresso dei box, perché così quando entri con l'auto non stai al buio. Il sensore l'ho installato, tutto bello, tutto perfetto, tranne che per una cosa, ha "eliminato" 3 relè luci scale, questo perché essendo l'uscita della luce del sensore collegata con l'uscita della luce del relè, lo va ad attivare e, con il tempo lo ammazza. Quello che mi serve è che quando il sensore si attiva (quindi c'è corrente sul filo che accende le luci) bisogna fare in modo che la corrente non arrivi al relè. (viceversa non ha importanza) Ps l'impianto (3 fili) avrà almeno 40 anni ed è tutto filtubo, quindi non si può modificare un granché. Grazie
Livio Orsini Inserita: 14 settembre 2023 Segnala Inserita: 14 settembre 2023 Devi ripetere l'luscita del sensore con un relè di scambio. Il sensore comanda il relè. Il contatto NC del relè connette le luci al relè temporizzatore, mentre il contatto NO connettele luci al sensore di movimento
Mario1985 Inserita: 15 settembre 2023 Autore Segnala Inserita: 15 settembre 2023 Livio, cortesemente, mi puoi dire il marca/modello, non sono espertissimo. Grazie
Livio Orsini Inserita: 15 settembre 2023 Segnala Inserita: 15 settembre 2023 (modificato) 41 minuti fa, Mario1985 ha scritto: Livio, cortesemente, mi puoi dire il marca/modello, non sono espertissimo. Grazie Marca e modello del relè? Qualsiasi relè con bobina a 230V e 2 contatti di scambio. Se guardi il catalogo Finder hai solo l'imbarazzo della scelta. Dimenticavo! Se il sensore di movimento non è temporizzato la luce si accende ma si spegnerà praticamente subito dopo che è transitato il veicolo. Pubblica marca e modello del sensore che cerchiamo di vederne i dati tecnici per capirci un po' di più. Modificato: 15 settembre 2023 da Livio Orsini
Mario1985 Inserita: 16 settembre 2023 Autore Segnala Inserita: 16 settembre 2023 Il 15/9/2023 alle 08:30 , Livio Orsini ha scritto: Marca e modello del relè? Qualsiasi relè con bobina a 230V e 2 contatti di scambio. Se guardi il catalogo Finder hai solo l'imbarazzo della scelta. Dimenticavo! Se il sensore di movimento non è temporizzato la luce si accende ma si spegnerà praticamente subito dopo che è transitato il veicolo. Pubblica marca e modello del sensore che cerchiamo di vederne i dati tecnici per capirci un po' di più. https://amzn.eu/d/cxYbGxC tipo questo? Il pir ha il temporizzatore. Marca e modello non la ricordo, lo preso da bricofer, sono andato a rivedere sul sito ma non c'è più.
click0 Inserita: 16 settembre 2023 Segnala Inserita: 16 settembre 2023 usare il sensore come un pulsante(con scala tempo a 1 o 2 secondi)?!
Livio Orsini Inserita: 16 settembre 2023 Segnala Inserita: 16 settembre 2023 (modificato) 44 minuti fa, Mario1985 ha scritto: https://amzn.eu/d/cxYbGxC tipo questo? No, questo non va bene, deve avere un contatto di scabio NC-NO, questo ha solo il contatto NO Però potresti usarlo come puslante in parallelo agli altri comandi luce. Modificato: 16 settembre 2023 da Livio Orsini
Mario1985 Inserita: 16 settembre 2023 Autore Segnala Inserita: 16 settembre 2023 5 ore fa, Livio Orsini ha scritto: No, questo non va bene, deve avere un contatto di scabio NC-NO, questo ha solo il contatto NO Però potresti usarlo come puslante in parallelo agli altri comandi luce. Il 15/9/2023 alle 08:30 , Livio Orsini ha scritto: Il sensore è un vemer sensor 200
Mario1985 Inserita: 16 settembre 2023 Autore Segnala Inserita: 16 settembre 2023 6 ore fa, click0 ha scritto: usare il sensore come un pulsante(con scala tempo a 1 o 2 secondi)?! Cioè dovrei collegare il filo di uscita della luce del sensore insieme con i fili dei pulsanti e impostato il tempo il meno possibile? Non c'è il rischio che vada in corto l'impianto?
Mario1985 Inserita: 16 settembre 2023 Autore Segnala Inserita: 16 settembre 2023 5 ore fa, Livio Orsini ha scritto: No, questo non va bene, deve avere un contatto di scabio NC-NO, questo ha solo il contatto NO Però potresti usarlo come puslante in parallelo agli altri comandi luce. Però scusa Livio, ci stai girando in tondo, dammi un link del relè, te lo detto non sono espertissimo. Grazie
Maurizio Colombi Inserita: 16 settembre 2023 Segnala Inserita: 16 settembre 2023 (modificato) Perdonami se mi intrometto, ma il fatto di 24 minuti fa, Mario1985 ha scritto: dammi un link del relè, non ti risolve il problema, anche e soprattutto se 24 minuti fa, Mario1985 ha scritto: non sono espertissimo sapresti poi come collegarlo? Modificato: 16 settembre 2023 da Maurizio Colombi
Mario1985 Inserita: 16 settembre 2023 Autore Segnala Inserita: 16 settembre 2023 Ciao, Maurizio, studio, imparo, provo al banco (con tutte le sicurezze necessarie). Non ci riesco, riprovo finché non risolvo. In qualche modo devo uscire vincitore.
Livio Orsini Inserita: 17 settembre 2023 Segnala Inserita: 17 settembre 2023 (modificato) 14 ore fa, Mario1985 ha scritto: Però scusa Livio, ci stai girando in tondo, dammi un link del relè, te lo detto non sono espertissimo. Grazie Se nonostante le mie spiegazioni, non riesci a reperire un relè adatto, mi figuro poi tutte le difficoltà per collegare il tutto in modo corretto; collegare in modo corretto non significa solo che le luci si accendono senza causare rotture o altri guai. A parte il problema legale, di cui poco mi importa perchè la responsabilità non è mia, c'è proprio un problema di competenze. Secondo le leggi attuali, un cittadino sprovvisto della certificazione di installatore/impiantista elettrico, può effettuare solo operazioni di ordinaria amministrazione come: cambiare una lampadina, installare un elettrodomestico di libera installazione (che sono quelli dove è sufficiente infilare una spina in una presa), riarmare un interruttore automatico. Però, per conto mio, una persona in casa propria può fare tutto quello che vuole, purchè sappia farlo a regola d'arte. Terminata quella che ritengo sia una doverosa premessa, se proprio vuoi procedere senza rivolgerti a persona competente, ti metto un link ad un relè adatto, poi vedi tu. Ti metto il link del medesimo venditore di quello che avevi scelto tu. Modificato: 17 settembre 2023 da Livio Orsini
click0 Inserita: 17 settembre 2023 Segnala Inserita: 17 settembre 2023 In questo momento, Mario1985 ha scritto: Cioè dovrei collegare il filo di uscita della luce del sensore insieme con i fili dei pulsanti e impostato il tempo il meno possibile? Non c'è il rischio che vada in corto l'impianto? basta prestare attenzione a come si collega e corti non ne fai (al limite se ha il contatto derivato direttamente dalla fase di alimentazione si puo provare ad alimentare con neutro e fase scambiati, si aggiunge un rele di appoggio ecc ecc) comunque, a me pare strano che se hai un sensore di movimento in parallelo con un contatto di un luce scale quest'ultimo si guasti...
piergius Inserita: 18 settembre 2023 Segnala Inserita: 18 settembre 2023 Il 13/9/2023 alle 20:35 , Mario1985 ha scritto: tutto bello, tutto perfetto, tranne che per una cosa, ha "eliminato" 3 relè luci scale, questo perché essendo l'uscita della luce del sensore collegata con l'uscita della luce del relè, lo va ad attivare e, con il tempo lo ammazza. . Il 17/9/2023 alle 10:51 , click0 ha scritto: , a me pare strano che se hai un sensore di movimento in parallelo con un contatto di un luce scale quest'ultimo si guasti Esistono più Collegamenti "3 Fili" : Standard : Ritorno Pulsanti, Ritorno Lampade + Neutro, Oppure i primi elettronici di tipo "Proprietario", ad esempio, : Fase, Neutro + unico Ritorno in comune tra Lampade e Pulsanti . Ne riparai uno basato su 2 Transistor e 3 o 4 tra Condensatori e Resistori, quando muovevo i primi passi nell' Elettricità . Era un po' delicato, infatti la Corrente di Spunto delle Lampade circolava nel Pulsante finché era premuto, poi subentrava il Temporizzatore . - Buona serata !
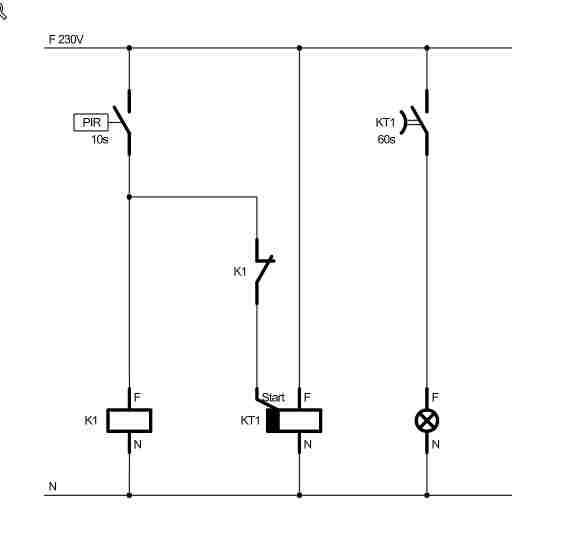
mapa.cd Inserita: 11 dicembre 2025 Segnala Inserita: 11 dicembre 2025 Io no riesco a capire il circuito che descrive il moderatore Orsini. Qualcuno può postare uno schema! Ho anche io lo stesso problema e l'unica soluzione che riesco ad immaginare è un PIR che non sia temporizzato; un PIR che si comporta esattamente come un pulsante. ...a trovarlo!
mapa.cd Inserita: 11 dicembre 2025 Segnala Inserita: 11 dicembre 2025 Potrebbe funzionare questo circuito?
Livio Orsini Inserita: 12 dicembre 2025 Segnala Inserita: 12 dicembre 2025 Ti sei accodato ad una discussione inattiva da oltre 1 anno. Gli accodamenti, comunque sono sempre vietati. Se vuoi risposte apri una tua discussione sull'argomento di tuo ionteresse.
Messaggi consigliati