Barrags Inserito: 20 settembre 2023 Segnala Inserito: 20 settembre 2023 Salve a tutti, vorrei realizzare un piccolo circuito con un sensore di prossimita ad infrarossi che mi permetta di pilotare un rele per far accendere una luce. Premetto che si lavora a 12v, quindi ho preso un regolatore di tensione per alimentare il sensore che ammette un massimo di 5v. il sensore ha una uscita di 5v negativa quando incontra un’ostacolo e quindi rileva qualcosa. chi me l’ha venduto mi ha detto che potevo pilotare un rele, ma cosi non é. non ha la forza per muoverlo e addirittura il sensore va in tilt(ne ho bruciato gia uno). premetto che non voglio utilizzare arduino o cose simili in quanto non pratico. Sicuramente saprete darmi dei buoni consigli in merito. pensavo di mettere all’uscita del sensore un transistor per poi alimentare il rele(se pilotasse un rele 12v ancora meglio). Non sono praticissimo sui calcoli e su cosa utilizzare, ma mi sto impegnado e piano piano riesco a fare delle cosettine. grazie in anticipo
Livio Orsini Inserita: 20 settembre 2023 Segnala Inserita: 20 settembre 2023 2 ore fa, Barrags ha scritto: il sensore ha una uscita di 5v negativa quando incontra un’ostacolo e quindi rileva qualcosa. Quesi sensori vanno alimentati con +5V e 0V; quando rilevano la presenza di un corpo riflettente la tensione di uscita scenda in prossimità di 0V Hai necessità di usare almeno un transistor PNP per pilotare un relè. Il relè può essere benissimo con bobina a 5V ed essere in grado di commutare carichi alimentati a 230Vac. Chi ti ha venduto quel sensore avrà senz'altro relè a 5V o schedine con 2 o 4 relè di quel tipo. Cosa vuoi pilotare con il relè? Se hai pazienza qualche ora ti metto uno schemino.
NovellinoXX Inserita: 20 settembre 2023 Segnala Inserita: 20 settembre 2023 (modificato) Ciao, io, per non complicarmi la vita, avrei preso un modulo già dotato di relè, tipo questo. Fai attenzione che questi tipi di sensore hanno una portata molto limitata. (10/20 cm) Modificato: 20 settembre 2023 da NovellinoXX
Dumah Brazorf Inserita: 20 settembre 2023 Segnala Inserita: 20 settembre 2023 Perchè non ti procuri un sensore pir già integrato con un relè tipo quello dei faretti notturni? Funzionano a 220V, se ti servono 12V colleghi l'alimentatore in uscita dal pir. Oppure ne trovi anche già a 12V.
Barrags Inserita: 20 settembre 2023 Autore Segnala Inserita: 20 settembre 2023 (modificato) 4 ore fa, Livio Orsini ha scritto: Quesi sensori vanno alimentati con +5V e 0V; quando rilevano la presenza di un corpo riflettente la tensione di uscita scenda in prossimità di 0V Hai necessità di usare almeno un transistor PNP per pilotare un relè. Il relè può essere benissimo con bobina a 5V ed essere in grado di commutare carichi alimentati a 230Vac. Chi ti ha venduto quel sensore avrà senz'altro relè a 5V o schedine con 2 o 4 relè di quel tipo. Cosa vuoi pilotare con il relè? Se hai pazienza qualche ora ti metto uno schemino. Grazie mille!! Con il rele ho due opzioni: o pilotare delle strisce led rosse, o pilotare un rele temporizzato 12v con start che piloti le strisce led. é una idea che vado sviluppando poco a poco…pero se gia raggiungo questo obbiettivo é gia moltissimo Modificato: 20 settembre 2023 da Barrags Errore di scrittura
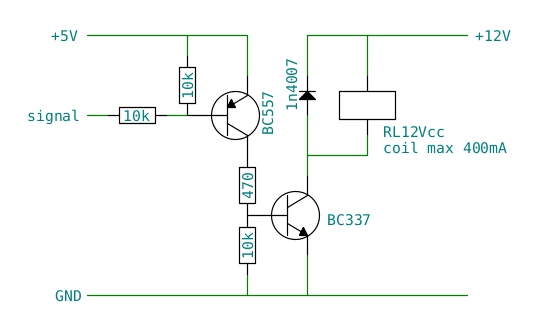
Barrags Inserita: 20 settembre 2023 Autore Segnala Inserita: 20 settembre 2023 2 ore fa, Claudio F ha scritto: Ad esempio: Grandioso!!grazie mille..compro tutto e vi faccio sapere
Barrags Inserita: 20 settembre 2023 Autore Segnala Inserita: 20 settembre 2023 2 ore fa, Claudio F ha scritto: Ad esempio: Grandioso!!grazie mille..compro tutto e vi faccio sapere
Barrags Inserita: 20 settembre 2023 Autore Segnala Inserita: 20 settembre 2023 2 ore fa, Claudio F ha scritto: Grazie Novellinoxx non é una cattiva idea..potrei comparlo..l’unica cosa é l’ingombro…é per uso automotive…lo devo mettere dentro il pannello. Dumah quello non va bene per quello che mi serve altrimenti rileverebbe anche il movimento delle persone all’interno dell’abitacolo…comunque grazie davvero per i consigli
Dumah Brazorf Inserita: 20 settembre 2023 Segnala Inserita: 20 settembre 2023 Forse se spieghi meglio come ti aspetti che il sistema funzioni magari scopriamo che c'è una soluzione migliore. Tipo se hai bisogno di rilevare ostacoli a pochi cm come un sensore di parcheggio usi un sensore a ultrasuoni non un pir.
Barrags Inserita: 20 settembre 2023 Autore Segnala Inserita: 20 settembre 2023 3 ore fa, Dumah Brazorf ha scritto: Forse se spieghi meglio come ti aspetti che il sistema funzioni magari scopriamo che c'è una soluzione migliore. Tipo se hai bisogno di rilevare ostacoli a pochi cm come un sensore di parcheggio usi un sensore a ultrasuoni non un pir. In pratica questo sensore lo metto dietro la maniglia per aprire la porta, e segnala con una luce rossa esterna, che qualcuno sta per aprire la porta. Con il sensore a infrarossi non dovrei avere farsi allarmi..ma voglio che si attivi ancora prima di tirare la leva
Dumah Brazorf Inserita: 20 settembre 2023 Segnala Inserita: 20 settembre 2023 La maniglia della portiera? Come ce lo fai stare e come lo tari una roba del genere? E se invece usassi un contatto capacitivo? Incolli una strisciolina di alluminio dietro alla maniglia e come uno tocca...
Barrags Inserita: 20 settembre 2023 Autore Segnala Inserita: 20 settembre 2023 3 ore fa, Dumah Brazorf ha scritto: La maniglia della portiera? Come ce lo fai stare e come lo tari una roba del genere? E se invece usassi un contatto capacitivo? Incolli una strisciolina di alluminio dietro alla maniglia e come uno tocca... Buona idea…ne faro tesoro…pero adesso ho un po di premura per presentare questo progetto..vorrei comprare l’arduino ma devo imparare ad usarlo…comunque questo é solo l’inizio..che modello di arduino é quello nel video? In realta con arduino pensavo anche di creare un’interfaccia can bus per facilitare il funzionamento del sistema…ma ripeto…non ho esperienza ancora, e nemmeno ho l’arduino😂
Barrags Inserita: 20 settembre 2023 Autore Segnala Inserita: 20 settembre 2023 3 ore fa, Dumah Brazorf ha scritto: La maniglia della portiera? Come ce lo fai stare e come lo tari una roba del genere? E se invece usassi un contatto capacitivo? Incolli una strisciolina di alluminio dietro alla maniglia e come uno tocca... Tieni conto che non tutte le maniglie sono in metallo…l’importante é che se per esempio sfiori con il gomito della giacca la maniglia, non si azioni il sistema
Livio Orsini Inserita: 21 settembre 2023 Segnala Inserita: 21 settembre 2023 10 ore fa, Barrags ha scritto: .che modello di arduino é quello nel video? E un arduino nano, li trovi per pochi euro in tanti siti on line. 10 ore fa, Barrags ha scritto: pero adesso ho un po di premura per presentare questo progetto.. Cos'è? Un progetto scolastico? 9 ore fa, Barrags ha scritto: l’importante é che se per esempio sfiori con il gomito della giacca la maniglia, non si azioni il sistema Se usi un sensore a infrarossi è quasi certo che il sistema venga azionato. Hai accennato a porte e portiere;ratta forse di un sistema veicolare?
NovellinoXX Inserita: 21 settembre 2023 Segnala Inserita: 21 settembre 2023 16 ore fa, Barrags ha scritto: segnala con una luce rossa esterna, che qualcuno sta per aprire la porta Trovo alquanto strana questa idea, hai a bordo qualcuno che ti "scappa" dall'auto in movimento? 😀 Invece trovo utile inserire un led per segnalare la posizione della maniglia interna. Vi e' mai capitato di dover uscire da un auto che non conoscete al buio e cercare a tentoni la maniglia? Pensate a quanti secondi si perdono in caso di incidente con incendio e in preda al panico. Dotare tutte le auto di questo "gadget" lo farei obbligatorio per legge.
Barrags Inserita: 21 settembre 2023 Autore Segnala Inserita: 21 settembre 2023 2 ore fa, Livio Orsini ha scritto: E un arduino nano, li trovi per pochi euro in tanti siti on line. Cos'è? Un progetto scolastico? Se usi un sensore a infrarossi è quasi certo che il sistema venga azionato. Hai accennato a porte e portiere;ratta forse di un sistema veicolare? No é un progetto mio personale…voglio capire se puo essere una cosa che puo funzionare in un’automobile e se si possa implementare bene in essa…chiaramente questo é giusto a livello sperimentale…quando ho tempo libero mi ci dedico…lavorando in un centro installazioni non ho molto tempo
Barrags Inserita: 21 settembre 2023 Autore Segnala Inserita: 21 settembre 2023 1 ora fa, NovellinoXX ha scritto: Trovo alquanto strana questa idea, hai a bordo qualcuno che ti "scappa" dall'auto in movimento? 😀 Invece trovo utile inserire un led per segnalare la posizione della maniglia interna. Vi e' mai capitato di dover uscire da un auto che non conoscete al buio e cercare a tentoni la maniglia? Pensate a quanti secondi si perdono in caso di incidente con incendio e in preda al panico. Dotare tutte le auto di questo "gadget" lo farei obbligatorio per legge. Molte volte la gente parcheggia e non ha la cura di vedere prima di aprire la porta…li accadono gli incidenti..puo passare una bici, una moto, un’auto, una persona….mettendo una luce in zona specchietto destro e sinistro…quando scendi o stai per scendere viene segnalata l’azione.
Dumah Brazorf Inserita: 21 settembre 2023 Segnala Inserita: 21 settembre 2023 (modificato) Mi pare un modo per deresponsabilizzare il pirla che dovrebbe badare a quello che fa e non il disgraziato che ci finisce contro. Modificato: 21 settembre 2023 da Dumah Brazorf
NovellinoXX Inserita: 21 settembre 2023 Segnala Inserita: 21 settembre 2023 30 minuti fa, Dumah Brazorf ha scritto: Mi pare un modo per deresponsabilizzare il pirla che dovrebbe badare a quello che fa e non il disgraziato che ci finisce contro Esatto. Se e' per quel motivo, sulla centralina dei servizi convergono tutti i pulsanti apertura porte, si potrebbero sfruttare quelli, o anche il segnale che accende la luce di cortesia. Si attivano al primo scatto della serratura, non prima, ma meglio che niente. A volte, uscendo dai parcheggi in retromarcia, mi capita di avere un furgone o un suv che mi ostacola la visibilità. In questi casi accendo le quattro frecce (in aggiunta alle luci di retomarcia) per far capire a chi sopraggiunge che ho qualche difficoltà; vi posso garantire che nessuno rallenta, eccezionalmente qualcuno fa il clakson. Per concludere, il conducente e' responsabile anche per i trasportati; e' lui che deve guardare se sopraggiunge qualcuno e impedire l'apertura degli sportelli.
Messaggi consigliati
Crea un account o accedi per commentare
Devi essere un utente per poter lasciare un commento
Crea un account
Registrati per un nuovo account nella nostra comunità. è facile!
Registra un nuovo accountAccedi
Hai già un account? Accedi qui.
Accedi ora