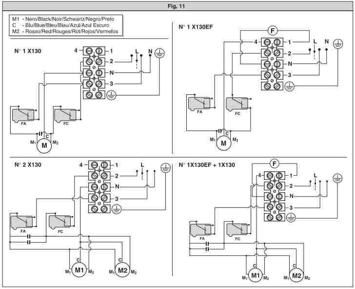
Gigno Inserito: 11 ottobre 2023 Segnala Inserito: 11 ottobre 2023 Buongiorno e complimenti per il forum. Molto ricco di informazioni. Vengo al dunque. Ho trovato nel mio garage, tra le tante tante cose, un motore di serranda che aveva preso mio padre anni fa. La marca è BFT modello X130 P. Vorrei provare se funziona ma ha i fili dei collegamenti staccati. Facendo ricerche ho trovato il manuale ma (sicuramente per mia inesperienza) non sono riuscito a decifrare. So che dovrebbe esserci un connettore ma evidentemente è stato staccato. Mi potete aiutare a risolvere il problema? Allego sia la foto del mio motore che del manuale. Grazie Anticipatamente
Stefano Dalmo Inserita: 11 ottobre 2023 Segnala Inserita: 11 ottobre 2023 (modificato) Scusa , ma il motore non si vede sta nel posteriore , quella e' la scatola dei finecorsa , in cui è collocato il condensatore. I cavi sono quei tre in alto a destra . Il filo comune e' grigio , poi collegato col rosso gira in un senso , collegato col nero gira inverso . Quindi su grigio e rosso e su grigio e nero . Scusa avevo guardato i colori sullo schema . Modificato: 14 ottobre 2023 da Stefano Dalmo
Gigno Inserita: 14 ottobre 2023 Autore Segnala Inserita: 14 ottobre 2023 (modificato) Non c'è il cavetto di colore blu. C'è grigio, giallo verde, rosso e nero Modificato: 14 ottobre 2023 da Gigno
Stefano Dalmo Inserita: 14 ottobre 2023 Segnala Inserita: 14 ottobre 2023 5 ore fa, Gigno ha scritto: Non c'è il cavetto di colore blu. C'è grigio, giallo verde, rosso e nero Scusa , ho corretto , il colore comune è grigio . Il giallo verde è la terra. Avevo visto i colori dello schema.
Messaggi consigliati
Crea un account o accedi per commentare
Devi essere un utente per poter lasciare un commento
Crea un account
Registrati per un nuovo account nella nostra comunità. è facile!
Registra un nuovo accountAccedi
Hai già un account? Accedi qui.
Accedi ora