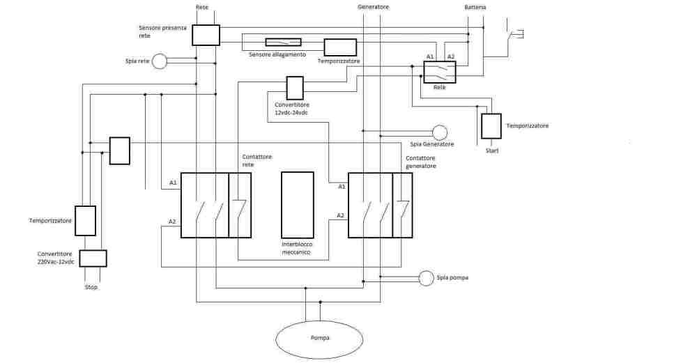
Francesc0 Inserito: 8 novembre 2023 Segnala Inserito: 8 novembre 2023 Salve a tutti, è la prima volata che scrivo nel forum, anche se vi leggo abbastanza spesso. Vorrei chiedervi un parere su un un quadro di avviamento automatico per una pompa sommersa per il garage. Questo è lo schema che ho buttato giù, è solo una bozza che ho buttato giù per capire cosa mi può servire e la logica di funzionamento. Il principio di funzionamento è il seguente: ci sono due contattori interbloccati elettricamente e meccanicamente per il lato rete e lato generatore. Nel momento che va via la corrente si attiva la parte di comando lato generatore tramite un sensore di presenza rete (in serie c'è anche un sensore allegamento in quanto il generatore deve partire solo quando l'acqua comincia ad entrare nel garage altrimenti non ce n'è bisogno). Sempre in serie c'è un temporizzatore che ha il compito di attivare il relè che farà partire il generatore dopo X secondi , per evitare che il generatore parta per interruzioni di corrente dell'ordine di qualche secondo. il relè comanda sia contattore che l'avviamento (con temporizzatore ). Sempre lato comando del generatore ho inserito un convertitore (passatemi il termine) da 12vdc a 24vdc per il contattore. Nel momento in cui torna la corrente, viene riaperto il contattore lato generatore e vengono attivati due temporizzatori , uno per la chiusura del contattore lato rete ed uno per lo stop al generatore (prima si spegne il generatore poi viene chiuso il contattore). anche in questo caso i temporizzatori servono per evitare che il generatore si spenga a causa di riallacciamenti di corrente di pochi secondi. Mancano ancora alcune cose da inserire come un caricabatterie, qualche spia , un controllo accensione settimanale del generatore, un controllo più efficace sullo start al generatore ( penso an contatore che faccia scattare un allarme dopo x fallimenti accensione). Cosa ne pensate? Avete qualche suggerimento? Grazie in anticipo Francesco
ivano65 Inserita: 8 novembre 2023 Segnala Inserita: 8 novembre 2023 in ogni caso il quadro deve essere di tipo omologato. quando si commuta rete e generatore non sono ammessi quadri o apparecchiature autocostruite. se poi lo vuoi realizzare lo stesso devi essere coscente dei rischi che corri in caso di incidenti nel circondario in occasione di blakout
Francesc0 Inserita: 8 novembre 2023 Autore Segnala Inserita: 8 novembre 2023 Buonasera Ivano grazie per la risposta. Sinceramente non lo sapevo, sono in ing.meccanico che si diletta in piccoli impianti elettrici e mi ero messo in testa di realizzarne uno.avevo cercato un po' su internet, ma non ho trovato vie di mezzo, o quadri che costano un occhio della testa o quadri che trovi intorno ai 350 euro che però sono due contattori interbloccati o poco più. Sai se per caso , essendo alla fine un impianto elettrico, può essere omologato da un elettricista professionista?
Livio Orsini Inserita: 9 novembre 2023 Segnala Inserita: 9 novembre 2023 Se abiti in casa unifamiliare, anche se non dovrei scriverlo, puoi anche fregartene dell'omologazione. Ovviamente essendo coscente che in caso di incidente un'assicurazione non coprirà i danni da responsabilità civile. Oltre al fatto che dovrai assumerti anche la responsabilità di tutto. Se hai un generatore con partenza automatica, in caso di mancanza rete, la commutazione tra i due generatori (contatore e gruppo elettrogeno) è abbastanza semplice: due telesezionatori sotto carico con interblocco. In pratica l'attuale montante che, dal contatore, va al centralino domestico dovrà andare al sistema di commutazione e da li uscire per andare al centralino.
Francesc0 Inserita: 9 novembre 2023 Autore Segnala Inserita: 9 novembre 2023 Buongiorno Livio, come dici tu abito in una casa unifamiliare è per questo che mi era venuta questa idea....in condominio non ci avrei neanche pensato. Attualmente ci sono due centralini , uno in casa ed uno in garage, ognuno con il suo interruttore differenziale e i vari magnetotermici per sezionare le varie utenze. La mia idea era quella di collegare il quadro dopo il magnetotermico della pompa in quanto l'unica cosa che mi interessa è che la pompa possa sempre essere pronta anche in caso di blackout prolungati. Per questo motivo ho inserito nello schema anche un sensore di allegamento, perché anche in caso di blackout, se non piove (o comunque piove poco) non deve partire. Ne approfitto per farvi alcune domande: 1- non ricordo se la pompa è 1.5cv o 1.5kw , quindi farò l'eventuale dimensionamento su 1.5kw. Per i contattori avevo pensato a due modelli che possano supportare almeno 12A in ac3. credete che siano sufficienti ? facendo un conto a spanne dovrebbe assorbire circa 6.5A, ma allo spunto non ne ho idea 2- per la bobina del contattore lato rete, quello che poi rimarrebbe sempre attaccato, è preferibile una tensione in particolare per salvaguardarne la durata? 3- sempre per salvaguardare la durata dei contattori è meglio utilizzare dei quadripolari con collegamento 2+2 in serie, o tripolare con 2+1? grazie in anticipo per la disponibilità
Livio Orsini Inserita: 9 novembre 2023 Segnala Inserita: 9 novembre 2023 35 minuti fa, Francesc0 ha scritto: non ricordo se la pompa è 1.5cv o 1.5kw , quindi farò l'eventuale dimensionamento su 1.5kw. No. Devi dimensionare in più perchè, anche se è una pompa, alla partenza il motore assorbe molta più corrente. Consiglio: cerca le specifiche della motopompa e verifica la corrente di spunto, poi dimensiona il generatore in moto che possa fornire una corrente maggiore della corrente di spunto. Questo se vuoi la certezza che in caso di necessità la pompa parta. 38 minuti fa, Francesc0 ha scritto: Per i contattori avevo pensato a due modelli che possano supportare almeno 12A in ac3. Si penso di si. Se consideri lamcorrente in AC3 prendi come riferimento la corrente di targa del motore. Essendo AC3 lo spunto è già stato considerato. 40 minuti fa, Francesc0 ha scritto: 2- per la bobina del contattore lato rete, quello che poi rimarrebbe sempre attaccato, è preferibile una tensione in particolare per salvaguardarne la durata? 3- sempre per salvaguardare la durata dei contattori è meglio utilizzare dei quadripolari con collegamento 2+2 in serie, o tripolare con 2+1? grazie in anticipo per la disponibilità Non è necessario, scegli la bobina a 230V così non ti complichi la vita con trasformatori. Le bobine sono dimensionate per essere energizzate in modo continuo. Ci sono contattori, nelle macchine a ciclo continuo, che si chiudono e rimangono chiusi h24 per mesi e mesi. Se il contattore è dimensionato in modo corretto è sufficiente, essendo un mono fase, che abbia 2 contatti. Se vuoi mettere un quadripolare con i contatti in serie è uno spreco, anche se aumenta l'affidabilità in apertura. 45 minuti fa, Francesc0 ha scritto: La mia idea era quella di collegare il quadro dopo il magnetotermico della pompa Meglio mettere lo scambio di alimentazione prima del magnetotermico, così mantieni la protezione.
Francesc0 Inserita: 9 novembre 2023 Autore Segnala Inserita: 9 novembre 2023 Grazie Livio per i preziosi suggerimenti li terrò sicuramente a mente. Per caso hai dato un'occhiata allo schema che ho postato? hai qualche suggerimento o hai notato qualche criticità? non so se è abbastanza chiaro , ma sono schemi che uso fare per organizzare le idee e che nel mio caso trovo molto comodi anche se ben lontani da uno schema elettrico fatto come si deve. ps. ho anche dimenticato di cancellare una derivazione dal lato rete, non consideratela
Livio Orsini Inserita: 9 novembre 2023 Segnala Inserita: 9 novembre 2023 11 minuti fa, Francesc0 ha scritto: Per caso hai dato un'occhiata allo schema che ho postato? No, non l'ho analizzato ma, a occhio, mi sembra un po' troppo complicato. Più le cose sono semplici meno probabilità ci sono di guasti e mal funzionamenti. Teoricamente è sufficiente un relè che cada qunado manca la rete. Si usa un suo contatto NC con in serie il contatto del sensore per far avviare il generatore. A generatore avviato si usa la tensione del generatore per commutare l'alimentazione della pompa. Se si fa lo scambio prima del magneto termico della pompa, non seno necessarie ulteriori protezioni, tranne la protezione generale in uscita dal generatore.
Francesc0 Inserita: 9 novembre 2023 Autore Segnala Inserita: 9 novembre 2023 Cavolo non ci avevo proprio pensato, modificando come mi hai suggerito riesco ad eliminare un bel pò di componenti ottenendo lo stesso effetto. Questo fine settimana sono impegnato e non riesco, inizio prossima settimana modifico come da tuoi suggerimenti e vi aggiorno
Messaggi consigliati
Crea un account o accedi per commentare
Devi essere un utente per poter lasciare un commento
Crea un account
Registrati per un nuovo account nella nostra comunità. è facile!
Registra un nuovo accountAccedi
Hai già un account? Accedi qui.
Accedi ora