Vai al contenuto

Messaggi consigliati

Inserito:

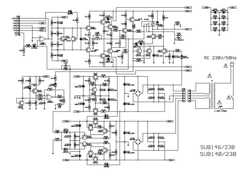
Buonasera a tutti, ho in riparazione una SubWoofer JBL 140/230 di cui ho lo schema applicativo. All'accensione appena si attiva lo stand BY e il led verde si illumina si sente un fruscio abbastanza fastidioso e poi diventa rumore a bassa frequenza . Dopo un numero imprecisato di minuti il tutto si attenua ed il rumore scompare. Rimane solo un leggero fruscio che penso sia normale quando è in funzione. Qualcuno ha qualche idea?scs140--scs146_service_manual17.jpg.00eedf375b3a3e9843952e88c5b4b71f.jpg

  • 11 months later...
KARMAELECTROMACANICK
Inserita:

Buonasera a tutti. Ho un sub JBL 200/230 che è molto simile allo schema presentato. L'apparecchio resta su st/by (led rosso anche in presenza del segnale) Qualcuno possiede lo schema completo? Grazie

Inserita:

Ciao, ti sei accodato ad una discussione di un anno fa, il regolamento lo vieta,

Questa discussione la chiudiamo, aprine pure una nuova.

 

 

***DISCUSSIONE CHIUSA***

  • Ivan Botta locked this discussione
Ospite
Questa discussione è chiusa alle risposte.
×
×
  • Crea nuovo/a...