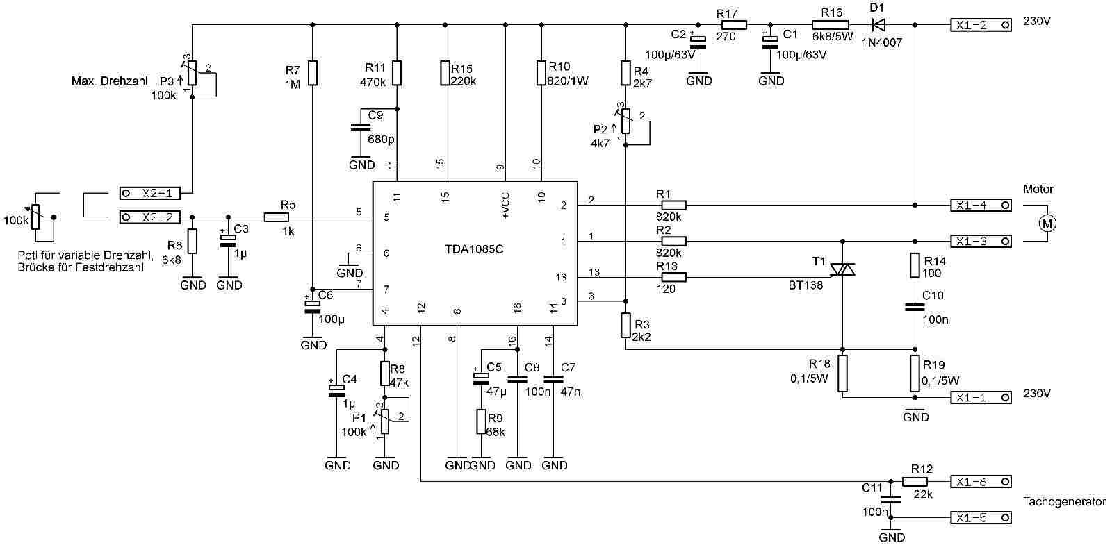
fioresara Inserito: 30 dicembre 2023 Segnala Inserito: 30 dicembre 2023 Avrei bisogno del vostro aiuto, secondo voi il seguente circuito è adatto per pilotare un motore di lavatrice con tachimetrica? Il mio dubbio è che la tachimetrica fornisce una tensione che va da zero a circa 60vca da zero a 14000 giri, misurata con multimetro digitale . Tale tensione sarà sopportata dall'integrato? Scusate ma non sono esperto sull'argomento, se potete darmi dei chiarimenti ve ne sarei grato. Grazie aspetto vostre notizie.
Livio Orsini Inserita: 30 dicembre 2023 Segnala Inserita: 30 dicembre 2023 L'ingresso 12, da data sheet accetta tensioni sino a +/- 1V, quindi dipende dal valore del resistore in serie. Bisogna vedere per quale tachimetrica è stato previsto il valore di 22k
ALLUMY Inserita: 30 dicembre 2023 Segnala Inserita: 30 dicembre 2023 Che significano quelle diciture "230V" alla dx dello schema? 😳
Ctec Inserita: 30 dicembre 2023 Segnala Inserita: 30 dicembre 2023 2 minuti fa, ALLUMY ha scritto: Che significano quelle diciture "230V" alla dx dello schema? Fase e neutro della tensione di rete di alimentazione
ALLUMY Inserita: 30 dicembre 2023 Segnala Inserita: 30 dicembre 2023 11 minuti fa, Ctec ha scritto: Fase e neutro della tensione di rete di alimentazione E hanno senso in quello schema?
del_user_308960 Inserita: 30 dicembre 2023 Segnala Inserita: 30 dicembre 2023 2 minuti fa, ALLUMY ha scritto: E hanno senso in quello schema? Anche secondo me non ne avevano, ma nel datasheet dell'IC, alimentano in maniera simile. A prima vista, sembra che l'IC comprenda una sezione che livella l'alimentazione.
ALLUMY Inserita: 30 dicembre 2023 Segnala Inserita: 30 dicembre 2023 Infatti, ho controllato anch'io adesso il datasheet e lo schema è proprio identico. Mi immagino cosa succederebbe ai due elettrolitici C1 e C2 se un domani l'integrato si aprisse 😬
del_user_308960 Inserita: 30 dicembre 2023 Segnala Inserita: 30 dicembre 2023 54 minuti fa, fioresara ha scritto: Scusate ma non sono esperto sull'argomento Il progetto non mi sembra adatto a inesperti. 56 minuti fa, fioresara ha scritto: va da zero a circa 60vca Nel datasheet, mi pare ci sia scritto che arrivi a 30v pp open circuit, con resistenza da 22k.
Ctec Inserita: 30 dicembre 2023 Segnala Inserita: 30 dicembre 2023 27 minuti fa, ALLUMY ha scritto: E hanno senso in quello schema? Senza non funziona una pippa. Altrimenti il motore (ed il circuito) chi lo alimenterebbe? E' la tensione di alimentazione del tutto, cioè la rete 230Vac di casa. Non per niente è un IC per pilotaggio di motori universali...
max.bocca Inserita: 30 dicembre 2023 Segnala Inserita: 30 dicembre 2023 Mi pare proprio che avevo fatto qualcosa con quell'integrato, la v di di retroazione e trava su un partitore per adattarla alla finestra prevista. Nel data sheet parla di 30Vpp come retroazione a 6000rpm.
fioresara Inserita: 30 dicembre 2023 Autore Segnala Inserita: 30 dicembre 2023 grazie per la vostra cortesia se ho ben capito mi basta giocare sulla resistenza da 22k , che a spanne se ora è adatta per tensioni fino a 30 volt, se la raddoppio dovrei essere a posto? scusate se ho detto una costroneria....
Livio Orsini Inserita: 30 dicembre 2023 Segnala Inserita: 30 dicembre 2023 2 ore fa, fioresara ha scritto: he a spanne se ora è adatta per tensioni fino a 30 volt, se la raddoppio dovrei essere a posto? Io farei un partitore e prenderei la tensione dal partitore, così sei più sicuro di non sfondare l'integrato.
Messaggi consigliati
Crea un account o accedi per commentare
Devi essere un utente per poter lasciare un commento
Crea un account
Registrati per un nuovo account nella nostra comunità. è facile!
Registra un nuovo accountAccedi
Hai già un account? Accedi qui.
Accedi ora