Elaboratore Inserito: 2 febbraio 2024 Segnala Inserito: 2 febbraio 2024 (modificato) Salve a tutti, per tentare la riparazione, cerco lo schema di questo alimentatore da banco: LONG WEI LW 3010KDS ho trovato un video che mostra questo modello https://youtu.be/wojmwvpz-OM Grazie . Modificato: 2 febbraio 2024 da Elaboratore
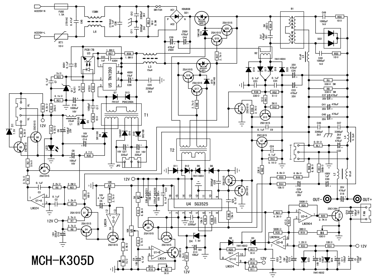
del_user_308960 Inserita: 4 febbraio 2024 Segnala Inserita: 4 febbraio 2024 Non ho trovato niente neppure io. Prova a vedere se trovi qualcosa di simile, almeno per capirne il funzionamento. Io ho trovato questo in foto sotto, ma in rete ce ne sono altri. Altrimenti, l'unica strada, è quella di aprirlo e cercare di farselo da soli uno schema.
Elaboratore Inserita: 11 febbraio 2024 Autore Segnala Inserita: 11 febbraio 2024 Grazie appena posso provo! Il 4/2/2024 alle 09:02 , Gennar0 ha scritto: Non ho trovato niente neppure io. Prova a vedere se trovi qualcosa di simile, almeno per capirne il funzionamento. Io ho trovato questo in foto sotto, ma in rete ce ne sono altri. Altrimenti, l'unica strada, è quella di aprirlo e cercare di farselo da soli uno schema.
Darlington Inserita: 11 febbraio 2024 Segnala Inserita: 11 febbraio 2024 anche a me sembra il classico PS-305D sotto un altro nome, prova a vedere se lo schema combacia con il tuo, molto probabilmente si
Messaggi consigliati
Crea un account o accedi per commentare
Devi essere un utente per poter lasciare un commento
Crea un account
Registrati per un nuovo account nella nostra comunità. è facile!
Registra un nuovo accountAccedi
Hai già un account? Accedi qui.
Accedi ora