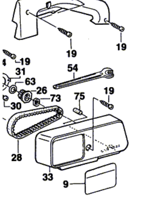
giovanni1946 Inserito: 4 febbraio 2024 Segnala Inserito: 4 febbraio 2024 (modificato) Ho smontato la mia pialla Bosch PHO 20-82 per una riparazione e alla fine mi ritrovo in mano due pezzi avanzati. Trattasi di due cilindretti di gomma di circa D.5 x 6mm. Dall'esploso trovato in rete del pialletto sembrerebbe l'articolo 75, denominato "parastrappi". Però lì ce n'è uno solo, mentre io ne ho due. Ormai l'ho rimontato e per adesso, visto che va bene, lo lascio così... pero se mi ricapita di smontarlo mi piacerebbe rimetterci questi pezzi. Ho fatto un ingrandimento del particolare 75... ma aiuta poco. Qualche idea? Grazie Modificato: 4 febbraio 2024 da giovanni1946
reka Inserita: 4 febbraio 2024 Segnala Inserita: 4 febbraio 2024 è tipo un antivibrante, serivrà a non far prendere colpi in avvio motore.. sul fonto del coperchio 33 sembrerebbe esserci una sede. Se sono due magari ce n'è uno dalla parte opposta. alla lunga potrebbe causare rotture.
Riccardo Ottaviucci Inserita: 5 febbraio 2024 Segnala Inserita: 5 febbraio 2024 (modificato) O.T. Leggendo questo post mi viene in mente l'orologiaio del mio paese al qual avanzavano sempre i pezzi dopo ogni riparazione,tant'è che si narrava volesse ricostruirne altri con i pezzi avanzati (sono storie che mi raccontava mio padre oltre 60 anni fa,poichè quell'orologiaio fu il suo mastro orologiaio) Adesso che ci penso ogni tanto capita anche a me 😂 Modificato: 5 febbraio 2024 da Riccardo Ottaviucci
Livio Orsini Inserita: 5 febbraio 2024 Segnala Inserita: 5 febbraio 2024 45 minuti fa, Riccardo Ottaviucci ha scritto: Adesso che ci penso ogni tanto capita anche a me A me capitava quando dovevo ripare le eterodine della Wandel, und Gottelman o Rhode Schwarz. Eran tanti scatolini, demoltipliche rinvii, et. tanto che, a parer mio, c'era più progettazione meccanica che elettronica. Alla fine lo strumento funzionava perfettamente, ma mi avanzavano sempre un po' di viti.😁 (Anche perchè i crucchi hanno l'abitudine di abbondare con viti e dadi)
NovellinoXX Inserita: 5 febbraio 2024 Segnala Inserita: 5 febbraio 2024 Il 4/2/2024 alle 09:11 , giovanni1946 ha scritto: Ormai l'ho rimontato e per adesso, visto che va bene, lo lascio così Se e' un parastrappi e' meglio che li metti tutti e tre a posto. Così com'è si rompe l'unico che hai montato e poi te ne manca uno
Messaggi consigliati
Crea un account o accedi per commentare
Devi essere un utente per poter lasciare un commento
Crea un account
Registrati per un nuovo account nella nostra comunità. è facile!
Registra un nuovo accountAccedi
Hai già un account? Accedi qui.
Accedi ora