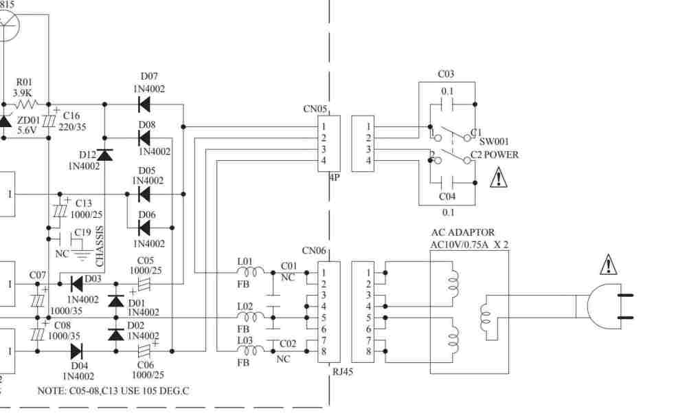
lifegate Inserito: 6 febbraio 2024 Segnala Inserito: 6 febbraio 2024 (modificato) Vorrei sapere se e come sarebbe possibile realizzare un alimentatore duale, ho un mixer che necessita di alimentatore duale AC, tipo il classico da 12V, ma con le caratteristiche sotto, che è andato perduto e non è reperibile, si connette tramite un connettore RJ45, le caratteristiche sono quelle nell'immagine, però dovrebbe essere a 220, chiedo, magari è una cosa fattibile Modificato: 6 febbraio 2024 da lifegate
stefano6767 Inserita: 7 febbraio 2024 Segnala Inserita: 7 febbraio 2024 (modificato) Io userei un semplice trasformatore con due uscite 9v + 9 v che si trova ovunque per pochi euro.. A mio parere funziona.. poi vediamo cosa dicono quelli più esperti di me.. Oppure se proprio voi 10 volte esatti una soluzione potrebbe essere questa. Prendi sempre un trasformatore 9v + 9 v ma toroidale.. e poi per ognuno dei due avvolgimenti secondari gli aggiungi qualche spira al fine di avere quel volt in più Modificato: 7 febbraio 2024 da stefano6767
Messaggi consigliati
Crea un account o accedi per commentare
Devi essere un utente per poter lasciare un commento
Crea un account
Registrati per un nuovo account nella nostra comunità. è facile!
Registra un nuovo accountAccedi
Hai già un account? Accedi qui.
Accedi ora