alex_train Inserito: 18 febbraio 2024 Segnala Inserito: 18 febbraio 2024 Buongiorno a tutti, Ho un cancello con scheda Fadini Elpro15 Plus. Un fulmine l'ha messa fuori uso. Ho sostituito un condensatore in poliestere da 250V ed un integrato 8 Darlington (usato per pilotare i relè) che era apparentemente integro, ma doveva essere guasto, scaldando parecchio (ora, il nuovo ha temperatura corretta). Non sembra che ci sia altro guasto ed i fusibili sono integri. Ora, il cancello si apre, ma non si chiude più, né con il contatto manuale, né col telecomando, né alla fine della temporizzazione. Ho smontato la scheda e cercato di estrarre una parte dello schema elettrico. Ho visto che dei tre fili che vanno al motore, con il centrale neutro, i due laterali dovrebbero essere pilotati in modo mutuamente esclusivo con la fase, a seconda della direzione di scorrimento del cancello. Questo avviene con un relè che porta la fase su uno o sull'altro terminale. La fase che arriva all'ingresso del relè, però è anche interrotta a monte da un triac, che si occupa così di spegnere il motore quando non deve lavorare. Il triac è pilotato dal microcontrollore della scheda. Come da schema di collegamento della scheda (che allego), ho cavallottato i contatti 1 e 2 delle fotocellule. Poi, ho cavallottato 3 e 6 per evitare il blocco. Poi, ho cavallottato 8, 9 e 10 per simulare i finecorsa con cancello nè chiuso nè aperto (a metà). Stato led: L1: ON L2: ON L3: OFF L4: OFF L5: ON L6: OFF L7: FLASHING L8: ON L9: ON Usando il contatto 7 ho simulato il telecomando per aprire. Il segnale di controllo del triac è andato alto (quindi il triac porta la fase al relè), il rele scatta e porta la fase a uno dei due fili laterali del motore per aprire il cancello. Ricontattando il contatto 7, però non succede più nulla ed il motore non inverte il moto. A quel punto, provo a simulare l'apertura completa del cancello, usando il segnale di finecorsa di apertura e rimuovendo il cavallotto sul contatto 10 (li led L9 si spegne, il relè si predispone per spostare la fase sull'altro terminale del motore, ma il comando del triac va basso ed il triac interrompe la fase). Il motore si è quindi fermato. Col contatto 7, simulo la chiusura con telecomando. Il relè, però, riscatta inaspettatamente indietro, come per riportare la fase sul terminale di apertura, e poi si riporta in avanti, ma niente fase sul terminale, che invertirebbe il motore. Avete suggerimenti? Grazie.
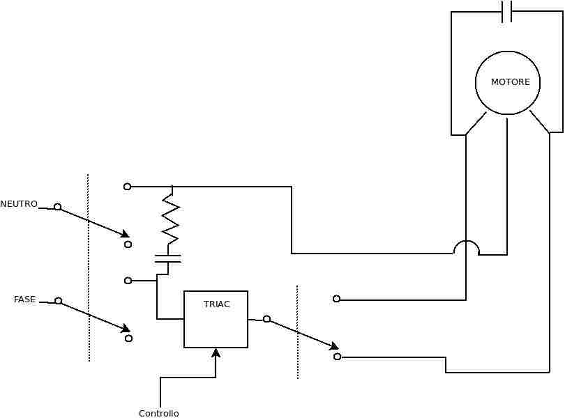
alex_train Inserita: 21 febbraio 2024 Autore Segnala Inserita: 21 febbraio 2024 Allego lo schema dei collegamenti col motore. Pare che il controllo del triac sia abilitato solo in apertura. Non so a cosa possa servire il condensatore con resistenza a sinistra.
reka Inserita: 21 febbraio 2024 Segnala Inserita: 21 febbraio 2024 ma hai escluso un problema alle fotocellule?
alex_train Inserita: 21 febbraio 2024 Autore Segnala Inserita: 21 febbraio 2024 (modificato) Allora, in effetti, lo avevo escluso perché le avevo cavallottate, ma ora ho fatto una prova impostando il DIP-SWITCH [1] a ON, così da bloccare anche in apertura in caso di intervento delle fotocellule (almeno penso che sia questo il significato). E purtroppo, che ci sia il cavallotto o no sulle fotocellule, in questo caso la fase non viene portata al motore nemmeno in apertura, quindi, pare che ci sia un problema all'input del microcontrollore, che sensa il segnale delle fotocellule... Mi sembra strano però che si sia danneggiato solo quell'input... Modificato: 21 febbraio 2024 da alex_train
miik Inserita: 27 aprile 2024 Segnala Inserita: 27 aprile 2024 Ciao stesso identico problema con cancello fadini, si apre ma non si chiude. Hai risolto?
Stefano Dalmo Inserita: 27 aprile 2024 Segnala Inserita: 27 aprile 2024 Ti rammento che il regolamento vieta accodarsi , fare domande per un problema proprio , lo equivale , purtroppo il regolamento lo vieta e io lo debbo far eseguire . non rispondere al mio intervento. Apri una tua discussione , magari risolvi prima . Oppure mandagli un messaggio privato con la messaggistica interna . Grazie .
Bravoemiliano Inserita: 28 aprile 2024 Segnala Inserita: 28 aprile 2024 Buongiorno a tutti, e' capitato spesso anche a me che il cancello si aprisse e non si chiudesse più, tutte le volte il problema era nelle fotocellule, di solito formiche che invadevano la fotocellula. La prova e semplice da fare basta passare la mano davanti e si dovrebbe sentire il clik del rele che scatta. Aperta la fotocellula, una soffiata con il compressore per pulire bene poi antiformiche nel tubo dei cavi e problema risolto, spesa zero
Messaggi consigliati
Crea un account o accedi per commentare
Devi essere un utente per poter lasciare un commento
Crea un account
Registrati per un nuovo account nella nostra comunità. è facile!
Registra un nuovo accountAccedi
Hai già un account? Accedi qui.
Accedi ora