Vai al contenuto
PLC Forum


PreAmp RIIA made in China e Gain


Messaggi consigliati

Inserito:

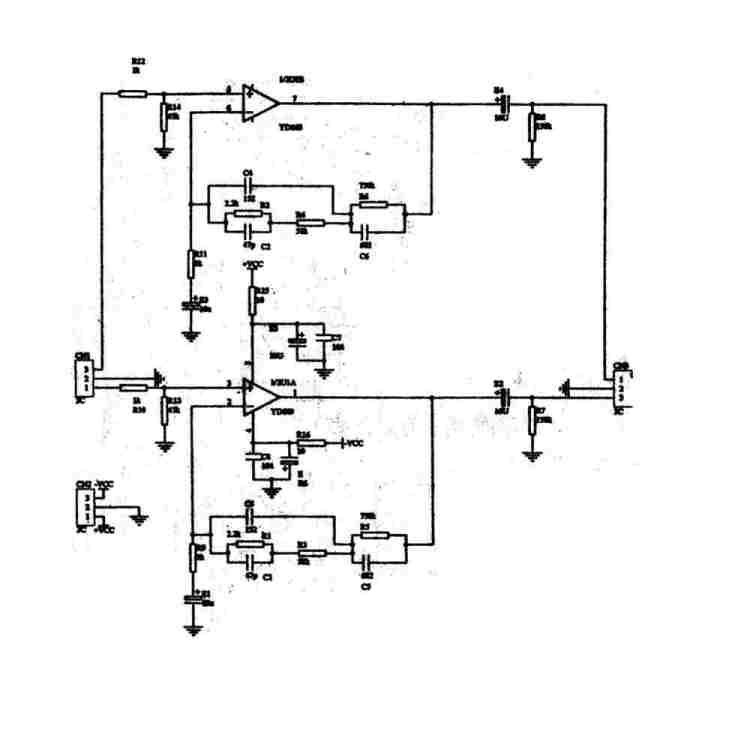
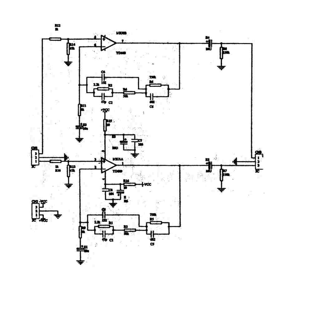
Salve a tutti ragazzi, ho questo PreAmp RIIA regalato che è stato acquistato dalla China, il preamp dico la verità non suona male anzi si comporta bene. Ho sostituito glie elettrolitici con dei condensatori Nichicon Gold ed è migliorato un pò. Ma vorrei sostituire anche quelli in poliestere e aggiungere un gain cosi da poter evitare di usarlo con un mixer o altro. Vi allego lo schema che ho trovato di questo RIIA anche se si vede male ma spero possiate aiutarmi nell'intento. Saluti 

LITE-IC-Phono-scheda-amplificatore-PCB-mobile-maganetico-MM-RIAA-Phonitor-giradischi.png_.jpg

LITE-IC-Phono-scheda-amplificatore-PCB-mobile-maganetico-MM-RIAA-Phonitor-giradischi.jpg_.jpg


Inserita: (modificato)
12 ore fa, Metropolis ha scritto:

Ma vorrei sostituire anche quelli in poliestere e aggiungere un gain

 

Con che tipo di condensatori vorresti sostituire quelli in poliestere?

Per avere un'uscita variabile, senza creare o scompensi nel filtro RIIA o compromettere il rapporto segnale-rumore, basta sostituire i due resistori finali con 2 potenziometri, prelevando il segnale dal cursore.

Modificato: da Livio Orsini
Inserita:
49 minuti fa, Livio Orsini ha scritto:

 

Con che tipo di condensatori vorresti sostituire quelli in poliestere?

Per avere un'uscita variabile, senza creare o scompensi nel filtro RIIA o compromettere il rapporto segnale-rumore, basta sostituire i due resistori finali con 2 potenziometri, prelevando il segnale dal cursore.

Ciao e grazie per la risposta, si vorrei sostituire i condensatori in poliestere perchè questi sono molto scadenti e si vede anche ad occhio, in particolar modo C3,C4,C6. I resistori finali quindi parliamo di sostituire R7 ed R8 con un potenziometro giusto? 

Inserita:
51 minuti fa, Metropolis ha scritto:

si vorrei sostituire i condensatori in poliestere perchè questi sono molto scadenti e si vede anche ad occhio, in particolar modo C3,C4,C6.

 

Ma io ti ho chiesto: "Con che tipo di condensatori vorresti sostituire quelli in poliestere?"

 

53 minuti fa, Metropolis ha scritto:

I resistori finali quindi parliamo di sostituire R7 ed R8 con un potenziometro giusto? 

 

Certamente; usa potenziometri di egual valore, o di valore molto vicino, dei resistori.

Crea un account o accedi per commentare

Devi essere un utente per poter lasciare un commento

Crea un account

Registrati per un nuovo account nella nostra comunità. è facile!

Registra un nuovo account

Accedi

Hai già un account? Accedi qui.

Accedi ora
×
×
  • Crea nuovo/a...