Vai al contenuto
test342

Messaggi consigliati

Inserito:

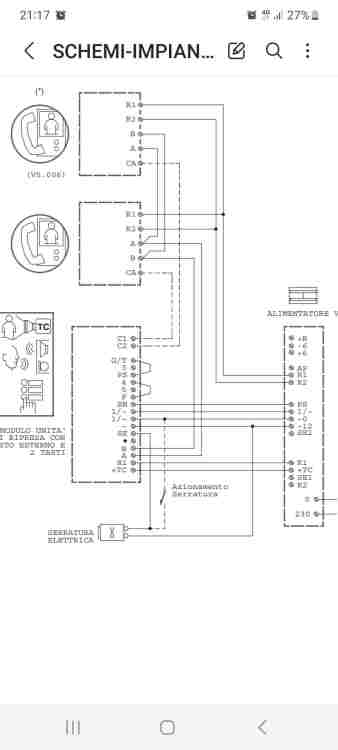
Buonasera a tutti, vorrei "automatizzare" l'apertura portone semplicemente suonando dal posto esterno (utilizzando un mini relè a 12 vac  nel posto interno).

qualcuno può dirmi a quale morsetto corrisponde l'arrivo chiamata dal posto esterno (tensione al ronzatore per evitare bobina relè) e quali sono i morsetti di NO dell'apriporta su questo videcitofono?

Ringrazio già da ora chi voglia darmi qualche suggerimento e/o informazione.

IMG_20240301_110008.jpg

Inserita: (modificato)

Il morsetto CA è dove arriva la chiamata  , ma non è una tensione a 12 V ac , è una frequenza modulata per generare sull altoparlante il "tilu-lilu-lilu"  ( notare la spiegazione tecnica 😁 ) .

 

È disponibile come accessorio un relè  particolare che ricevendo il segnale,  chiude un contatto , ma deve essere alimentato esternamente,  e sul videocitofono non è disponibile un 12 volt 

 

Va montato un piccoli trafo  , oppure modificare il tutto molto semplicemente,  sperando di avere cavetti di scorta verso l alimentatore. 

 

Fatto salve varie considerazioni ( se sei in condominio o impianto singolo )

 

Screenshot_20240323_221055_SamsungInternet.thumb.jpg.66ab021e49501113bc201578f97580bf.jpg

 

 

Screenshot_20240323_220927_SamsungInternet.thumb.jpg.52345b052fbdee2159cce21acc8e661b.jpg

Modificato: da luigi69
Inserita: (modificato)

Io al mio citofono Bticino, ho semplicemente prelevato dal commutatore del volume suoneria, il segnale attraverso una resistenza da 10 K e pilotato un BC 337 che attiva (nel mio caso) un timer e tiene acceso un monitor per il tempo preimpostato sul NE555.. a te basta che il BC 337 pilori direttamente un micro rele reed.. certo che ci vuole una tensione fissa.

Nello schema sono segnati i colori del mio impianto..

Cit1.JPG

Citofono.jpg

Modificato: da spippolone
Inserita:
22 ore fa, luigi69 ha scritto:

Il morsetto CA è dove arriva la chiamata  , ma non è una tensione a 12 V ac , è una frequenza modulata per generare sull altoparlante il "tilu-lilu-lilu"  ( notare la spiegazione tecnica 😁 ) .

 

È disponibile come accessorio un relè  particolare che ricevendo il segnale,  chiude un contatto , ma deve essere alimentato esternamente,  e sul videocitofono non è disponibile un 12 volt 

 

Va montato un piccoli trafo  , oppure modificare il tutto molto semplicemente,  sperando di avere cavetti di scorta verso l alimentatore. 

 

Fatto salve varie considerazioni ( se sei in condominio o impianto singolo )

 

Screenshot_20240323_221055_SamsungInternet.thumb.jpg.66ab021e49501113bc201578f97580bf.jpg

 

 

Screenshot_20240323_220927_SamsungInternet.thumb.jpg.52345b052fbdee2159cce21acc8e661b.jpg

Grazie per l'informazione. Ma il morsetto CA da solo porta il segnale al ronzatore? mentre per apriporta quali sono i morsetti da utilizzare...

Inserita: (modificato)
23 minuti fa, antonik79 ha scritto:

il morsetto CA da solo porta il segnale al ronzatore?

No....assieme a R1 , ma non è un ronzatore , è l altoparlante del video citofoni.   A è B sono il segnale video

 

Il tuo dovrebbe avere tre tasti , uno apertura e due ausiliari , tipo luce scale o altri cancelli .

 

Sono i morsetti Y e X

 

Il segnale per serratura apriporta , arriva dall alimentatore  direttamente 

 

Il tuo schema Dovrebbe essere questo

 

 

Screenshot_20240324_211729_SamsungNotes.thumb.jpg.1a623bf9beceba6d53940ac000209a56.jpg

 

Impianto singolo o condominio ? 

 

Con i dovuti se e ma...bisogna fare un paio di semplici modifiche , ma devi avere , come ti avevo indicato,  cavi di scorta

 

Nell esempio di @spippolone , si è intervenuti sul circuito stampato,  perché soprattutto nei sistemi moderni , il segnale di apertura  viene gestito diversamente

Modificato: da luigi69
Errori ortografia
  • 2 months later...
Inserita: (modificato)

Buongiorno....c'è un aggiornamento del progetto.

Ho inserito uno Shelly M1 all'interno del video citofono e ho saldato i due fili del relè al pulsante apertura porta (in parallelo) e tutto funziona...ho un video citofono "smart".

Ora vorrei capire sulla morsettiera della staffa dove dovrebbero andare i 2 fili....

Grazie a tutti per l'interessamento.

IMG_20240524_191442.jpg

Modificato: da antonik79

Crea un account o accedi per commentare

Devi essere un utente per poter lasciare un commento

Crea un account

Registrati per un nuovo account nella nostra comunità. è facile!

Registra un nuovo account

Accedi

Hai già un account? Accedi qui.

Accedi ora
×
×
  • Crea nuovo/a...