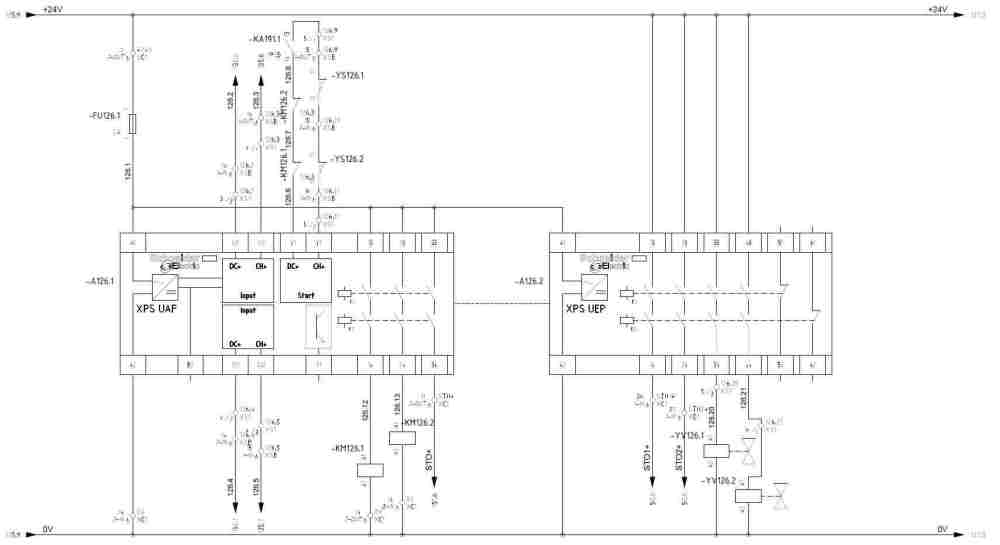
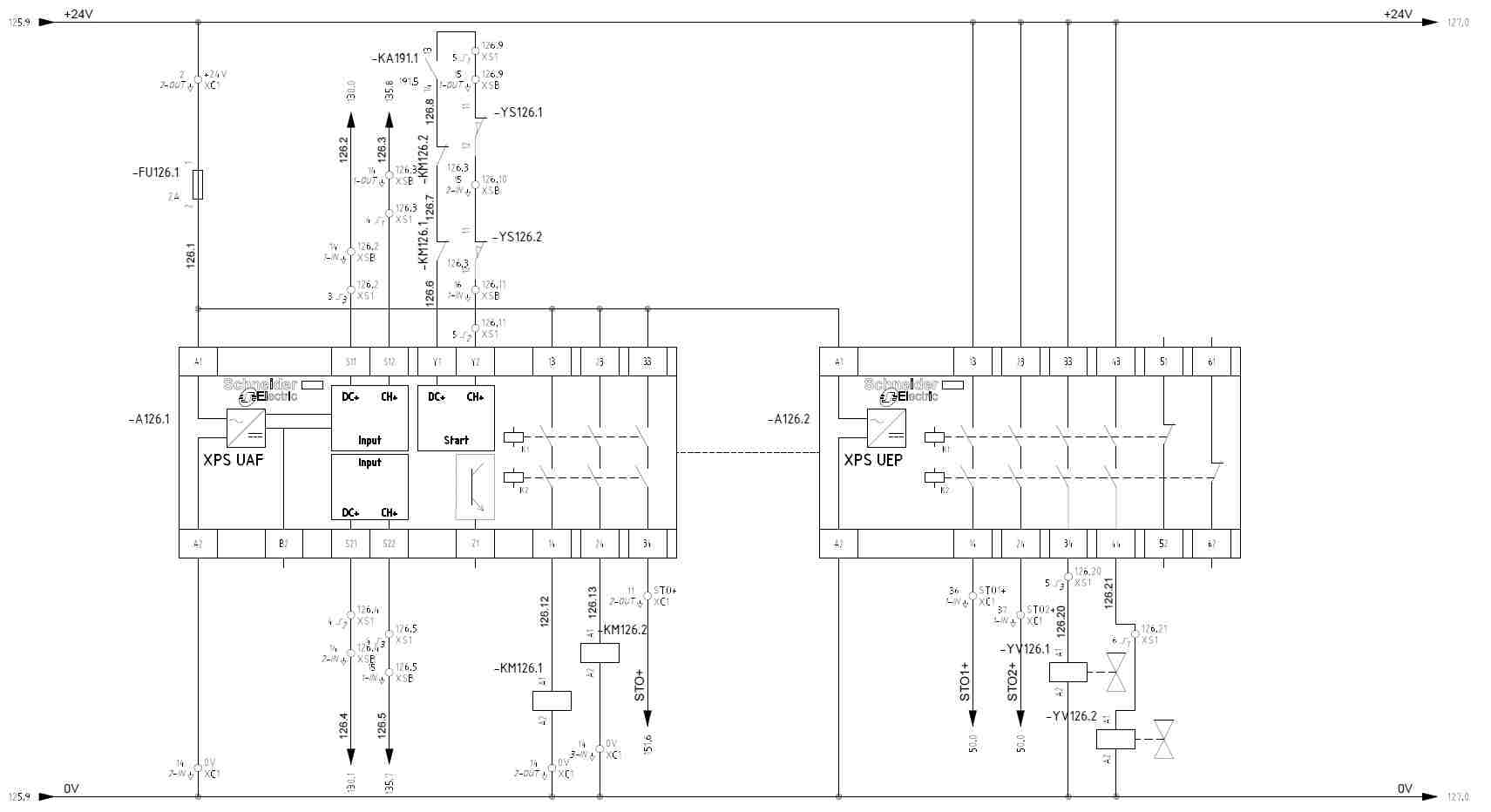
F.Ciara23 Inserito: 12 aprile 2024 Segnala Inserito: 12 aprile 2024 Ciao a tutti, avrei bisogno del vostro supporto. Ho un problema con gli STO di un drive Sanyo. Sto utilizzando un modulo di sicurezza Schneider XPSUAF13AC e con il doppio canale degli STO appena interviene un riparo, ogni tanto mi va in errore il drive. (allarme STO). Potrebbe essere la non contemporaneità dei contatti di sicurezza? Come posso risolvere questo problema? Cambiando modulo di sicurezza? vi inoltro la pagina del mio schema elettrico.. Grazie a tutti! Francesco
thinking Inserita: 12 aprile 2024 Segnala Inserita: 12 aprile 2024 Ciao Francesco, ho avuto un problema simile ed ho risolto utilizzando il +24vdc dello stesso drive invece del +24 del cuadro elettrico. Se il drive no ha un +24vdc puoi provare a mettere in comune lo 0vdc del cuadro elettrico con lo 0vdc degli ingressi del drive.
dina_supertramp Inserita: 12 aprile 2024 Segnala Inserita: 12 aprile 2024 (modificato) Ti da qualche dettaglio in più l'errore? La causa potrebbe essere la differenza dei 24VDC usati, come suggerito da @thinking. Oppure un altra: Sai quanto ammette di discrepanza massima tra i due canali STO il drive? La discrepanza massima ammessa tra i due canali è regolabile? (Sui drive Siemens ad esempio è possibile, tranne che per alcuni modelli "base") Se hai un oscilloscopio puoi verificare se i due canali "salgono insieme"...per salgono insieme intendo che la differenza di tempo deve essere minore della discrepanza massima ammessa dal drive. Modificato: 12 aprile 2024 da dina_supertramp
Roberto Gioachin Inserita: 12 aprile 2024 Segnala Inserita: 12 aprile 2024 Se il tuo modulo delle sicurezze ed il drive sono nello stesso quadro, puoi portare un solo contatto del modulo ad entrambi gli ingressi STO del drive, a questo punto se il problema si ripresenta allora hai un qualche guasto sul drive e lo devi far riparare o sostituire. Altra cosa, se i contatti del modulo sono collegati agli STO di più di un drive in parallelo, allora ti conviene separarli, è già successo che per alcuni inverter questo collegamento abbia dato dei problemi, come ha detto @thinking ti conviene usare per ogni drive la propria alimentazione.
F.Ciara23 Inserita: 12 aprile 2024 Autore Segnala Inserita: 12 aprile 2024 Ciao a tutti, rispondo alle vostre domande e nel frattempo vi ringrazio: @thinking ho già provato a mettere in comune lo 0VDC con quello del drive ma il risultato è lo stesso. @dina_supertramp questa è la risposta del fornitore riguardo all'errore del drive: "Per quanto riguarda l'allarme AL25 per mia conoscenza avviene quando non vi è contemporaneità e congruenza dei segnali STO. Personalmente mi è capitato quando vien tolto un solo canale STO, e l'altro non segue entro 10sec." La discrepanza massima non è regolabile. Roberto Gioachin ho gia provato anche la tua soluzione ma l'esito è lo stesso. La soluzione che proverò adesso dal cliente e la sostituzione del modulo di sicurezza. Ho sentito varie persone che mi hanno detto che il materiale costruito dal 2021 in poi può avere problemi causato dalla scarsità dei materiali in quel periodo. Spero di risolvere! Vi tengo aggiornati!
dina_supertramp Inserita: 12 aprile 2024 Segnala Inserita: 12 aprile 2024 (modificato) Vuoi toglierti ogni dubbio? Non passare dall'XPS, metti un normale relè a 24VDC (è solo una prova per capire da dove arriva il problema) e usa due contatti NO del relè per alimentare gli STO. Continua a farlo commutare ogni 10 secondi per una ventina di minuti. Se cosi il drive non va mai in errore il problema è l'XPS. Se il drive va in errore il problema è il drive Modificato: 12 aprile 2024 da dina_supertramp Inserita immagine
Roberto Gioachin Inserita: 12 aprile 2024 Segnala Inserita: 12 aprile 2024 5 ore fa, F.Ciara23 ha scritto: ho gia provato anche la tua soluzione ma l'esito è lo stesso. A questo punto hai un problema nel Drive, a me è capitata la stessa cosa su un inverter, ho dovuto sostituire la scheda di controllo dell'inverter.
F.Ciara23 Inserita: 16 aprile 2024 Autore Segnala Inserita: 16 aprile 2024 @dina_supertramp ok grazie mille, domani andremo dal cliente e vedremo come risolvere! @Roberto Gioachin Spero di no! in questa macchina ho 12 drive e dovrei cambiarli tutti dato che il problema non si verifica sempre sullo stesso, comunque grazie del suggerimento! Vi tengo aggiornati, grazie!
dina_supertramp Inserita: 16 aprile 2024 Segnala Inserita: 16 aprile 2024 (modificato) 1 ora fa, F.Ciara23 ha scritto: @Roberto Gioachin Spero di no! in questa macchina ho 12 drive e dovrei cambiarli tutti dato che il problema non si verifica sempre sullo stesso, comunque grazie del suggerimento! Eh ma allora c'è anche altro da indagare. Modificato: 16 aprile 2024 da dina_supertramp
dina_supertramp Inserita: 16 aprile 2024 Segnala Inserita: 16 aprile 2024 Se hai fatto la prova di Roberto e hai avuto esito negativo quasi sicuramente è il drive. E' strano che usando solo un contatto dell'XPS e portandolo a entrambi gli ingressi STO la causa sia l'XPS. Stai usando solo un contatto, quindi non puoi avere nessun problema di discrepanza tra i canali STO1 e STO2 perchè appunto li alimenti da un contatto solo. Potresti verificare se il contatto "sfarfalla" quello si, magari hai delle micro interruzioni che fanno arrabbiare il drive (cosa che mi è capitata) Poi un'altra cosa, dallo schema che hai allegato vedo che con l'XPS tagli anche l'STO+.....perchè? STO+ non è necessario tagliarlo, andrebbe usato semplicemente come comune dei contatti da cui escono STO1 ed STO2
F.Ciara23 Inserita: 17 aprile 2024 Autore Segnala Inserita: 17 aprile 2024 @dina_supertramp STO+ è solamente una segnalazione che do in ingresso al plc come modulo di emergenza ripristinato. Al momento il nostro tecnico che è dal cliente sostituirà l'XPS e vediamo cosa succede. Spero di risolvere!
dina_supertramp Inserita: 17 aprile 2024 Segnala Inserita: 17 aprile 2024 12 minuti fa, F.Ciara23 ha scritto: STO+ è solamente una segnalazione che do in ingresso al plc come modulo di emergenza ripristinato. Chiaro, ci sta. 12 minuti fa, F.Ciara23 ha scritto: Al momento il nostro tecnico che è dal cliente sostituirà l'XPS e vediamo cosa succede. Spero di risolvere! Facci sapere
F.Ciara23 Inserita: 23 aprile 2024 Autore Segnala Inserita: 23 aprile 2024 Ciao a tutti, il nostro tecnico ha risolto solamente mettendo insieme i 2 canali STO; ha provato a sostiutire il modulo di sicurezza ma con esito identico. Purtroppo avendo la macchina in India e in fase di produzione, l'unica soluzione è stata quella di mettere tutto sotto un solo canale STO (chiaramente abbassando il PL). penso che il problema sia di una partita di moduli di sicurezza acquistati nel terribile momento di reperibilità dei componenti e quindi di scarsa qualità. A qualcuno è successa la stessa cosa con altri materiali? Grazie a tutti e buon lavoro! Francesco
Roberto Gioachin Inserita: 23 aprile 2024 Segnala Inserita: 23 aprile 2024 16 minuti fa, F.Ciara23 ha scritto: l'unica soluzione è stata quella di mettere tutto sotto un solo canale STO (chiaramente abbassando il PL). Questo non è vero, se il modulo di sicurezza e i drive si trovano nello stesso armadio questa connessione mantiene lo stesso livello di sicurezza, diversa è la cosa se i due sono su due quadri elettrici distinti, allora in questo caso la soluzione sarebbe addirittura vietata.
dina_supertramp Inserita: 23 aprile 2024 Segnala Inserita: 23 aprile 2024 Sarei stato curioso di collegare un oscilloscopio ai contatti dei due canali dell'XPS (vecchio e nuovo) per vedere come si comportano...
F.Ciara23 Inserita: 7 maggio 2024 Autore Segnala Inserita: 7 maggio 2024 Il 23/4/2024 alle 13:49 , Roberto Gioachin ha scritto: Questo non è vero, se il modulo di sicurezza e i drive si trovano nello stesso armadio questa connessione mantiene lo stesso livello di sicurezza, diversa è la cosa se i due sono su due quadri elettrici distinti, allora in questo caso la soluzione sarebbe addirittura vietata. si assolutamente, sia il drive che il modulo di sicurezza sono entrambi nello stesso quadro elettrico. Grazie mille del suggerimento! Il 23/4/2024 alle 16:27 , dina_supertramp ha scritto: Sarei stato curioso di collegare un oscilloscopio ai contatti dei due canali dell'XPS (vecchio e nuovo) per vedere come si comportano... purtroppo era una prova che non ho potuto fare... però per il SAT l'unica soluzione è stata quella di ponticellare l'STO 1 e 2..
Messaggi consigliati
Crea un account o accedi per commentare
Devi essere un utente per poter lasciare un commento
Crea un account
Registrati per un nuovo account nella nostra comunità. è facile!
Registra un nuovo accountAccedi
Hai già un account? Accedi qui.
Accedi ora