STECCO Inserito: 17 aprile 2024 Segnala Inserito: 17 aprile 2024 (modificato) Salve a tutti, questo tv all'accensione arriva alla scritta smart e si accende e spegne in maniera ciclica sentendo il click del relay Ho staccato al scheda madre ed il comportamento è lo stesso. Lasciando solo i led connessi si illuminano e si staccano ciclicamente. Anche senza led collegati la scheda ha lo stesso comportamento click dei relay ciclicamente. La 5 V è fissa e stabile invece se misuro le tensioni sugli altri condensatori le tensioni continue si abbassano ed alzano in funzione dei click. I diodi del secondario sono ok così come tutti gli altri diodi della scheda, non sembra gonfio nessun condensatore. Ho riscaldato i condensatori e poi avviato ed il difetto persiste. questo è i modello della scheda : samsung_bn44-00622b_power_supply questo è lo schema, cosa mi consigliate di fare? https://www.electronica-pt.com/esquema/func-download/82538/chk,a4e4813cb4daac53ade8ca9fe132c7ce/no_html,1/ Modificato: 17 aprile 2024 da STECCO
Videotecnico Inserita: 19 aprile 2024 Segnala Inserita: 19 aprile 2024 Prova a staccare QQ853 e vedi se così il TV si avvia. Di solito per questo difetto il problema è legato a uno dei 2 IC che gestiscono il pilotaggio delle barre led (SLC2013M) che si guasta, toglindo QQ853 si inibisce l'intervento della protezione così puoi verificare se sono loro a difettare.
STECCO Inserita: 23 aprile 2024 Autore Segnala Inserita: 23 aprile 2024 Il 19/4/2024 alle 10:39 , Videotecnico ha scritto: Prova a staccare QQ853 e vedi se così il TV si avvia. Di solito per questo difetto il problema è legato a uno dei 2 IC che gestiscono il pilotaggio delle barre led (SLC2013M) che si guasta, toglindo QQ853 si inibisce l'intervento della protezione così puoi verificare se sono loro a difettare. Ho guardato uno dei due integrati che gestiscono il pilotaggio delle bare in questo caso IC9201ed ho notato questa stranezza sul pin 24 che è CS1 ed è accanto al pin FLT che è quello che porta il riferimento FLAG2 al mosfet QQ853 .... Domanda posso pensare che quella parte arrossita è un falso contatto? oppure è andato l'integrato? NB: mi è capitato che accendendo il tv dopo 4 gg al primo avvio è partito...
STECCO Inserita: 24 aprile 2024 Autore Segnala Inserita: 24 aprile 2024 Il 19/4/2024 alle 10:39 , Videotecnico ha scritto: Prova a staccare QQ853 e vedi se così il TV si avvia. Di solito per questo difetto il problema è legato a uno dei 2 IC che gestiscono il pilotaggio delle barre led (SLC2013M) che si guasta, toglindo QQ853 si inibisce l'intervento della protezione così puoi verificare se sono loro a difettare. Effettivamente l'ho staccato e il TV è partito regolarmente. Posso considerare che è solo l'integrato della foto il problema o meglio cambiarlo entrambi? O c'è altro da controllare?
mistertv Inserita: 26 aprile 2024 Segnala Inserita: 26 aprile 2024 Quella parte che descrivi rossastra è normale ed avviene durante i processi di saldatura, se guardi gli altri pin è presente ma in modo minore. Questi integrati provocano questo difetto, sostituiscilo.
STECCO Inserita: 28 aprile 2024 Autore Segnala Inserita: 28 aprile 2024 ho confrontato i due integrati rispettivamente al pin FLT che è quello che porta il riferimento al circuito di protezione. in effetti in uno dei due, guardacaso proprio quello col pin rossiccio ho una tensione di 2,5 v quindi deduco da qui che quei 2,5 facciano andare in protezione il TV. A questo punto dovrei sostituirlo. Meglio cambiare uno o entrambi? dove conviene prenderli?
mistertv Inserita: 28 aprile 2024 Segnala Inserita: 28 aprile 2024 Io mi servo qui direttamente in negozio però spediscono anche, affidabili e da decenni servono tutti i riparatori di Roma. Al limite prendi anche altro e ti ammortizzi le spese che se non erro sono 6 euro. se vuoi prenderne due valuta tu, non sarebbe male.
STECCO Inserita: 28 maggio 2024 Autore Segnala Inserita: 28 maggio 2024 Il 24/04/2024 alle 20:00 , STECCO ha scritto: Effettivamente l'ho staccato e il TV è partito regolarmente. Posso considerare che è solo l'integrato della foto il problema o meglio cambiarlo entrambi? O c'è altro da controllare? mi sono reso conto soltanto dopo che... il tv sì è partito ma l'immagine non è ben luminosa.. qundi le barre non sono tutte accese.. Ho smontato il pannello e le ho testate singolarmente. sono 8 barre da 15 led (9+6) e ogni barra accende con la stessa tensione di 39V i conti non mi tornano perchè in teoria se il led sono da 3v la serie dovrebbe fare 3x15=45V.. però il fatto che sia per tutte la stessa tensione mi fa immaginare che siano tutte nello stesso stato. Ho provato a collegare alimentatore e scheda madre ed alimentare il tv senza pannello Ho ottenuto che ci sono solo 4 barre che lampeggiano mentre la tv cicla coi click.. Ho scambiato le barre che non accendono con quelle che accendono ed ho ottenuto sempre la stessa cosa.. quindi mi viene da dire che non sono le barre il problema.. Che suggerimento mi potete dare? posso continuare sulla strada dell'integrato da cambiare?
illogatto Inserita: 30 maggio 2024 Segnala Inserita: 30 maggio 2024 Cambia i 2 integrati come ti ha detto MisterTV
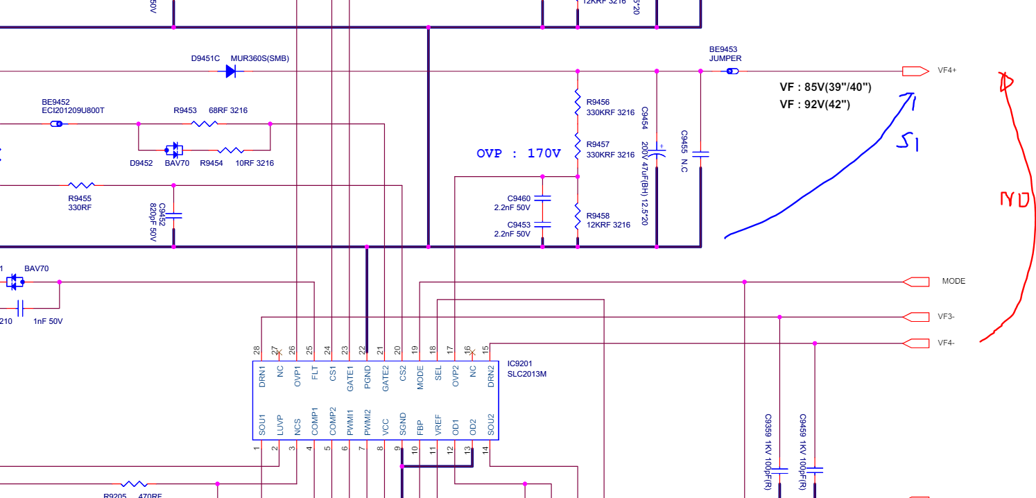
STECCO Inserita: 3 giugno 2024 Autore Segnala Inserita: 3 giugno 2024 Ho cambiato gli integrati , La tv si accende, quindi non va in loop però le barre che sono accese sono la metà. Si accendono solo le bare comandate dall'integrato che non ha mai dato problemi. Quindi suppongo ora ci siano altri problemi a valle dell'integrato difettoso... La tensione alle lampade che non accendono (VF+ e VF-) non c'è però tra il VF+ della lampada e massa GND la tensione c'è... Metto una immagine per capirci... qualche suggerimento?
Messaggi consigliati
Crea un account o accedi per commentare
Devi essere un utente per poter lasciare un commento
Crea un account
Registrati per un nuovo account nella nostra comunità. è facile!
Registra un nuovo accountAccedi
Hai già un account? Accedi qui.
Accedi ora