Lukej Inserito: 18 aprile 2024 Segnala Inserito: 18 aprile 2024 Buongiorno in un centralino di casa con fornitura da 6 kw a valle di un generale da 40A avrei pensato di uscire con due coppie di fili da 10mmq (entrano nel morsetto di uscita del mt generale???); una coppia andrà ad alimentare il mtd prese e poi con i pettini di distribuzione farà anche luci; esterni e condizionatore. L altra coppia invece entrerà in un mtd da 32 A per la cucina e uscendo si alimenta una serie di mt da un modulo per le singole utenze della stessa collegate tra loro da pettini di distribuzione. Il mio dubbio oltre a quello se ci stanno nel morsetto del generale due coppie di fili da 10 mmq riguarda i ponticelli fatti con i pettini. Se entro coi fili nel primo mt questo sarà quello che subirà la maggior parte del carico e non vorrei che i morsetti dai quali iniziano i vari ponticelli potessero scaldarsi e bruciarsi (il costruttore dichiara qualcosa a riguardo?)Ho letto di entrare coi fili invece che nel primo mt in uno centrale così poi la barra ripartisce a destra e a sinistra però non ho capito perchè qui il problema dovrebbe essere diverso visto che poi sarà tale mt che subirà tutto il carico. Grazie a chi mi vorrà aiutare
Maurizio Colombi Inserita: 18 aprile 2024 Segnala Inserita: 18 aprile 2024 21 minuti fa, Lukej ha scritto: con due coppie di fili da 10mmq Io farei due belle barre in rame 15x30 e sei apposto. Avrai un po' di problemi a morsettarti sugli automatici, ma avrai gli stessi problemi anche con due corde da 10...
piergius Inserita: 18 aprile 2024 Segnala Inserita: 18 aprile 2024 2 ore fa, Lukej ha scritto: a valle di un generale da 40A avrei pensato di uscire con due coppie di fili da 10mmq (entrano nel morsetto di uscita del mt generale??? ) Per saperlo non devi far altro che provare direttamente con un Puntalino 2×10mmq prima di acquistare il Magnetotermico . - (non spaventarti, la foto è un po' ingrandita ) > Anche il Centralino va coordinato con quello che ha a monte ed a valle . Piuttosto 6kW li vedrei meglio spalmati tra 4 M. T. D., ad esempio : - Luci; - Servizi Essenziali tra cui Congelatore, Frigo, Allarme, Modem etc ; - Cucina ; - Lavanderia + Climatizzatori . Così i Grandi Elettrodomestici, che causano il grosso delle Dispersioni, non interferiscono con i Servizi Essenziali H24 di minor Potenza . - Se poi si prevede di avere in futuro almeno uno tra Piano ad Induzione, Fotovoltaico e Wall Box, conviene passare alla Fornitura Trifase . - Buona giornata !
click0 Inserita: 18 aprile 2024 Segnala Inserita: 18 aprile 2024 un centralino da 10kw, non puoi certo lo farlo con ponti e ponticelli vari, fatti tra i vari magnetotermici a meno che, tu, non ne voglia uscire pazzo interruttore da 40, barretta di distribuzione e filo singolo da 10 /16 per ogni interruttore
Lukej Inserita: 18 aprile 2024 Autore Segnala Inserita: 18 aprile 2024 Grazie mille per l aiuto. Ma un generale cucina e le singole utenze sotto non posso farle coi pettini dovendo ponticellare tutto? Capisco che la barra sia la soluzione migliore ma non volevo occupare troppo spazio nel 36 moduli. E nel caso dei pettini anche voi consigliate arrivare coi fili nella posizione centrale del pettine?
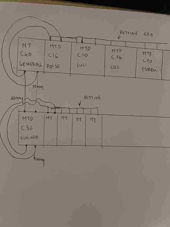
Lukej Inserita: 18 aprile 2024 Autore Segnala Inserita: 18 aprile 2024 Per tagliare la testa al toro la mia idea era di fare una cosa come da foto allegato. I dubbi erano sul filo da dieci e su come dare corrente al pettine visto che qualcuno ha detto che bisogna dargli i fili al centro.
Messaggi consigliati
Crea un account o accedi per commentare
Devi essere un utente per poter lasciare un commento
Crea un account
Registrati per un nuovo account nella nostra comunità. è facile!
Registra un nuovo accountAccedi
Hai già un account? Accedi qui.
Accedi ora